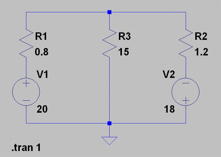
Hi, ich bräuchte einen Lösungsansatz. Ich komme rechnerisch nicht auf die richtige Lösung. Im Anhang die Schaltung in LTSpice. Ich habe bisher versucht Die Ströme zu berechnen mit Strompfeilen und dann auch noch mit Spannungspfeilen an den Widerständen, mein Ergebnis stimmt aber nicht mit den Werten aus dem Simulator überein. Der liefert mit I1= -19,186A I2= 310,078mA I3= 18,876A An dem Stromknoten oben muss ja die Summe der Ströme 0 sein. Über welchen Ansatz muss ich anfangen?
superpositionsprinzip spannungsquellen nacheinander rausnehmen. oder war es kurzschließen? zu lang her...
Es gibt viele Wege das Ding zu berechnen. Sotiert von einfach nach schwer: - Superpositionsprinzip - Verfahren der Ersatzspannungsquelle - Maschenstromanalyse/Knotenpotentialverfahren Am einfachsten ist das Superpositionsverfahren. Schließe eine Quelle kurz und bestimmte alle Ströme. Schließe die andere Quelle Kurz und bestimme alle Ströme. Addiere die Teile der einzelnen Ströme und du erhälst die einzelnen Anteile wenn beide Quellen aktiv sind.
Danke, denke das reicht schon :) ich versuchs mal mit der nicht zu beachtenden Spannungsquelle kurzschließen, bin am rechnen.
Super. Was du dir davon merken solltest: Stromquellen leerlaufen lassen, Spannungsquellen kurzschließen. Wenn man das im Kopf hat kann man eine Menge berechnen.
Tomatenmuchacho schrieb: > superpositionsprinzip > > spannungsquellen nacheinander rausnehmen. oder war es kurzschließen? > zu lang her... Spannungsquellen kurzschließen, Stromquellen auftrennen. Aufpassen muß man, daß die Ströme vorzeichenrichtig addiert werden, wenn eine Schaltung mit Hilfe des Überlagerungssatzes gelöst wird. Die Bepfeilung ist mathematisch relevant, wenn auch nicht physikalisch. :-)
Bitte melde dich an um einen Beitrag zu schreiben. Anmeldung ist kostenlos und dauert nur eine Minute.
Bestehender Account
Schon ein Account bei Google/GoogleMail? Keine Anmeldung erforderlich!
Mit Google-Account einloggen
Mit Google-Account einloggen
Noch kein Account? Hier anmelden.
