Hallo Xperten, habe ein Prob mit der Wärmenetwicklung beim MAX485. Bei systemgerechter Leitungsterminierung (2x 120 Ohm) fährt der MAX auf 61°C hoch. Nun stellen sich die Temperaturen des K1 (Ausgangstreiber) folgend dar: Ohne R3: 25°C mit R3, ohne Signal: 37°C mit R3, mit Signal: 45°C mit 2x R3 (parallel, entspricht Kabelabschluss vorne und hinten): 61°C Und das wäre ja der gültige Betriebsfall bei RS485. Übrigens: die Funktion ist ok, habe 50m Kabel am Ausgang. WAS LÄUFT HIER SCHIEF? Gruß realhanno
schau dir bitte einmal das datenblatt zu den dingern genau an... insbesondere welche Pegel Rxd und Txd haben...
Pegel an A und B: rs485_1: 120 Ohm am Ausgang, mit Ansteuerung rs485_2: 120 Ohm am Ausgang, ohne Ansteuerung rs485_3: Ausgang ohne Last, mit Ansteuerung rs485_4: Ausgang ohne Last, ohne Ansteuerung Man sieht hier recht deutlich, dass eine 120-Ohm-Last den Ausgangstreiber schon gut belastet... Rx und Tx (am Eingang) sind hier nicht die Frage, siehe "rs485-in", der Eingangstreiber wird nicht warm... und die Pegel sehen recht gut aus.. realhanno
Zur Orientierung: Im Datasheet vom Maxe ist Pin1 der Ausgang vom Receiver, Pin4 der Eingang vom Transmitter. Wohl zwecks effektiverer Verwirrung des Lesers ist das im Schaltbild etwas kreativer bezeichnet.
Wenn der treibende Maxe ungefähr 2V in den Abschluss reinjagt und mit 5V versorgt wird: Wieviel mW gehen dann im Maxe selbst drauf? Und wie warm wird er dabei laut Datasheet? Das wär der entscheidende Punkt.
A. K. schrieb: > Zur Orientierung: Im Datasheet vom Maxe ist Pin1 der Ausgang vom > Receiver, Pin4 der Eingang vom Transmitter. Wohl zwecks effektiverer > Verwirrung des Lesers ist das im Schaltbild etwas kreativer bezeichnet. Wo gibts da was zu meckern? Pin1: Ausgang -> Tx (Transmit) Pin4: Eingang -> Rx (Receive) realhanno
A. K. schrieb: > Wenn der treibende Maxe ungefähr 2V in den Abschluss reinjagt und mit 5V > versorgt wird: Wieviel mW gehen dann im Maxe selbst drauf? Und wie warm > wird er dabei laut Datasheet? Das wär der entscheidende Punkt. .. das ist ja das Problem. Wenn ich den MAX mit 3,3V versorge, entschärft sich das Problem, aber es ist trotzdem noch da. Das Dabla gibt mir die Möglichkeit, ihn mit 5V zu betreiben, und 2x 120 Ohm als Abschluss sind ja Norm. Ich werde mal den 120 Ohmer mit einem C abtrennen... Gruß realhanno
Hanno Reimann schrieb: > Wo gibts da was zu meckern? Weil das, was bei dir TXD heisst, sonst üblicherweise RO genannt wird. Etwas irritierend kann das schon wirken.
Hanno Reimann schrieb: > .. das ist ja das Problem. Meine Frage dahinter war: Hast du überhaupt ein Problem? Dass er warm wird finde ich nämlich nicht überraschend. Die Frage wäre, ob das zu viel ist. Zur statischen Last kommt ausserdem noch die dynamische. Also die Kapazität von 50m Leitung, was abhängig vom Signal auch noch für ein paar mW gut ist. Versteh mich nicht falsch: Ich habe das nicht berechnet. Ist eben bloss eine Frage, die sich stellt.
A. K. schrieb: > Weil das, was bei dir TXD heisst, sonst üblicherweise RO genannt wird. > Etwas irritierend kann das schon wirken. Jo, allerdings. Und die Bezeichnungen im Datenblatt sind ja auch sinnvoll: RO für Receiver Output und DI für Driver Input. Und niemand erwartet, daß ein als TxD bezeichneter Pin die Receiver-Daten liefern soll, oder daß man an einem Pin RxD die Sendedaten anlegen soll. Ich habe beim Lesen des Schaltplans auch erst gedacht, daß die Ein- und Ausgänge vertauscht sind. Also besser bei den etablierten (und verständlichen!) Originalbezeichungen aus dem Datenblatt bleiben.
Ist durchaus normal das RS485 bei "Nennlast" gut warm werden und auch kein Grund zur Besorgnis. Lediglich durch C-Entkopplung der Termninierung (allerdings nicht immer möglich oder gewollt) kann man den Leistungsbedarf und damit auch die Wärmeentwicklung vermindern.
Mikki Merten schrieb: > Ist durchaus normal das RS485 bei "Nennlast" gut warm werden und auch > kein Grund zur Besorgnis. Lediglich durch C-Entkopplung der > Termninierung (allerdings nicht immer möglich oder gewollt) kann man den > Leistungsbedarf und damit auch die Wärmeentwicklung vermindern. Tja, das "gut warm" werden ist ja schon fast tödlich. 61°C am Gehäuse bei korrektem Abschluss finde ich nicht gerade long-life fördernd. Ich hatte vor, diese Teile zu vergießen (weil im Außenbereich), aber davon werde ich wohl die Finger lassen... und sie sollen Tag und Nacht spielen. Das Bild zeigt übrigens einen überhitzten MAX485 (war im Verguss), lief ca. 4 Wochen...
Hanno Reimann schrieb: > Tja, das "gut warm" werden ist ja schon fast tödlich. 61°C am Gehäuse > bei korrektem Abschluss finde ich nicht gerade long-life fördernd. Siehst du das bei einem 7805 auch so kritisch?
Hanno Reimann schrieb: > .. leider gibt das DaBla darüber keine Auskunft... Dann schau dich mal bei anderen Transceivern im gleichen Gehäuse um. Die Grössenordnung der Wärmeabfuhr dürfte passen.
A. K. schrieb: > Hanno Reimann schrieb: >> .. leider gibt das DaBla darüber keine Auskunft... > > Dann schau dich mal bei anderen Transceivern im gleichen Gehäuse um. Die > Grössenordnung der Wärmeabfuhr dürfte passen. diese Aufheizung ist für mich nicht zu akzeptieren. Ich sollte hier wohl aktiv kühlen... oder einen Leistungstreiber anhängen...
A. K. schrieb: > Siehst du das bei einem 7805 auch so kritisch? für ein langes Leben auf jeden Fall...
Hanno Reimann schrieb: > für ein langes Leben auf jeden Fall... 60°C beim 7805? Völlig normal und kein Grund für Aktionismus. Ausser du vergiesst ihn. PS: Rechne mal mit Grössenordnung 100 K/W for SO-8.
Hanno Reimann schrieb: > Ich sollte hier wohl aktiv kühlen... LOL. Ich musste grad an einen vergossenen Lüfter denken. ;-)
A. K. schrieb: > LOL. Ich musste grad an einen vergossenen Lüfter denken. ;-) .. macht sich doch wirklich gut.. Hauptsache Lüfter .. ;o)
Zur Begrenzung der Verlustleistung bleibt dann nur RC Terminierung da die Geschwindigkeit ja anscheinend nicht sehr hoch ist, oder ggf. auf die Wahl eines anderen Interface-Bausteins der etwas weniger Verluste im Ausgangstreiber hat z.b. http://www.ti.com/lit/ds/symlink/sn65hvd52.pdf http://www.ti.com/lit/an/snla049b/snla049b.pdf
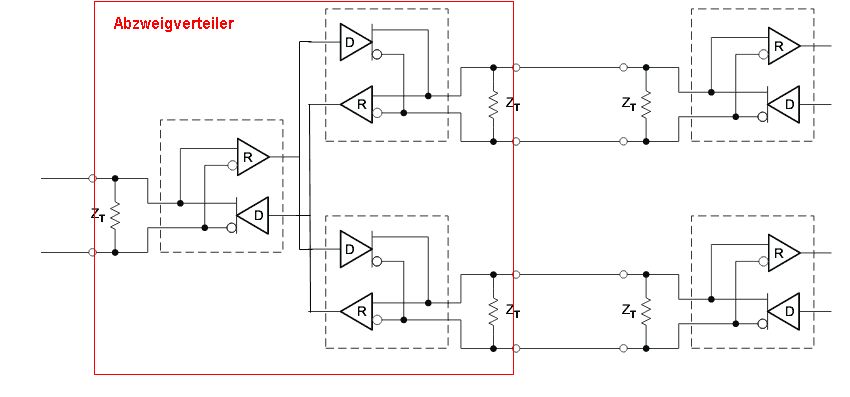
Was macht denn dieser Schaltungsteil? Mir sieht das so aus wie eine unidirektionale Verstärkerstufe um z.B. die mögliche Leitungslänge zu erhöhen oder Sternverkabelung zu ermöglichen. Das Driver Output Enable (DE, Pin 3) ist beim K1 dauerhaft an, der "sendet" damit ständig und verbraucht damit auch ständig Energie. Wenn Du das Enable nur anmachst, wenn auch wirklich Daten zu senden sind und der Bus ansonsten mit Pullups/Pulldowns auf Idle geht, wird das Ding vermutlich lang nicht so heiß - es sei denn es sind ständig Daten zu senden. Wenn die ganze Baugruppe passiv ist - also Dein Protokoll nicht "versteht" - könntest Du das DE z.B. mit einem flankengetriggerten retriggerbaren Monoflop an Receiver Output (Pin 1 von K2) anmachen. Du musst dann evtl. nur Dein Protokoll ein wenig anpassen so daß Du am Anfang nen Startbit extra sendest oder so. Das erscheint mir einfacher als vergießbare Lüfter zu entwickeln - wobei ich an letzeren auch Interesse hätte ;)
Gerd E. schrieb: > Was macht denn dieser Schaltungsteil? Mir sieht das so aus wie eine > unidirektionale Verstärkerstufe um z.B. die mögliche Leitungslänge zu > erhöhen oder Sternverkabelung zu ermöglichen. Fast ins Schwarze getroffen - Abzweiger am Hauptkabel.
Gerd E. schrieb: > Du das Enable nur anmachst, wenn auch wirklich Daten zu senden sind und > der Bus ansonsten mit Pullups/Pulldowns auf Idle geht, wird das Ding > vermutlich lang nicht so heiß - es sei denn es sind ständig Daten zu > senden. Leider sind Daten ohne Unterbrechung auf dem Bus. Ich denke, die beste Idee, die sich allmählich auskristallisiert, wäre eine zusätzliche externe Treiberstufe an A/B, die die entstehende Wärme besser handeln kann. Und so schnell sind wir nicht (<= 1Mbps), dass man höchste HF-Anforderungen benötigt. Und nach wie vor möchte ich vergießen. Die nächste Stufe dieser Entwicklung ist ein Halbduplex-Verteiler, dort muss ich dann sowieso umschalten. Die Verteilung von Senden/Empfangen ist leider noch nicht geklärt, aber damit werde ich auf jeden Fall die Temperatur um einige Grad absenken können.
Ok, und wenn Du diesen Abzweiger intelligent machst? Also daß der das Protokoll mitliest und weiß, welche Empfänger an der Stichleitung sind und dort nur sendet, wenn die Daten auch wirklich für diese Empfänger gedacht sind? Oder müssen wirklich alle Empfänger immer alle Daten bekommen? Wenn Du das auf Halbduplex erweitern willst, wirst Du vermutlich eh nicht drumrumkommen das Protokoll zu verstehen und dadurch zwischen Senden und Empfangen umzustellen.
Die 120 Ohm sind Abschlusswiderstände die nur auf der Empfängerseite am Ende des Kabels gebraucht werden. D.h. bei unidirektionalem Betrieb ist R3 überflüssig. Wenn dein Abzweiger einfach mitten an die Haupstrecke angeschlossen wird, ohne diese neu zu treiben, ist R4 sogar schädlich. R1+R5 würde ich grösser machen, IMO belasten 1k die Hautpstrecke zu stark, insbesondere wenn da mehrere Abzweiger dran sollen. Für den bidirektionalen Bettrieb kann man sich überlegen ob und wie man die Abschlusswiderstände schaltbar macht. (FET ohne Reversediode?) PS: Mit per C abgekoppelten Widerständen habe ich schlechte Erfahrung gemacht, allerdings bei weit höheren Datenraten und auch nicht RS485.
Lattice User schrieb: > Für den bidirektionalen Bettrieb kann man sich überlegen ob und wie man > die Abschlusswiderstände schaltbar macht. (FET ohne Reversediode?) Besser mit einem PhotoMOS Relais (http://pewa.panasonic.com/components/relays/photomos-relays/). So gesehen in der Märklin Mobile Station (dort aber für den CAN-Bus). Grüßle, Volker.
Lattice User schrieb: > Die 120 Ohm sind Abschlusswiderstände die nur auf der Empfängerseite am > Ende des Kabels gebraucht werden. wird oft benutzt (wahrscheinlich aus Temperaturgründen), aber exakt ist das nicht. Ein Kabel muss auf beiden Seiten abgeschlossen sein. Siehe auch Wikipedia: EIA-485 ...In der Regel wird ein passiver Abschluss durch Verbinden der Signalleitungen über jeweils einen 120-Ω-Widerstand an den beiden Busenden verwendet.... und andere.
Lattice User schrieb: > Wenn dein Abzweiger einfach mitten an die Haupstrecke angeschlossen > wird, ohne diese neu zu treiben, ist R4 sogar schädlich. R1+R5 würde ich > grösser machen, IMO belasten 1k die Hautpstrecke zu stark, insbesondere > wenn da mehrere Abzweiger dran sollen. es wird immer wieder neu getrieben - es sind immer 2 Ausgangstreiber vorhanden. R1 und R5 sind mit 1k etwas höher als in der EIA-485-Empfehlung. Dort wird für das Biasing 680 Ohm vorgeschlagen.
Lattice User schrieb: > Für den bidirektionalen Bettrieb kann man sich überlegen ob und wie man > die Abschlusswiderstände schaltbar macht. (FET ohne Reversediode?) Was ändert das an der Forderung eines beidseitigen Leitungsabschlusses? Ich muss doch nur abschalten, wenn nichts auf der Leitung läuft. Ist aber nicht der Fall - leider nicht zu ändern.
Volker Bosch schrieb: > Besser mit einem PhotoMOS Relais > (http://pewa.panasonic.com/components/relays/photomos-relays/). So > gesehen in der Märklin Mobile Station (dort aber für den CAN-Bus). Gute Idee, aber ich darf ja die Abschlusswiderstände nicht abschalten, wenn Kommunikation läuft. Und die läuft immer....
Hanno Reimann schrieb: > Ein Kabel muss auf beiden Seiten abgeschlossen sein. > Siehe auch Wikipedia: EIA-485 Bei unidirektionaler Übertragung mit genau einem Transmitter an einem Ende des Kabels würde ich mich in dieser Frage eher an EIA-422 orientieren. Das sieht eine Terminierung nur am anderen Ende vor. EIA-485 erlaubt die Platzierung des Transmitters an beliebiger Stelle im Kabel, auch in der 4-Draht Version, muss also deshalb beidseitig terminieren.
Hanno Reimann schrieb: > Lattice User schrieb: >> Für den bidirektionalen Bettrieb kann man sich überlegen ob und wie man >> die Abschlusswiderstände schaltbar macht. (FET ohne Reversediode?) > > Was ändert das an der Forderung eines beidseitigen Leitungsabschlusses? > Ich muss doch nur abschalten, wenn nichts auf der Leitung läuft. Ist > aber nicht der Fall - leider nicht zu ändern. Übrigens ist das Thema schom im MAX o.ä. durchdacht: DE auf LOW ergibt am Ausgang Tristate. Also ist die Leitung vom Ausgang abgekoppelt, und die beidseitigen Abschlusswiderstände bleiben an der Leitung...
Schau mal bei http://focus.ti.com/lit/an/slla070d/slla070d.pdf vorbei. Übersicht 422 v. 485 und mit diversen Abschlusstechniken.
Hallo an alle Beteiligten: recht vielen Dank für die vielen Ideen und Vorschläge. Dieses Thema scheint doch ziemlich allgemein-interessant zu sein. Um die Sache zum Ende zu bringen, hier noch einige Überlegungen zum exakten Leitungsabschluss (bei 5Mbps schon wichtig). 1. Die Hersteller geben für die Ausgangsimpedanz ihres Treibers keine exakten Werte vor. Über die min. und max. Werte des Ausgangsstroms ist das aber zu rechnen, zB. beim SP495 zwischen 10 und 85 Ohm. Diese Werte sind allerdings ungenügend, um eine exakte Leitungsanpassung herzustellen. 2. Im beigefügten Schema sind meine Überlegungen aufgeführt, das in der Praxis geräuchliche Weglassen des eingangsseitigen Anpasswiderstands führt zu einer Fehlanpassung der Leitung. Die beiden skizzierten Idealzustände sind ja leider nur theoretischer Natur. Außerdem stört das Weglassen des ersten Anpasswiderstands beim Umschalten auf die andere Sende-/Empfangsrichtung (Halbmultiplex). Dann wäre das ja der notwendige Widerstand am anderen Ende der Leitung. 3. Fazit: Beide Enden der Leitung müssen abgeschlossen sein, die entstehende Wärme am Treiber muss abgeführt werden. Das Gehäuse ist denkbar ungeeignet dafür (hoher Wärmewiderstand zum Chip), vorteilhafter ist hier eine Wärmeabführung über die Pins des Bauteils. Wir müssen (momentan) mit der recht hohen Temperatur leben, die Lebensdauer ist damit um einiges verkürzt. Grüße realhanno
A. K. schrieb: > Schau mal bei http://focus.ti.com/lit/an/slla070d/slla070d.pdf vorbei. > Übersicht 422 v. 485 und mit diversen Abschlusstechniken. Danke für den Link. Ich arbeite danach mit einem P2P Schema. Hier noch mein benutzes Übersichtsschaltbild.. Grüße realhanno
Mehr aus meinem Fundus: http://pdfserv.maximintegrated.com/en/an/AN1090.pdf http://www.bdtic.com/DownLoad/NSC/ApplicationNote/AN-903.pdf > Ich arbeite danach mit einem P2P Schema Unidirektional (oben) oder bidirektional (diesmal)?
RS485 ist nun mal keine LowPower Verbindung. Wenn man die komplette Kette mit eigenen Busteilnehmer betreibt, kann man mit kleinerer Vcc (z.B. 3,3 Volt) die Verlustleistung merklich reduzieren. Als Differenzspannung sind ja nur +- 200 mV erforderlich, Vergiessen ist aber auch da immer noch keine gute Idee, da die meisten Treiber ja auch kurzschlussfest sind und dort im Fehlerfall ja doch erheblich warm bis heiss werden. Oder auch mal über ein anderes Package z.B. SON8 nachdenken wenn man Wärme über die Platine abführen kann. http://www.ti.com/lit/ds/symlink/sn65hvd75.pdf
Hanno Reimann schrieb: > (bei 5Mbps schon wichtig). Hanno Reimann schrieb: > Und so schnell sind wir nicht (<= 1Mbps), ??? Abgesehen davon, dass der Rest der digitalen Welt üblicherweise entweder Serien- oder Parallel-Terminierung zu verwenden pflegt.
Wieso sollte vergiessen schlecht sein? Jede noch so schlecht Vergussmaße leitet die Wärme besser als Luft. Konvektion in einem dichten Gehäuse (sonst würde der TE ja nicht vergiessen wollen) ist meist auch nicht vorhanden und die Wärme der Luft wird nur schlecht an das Gehäuse abgegeben. Wenn man keine Bauteile mit großer Wärmeabgabe direkt neben dem Max platziert, sollte vergiessen die Situation ja entschärfen. Oder habe ich da was übersehen?
Fasti schrieb: > Jede noch so schlecht Vergussmaße leitet die Wärme besser als Luft. Es geht nicht um die Wärmeleitung der Luft, sondern um die Wärmeabfuhr durch Konvektion - das sind zwei völlig verschiedene Prozesse. Und natürlich isoliert manche Vergussmasse ganz erheblich. > Konvektion in einem dichten Gehäuse ... ist meist auch nicht vorhanden Das hat mit der Dichtigkeit des Gehäuses nicht zu tun. Die Konvektion sorgt für Wärmetransport zwischen (heißem) Bauteil und (kalter) Gehäuseinnenwand. Von dort geht es dann per Wärmeleitung durch die Gehäusewand und Wärmeabgabe über die Außenseite an die Umgebung.
Hanno Reimann schrieb: > > 1. Die Hersteller geben für die Ausgangsimpedanz ihres Treibers keine > exakten Werte vor. Über die min. und max. Werte des Ausgangsstroms ist > das aber zu rechnen, zB. beim SP495 zwischen 10 und 85 Ohm. Diese Werte > sind allerdings ungenügend, um eine exakte Leitungsanpassung > herzustellen. Du gehst von der falschen Annahme aus, dass die Ausgangsimpedanz die bestimmente Grösse ist. Angepasst werden muss aber die Kabelimpedanz die bei TP (twistet pair) typischerweise 100-120 Ohm beträgt. Bei TP wird fast immer Parallelterminierung, d.h. ein 100-120 Ohm Widerstand zwischen den beiden Leitungen am empfangenden Ende, verwendet. Die Ausgangimpedanz des Treibers hat dabei nur Einfluss auf den Kurzschlussstrom und den Signalpegel. Beidseitig terminiert muss man nur bei bidirektionalen oder Multipoint-Betrieb. (Siehe die Links von A.K.) Bei deiner derzeitigen unidirektionalen Verbindung kannst du den Leistungsbedarf der Treiber also onhe weiteres halbieren. Für bidrektionalen Betrieb braucht dein Abzweiger aus den dem letzen Post eine Richtungsumschaltung, bei der Gelegenheit kann sich überlegen ob man die Abschlusswiderstände schaltbar mach (jeweils am getrieben Anschluss abschalten).
A. K. schrieb: > Unidirektional (oben) oder bidirektional (diesmal)? bidirektional ist eine zweite Variante.
Lattice User schrieb: > Für bidrektionalen Betrieb braucht dein Abzweiger aus den dem letzen > Post eine Richtungsumschaltung, bei der Gelegenheit kann sich überlegen > ob man die Abschlusswiderstände schaltbar mach (jeweils am getrieben > Anschluss abschalten). .. die Ausgänge schalten sich doch selber ab (Tristate), das Kabel bleibt terminiert.
Lattice User schrieb: > ob man die Abschlusswiderstände schaltbar mach Was es auch integriert gibt, z.B. MAX13450.
Hanno Reimann schrieb: > .. die Ausgänge schalten sich doch selber ab (Tristate) In keinem deiner Schaltbilder schaltet sich irgendwas selber ab. Butter bei die Fische - wie stellst du dir was wirklich vor? Also nicht bloss Prinzipbild zum selber ausmalen, sondern konkret.
Lattice User schrieb: > Du gehst von der falschen Annahme aus, dass die Ausgangsimpedanz die > bestimmente Grösse ist. Angepasst werden muss aber die Kabelimpedanz die > bei TP (twistet pair) typischerweise 100-120 Ohm beträgt. Ausgangsimpedanz = Eingangsimpedanz Kabel. Treibe ich ein Kabel mit seiner Impedanz, dann habe ich Leistungsanpassung. Das spielt in das Thema Serienterminierung. Ist anzuraten bei Übertragung in nur eine Richtung. Damit spare ich mir Verlustleistung. Bei Richtungsumschaltung komme ich nicht um eine beidseitige Parallelterminierung herum. Dort wird dann jeweils einer der beiden Leitungstreiber durch das DE von der Leitung genommen (Tristate bei LOW).
Ich würde mal die beiden Sätze aus dem Datenblatt zur Diskussion stellen: "Drivers are short-circuit current limited and are protected against excessive power dissipation by thermal shutdown circuitry that places the driver outputs into a high-impedance state. The receiver input has a fail-safe feature that guarantees a logic-high output if the input is open circuit." Nach meinem Verständnis gilt das für alle RS485/RS422-"Mäxchen".
Hanno Reimann schrieb: > Ausgangsimpedanz = Eingangsimpedanz Kabel. Treibe ich ein Kabel mit > seiner Impedanz, dann habe ich Leistungsanpassung. Das spielt in das > Thema Serienterminierung. Ist anzuraten bei Übertragung in nur eine > Richtung. Kurz: Die gesamte Industrie betreibt RS-485 bisher völlig falsch. ;-) > Dort wird dann jeweils einer der beiden > Leitungstreiber durch das DE von der Leitung genommen (Tristate bei > LOW). Und wie schon mehrfach erwähnt wurde kann man bei dieser Gelegenheit auch den Parallelabschluss zum Treiber gleich mit abschalten. Ausserdem wärs nützlich, die Geheimniskrämerei wegzulassen. Also beispielsweise um wieviel Kilo- der Megabit pro Sekunde es wirklich geht. Wenn so ein Abzweig p2p ist, dann wärs vielleicht auch einen Gedanken wert, dort 4-Draht zu fahren. Also 2x unidirektional mit nur einem Abschluss pro Paar.
Ralf G. schrieb: > Nach meinem Verständnis gilt das für alle RS485/RS422-"Mäxchen". Ist mir auch schon aufgefallen. Und trotzdem hat er es geschafft, ihn derart zu grillen, dass er weggeschmolzen ist. Vielleicht sollte er die Blitze weglassen. ;-) http://www.mikrocontroller.net/attachment/218736/im_verguss.jpg
Ralf G. schrieb: > Den 2. Satz find' ich noch wichtiger. Den hier? "The receiver input has a fail-safe feature that guarantees a logic-high output if the input is open circuit." Was hat das in diesem Zusammenhang zu besagen?
A. K. schrieb: > Ralf G. schrieb: >> Nach meinem Verständnis gilt das für alle RS485/RS422-"Mäxchen". > > Ist mir auch schon aufgefallen. Und trotzdem hat er es geschafft, ihn > derart zu grillen, dass er weggeschmolzen ist. Vielleicht sollte er die > Blitze weglassen. ;-) > http://www.mikrocontroller.net/attachment/218736/im_verguss.jpg Wer weiss was das für eine Vergussmasse ist, und vor allem wie sie entfernt wird (Heissluftfön?).
A. K. schrieb: > Was hat das in diesem Zusammenhang zu besagen? Das, was mit R1, R4, R5 erreicht werden soll. Kann der MAX das nicht selbst?
Ralf G. schrieb: > Das, was mit R1, R4, R5 erreicht werden soll. Kann der MAX das nicht > selbst? Prinzipiell schon. Aber bei 50m Kabel dran ist "offen" ein sehr dehnbarer Begriff und ohne dieses biasing wird das leicht zum Fehlerverstärker.
A. K. schrieb: > Abgesehen davon, dass der Rest der digitalen Welt üblicherweise entweder > Serien- oder Parallel-Terminierung zu verwenden pflegt. Thevenin-Terminierung scheint mir eine recht unbekannte Art zu sein und bringt Leistungsreduzierung...
A. K. schrieb: > Wenn so ein Abzweig p2p ist, dann wärs vielleicht auch einen Gedanken > wert, dort 4-Draht zu fahren. Also 2x unidirektional mit nur einem > Abschluss pro Paar. Vollduplex also. Ist nicht drin, Kabel hat nur ein Paar. Hinweis: Thevenin-Terminierung mal anschauen
A. K. schrieb: > Ralf G. schrieb: >> Das, was mit R1, R4, R5 erreicht werden soll. Kann der MAX das nicht >> selbst? > > Prinzipiell schon. Aber bei 50m Kabel dran ist "offen" ein sehr > dehnbarer Begriff und ohne dieses biasing wird das leicht zum > Fehlerverstärker. Habs getestet und gemessen, Es kommen schon einige Störimpulse, die gar nicht ins Protokoll passen....
Lattice User schrieb: > A. K. schrieb: >> Ralf G. schrieb: >>> Nach meinem Verständnis gilt das für alle RS485/RS422-"Mäxchen". >> >> Ist mir auch schon aufgefallen. Und trotzdem hat er es geschafft, ihn >> derart zu grillen, dass er weggeschmolzen ist. Vielleicht sollte er die >> Blitze weglassen. ;-) >> http://www.mikrocontroller.net/attachment/218736/im_verguss.jpg > > Wer weiss was das für eine Vergussmasse ist, und vor allem wie sie > entfernt wird (Heissluftfön?). Entfernung chemisch und mechanisch. Der Verguss leitet die Wärme nicht so schnell ab, wie neue entsteht. Also Wärmestau. Wie es aussieht, reichlich über 100°C.
A. K. schrieb: > Ausserdem wärs nützlich, die Geheimniskrämerei wegzulassen. Also > beispielsweise um wieviel Kilo- der Megabit pro Sekunde es wirklich > geht. Es sind verschiedene Projekte. Aber darauf wollte ich eigentlich nicht fokussieren. Der Fokus soll die Terminierung incl. Wärmeentwicklung am Treiber sein.
Ralf G. schrieb: > Ich würde mal die beiden Sätze aus dem Datenblatt zur Diskussion > stellen: > > "Drivers are short-circuit current limited and are protected > against excessive power dissipation by thermal shutdown > circuitry that places the driver outputs into a high-impedance > state. The receiver input has a fail-safe feature that > guarantees a logic-high output if the input is open circuit." > > Nach meinem Verständnis gilt das für alle RS485/RS422-"Mäxchen". Ist nun die Frage, mit welcher Verzögerung dieser Mechanismus zum Tragen kommt, bzw. ob er überhaupt funktioniert - man weiß ja nie, welche Firma diese Teile fertigt. Hatte in diesem Zusammenhang mal einen Hersteller, der weltweit produzieren lässt. Dieses Teil hatte die Firma ohne Genehmigung des Hauptwerkes "schwarz" hergestellt (hatte mit dem Hauptwerk konferiert). Die Parameter waren alles andere als gut. Musste die gesamte Serie (250 Stück, geht ja noch) verschrotten.
Hanno Reimann schrieb: > Thevenin-Terminierung mal anschauen DC- und AC-Terminierung Halbe/Halbe, zusammen mit Biasing. Ergibt so dimensioniert mit ~1V allerdings arg viel Biasing, erhöht damit den Einfluss des Kabelwiderstands und kann das Zeitverhalten deutlich asymmetrisch machen. Und damit stellt sich die Frage, wie weit du vom Grenzbereich bzgl. Länge und Tempo entfernt bist.
Hanno Reimann schrieb: > Lattice User schrieb: >> A. K. schrieb: >>> Ralf G. schrieb: >>>> Nach meinem Verständnis gilt das für alle RS485/RS422-"Mäxchen". >>> >>> Ist mir auch schon aufgefallen. Und trotzdem hat er es geschafft, ihn >>> derart zu grillen, dass er weggeschmolzen ist. Vielleicht sollte er die >>> Blitze weglassen. ;-) >>> http://www.mikrocontroller.net/attachment/218736/im_verguss.jpg >> >> Wer weiss was das für eine Vergussmasse ist, und vor allem wie sie >> entfernt wird (Heissluftfön?). > > Entfernung chemisch und mechanisch. Der Verguss leitet die Wärme nicht > so schnell ab, wie neue entsteht. Also Wärmestau. Wie es aussieht, > reichlich über 100°C. Nur hat der MAX485 wie Ralf anmerkt einen Thermoschutz. Und damit das Gehäuse so aussieht müssen es auch weit über 200° Grad gewesen sein. Eigentlich unmöglich nur auf Grund der Treiberverlustleistung. Denkbar: ESD -> es ensteht ein Kurzschluss im IC (Latch up) -> der Kurzschlussstrom aus der Stromversorgung grillt das Ding.
Lattice User schrieb: > Vielleicht sollte er die >> Blitze weglassen. ;-) naja, nicht immer möglich... :o)
Lattice User schrieb: > Nur hat der MAX485 wie Ralf anmerkt einen Thermoschutz. Und damit das > Gehäuse so aussieht müssen es auch weit über 200° Grad gewesen sein. > Eigentlich unmöglich nur auf Grund der Treiberverlustleistung. > > Denkbar: ESD -> es ensteht ein Kurzschluss im IC (Latch up) -> der > Kurzschlussstrom aus der Stromversorgung grillt das Ding. schwierig zu raten. ESD ist eine Variante. Das Ding lief 1 Woche im Aussenbereich ohne zu murren, dann plötzlich NULL. Möglichkeit Gewitter in der Nähe ist nicht auszuschließen, und damit ESD-Schaden. Allerdings liegen die Kabel in der Erde, der RS485-Schirm ist ordnungsgemäß an der Einspeisung geerdet, die Betriebsspannung verbindet alle Teilnehmer mit 4mm²... Versagen des internen Thermoschutzes die zweite Variante..
Hanno Reimann schrieb: > Lattice User schrieb: >> Vielleicht sollte er die >>> Blitze weglassen. ;-) > > naja, nicht immer möglich... :o) Das mit dem Blitze weglassen war zwar nicht von mir, aber falls deine Umgebung problematisch ist, mal über zusätzliche ESD Massnahmen nachdenken, wird z.B. auch bei USB auf guten Mainboards gemacht. Stecken der Verbindung unter Spannung ohne dass garantiert ist dass die Masse zuverlässig zuerst kontaktiert ist so ein Killer.
A. K. schrieb: > Hanno Reimann schrieb: >> Thevenin-Terminierung mal anschauen > > DC- und AC-Terminierung Halbe/Halbe, zusammen mit Biasing. Ergibt so > dimensioniert mit ~1V allerdings arg viel Biasing, erhöht damit den > Einfluss des Kabelwiderstands und kann das Zeitverhalten deutlich > asymmetrisch machen. Und damit stellt sich die Frage, wie weit du vom > Grenzbereich bzgl. Länge und Tempo entfernt bist. Wo ist AC-Terminierung? Der 0,1u ist nur wichtig, damit hier ein gleiches HF-Potential an den Enden der Bias-Rs garantiert wird. Und das ist noch lange keine AC-Terminierung... Wieso arg viel Biasing? Standardmäßig habe ich den gleichen Bias. Aber hier nur etwas "härter". Aber das hatte ich nur in der Literatur gefunden, muss es noch ausmessen.
Hanno Reimann schrieb: > ESD ist eine Variante. Das Ding lief 1 Woche im Aussenbereich ohne zu > murren, dann plötzlich NULL. Möglichkeit Gewitter in der Nähe ist nicht > auszuschließen, und damit ESD-Schaden. Allerdings liegen die Kabel in > der Erde, der RS485-Schirm ist ordnungsgemäß an der Einspeisung geerdet, > die Betriebsspannung verbindet alle Teilnehmer mit 4mm²... 4mm² sind kein wirklicher Schutz vor dem was ein Blitz anrichten kann, auch ohne direkten Einschlag. > Versagen des internen Thermoschutzes die zweite Variante.. Dann waäre es aber nicht eine Woche Störungsfrei gelaufen. Wenn der Schutz erst nach einer Woche kaput gegegangen wäre, müsste es schon vorher regelmässige Störungen durch Abschalten der Treiberstufen gegeben haben.
Lattice User schrieb: > Hanno Reimann schrieb: >> Lattice User schrieb: >>> Vielleicht sollte er die >>>> Blitze weglassen. ;-) >> >> naja, nicht immer möglich... :o) > > Das mit dem Blitze weglassen war zwar nicht von mir, aber falls deine > Umgebung problematisch ist, mal über zusätzliche ESD Massnahmen > nachdenken, wird z.B. auch bei USB auf guten Mainboards gemacht. > > Stecken der Verbindung unter Spannung ohne dass garantiert ist dass die > Masse zuverlässig zuerst kontaktiert ist so ein Killer. Massekontakt ist voreilend. ESD-Schutz der Eingänge mit 10R Vorwidersatnd und je 2 Schottkies gegen plus und minus. Ausgang ESD-Schutz über P6KE6,8 und Varistoren 5,6V. Was noch? Ich werde in Zukunft für einseitige Übertragung mit 250kbps den SN65LBC182 hernehmen, für Richtungsumschaltung habe ich noch nicht recherchiert. Hier werde ich mit 1Mbps arbeiten.
Lattice User schrieb: > Dann waäre es aber nicht eine Woche Störungsfrei gelaufen. Wenn der > Schutz erst nach einer Woche kaput gegegangen wäre, müsste es schon > vorher regelmässige Störungen durch Abschalten der Treiberstufen gegeben > haben. Auch wieder richtig. Also doch ESD-Schaden.
Hanno Reimann schrieb: > Wo ist AC-Terminierung? Wechselspannungsmässig sind VCC/GND kurzgeschlossen. Ergibt AC Terminierung 960 Ohm parallel zur DC Terminierung 240 Ohm. Ok, Halbe/Halbe ist es nicht. Bezogen auf das Signal entspricht es einer Terminierung mit 192 Ohm pro Seite. Jetzt brauchst du nur noch das 180 Ohm Kabel dazu. > Wieso arg viel Biasing? Standardmäßig habe ich den gleichen Bias. 2x 1K plus 120 gibt ~6% Bias. 2x 480 plus 240 gibt 20% Bias.
A. K. schrieb: > 2x 1K plus 120 gibt ~6% Bias. > 2x 480 plus 240 gibt 20% Bias. Sorry, ist doch nicht gleich. Aber warum auch nicht? Ist auch ein Denkfehler drin: es sollten 3x 240 Ohm sein. Ist doch ein blödes Biasing....
Fasti schrieb: > Wieso sollte vergiessen schlecht sein? Jede noch so schlecht Vergussmaße > leitet die Wärme besser als Luft. Konvektion in einem dichten Gehäuse > (sonst würde der TE ja nicht vergiessen wollen) ist meist auch nicht > vorhanden und die Wärme der Luft wird nur schlecht an das Gehäuse > abgegeben. Wenn man keine Bauteile mit großer Wärmeabgabe direkt neben > dem Max platziert, sollte vergiessen die Situation ja entschärfen. Oder > habe ich da was übersehen? Recht hast Du. Aber die Geschwindigkeit der Wärmeableitung im Verguss?? In Luft gibt es immer noch Konvektion...
Hanno Reimann schrieb: > Ist auch ein Denkfehler drin: es sollten 3x 240 Ohm sein. Dann passt es zu einem 150-160 Ohm Kabel, aber mit stolzen 1,7V Bias.
A. K. schrieb: > Hanno Reimann schrieb: >> Ist auch ein Denkfehler drin: es sollten 3x 240 Ohm sein. > > Dann passt es zu einem 150-160 Ohm Kabel, aber mit stolzen 1,7V Bias. Vergessen wir diesen BIAS...
Auch wenn es jetzt geklärt ist, dass das Ding nicht im eigenen Saft gebraten wurde, nichmal zur beidseitingen Terminierung: Hanno Reimann schrieb: > > Ausgangsimpedanz = Eingangsimpedanz Kabel. Treibe ich ein Kabel mit > seiner Impedanz, dann habe ich Leistungsanpassung. Das spielt in das > Thema Serienterminierung. Ist anzuraten bei Übertragung in nur eine > Richtung. Nur hast du im Moment keine Serienterminierung, sondern Parallelterminierung an beiden Enden. > Damit spare ich mir Verlustleistung. Klar zusätzliche Serienwiderstände an der Quelle reduzieren den Ausgangsstrom, und damit die Verlustleistung. Aber die Leistung muss da nicht angepasst werden. Wenn du die Leistung durch einen zusätzlichen Parallelwiderstand anpasst, erhöhst du nur die Verlustleistung, und durch den Innenwiderstand des Treibers kommt trotzdem weniger auf der anderen Seite des Kabels an. Impedanzanpassung dient der Vermeidung von Reflektionen und damit der Signalqualität, reicht aber auf der Empfängerseite. Für die bidirektionale Übertragung empfiehlt sich der Einsatz eines Bausteins mit intergrierten schaltbaren Terminierungswiderständen, z.B. der von A.K. genannte MAX13450/MAX13451.
Lattice User schrieb: > Für die bidirektionale Übertragung empfiehlt sich der Einsatz eines > Bausteins mit intergrierten schaltbaren Terminierungswiderständen, z.B. > der von A.K. genannte MAX13450/MAX13451. klingt eigentlich gut. Ich check das mal... Hiiilfe - das ist ja eine eierlegende Wollmilchsau! Die Milchsau nehme ich, aber die Eier und die Wolle sind mir zu viel... Es halbiert mir die Leistung schon, aber um welchen Preis! Der €-Preis allerdings geht für dieses Teil (1,86% bei Mouser).. und 20Mbps kann es auch noch! Ich brauch nur 1Mbps! Wem gebe ich den Rest (ich meine natürlich die 19Mbps!)?
Ja dass es nicht kosten darf, das hattest du zu erwähnen vergessen. Dann schmeiss den ganze sauteuren Schutzkram raus, verbau ein DIP8 gesockeltes Teil und häng an jedes verbaute Modul ein Tütchen Ersatz dran.
Muffin schrieb im Beitrag #3669132: > Entferne die 120 > Ohm-Widerstände an den D+/D--Anschluß-Pins! DANN tuste Deinem "MAX" was > Gutes, glaubs mal... dem MAX tu ich was Gutes, aber die Reflexionen auf der Leitung sind dann nicht mehr zu ertragen! Zur Info: Hab inzwischen auf Halbduplex erweitert. Ich werde wohl einen Hiwi engagieren, der alle Nasenlang die Daten per Stick hin- und herträgt... oder zwei (ist ja Halbduplex :o)... Schau mal bitte in die Grundlagen, dann verstehst Du vielleicht die Terminatoren (ja, es sind zwei!). Hier der LernLink: http://www.rn-wissen.de/index.php/RS485 Gruß realerhanno
A. K. schrieb: > Ja dass es nicht kosten darf, das hattest du zu erwähnen vergessen. Dann > schmeiss den ganze sauteuren Schutzkram raus, verbau ein DIP8 > gesockeltes Teil und häng an jedes verbaute Modul ein Tütchen Ersatz > dran. Hast falsch verstanden... darf was kosten. Und €1,86 ist doch ein guter Preis! Ich schrieb: "Es halbiert mir die Leistung schon, aber um welchen Preis!" Damit ist der höhere Arbeitsaufwand gemeint. Dann kommt erst die Kostenfrage unter Angabe auch eines Preises - bitte erst zu Ende lesen...
Muffin schrieb im Beitrag #3669123: > also, was Du hier beschreibst, klingt erstmal nicht so gut, aber ich > glaube meines Wissens solltest Du zwischen den "D+" -"D-" - Anschlüssen > die Widerstände erhöhen auf 47 Kohm! Warum? Ganz eifach: Die > DATENLEITUNGEN verkraften diesen DEINEN erzeugten "Kurzschluss" an > diesen Pins nicht! Eine Erhöhung der Widerstände an diesen Pins (WARUM > sind die überhaupt da dran???? - versteh ich nicht!!) könnte Abhilfe > schaffen, weil Du sonst die DATENLEITUNGEN zum MAX 485 durch Deinen so > erzeugten "Kurzschluss-Strom" Deiner Widerstände dazu ZWINGST, die > internen PullUP-Widerstände im IC - 2 x jeweils 15 KOHM!! - auf DEINE > "Werte" abzusenken, was dieser CHIP absolut nicht mag!! Das erklärt das > "Aufheizen" des ICs. > > Diese Info hab ich recharchiert und stammt nicht direkt von mir. > > Vielleicht half Dir diese Info ja weiter... Hää???
Hanno Reimann schrieb: > Hast falsch verstanden... Yep. > "Es halbiert mir die Leistung schon, aber um welchen Preis!" Damit ist > der höhere Arbeitsaufwand gemeint. Also Arbeitsaufwand = Lesen vom Datasheet, um rauszufinden, was Milchsau ist und was Wollei? Wow!
A. K. schrieb: > Also Arbeitsaufwand = Lesen vom Datasheet, um rauszufinden, was Milchsau > ist und was Wollei? Wow! Das Lesen geht ja noch (habs mal gelernt), aber in Bio war ich nicht der beste - Milchsau und Woll-Ei kann ich nicht so recht unterscheiden, also muss ich testen. Aber wie?? Ne ne, Layout ist schon fertig und beim Fertiger, incl. BOM und was da alles dazugehört. Das alles nochmal? Später. Nicht jetzt. Später. Wenn das jetzige nicht so richtig funzt....
Hanno Reimann schrieb: > Ne ne, Layout ist schon fertig und beim Fertiger, incl. BOM und was da > alles dazugehört. Das alles nochmal? Später. Nicht jetzt. Später. Wenn > das jetzige nicht so richtig funzt.... Die bidirektionale Variante?
Könnt ihr mal ein Oszi Screenshot von dem Signal und der Reflektion zeigen?
http://www.bdtic.com/DownLoad/NSC/ApplicationNote/AN-903.pdf http://focus.ti.com/lit/an/slla070d/slla070d.pdf
Bitte melde dich an um einen Beitrag zu schreiben. Anmeldung ist kostenlos und dauert nur eine Minute.
Bestehender Account
Schon ein Account bei Google/GoogleMail? Keine Anmeldung erforderlich!
Mit Google-Account einloggen
Mit Google-Account einloggen
Noch kein Account? Hier anmelden.










