Hallo, so richtig habe ich leider keine klar Antwort auf meine Frage im Forum gefunden. Frage 1: Kann ich einen DI (Initialisiert mit INPUT_PULLUP) eines Atmega 238P direkt an die Masse der 12V Motorrad Batterie legen um ein LOW zu bekommen? Oder muss ich den Eingang dann irgendwie absichern? Frage 2: Die Spannungsversorgung meines Arduino Mini wollte ich mit einem Recom Schaltregler vom Typ R-78E5.0-0.5 machen (http://www.recom-international.com/pdf/Innoline/R-78Exx-0.5.pdf). Spricht was dagegen, außer das er nicht ganz die Normen einhält die im Kfz Bereich für Bauteile so gelten? Danke schon mal für eure Antworten.
Mein 5V Pin am Arduino nano Board wollte ich mit Vout des Recom Schaltreglers versogen. VIN bleibt frei.
Aufgrund von Leitungswiderständen hast Du beim fahrzeug nicht an allen Punkten das gleiche GND Potential. Daher empfiehlt sich zumindest ein Widerstand vorzuschalten (z.B. 1k Ohm).
Der Eingang kommt dort an GND wo auch der µC seinen GND hat. Aber warum eigentlich fest auf GND legen? Wenn der Pin nicht gebraucht wird, so schalte den Pin als Output und gut.
Wenn du GND direkt an die Batterie hängst ist alles gut. Probleme bekommst du nur, wenn du GND irgendwo hin hängst. Aufgrund von Spannungsabfällen auf den Leitungen könnte ein auf einen Portpin des uC gelegter GND (Ganganzeige mit masseschaltendem Ganggeber) eine negative Spannung haben, die dann deinen uC himmelt.
René L. schrieb: > Kann ich einen DI (Initialisiert mit INPUT_PULLUP) eines Atmega 238P > direkt an die Masse der 12V Motorrad Batterie legen um ein LOW zu > bekommen? Das wird im professionellen Bereich nie gemacht. Die Schalter haben immer 2 Pins (Signal + Masse) am Steuergerät. Grund: Masseversatz an der Karosserie. Bei ATMegas hast Du auch noch geringe Störspannungsabstände da TTL-Pegel verwendet werden und die Schaltschwelle relativ niedrig liegt. > Oder muss ich den Eingang dann irgendwie absichern? Ja. Wie schon erwähnt wurde: Serienwiderstand. Der Interne Pull up verringert allerdings dann den Störspannungsabstand. -> Du wirst einen externen Pull up vor dem Serienwiderstand brauchen. Falls Du noch ESD-Schutz oder Entstörung gegen Einstreuungen von der Zündung brauchst sind weitere Maßnahmen notwendig. Gruß Anja
Ok also reicht der interne Pullup nicht aus. Das heißt einen externen 10k Pull up Widerstand und einen 100 Ohm Widerstand gegen die geschaltene Masse? Das würde ja heißen, dass ich bei dem DIP Schalter, der ja schon 100 Ohm Serienwiderstände hat, auch jeweils pro Eingang noch einen Pull Up Widerstand brauche, da die ja auch gegen Masse geschalten werden!? Und die Spannungsversorgung mit dem Recom Schaltregler sollte so funktionieren?
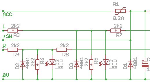
Dein DIP-Schalter ist ja intern in deinem Modul, der braucht nit extra Widerstände. Den linken Regler kannst du weglassen, der ist ja nur für einen Digitaleingang. Da reicht auch ein Spannungsteiler mit Schutzdioden. Angehängt ein Ausschnitt aus einer Picaxe-Bastelei fürs Mopped.
René L. schrieb: > Kann ich einen DI Muss man Digital Input so dämlich abkürzen ? Es gibt mindestens 100 weitere Dinge,die mit DI abgekürzt werden. > (Initialisiert mit INPUT_PULLUP) eines Atmega 238P > direkt an die Masse der 12V Motorrad Batterie legen um ein LOW zu > bekommen? Oder muss ich den Eingang dann irgendwie absichern? Wenn dein Atmega238/Arduino an derselben Stelle mit Masse verbunden ist schon, wenn die beiden Massen weit voneinander entfernt sind, kannst du es vergessen, Masse ist im KFZ (und Moped) ein relativer Begriff, 0.8V Unterschied können da leicht mal auftreten. René L. schrieb: > Spricht was dagegen, außer das er nicht ganz die Normen einhält die im > Kfz Bereich für Bauteile so gelten? Er geht dann halt mal kaputt. Wenn dir das egal ist.
Also DI ist eine gängiger Begriff... ich höre ihn zumindest oft genug auf Arbeit. Dip Schalter ist intern? Verstehe ich nicht. Letztendlich ist doch alles intern? Auf meinem Schaltplan kann man doch sehen, dass es eine Klemmleiste gebe wird wo 2 Relais und 2 Schalter ran kommen und direkt die +12V und Masse der Batterie. Meine benötigten 5V und die 12V der Zündug auf 5V zu bekommen, wollte ich der kompaktheit halber mit 2 Recom DCDC Wandlern machen. das GND ist in der ganzen Schaltung direkt die Masse der Batterie. Da war eigentlich nur die Frage, ob das so funktionieren könnte oder man auf jeden Fall da noch was absichern muss, weil so sowieso nach der ersten Fahrt was kaputt geht :)? Das man das ganze auch wie hier beschrieben http://www.dse-faq.elektronik-kompendium.de/dse-faq.htm#F.23 aufbauen könnte, ließt man ja überall. Wollte ich mir aber gerne ersparen, weil ich nicht SMD löten wollte und es so klein wie möglich werden soll.
René L. schrieb: > so DI ist eine gängiger Begriff... ich höre ihn zumindest oft genug > auf Arbeit. Natürlich Diffential Input (sehr analog), beispielsweise DI-Box, Dienstag, Dielektrikum, Diphtherie, Diplomingenieur, Direktinkasso, Direktinvestition, Dolmetscherinstitut, Dieburg, dienstlich/Dienst, Dirigent . nur Fachidioten glauben, die Abkürzung gäbe es nur bei Ihnen.
Mit "intern" meinte ich, es geht kein langer Draht raus zu dem Dip-Schalter. Alles, was irgendwelche langen Drähte dran hat, kann sich Störungen einfangen. Das wird natürlich besser, falls du nur kurze Leitungen und / oder "richtige Kabel" (also keine einzelnen Litzen) verwendest zu deinen externen Schaltern. Bewährt hat sich bei mir Ini-Kabel, von dem auf jeder (Industrie-)Baustelle Reste anfallen: PUR, öl- und säurefest, feindrähtig, meist 2- bis 5-adrig. Behelfsweise könntest du deine Eingangsbeschaltung für die Schalter um einen Tiefpaß z.B. 1k + 100n erweitern, sodaß dein Arduino nit die Zündung, Bluetooth, Radio oder irgendwas anderes hört. Dein Recom-Regler erzeugt wahrscheinlich eine recht lange Verzögerung, bis dir die ausgeschaltete Zündung am Arduino mitgeteilt wird. Da wäre so eine Eingangsschaltung wie in meinem Bild weiter oben vielleicht angebracht (und billiger).
Der Ein/Aus Schalter in der Masseleitung ist etwas ungebräuchlich. Leg den besser in die Plus-Leitung. Sonst bekommst du im "aus" Zustand über deine Sensormasse tolle Effekte.
Also die Schaltung funktioniert... habe ich erfolgreich in die Harley eingebaut. Hat auch schon mehrere Starts überlebt :) 3 Dioden sind allerdings noch dazu gekommen, sowie 2 Feinsicherungen...
Bitte melde dich an um einen Beitrag zu schreiben. Anmeldung ist kostenlos und dauert nur eine Minute.
Bestehender Account
Schon ein Account bei Google/GoogleMail? Keine Anmeldung erforderlich!
Mit Google-Account einloggen
Mit Google-Account einloggen
Noch kein Account? Hier anmelden.

