Hallo Leute! Beide Kanäle auf GND geschaltet, 10ms/div, Line-Trigger, Strahlhelligkeit recht weit runtergedreht. Wie man sieht, variiert die Helligkeit im 50Hz Takt. Wird die Helligkeit erhöht, wird der Effekt geringer und man sieht eine durchgezogene Linie. Das kann doch nicht norml sein? Mfg, Kurt
Wenn in der Stromversorgung ein Ladekondensator seine Kapazität verloren hat, bekommt eine oder mehrere Gleichspannungen eine 100Hz-Welligkeit. Wenns z.B. die Versorgungsspannung ist, die die Hochspannung der Bildröhre betrifft, kann diese Helligkeitssteuerung daraus entstehn. (sie kann, im geringem Maße, auch "normal" sein, denn etwas Welligkeit in der Versorgungsspannung gibts immer) Normalerweise fällt sie garnicht auf, aber hier hat die Triggerung auf die 100 Hz angesprochen und so ist die Helligkeits- (Z- Modulation besonders gut zu sehen.) Also erst mal die Versorgungsspannungen nachmessen, da müsste ein kapazitätsarmer Elko erkennbar sein, in Form einer abweichenden Versorgungsspannnung oder besonders großer Welligkeit der Spannung.
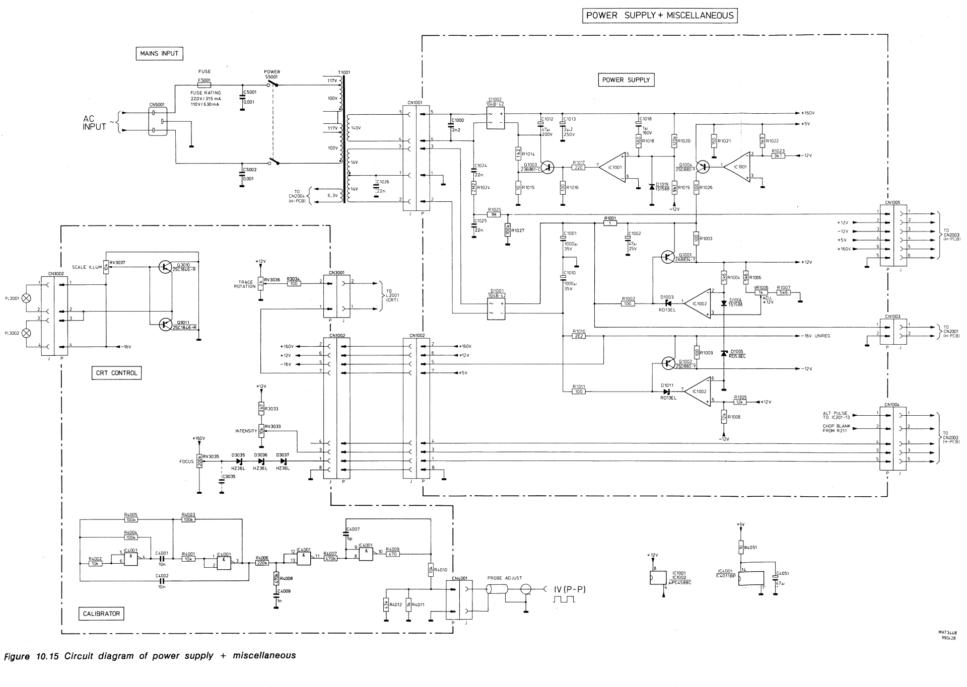
Servicemanual: http://bee.mif.pg.gda.pl/ciasteczkowypotwor/Philips/pm3208.pdf So einfach ist es leider nicht. Alle geregelten Spannungen haben einen Ripple im niedrigen mV Bereich. Die großen Elkos C1001, C1010 und C1012 im Netzteil haben einen ESR <0,1Ohm. Die Kathodenspannung beträgt -2,14kV, sollte aber "höchstens" -2,05kV haben. Aber auch da ist mit dem 40kV Tastkopf kein Ripple messbar. Mein 2,5kV Tastkopf ist kaputt, deshalb kann ich die hohen Spannungen nicht mit dem zweiten Oszi messen. Die ungeregelten 16V ripplen mit ca. 3Vpp. Ich denke das ist aber normal, da auch ein abblocken mit 1000µF Low ESR das Problem nicht bessert. Es deutet alles drauf hin, dass die Regelung der Kathodenspannung nicht arbeitet?
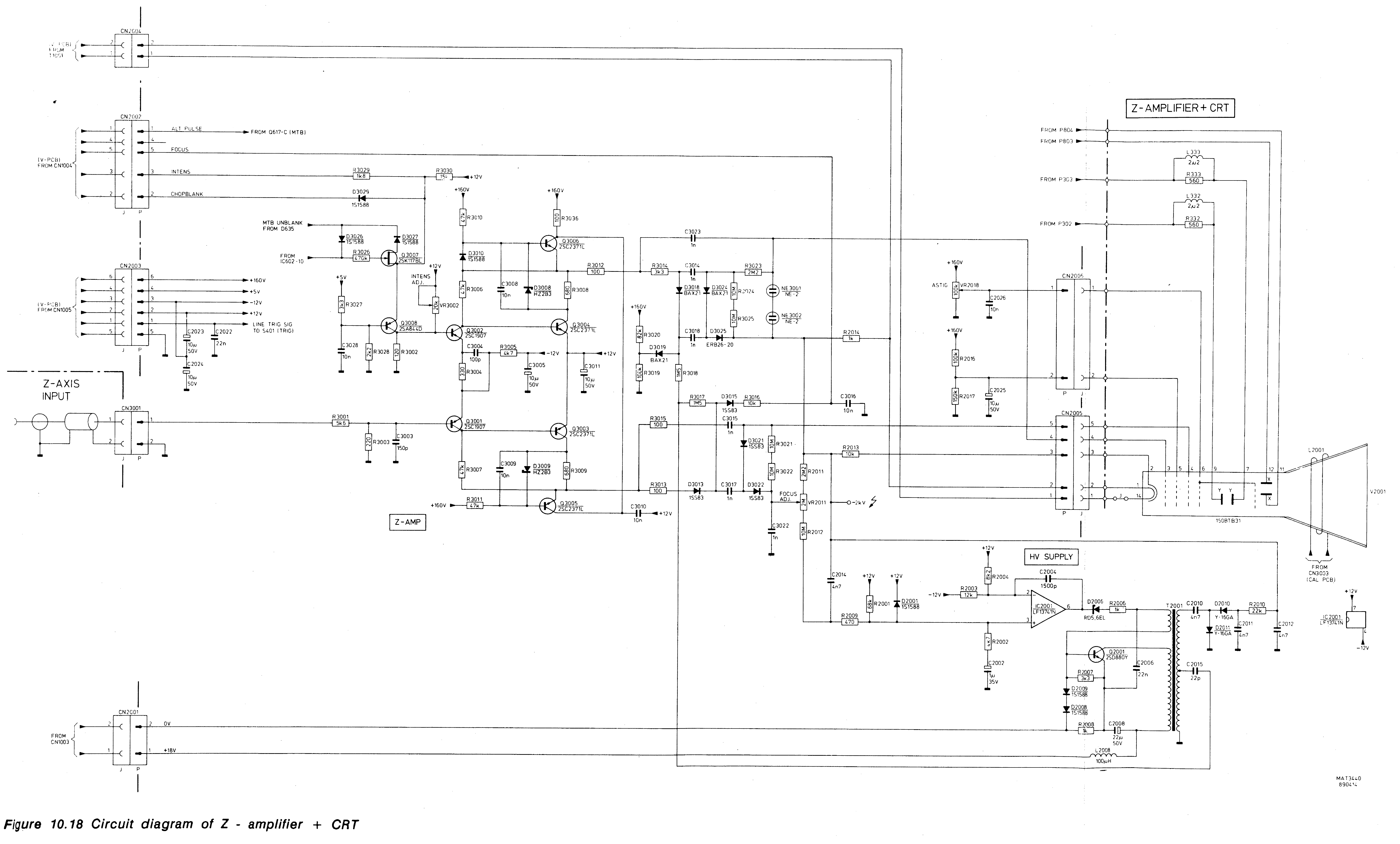
Solch eine Helligkeitsmodulation braucht nicht unbedingt ein grober Fehler zu sein. Gerade bei Spannungen, die schwer zu sieben sind, nimmt/nahm man eine schwache Helligkeitsmodulation inkauf. Sie ist ja nur in der besonderen Helligkeitseinstellung zu sehen und nur wenn die Zeitablenkung durch das 100-Hz-Signal getriggert ist. Wenn der ripple zu grob wäre würde sich das auch auf Vertikal- und Horizontalablenkung auswirken. Aber das tut es anscheinend nicht, denn die gestrichelte Linie hat ja keine Ablenkung nach oben oder unten. Wenn man einen Schaltplan hätte, könnte man ja dem Signalweg für Helligkeitseinstellung und Rücklaufaustastung nachgehen, ob dort sich irgendeine ungewollte 100-Hz-Spannung herumtreibt. Kandidat wäre auch der Kondensator im nF-Bereich, der die 2kV vom Helligkeits/Rücklaufaustast-Signal zur Kathode überwindet. Wenn der keine Kapazität mehr hat, könnte ein ähnliches Bild entstehen. Kurt Bohnen schrieb: > Die ungeregelten 16V ripplen mit ca. 3Vpp. Ich denke das ist aber > normal, da auch ein abblocken mit 1000µF Low ESR das Problem nicht > bessert. Wenn die 16V die Hochspannungserzeugung versorgen, wäre das schon eine möglichee Fehlerursache. 3V Uss kommen mit etwas hoch vor. Mehr als 1V Uss sollte es meiner Meinung nicht sein. Das erreicht man mit einem C von 10000uF je A. Eventuell ist der erwähnte Test-Kondensator von 1000µF schon zu klein.
Den Schaltplan hatte ich ja schon verlinkt. Ich versuche mal die 16V von einem externen Netzteil einzuspeisen.
Der Ripple auf den 16V muss anscheinend vorhanden sein, ansonsten startet nämlich das HV-Netzteil nicht.
Kurt Bohnen schrieb: > Den Schaltplan hatte ich ja schon verlinkt. Ich versuche mal die 16V von > einem externen Netzteil einzuspeisen. Und ich soll nun 81 Seiten downloaden und durchsuchen, bis ich auf den richtigen Teil des Schaltplans komme? Kurt Bohnen schrieb: > Der Ripple auf den 16V muss anscheinend vorhanden sein, ansonsten > startet nämlich das HV-Netzteil nicht. Hääh? So etwas hab ich noch in keinem Design entdeckt: primär arbeiten die einzelnen Gruppen einer Schaltung unter der Voraussetzung einer Spannung die aus einem geregelten Netzgerät kommt, also ripplefrei ist.
Tatsache ist, wenn ich 14-17V von einem stabilisierten Netzteil einspeise, wird keine Hochspannung erzeugt. Klingt komisch, ist aber so.
Der HV Generator wird offenbar über den Komparator gesperrt wenn nicht sowohl +12V als auch -12V vorhanden sind.
Vermutlich wirkt sich der ripple der Spannungsversorgung 18V voll auf den HV- Generator aus. Vermutung : der Regelverstärker IC2001 hängt mit der Ausgangsspannung am Anschlag. (HV stimmt ja nicht genau und normalerweise würde IC2001 den ripple in der HV korrigieren.) Am Ausgang von IC2001 müsste man die ripple Spannung sehen, mit der der Schalttransistor gesteuert wird, um den HV-Ripple auszuregeln. Eventuell ist auch Z-Diode 5,6V am Ausgang von IC2001 defekt. Spannung zwischen den Eingängen des IC2001 messen. Die müsste praktisch Null sein, also weniger als einige mV Bei Fremdspeisung mit den 18V müssen die andren Spannungen im Gerät natürlich vorhanden sein, sonst arbeitet z.B. IC2001 nicht und sperrt den Spannungswandler. Viel Erfolg bei der Suche! Und natürlich Danke für die beiden Schaltpläne. Damit lässt sich jetzt gut arbeiten.
An beiden Eingängen vom Komparator liegt sehr genau die gleiche Spannung an. Die Regelung funktioniert also. Ob an Pin 3 ein 100Hz Signal anliegt, kann ich nicht genau sagen, da noch ein 39kHz Siganal vorhanden ist, das Undersampling-Artefakte erzeugt. Die Fremdeinspeisung funtioniert garnicht. IC2001 liefert zwar 12V, aber die Schaltung schwingt nicht an. Dann habe ich über eine Diode zusätzlich zu den welligen 16V eine Spannung eingespeist und soweit erhöht, bis keine Welligkeit mehr da war. Allerdings hatte dies keinen Einfluss auf die Strahlhelligkeit. Die Hochspannungserzeugung ist scheinbar in Ordnung. Also habe ich mir die Eingänge des Z-Verstärkers nochmal angesehen: Alle lagen auf festem Potential, außer natürlich "MTB UNBLANK". Der schaltet erwartungsgemäß den Strahl für 120ms an, und für den Rücklauf wieder aus. Ohne die Spannungen direkt an der Röhre zu messen, ist es wohl nur stochern im Nebel. Nun werde ich einen neuen HV-Tastkopf bestellen und mein kleines, analoges, Voltkraft Oszi reparieren, dessen Eingangsstufe anscheinend vom alten HV-Tastkopf gegrillt wurde. Keine Ahnung, wie das passieren konnte. PS: Peter R. schrieb: > Kandidat wäre auch der Kondensator im nF-Bereich, der die 2kV vom > Helligkeits/Rücklaufaustast-Signal zur Kathode überwindet. Wenn der > keine Kapazität mehr hat, könnte ein ähnliches Bild entstehen. C3023 habe ich nachgelötet. Um ihn durchzumessen, müsste ich die Horizontalplatine komplett ausbauen. Meinst Du, die Arbeit könnte sich lohnen? EDIT: Leider nicht. Habe erfolglos zusätzlich noch 1nF drangelötet.
Dann scheint das störende Signal nicht aus dem HV-Regelkreis zu kommen. Folgender Test: Pins 2,3 an Röhre oder Pins 3,4 an CN 2005 mit einem Folienkondensator ca. 1µF verbinden. Dann wird geklärt, ob die Z-Modulation über die Helligkeitssteuerung hereinkommt. Da dabei auch die Rücklaufaustastung stillgelegt wird, Helligkeit vorsichtig von dunkel auf sichtbar hochstellen, es entsteht u.U. ein sehr heller Punkt am linken Bildrand. X-Verschiebung des Punkts nach links behebt dann die Gefahr, einen Punkt in den Schirm zu schweißen.
Um den ripple im Hochspannungsbereich festzustellen brauchts doch keinen Hochspannungstastkopf. Ein Trennkondensator, der die 2kV aushält, reicht doch. Du musst doch nicht die DC-Komponente messen sondern nur den AC-Anteil. Wenn Du z.B. dem 1nF-Kondensator einen 100kOhm Widerstand in reihe schaltest, kannst Du den freien Pin des Kondensators als Tastkopf verwenden, ohne dass sich der Kondensator jedesmal mit einem leisen Knall wegen des Aufladestrom bemerkbar macht. Das untere Ende der 100 kOhm führt man über 1 MOhm an Masse. An dem 1 MOhm kann man dann die auf etwa die Hälfte reduzierte Wechselspannung messen.
Peter R. schrieb: > Folgender Test: Pins 2,3 an Röhre oder Pins 3,4 an CN 2005 mit einem > Folienkondensator ca. 1µF verbinden. 1µF ist etwas zuviel des guten. Da bleibt der Schrim dunkel. Mit 330nF zeigt sich aber ein sauberer, durchgehender Strahl.
OK, dann scheint die Quelle für die Störspannung nicht auf der minus-2kV-Ebene zu sein sondern in der Rücklaufausblendung am Masseniveau. Dann geht die Fehlersuche einfacher. Man hats da nicht mehr mit kV zu tun. Eine (vorsichtige) Frage: war der 1µF Kondensator ein Elko und der 330nF ein Folienkondensator? Das würde erklären, warum das Verhalten bei dem kleinen Kapazitätsunterschied so unterschiedlich ist. Eine (noch vorsichtigere) Frage: Bist Du Ganz sicher , dass das Muster Netzfrequenz hat? So etwas könnte auch im chopped-betrieb entstehen, wenn die Kanäle A und B kein Signal also als Strich geschrieben werden. Dann wäre die Frequenz aber im kHz oder gar MHz-Bereich. Ich hab im Moment so viel mit der Umschaltung Schaltplan-Text zu tun. Ich druck mir mal den Schaltplan raus und meld mich dann später. Edit: Besuch ist da, tschüss bis morgen.
Es waren beides Folienkondensatoren. Das Bild zeigt das Line-Trigger Signal von CN2003 Pin 1 bei 10ms/div und nur einem aktiven Kanal. Weder an der Verbindung R3012/R3014 noch an R3013/3015 konnte ich einen 50Hz Anteil Messen.
Hier das Signal von CN2005 Pin 4, gemessen mit der 100k/1nf/1Meg Kombi und 1:1 Tastkopf. Beim Philips sind diesmal 5ms/div eingestellt.
Aber Hallo: Vertikalmaßstab 500mV/Teil, wegen der Widerstände im Teiler 1nF,100k,1M ist das ein Uss von 1V !!! Kurt Bohnen schrieb: > Beide Kanäle auf GND geschaltet, 10ms/div, Line-Trigger, > Strahlhelligkeit recht weit runtergedreht. Wie man sieht, variiert die > Helligkeit im 50Hz Takt. Wird die Helligkeit erhöht, wird der Effekt > geringer und man sieht eine durchgezogene Linie. > Das kann doch nicht normal sein? Was da in Wirklichkeit nicht normal ist: Dass man gezielt die Einstellung sucht, bei der diese Uss sich auswirkt: Netzsynchrone Ablenkung, damit man diese Z-Modulation überhaupt sehen kann, Helligkeit gerade an der Schwelle zur Sichtbarkeit, damit sie erst sichtbar wird usw. Und wenn Du auf 2kV einen Brumm von 1V hast, zeigt sich das halt so in der Z-Modulation.
Bitte melde dich an um einen Beitrag zu schreiben. Anmeldung ist kostenlos und dauert nur eine Minute.
Bestehender Account
Schon ein Account bei Google/GoogleMail? Keine Anmeldung erforderlich!
Mit Google-Account einloggen
Mit Google-Account einloggen
Noch kein Account? Hier anmelden.




