Hallo Leute, ich habe sporadisch ein Problem mit meinem Musik-Verstärker. Es handelt sich um den TA-2400 von Thomann der allerdings im Auftrag von einer mir nicht bekannten Firma gefertigt wird. Dementsprechend sind leider auch keine Original-Schaltpläne vorhanden. Ich betreibe die beiden Kanäle im "Brücken-Modus", d.h. ein Kanal zieht das Potential nach oben, der andere nach unten, dadurch lässt sich eine hohe entnehmbare Leistung erzielen. Allerdings kommt es manchmal zu zufälligen Phänomenen, die sich dahingehend äußern, dass der "Gain" Ausschlag des rechten Kanals hoch geht (Siehe Bild 1). Die Lautstärke bleibt dabei aber gleich. Drehe ich die Verstärkung am Poti runter nimmt der Ausschlag zu, drehe ich diese hoch nimmt der Ausschlag ab. Dreht man die Musik ganz runter kann man ein Brummen vernehmen. Durch kurzes ausschalten, bei dem es zu einem Knacken kommt ist der Fehler meißt weg. Gefühlt tritt der Fehl auch eher auf wenn man recht leise Musik hört. Mich würde interessieren welcher Baugruppenteil den Fehler verursachen könnte? Irgendwelche Tipps?
Könnte sein, dass sich irgendwo in der Vorverstärkerstufe ein DC-Offset "aufbaut". Was passiert denn, wenn du im "Brummfall" die Signalquelle vom Eingang abziehst, brummt es dann immer noch?
Easylife schrieb: > Was passiert denn, wenn du im "Brummfall" die Signalquelle vom Eingang > abziehst, brummt es dann immer noch? Habe ich noch nicht ausprobiert. Ist vllt. auch nicht so eine gute Idee, da es dann zu einem lauten Knacken in dem Lautsprecher kommen wird, ob der das dann so toll findet? Möchte ich eig. ungern ausprobieren. Der Fehler lässt sich nicht reproduzieren deswegen kann ich viele Sachen nicht testen. Z.B. wäre es mal interessant zu wissen mit welcher Frequenz der Verstärker dann brummt.
Patrick L. schrieb: > Habe ich noch nicht ausprobiert. Ist vllt. auch nicht so eine gute Idee, > da es dann zu einem lauten Knacken in dem Lautsprecher kommen wird, ob > der das dann so toll findet? Möchte ich eig. ungern ausprobieren. Dann mache dir Ohrstöpsel rein. Wenn der Lautsprecher die Leistung deines Verstärkers nicht aushält, ist in deiner Anlage sowieso was falsch konzipiert.
Das soll heißen "Kratz mir den Staub aus dem Filter!" Jaja so ist das mit den armen Endstufen. Wartung gibts erst nach der Explosion. Vorher nur Nichtbeachtung. Könnte an allem möglichen liegen, ohne da mit Testsignalen und mit dem Oszi drin rumzustochern machen wir hier reines Rätselraten.
magic smoke schrieb: > Könnte an allem möglichen liegen, ohne da mit Testsignalen und mit dem > Oszi drin rumzustochern machen wir hier reines Rätselraten. Ok, am besten ich lasse das Oszi die ganze Zeit mitlaufen wenn es dann zum Fehler kommt habe ich das Bild direkt parrat. Ist ein Trenntrafo bei Messungen am Ausgang sinnvoll?
Kalte Lötstellen beseitigen und R & C des Boucherot-Gliedes wechseln.
Easylife schrieb: > Dann mache dir Ohrstöpsel rein. Wenn der Lautsprecher die Leistung > deines Verstärkers nicht aushält, ist in deiner Anlage sowieso was > falsch konzipiert. Ja kannst du ja mal z.B. bei einer Live-Veranstaltung machen wenn die Anlage am Limit läuft.... mhh schrieb: > R & C des Boucherot-Gliedes Das hört sich doch mal nach einem braucbaren Tipp an.
Patrick L. schrieb: > Ja kannst du ja mal z.B. bei einer Live-Veranstaltung machen wenn die > Anlage am Limit läuft.... Verstehe ich nicht ganz. Auf die Fehlersuche und an eine Reparatur macht man sich ja nicht bei einer Live-Veranstaltung, sondern unter Labor-Bedingungen. Ich fürchte, ich kann nicht helfen.
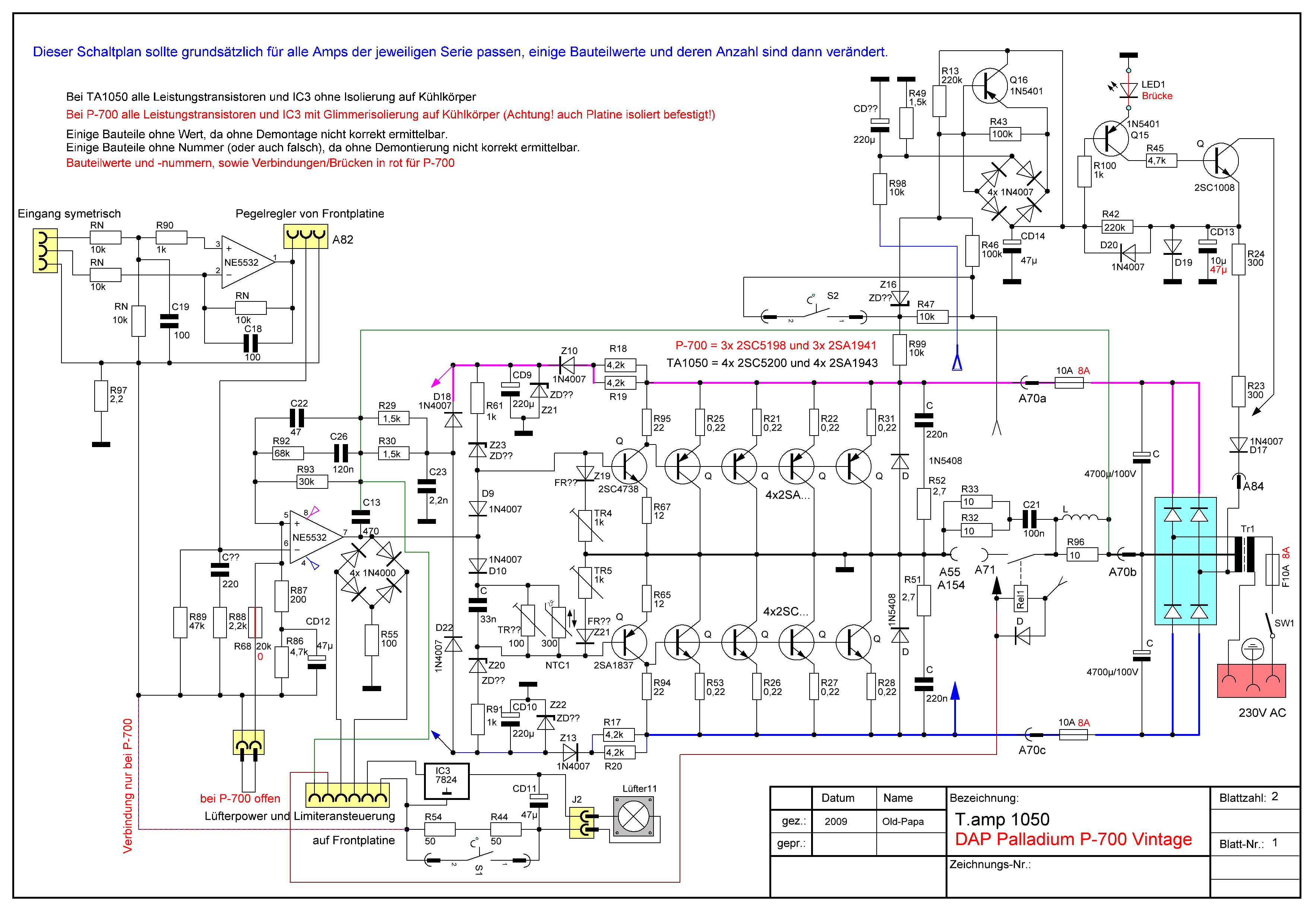
Patrick L. schrieb: > Hallo Leute, > > ich habe sporadisch ein Problem mit meinem Musik-Verstärker. Es handelt > sich um den TA-2400 von Thomann der allerdings im Auftrag von einer mir > nicht bekannten Firma gefertigt wird. Dementsprechend sind leider auch > keine Original-Schaltpläne vorhanden. Hallo, Ich habe auch noch ein paar dieser Eisenschweine vom Thomann. 1050er und auch 2400er. Die Schaltung ist bei beiden gleich, wie auch zu einigen anderen Chinabrüllern... ;-) der 2400er hat natürlich größeres Netzteil und ein Paar (End)Transistoren mehr. Den Schaltplan habe ich vor Jahren mal aufgenommen und im Netz veröffentlicht. (Google hilft) Schick mal ne PN,dann kommt er per Mail. Deinen Fehler kann ich nicht eingrenzen, Brückenbetrieb habe ich nie gemacht (ist mir zu wacklig, wie Dein Beispiel beweist...) Gruß Old-Papa
Grübel, grübel ... Ist es nicht so, dass im Brückenbetrieb nur der linke Lautstärkesteller wirksam ist? Brückenbetrieb ist ja Monobetrieb. Drehe doch mal den rechten auf Linksanschlag.
tommy schrieb: > Ist es nicht so, dass im Brückenbetrieb nur der linke > Lautstärkesteller wirksam ist? Sollte so sein, ist ja dann ein Monoblock und die bevorzugte Seite ist meistens links. @TE: Schalte doch mal auf Stereo und teste beide Endstufen getrennt am Dummyload mit hoher Leistung. Vergleiche mit dem Oszi die Kanäle auf DC-Drift und Verrundung eines eingespeisten Rechtecksignals. Wenn da schon Unterschiede sind, weisst du gleich, welche Seite die Macke hat.
Old Papa schrieb: > Den Schaltplan habe ich vor Jahren > mal aufgenommen und im Netz veröffentlicht. (Google hilft) Ja wenn du den meinst dann habe ich ihn schon gefunden gehabt: http://www.fotos-hochladen.net/ta1050128vqozldj.jpg > Deinen Fehler kann ich nicht eingrenzen, Brückenbetrieb habe ich nie > gemacht (ist mir zu wacklig, wie Dein Beispiel beweist...) An sich läuft der im Brückenbetrieb ziemlich stabil zumindest wenn die Endstufe heile ist ;-) tommy schrieb: > Ist es nicht so, dass im Brückenbetrieb nur der linke > Lautstärkesteller wirksam ist? > Brückenbetrieb ist ja Monobetrieb. > Drehe doch mal den rechten auf Linksanschlag. Ja das ist korrekt, wenn der Fehlerfall nochmal auftritt werde ich das machen. Matthias Sch. schrieb: > @TE: Schalte doch mal auf Stereo und teste beide Endstufen getrennt am > Dummyload mit hoher Leistung. Vergleiche mit dem Oszi die Kanäle auf > DC-Drift und Verrundung eines eingespeisten Rechtecksignals. Wenn da > schon Unterschiede sind, weisst du gleich, welche Seite die Macke hat. Ja würde ich gerne machen allerdings fehlt mir da im Moment eine Trenntrafo fürs Oszi. Oder gibt es da noch alternative Möglichkeiten?
Vom Verhalten spricht das etwas dafür das der Verstärker HF Schwingungen ausführt. Bei dem Schaltplan würde mich das auch nicht so besonders wundern. Der Hinweis von mhh schon richtig. Ggf. wäre auch der Widerstand parallel zur Spule am Ausgang ein Kandidat. Auch so etwas wie die Länge der Leitungen zu den Boxen kann einen Einfluss haben. Für das Oszilloskop braucht man hier keinen Trenntrafo. Eventuell wäre ein 1:10 Tastkopf nötig, aber den sollte man sowieso haben.
> Für das Oszilloskop braucht man > hier keinen Trenntrafo. Eventuell -> wäre ein
1:10 Tastkopf nötig, > aber den sollte man sowieso haben.
Aber vorher Messen, ob der Lautsprecherausgang mit einem Pol auf PE
hängt. Die Oszimasse dann entsprechend anschließen.
Lurchi schrieb: > Für das Oszilloskop braucht man hier keinen Trenntrafo. Eventuell wäre > ein 1:10 Tastkopf nötig, aber den sollte man sowieso haben. Ja 1:10 Tastkopf hab ich. Luca E. schrieb: > Aber vorher Messen, ob der Lautsprecherausgang mit einem Pol auf PE > hängt. Die Oszimasse dann entsprechend anschließen. Alles klar. Im Moment habe ich den Fehler allerdings noch nicht wieder reproduzieren können, wie gesagt tritt nur sporadisch auf.
Patrick L. schrieb: > Im Moment habe ich den Fehler allerdings noch nicht wieder reproduzieren > können, wie gesagt tritt nur sporadisch auf. Dann löte die kalten Lötstellen endlich nach, bevor was ernsthaft in Rauch aufgeht. Das Boucherot-Glied ist keine Ursache, aber es leidet unter der Überbelastung. Deshalb sollst Du das mit tauschen, wenn der Lötkolben schon mal an ist.
Patrick L. schrieb: > Ja würde ich gerne machen allerdings fehlt mir da im Moment eine > Trenntrafo fürs Oszi. Oder gibt es da noch alternative Möglichkeiten? Natürlich ist der Ausgang der Endstufe schon netzgetrennt. Um im Brückenbetrieb zu messen, holst du dir die Masse fürs Oszi z.B. vom Eingangs-GND. Ein Differenztastkopf macht hier Spass, braucht man aber nicht unbedingt.
So es gibt neue Bilder, ich konnte jetzt mit dem Oszi den Moment erfassen bei dem das Brummen auftritt. Die beiden Bilder wurden gemacht als keine Musik lief. Das Brummen war nach ca. 30 sek wieder weg. Das erste Bild zeigt wie sich die Amplitude schritweise erhöht bis sie irgendwann einen stabilen Sinus erreicht, der auf dem zweiten Bild zu erkennen ist. Ab einer gewissen Spannung scheint dieser dann zusammenzubrechen und das Brummen ist weg. Wenn Musik läuft bleibt das Brummen in der Regel solange bis der Verstärker kurz aus- und eingeschaltet wird.
141 kHz bei 34Vpp. Das ist genau das, was mit "der Verstärker schwingt" gemeint ist.
Yeah, die Kiste schwingt, sporadische Fehler. Also Boucherout erneuern (was genau solche Schwingungen verhindert) & kalte Lötstellen reparieren. mhh schrieb: > Kalte Lötstellen beseitigen und R & C des Boucherot-Gliedes > wechseln. 100 Punkte.
Bei den Schwingungen ist noch die Frage, ob das ein Defekt oder einfach nur ein schlechtes Design ist. Bei dem Plan würde mich ein funktionierender Verstärker mehr wundern als ein schwingender.
Es gibt schon relativ viele schlechte Pläne für Verstärker, also solche relativ dicht dran am Schwingen. Das kommt zum Teil daher, das die Verzerrungen kleiner werden wenn die Rückkopplung stärker und damit auch schneller wird - man neigt also dazu den Verstärker so schnell zu machen das er gerade nicht schwingt. Wenn dann ein anderer meint was dran zu verbessern, geht es dann halt auch mal zu weit. Auch hängt es teils vom Aufbau und ggf. sogar den Chargen/Herstellern (nicht alle 2N3055 sind gleich schnell) der Leistungstransistoren ab - das kann also beim Autor oder Prototypen funktionieren und dann beim Nachbau schwingen. Das Problem hat man auch auch bei einigen ICs. Beim verlinkten Plan ist nicht klar was davon Fehler beim abzeichnen und was Designfehler sind: Zum einen ist da wohl ein Fehler drin (OP Eingänge vertauscht - so gibt es Mitkopplung). Die Konfiguration mit NPN/PNP Mischung ist jedenfalls anfällig für Schwingungen, vor allem wenn die Ansteuerung davor relativ hochohmig ist, so wie hier. Eine mögliche Fehlerquelle wäre der Elko C12: wenn der austrocknet könnte es Probleme geben. Als Test/Abhilfe könnte man da auch einen Kondensator parallel löten. Eine kalte Lötstelle ist halt auch ein Kandidat für so einen Zeitweisen Fehler. Die Thermische Stabilität ist bei der Konfiguration auch nicht so ohne - das ist aber ein anderes Problem, das könnte mit passenden PTCs gehen, vor allem wenn der Verstärker als Klasse B Arbeitet.
F. H. schrieb: > Welche Last hast Du am Amp? Diesen Lautsprecher: http://www.rcf.it/de_DE/products/precision-transducers/low-frequency-transducers/l18p300 Marian B. schrieb: > Yeah, die Kiste schwingt, sporadische Fehler. Also Boucherout erneuern > (was genau solche Schwingungen verhindert) & kalte Lötstellen > reparieren. > Jop, das werde ich definitv machen. @Ulrich Danke für die ausführliche Erläuterung
Der Thomann ist ein "klassisches" QSC Design mit Schaltungsmasse an den Kollektoren der End Ts (man spart sich die isolierte Montage der End Ts und die "Treiberschaltung" kommt mit +/-15V aus). Dementsprechend sind im ober verlinkten nachgezeichneten Schaltbild die Inputs des OPs NICHT vertauscht. Möglicherweise sind aber andere Fehler im Plan (und vor allem taugt der Plan nur als grobe Übersicht der Schaltung, spiegelt jedoch nicht den TA2400 wieder,.. Railswitching fehlt z.B.) Eine recht gute "Näherung" ist die RMX2450 (QSC). http://www.loudandclearproductions.com/library/QSC.pdf Protection und Clip Limiter sind etwas anders als beim TA2400, aber der eigentliche Verstärker ist fast gleich. Ich hatte mal einen TA1400 der (ab Werk) auch hin und wieder ins Schwingen kam (etwas kleinere Amplitude als oben gezeigt, aber sonst ähnliche Symptome). Letztlich half es an die Knotenpunkte des Class-H Railswitchings jeweils (+/- nach der Diode, an den Emittern der End- Ts) ein RC gegen Ausgang (= Netzteil "Masse", bzw. Trafo Mittenabgriff des jew. Kanals ) zu löten (10 Ohm 5W / 100nF). Könnte vielleicht noch helfen wenn alles andere gecheckt wurde. Grüße, Manuel
So es gibt ein Update. Ich habe den Verstärker soeben auseinander gebaut. Ich beschreibe mal was mir so aufgefallen ist. Der Deckel eines Kondensators (im Bild ganz rechts) ist ein wenig nach oben gewölbt, allerdings nur ganz wenig. Kp. ob der schon defekt ist, idR. sieht das ja dann meißt spektakulärer aus. Dann ist mir noch aufgefallen, dass das türkise Kabel das zum Lautsprecher geht angeschmort ist. Daraufhin wurden auch zwei Widerstände (R48 und R49) identifierziert, die wohl auch schonmal zu warm geworden sind. Beide Widerstände haben 10 Ohm und sind parallel geschaltet.
Patrick L. schrieb: > allerdings nur ganz wenig. Kp. ob der schon defekt ist, idR. sieht das > ja dann meißt spektakulärer aus. Nee, wenn sich außen nur eine leichte Veränderung der Gehäuseform abzeichnet, sind Elkos idR bereits defekt. Spektakuläre Explosionen gibt es bei Elkos meistens nur bei heftiger Überlastung (viel zu hoher Strom oder zu hohe Spannung). Patrick L. schrieb: > Dann ist mir noch aufgefallen, dass das türkise Kabel das zum > Lautsprecher geht angeschmort ist. Daraufhin wurden auch zwei > Widerstände (R48 und R49) identifierziert, die wohl auch schonmal zu > warm geworden sind. Die dürften wohl zum Boucherout-Glied gehören. Verfolg mal, wohin die führen, die Teilenummern stimmen jedenfalls nicht mit dem Plan von oben überein. Sind die parallel in Serie an einem Kondensator angeschlossen (Folie) und das ganze dann parallel zum LS-Terminal?
Marian B. schrieb: > Nee, wenn sich außen nur eine leichte Veränderung der Gehäuseform > abzeichnet, sind Elkos idR bereits defekt. Ok, dann schau ich mal das ich da einen Ersatz für bekomme. > Sind die parallel in Serie an einem Kondensator angeschlossen > (Folie) und das ganze dann parallel zum LS-Terminal? Also die eine Seite geht über einen Schraubanschluss der mit den Kühlkorper verbunden ist zu den Kollektor der 2SC5200. Die andere Seite geht in Reihe zu einem Kondensator (C16). Vom Kondensator aus verschwindet die Leiterbahn unter dem Relais, es lässt sich im Moment noch nicht sagen wo es dann weiter geht. Wenn ich mir der Plan so ansehen kommen dafür am ehesten R32 und R33 infrage.
Patrick L. schrieb: > Old Papa schrieb: >> Den Schaltplan habe ich vor Jahren >> mal aufgenommen und im Netz veröffentlicht. (Google hilft) > > Ja wenn du den meinst dann habe ich ihn schon gefunden gehabt: > > http://www.fotos-hochladen.net/ta1050128vqozldj.jpg Nimm mal den Durchgangsprüfer, ich wette die andere Seite geht auf GND. Dann ist es besagtes Boucherot-Glied. Wenn dem so ist, nicht nur die Widerstände, sondern auch den Kondensator austauschen.
Ulrich schrieb: > Auch hängt es teils vom Aufbau und ggf. sogar den Chargen/Herstellern > (nicht alle 2N3055 sind gleich schnell) der Leistungstransistoren ab - > das kann also beim Autor oder Prototypen funktionieren und dann beim > Nachbau schwingen. Das Problem hat man auch auch bei einigen ICs. Das ist eine ganz große Fehlerquelle gerade auch im kommerziellen Umfeld. Der Entwickler legt sich auf das Bauteil fest, das gerade in der Bauteildatenbank angelegt ist bzw. für ihn angelegt worden ist. Irgendwann findet der Einkauf das "identische" Bauteil bei einem anderen Hersteller günstiger. Gerade bei Transistoren ein heißes Thema, da es hier häufig zu mehreren Herstellern pro Bauteil kommt. Da greift keine Maßnahme mehr. Umso wichtiger ist es, dass die Bauteildatenbank z.B. einen "2N3055" von STMicroelectronics und einem anderen Hersteller unter zwei verschiedenen Part numbers führt. So ist ein Wechsel immer nur über die Stücklisten möglich. Und das wird meiner Erfahrung nach streng kontrolliert/verriegelt. {Vielleicht mal interessant für die meisten Leser hier: Im kommerziellen Umfeld ist jedes eingesetzte Bauteil eindeutig in einer Bauteildatenbank identifiziert (Traceability über die Herstellerbezeichnung), aus dem Schaltplan heraus daher auch eindeutig erkennbar (kein hobbymäßiges Ziehen z.B. eines Widerstandes in den Schaltplan und nachträglicher Anpassung an den gewünschten Widerstandswert!). Da reicht es einfach nicht aus einen Kondensator mit "10u / 35V" zu bezeichnen. Selbst das jeweilig bestückte Bauteil ist über die Seriennummer der Platine den Bauteilrollen zuweisbar (und damit auch den Bauteilchargen).}
Patrick L. schrieb: > Der Deckel eines > Kondensators (im Bild ganz rechts) ist ein wenig nach oben gewölbt, > allerdings nur ganz wenig. Kp. ob der schon defekt ist, Der ist nicht defekt, braucht also nicht gewechselt zu werden. Da ist einfach etwas Luft daruntergekommen bei der Herstellung. Patrick L. schrieb: > Dann ist mir noch aufgefallen, dass das türkise Kabel das zum > Lautsprecher geht angeschmort ist. Erneuern, die Steckverbindung war etwas lose. Patrick L. schrieb: > Daraufhin wurden auch zwei > Widerstände (R48 und R49) identifierziert, die wohl auch schonmal zu > warm geworden sind. > > Beide Widerstände haben 10 Ohm und sind parallel geschaltet. Beitrag "Re: PA-Verstärker - Komisches Verhalten" Die kalten Lötstellen müssen nicht bei den geschädigten Widerständen sein. Also alles ansehen.
mhh schrieb: > Der ist nicht defekt, braucht also nicht gewechselt zu werden. Da ist > einfach etwas Luft daruntergekommen bei der Herstellung. Kann, muss aber nicht. Da der auch auf der heißen (kühlkörpernahen) Seite ist, würde ich hier auf Verdacht austauschen, kostet ja eh fast nix.
Natürlich kann man den austauschen, auch wenn er garantiert nicht defekt ist. (Bei einem Defekt wäre das Plasteplättchen nicht mehr obendrauf.) Wann will er sich endlich mal um die Ursache kümmern, statt an den Auswirkungen zu werkeln? Spontane Selbstheilung gibt es leider nicht. Potis z.B. schon nachgelötet?
mhh schrieb: > Erneuern, die Steckverbindung war etwas lose. Negativ. Kommt von den beiden Widerständen die zu warm geworden sind- Marian B. schrieb: > Kann, muss aber nicht. Da der auch auf der heißen (kühlkörpernahen) > Seite ist, würde ich hier auf Verdacht austauschen, kostet ja eh fast > nix. Naja ganz so günstig sind die Elkos nicht.
Patrick L. schrieb: > mhh schrieb: >> Erneuern, die Steckverbindung war etwas lose. > > Negativ. Kommt von den beiden Widerständen die zu warm geworden sind- Nicht erneuern, wegen berechtigtem Widerspruch. :)
drgre schrieb: > Ulrich schrieb: >> Auch hängt es teils vom Aufbau und ggf. sogar den Chargen/Herstellern >> (nicht alle 2N3055 sind gleich schnell) der Leistungstransistoren ab - >> das kann also beim Autor oder Prototypen funktionieren und dann beim >> Nachbau schwingen. Das Problem hat man auch auch bei einigen ICs. > > Das ist eine ganz große Fehlerquelle gerade auch im kommerziellen > Umfeld. M.E. ist es aber kein gutes Zeichen, wenn die Schaltung so 'auf der Kippe' dimensioniert ist, das ein anderer Hersteller (oder gar nur Chargenwechsel) sich auf die Funktion auswirkt. Es sollte eigentlich im Interesse des Produzenten liegen, so wenig Rückläufer wie möglich zu haben. @TE: Die Frage nach der Last hast du noch nicht beantwortet. Nicht jede Endsufe ist bei allen Formen kapazitiver oder induktiver Last unbedingt stabil. Wenn du allerdings im Moment mit Last(Draht-)widerständen arbeitest, sollte die Endstufe normalerweise sauber sein. Übrigens sind in der Thomann-Serviceabteilung ein paar echt nette Leute, denen du dein Problem auch mal schildern könntest. Könnte ja sein, das auch andere Leute diese Probleme haben.
Matthias Sch. schrieb: > @TE: Die Frage nach der Last hast du noch nicht beantwortet. Hatte ich eig. schon oben beantwortet: Beitrag "Re: PA-Verstärker - Komisches Verhalten"
Auch wenn der Verstärker den Punkt der klassicherweise der Ausgang als Masse definiert, bleibt es dabei dass im Plan der OP falsch rum eingezeichnt ist (ein Kondensator vom Asusgang des OPs zum nicht inv. Eingang ist kaum sinnvoll, außer für einen Oszillator) - das nur zur Vorsicht im Umgang mit dem Plan. Auch der Anschluss der Rückkopplung an der gezeigeten Seite der Spule am Ausgang ist verdächtig. Der Plan ist jedenfalls so, das man sich nicht wundern muss wenn der Verstärker zum Schwingen neigt. Das heißt, es muss da nicht unbedingt ein echter Defekt vorliegen, es reicht ggf. schon eine schwierige (kapazitive) Last oder ein etwas gealterter Elko. Wenn der Verstärker schwingt ist es normal das die Widerstände im Boucherot-Glied und ggf. auch die 10 Ohm Widersände parallel zum Relais leiden. Die heißen Widerstände sind dabei nur eine Folge der Schwingung, aber eher nicht die Ursachen.
Ulrich H. schrieb: > Wenn der Verstärker schwingt ist es normal das die Widerstände im > Boucherot-Glied und ggf. auch die 10 Ohm Widersände parallel zum Relais > leiden. Die heißen Widerstände sind dabei nur eine Folge der Schwingung, > aber eher nicht die Ursachen. Jo, wenn der bei 141 kHz schwingt, grillt der das Boucherot ziemlich schnell, wenn der Kondensator 100 nF hat. Dann hat der Kondensator einen Blindwiderstand von ~11 Ω...
Matthias Sch. schrieb: > M.E. ist es aber kein gutes Zeichen, wenn die Schaltung so 'auf der > Kippe' dimensioniert ist, das ein anderer Hersteller (oder gar nur > Chargenwechsel) sich auf die Funktion auswirkt. Es sollte eigentlich im > Interesse des Produzenten liegen, so wenig Rückläufer wie möglich zu > haben. Das steht außer Frage. Es wird aber kein Entwickler wissen können, wer alles diesen Transistor-Typ produziert so dass er auch nicht alle Datenbätter vergleichen kann. Daher kann er auch nicht den Worst-Case-Transistor herausfinden. Und wie weit er dann welche Parameter "ausfahren" darf, damit ein noch unbekannter Transistor-Typ mit selber Bezeichnung von einem anderen Hersteller kompatibel ist, ist nicht abschätzbar. Es geht ja noch weiter: In der Validierung werden ja auch nur Baugruppen mit diesem einen Transistor-Typen getestet/gestresst. Änderungen an eingesetzten Bauteilen werden ja durch die Hersteller selber gemeldet, so dass man sich noch darauf einstellen kann. Ein Wechsel von einem Bauteil zu einem anderen trotz selber Bezeichnung, aber anderer Hersteller, muss jedes Mal vom Entwickler analysiert und freigegeben werden. Normalerweise mit passender (Teil-)Validierung. Das steht also im professionellen Umfeld im krassen Gegensatz zu den Hobbyschaltplänen hier im Forum, die diesbezüglich viel zu wenig Substanz haben.
drgre schrieb: > Das steht also im professionellen Umfeld im krassen Gegensatz zu den > Hobbyschaltplänen hier im Forum, die diesbezüglich viel zu wenig > Substanz haben. Allerdings werden prof. Schaltungen heutzutage meist so abgleichfrei wie möglich entworfen, was im Hobbybereich so nicht praktiziert wird, da unnötig.
Keine Potis, Trimmer, ... oder gar wiederholtes Auswechseln von Bauteilen. Ohne Abgleich halt. Bestücken, löten, testen und ggf. elektronisch kalibrieren, fertig...
Äh - ja. :-) So ist das. Was auch immer das jetzt mit Prozessfehlern/Traceability zu tun haben soll. Aber richtig. Ich habe noch nie im Produktionsprozess Abgleichschritte in der von Dir erwähnten Form gesehen. Doch einmal. Eine Kalibrierung der Strommessung mit einem HighSide-Switch, aber nur in Software. Ablage der Kalibrierwerte in einem EEPROM.
drgre schrieb: > Was auch immer das jetzt mit Prozessfehlern/Traceability zu tun haben > soll. Ich glaub das ist ziemlich offensichtlich, oder? Im Hobbybereich ist es egal, dass eine Schaltung nicht auf Anhieb mit Transistor/Komponente X funktioniert (z.B. schwingt) - tauscht man entweder aus, oder passt was anderes an. > > Aber richtig. Ich habe noch nie im Produktionsprozess Abgleichschritte > in der von Dir erwähnten Form gesehen. Bei älteren Messinstrumenten kann man das gut beobachten, wie Modelliteration für Iteration praktisch alle Trimmer rausgeflogen sind. Hängt natürlich auch mit der zunehmenden Automatisierbarkeit zusammen.
Marian B. schrieb: > Ich glaub das ist ziemlich offensichtlich, oder? Im Hobbybereich ist es > egal, dass eine Schaltung nicht auf Anhieb mit Transistor/Komponente X > funktioniert (z.B. schwingt) - tauscht man entweder aus, oder passt was > anderes an. Da bin ich wohl schon zu verwöhnt. Bei uns sind die Schaltpläne eindeutig und auf Anhieb funktionsfähig. >> Aber richtig. Ich habe noch nie im Produktionsprozess Abgleichschritte >> in der von Dir erwähnten Form gesehen. > > Bei älteren Messinstrumenten kann man das gut beobachten, wie > Modelliteration für Iteration praktisch alle Trimmer rausgeflogen sind. > Hängt natürlich auch mit der zunehmenden Automatisierbarkeit zusammen. Das kann ich mir auch gut vorstellen. Auch deswegen, weil es keine Arbeiter mehr gibt, die irgendwas manuell einstellen.
@ Ulrich H: Feedback muss zum non inverting input! (die Output Stage hat hier negative Verstärkung, siehe pdf oben) Der Feedback C zum non inverting input ist natürlich ein "Abzeichenfehler", Zustimmung. Grüße, Manuel
So es gibt neuigkeiten. Ich bin dazu gekommen den rechten Kanal komplett auszubauen, was sich als gar nicht so einfach herausstellte. Den Kondensator des Snubbers werde ich wechseln, ich hoffe der Typ (siehe Bild) ist als Ersatz geeignet. Die Widerstände werden vorraussichtlich drinbleiben, da ich auf die schnelle keinen Ersatz auftreiben konnte. Die andere Seite des Kondensator geht übrigens tatsächlich wie im Schaltplan oben auf die Parallelschaltung von Spule und Widerstand. Gut damit wären die Auswirkungen des Schwingens weitestgehend behoben, die eigentliche Ursache konnte ich bis jetzt aber noch nicht finden. Kalt Lötstellen sind bis jetzt auch nicht sichtbar. Ich werde aber Trotzdem mal alle Lötpunkte an den Transistoren nachziehen. Haut noch was raus was ich prüfen könnte.
R48/49 mal geprüft? Bzw die Schaltung drum herum. Sehen aus als wären diese warm geworden.
MS schrieb: > R48/49 mal geprüft? Bzw die Schaltung drum herum. > Sehen aus als wären diese warm geworden. Ja, das ist der besagte Snubber, sind beides 10 Ohm parallel, die scheinen noch heile zu sein. Den Kondensator des Snubbers habe wie oben geschrieben gewechselt. Also warm wird da eig. alles hab noch eine Steckverbindung gefunden, dessen Gummi wurde von den umliegenden Widerständen auch schon gegrillt. Bei funktionierenden Kanal allerdings auch. Ist konstruktiv bedingt, das dingen scheint auf Grenze ausgelegt zu sein. Hab den Kanal mittlerweile wieder eingebaut, zu funktionieren scheint er auch. Bis jetzt habe ich besagtes Schwingen auch noch nicht. Kann aber daran liegen das ich den Kondensator gew. habe und es wieder durchkommt wenn dieser das zeitliche gesegnet hat. Erstmal scheint es zu funzen.
Bei einem nicht ganz perfekten Schaltplan ist es schwer eine möglich Schwachstelle zu finden. Es gibt halt 3 Ursachen für die Schwingungen: 1) ein Wackelkontakt, kalte Lötstelle oder ähnliches, also ein nur gelegentlich auftretender Fehler. 2) ein Design das nur gerade so stabil ist - da hilft es nichts nach Defekten zu suchen oder Teile 1:1 zu erneuern. 3) Ein Teil ist gealtert, so dass der Verstärker jetzt an der Grenze der Stabilität ist. Kandidaten für Alterung sind vor allem die Elkos, insbesondere CD12 und die großen am Gleichrichter. Die muss man jetzt nicht tauschen, aber ein Kondensator parallel für bessere HF Eigenschaften wäre nicht schlecht. Gerade wenn die großen Elkos am Gleichrichter noch weiter weg sind, kann das auch ein Problem beim Design sein.
Ulrich schrieb: > 1) ein Wackelkontakt, kalte Lötstelle oder ähnliches, also ein nur > gelegentlich auftretender Fehler. Sehe ich im Moment als denn wahrscheinlichste Grund an. Zumindest ist der Fehler nach dem Nachlöten nicht nochmal aufgetreten. > 2) ein Design das nur gerade so stabil ist - da hilft es nichts nach > Defekten zu suchen oder Teile 1:1 zu erneuern. Naja, schwer zu sagen. Was mir aufgefallen ist, das auf Abblockkondensatoren an den OPV's einfach mal grundsätzlich verzichtet wurde. Ansich ist auch die Platine nicht schön umgesetzt, teilweise mit irgendwelchen Drahtbrücken. Widerstände die heiß werden in der nähe von Kerko's usw.... Würde mich nicht wundern wenn der Verstärker mal abfackelt. > 3) Ein Teil ist gealtert, so dass der Verstärker jetzt an der Grenze der > Stabilität ist. Möglich > Kandidaten für Alterung sind vor allem die Elkos, insbesondere CD12 und > die großen am Gleichrichter. Würde ich erstmal ausschließen, da ich beide Kanäle in Vergleich gemessen habe. Die Spannungsripple waren im Rahmen und bei beiden Kanälen gleich, da der linke Kanal ohne Probleme funktioniert, eher unwahrscheinlich.
Ulrich H. schrieb: > Auch wenn der Verstärker den Punkt der klassicherweise der Ausgang als > Masse definiert, bleibt es dabei dass im Plan der OP falsch rum > eingezeichnt ist (ein Kondensator vom Asusgang des OPs zum nicht inv. > Eingang ist kaum sinnvoll, außer für einen Oszillator) - das nur zur > Vorsicht im Umgang mit dem Plan. Auch der Anschluss der Rückkopplung an > der gezeigeten Seite der Spule am Ausgang ist verdächtig. Ich bin zwar nicht Gott, doch ich behaupte, dass ich da alles richtig abgezeichnet habe (sagen ja immer alle ;-)) Auch die Rückkopplung ist an beiden untersuchten PAs genau so angepinnt ;-) Klar, der Plan ist nur bedingt zum 2400er kompatibel, zumindest der Leistungsteil ist beim großen deutlich anders (muss ja auch bei Class-H). Der Spannungsverstärker scheint aber exakt genauso aufgebaut zu sein. Meine haben nie gebrummt (habe mehrere TA1050, TA2400er und irgendwo noch den DAP Palladium) und sind auch nicht ins Schwingen geraten (zumindest nie was bemerkt). Meine Elkos sehen teilweise auch so aus. Wenn man leicht auf die Beule drückt muss sie weggehen. Dann ist nur das obere Kunststoffplättchen (der Deckel) durch den Schrumpfschlauch gestaucht und es wölbt sich hoch. Bei einem "blasenden" Elko ist die Wölbung richtig fest. Old-Papa Update die beiden Platinenseiten vom 700er Palladium (eine gespiegelt), der ist bis hin zur LP-Bezeichnung gleich dem 1050er.
Jetzt mische ich mich mal ein, da alle immer verzweifelt nach einem Plan für die t.amp TA2400 suchen. Der Schaltplan der DAP P-2000 ist identisch. Der hersteller gibt diesen auch gerne heraus, e-mail reicht. Gruß Marc
drgre schrieb: > Es wird aber kein Entwickler wissen können, wer alles diesen > Transistor-Typ > produziert so dass er auch nicht alle Datenbätter vergleichen kann. > > Daher kann er auch nicht den Worst-Case-Transistor herausfinden. Es ist Aufgabe einer sorgfältigen Entwicklung, sich über die Parameter der Bauteile verschiedener Hersteller intensiv Gedanken zu machen. Wenn ich nicht alle Hersteller einsetzen kann (z.B. wegen Bauteilparametern die nicht passen) lasse ich nur einen oder die passenden Hersteller zu. Der Einkauf darf dann bei diesem Bauteil nur diese ordern. Ein Ingenieur der das nicht macht gehört die Lizenz entzogen. rgds
Hallo Leute, das Problem ist offensichtlich wieder aktuell, das tauschen und nachlöten der Bauteile hat nur für kurze Zeit eine verbesserung erwirkt.
Old Papa schrieb: > Ich bin zwar nicht Gott, doch ich behaupte, dass ich da alles richtig > abgezeichnet habe (sagen ja immer alle ;-)) Also vielen lieben Dank für das Zeichnen. :-))))))))) Hatte letztlich auch einen 1050 zur Reparatur, da hätte ich Dein Schaltbild gut gebrauchen können. Habe es nun gespeichert. Einen kleinen Beitrag kann ich dazu leisten: Z22 und Z21 sind 15V Z-Dioden. Bei mir war eine defekt, hatte beide gegen BZX85C15 getauscht. Die Widerstände sowieso. LG old - europe PS: Kennt jemand einen Händler der das IC vom Lüfter hat? Es ist ein AH276Q oder SA276 ...
Old Papa schrieb: > Ich bin zwar nicht Gott, doch ich behaupte, dass ich da alles richtig > abgezeichnet habe (sagen ja immer alle ;-)) > Auch die Rückkopplung ist an beiden untersuchten PAs genau so angepinnt > ;-) wenn ich mich nicht täusche, ist die Endstufe selbst (2SC4738+4x2SA... bzw. 2SA1837+2SC...) ein invertierender Verstärker. Deshalb müsste das so passen als Gegenkopplung.
Der Verstärker scheint also weiter zeitweise zu schwingen. Das Oszilloskop-bild oben zeigt ein relativ langsames Abklingen der Schwingung - d.h. der Verstärker wird auch in der Zeit wo er nicht schwingt noch relativ nahe an der Grenze zur Instabilität sein. Ich habe fast den Verdacht, dass der Verstärker vom Design her schon relativ dicht an der Instabilität ist - dafür sprechen die Relativ vielen RC Kombinationen in der Rückkopplung. Damit versucht man meist die Stabilität etwas zu verbessern, wobei man sich die Mühe vor allem macht, wenn es nötig ist. Ein paar Punkte wo man ggf. nachbessern könnte wären, was aber nichts verschlechtern sollte: 1) Ein Abblockkondensator (z.B. 100 nF) direkt an der Versorgung des NE5532. 2) Kondensatoren (z.B. 470 n) Parallel zu den großen Elkos, aber noch auf der Platine. Das wäre etwa am Stecher A70. Das Signal geht halt über die Elkos und die Kabel dahin - Induktivität in dem Bereich stört halt und kann Schwingungen begünstigen. 3) Eventuell noch ein Kondensator parallel zu CD12 (47 µF nahe OP). Ein Ausfall des Elkos könnte auch Schwingungen fördern. Der Kondensator C13 am Ausgang des OPs ist irgendwie nicht schön - das ist eine recht hohe Kapazitive Last für den OP. Damit könnt das eventuell vom genauen Hersteller des OPs abhängig werden. Da wäre es eventuell einen Versuch Wert am Ausgang des OPs (statt der einen Brücke (R8) tatsächlich einen kleinen Widerstand von vielleicht 20-50 Ohm zu haben.
Ja, werde ich mal ausprobieren sobald ich den Verstärker mal wieder aus dem Rack habe
Hab den Verstärker heute nochmal auseinander gehabt. Den 100nF Kondensator über den NE5532 habe ich angebracht. Den Rest habe ich erstmal nicht umgesetzt, weil der Versärker doch ziemlich verbaut ist und ich auch keine Kondensatoren mit der entsprechenden Spannungsfestigkeit parat habe. Mal sehen ob das schwingen wieder auftritt, leider ist die Endstufe auch dermaßen verbaut, dass messen auf der Platine im laufenden Betrieb sehr schwierig ist
So nochmal zur Info. Bis jetzt läuft der Verstärker nach den letzen Änderungen stabil. Scheint wohl was gebracht zu haben.
Bitte melde dich an um einen Beitrag zu schreiben. Anmeldung ist kostenlos und dauert nur eine Minute.
Bestehender Account
Schon ein Account bei Google/GoogleMail? Keine Anmeldung erforderlich!
Mit Google-Account einloggen
Mit Google-Account einloggen
Noch kein Account? Hier anmelden.














