Hallo liebes Forum, ich möchte gern ein Servo zum Fahrtenregler umbauen. Ist auch so weit alles geschehen, bis auf ein Problem. In dem Servo ist ein BAL 6688L und ein BA 6686 verbaut. 1.Welches ist die H-Brücke bzw das Leistungs IC ? Dieses würde ich gerne durch eine H Brücke ersetzen. Kenntisse sind vorhanden.(kein dummi) Ich hoffe mir kann jemand helfen. danke im voraus Martin
Irgendwie ist mir die Frage nicht ganz verständlich. In dem PDF kannst du das schon sehen und dein BA6686 ist ein BAL6686 und somit eine H-Brücke. Du willst also die eine H-Brücke durch eine andere ersetzen?
Genau , weil diese ist mir zu schwach von der Leistung. Weil ein etwas größerer Motor angeschlossen wird. Habe Angst das die abraucht.lol
Also die H-Brücke hast du schon und du willst das jetzt auftrennen? Dann schau doch mal in dein angehängtes PDF und schau mal wo der Motor dran hängt. Im angehängten Datenblatt siehst du wo der Motor am IC angeschlossen ist.
Ja wollte den Bal einfach über den pins abtrennen und diese als anschlüsse für die H Brücke nehmen. Es das denn überhaupt realisierbar?
Von dem BA6686L kommen ja die Signale für rechts und links. Diese müsstest du, wenn du nicht eine eigene Ansteuerung nimmst, dann für die Steuerung deiner neuen H-Brücke nehmen. Habe mir nicht das Datenblatt des BA6686L angesehen und mit Servos habe ich auch noch nichts gemacht, aber prinzipiell sollte das klappen.
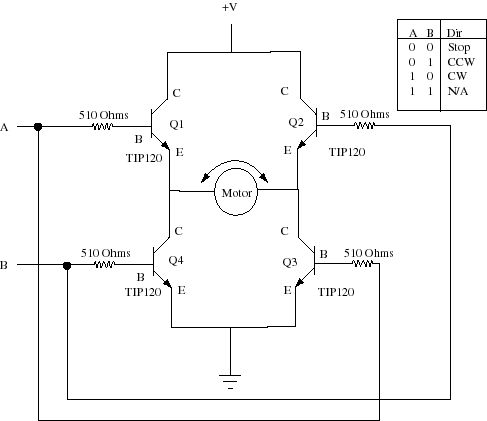
Der L ist ja wenn ich das richtig verstehe das Servo Steuer ic, welche meine Impulse vom Empfänger umwandelt.Richtig? am 6686 kommen ja die signale forw.und Rückwärts an sowie V+ und Gnd sowie Motor. Bei der H Brücke müsste ich dann an punkten A und B die vorw.und Rückwärts signale anlegen und halt V+ und Gnd und Motor. Korrigiere mich bitte wenn ich falsch liege.
Nehme mal an, das der BA6686L über 8 und 10 nochmal den Strom vom Motor misst.
Pin 8 und 10 am L sind für den Poti gewesen.Dieser wurde aber bereits entfernt und gegen fest Widerst. ausgewechselt. Für meine zwecke nicht mehr erforderlich.
Du musst dir das Datenblatt besorgen oder ohne Motoranschluss an das IC probieren, ob das so klappt.
kann mir jemand ein Plat.Layout dafür zeichnen. is zu lange her bei mir. lg und vielen dank
Bitte melde dich an um einen Beitrag zu schreiben. Anmeldung ist kostenlos und dauert nur eine Minute.
Bestehender Account
Schon ein Account bei Google/GoogleMail? Keine Anmeldung erforderlich!
Mit Google-Account einloggen
Mit Google-Account einloggen
Noch kein Account? Hier anmelden.



