ich möchte einen Zähler-Eingang am HP5443B nachrüsten. Vielleicht hat das jemand schon gemacht und kann etwas dazu sagen. Schön wäre es wenn man die Original-BNC-Buchse bekäme um sie an der vorgesehenen Stelle auf der Leiterplatte einzubauen. Die Löcher dazu gibt es ja bereits. Hat jemand so eine Buchse abzugeben?
Erst mal der Link zum Service-Manual: http://ko4bb.com/manuals/index.php?dir=HP_Agilent/HP_5334_Universal_Counter geht es um eine "Option"? Auf der Seite 236 des 11MByte großen Manuals ist der Schaltplan für eine "Option 030,Channel C" - ist es das? Eine einzige fehlende BNC-Buchse kann es doch nicht sein, da muss doch noch mehr fehlen?
Christoph Kessler (db1uq) schrieb: > Auf der Seite 236 des 11MByte großen Manuals ist der Schaltplan für eine > "Option 030,Channel C" - ist es das? Danke Christian. Ja, das ist es. > Eine einzige fehlende BNC-Buchse kann es doch nicht sein, da muss doch > noch mehr fehlen? ja. Den fehlenden chip MB506 habe ich gerade als SMD bestellt. Auf dem Bord ist ein DIL-Sockel dafür. Da muss eine kleine Adapterplatine dazwischen. Es scheinen auch noch Schottkydioden zu fehlen. 4-fach-Teile. So eine Aufrüstung habe ich noch nie gemacht, ist Neuland. Es fehlt mir auch momentan ein Signalgenerator >50MHz um das zu testen.
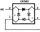
die einen 4 Dioden sind der Limiter CR303 (Schottky). Die anderen sind CR302. Der fehlende Divider (Sockel DIL8) ist der bestellte MB506. Die Buchse J301 ist unbestückt. Die suche ich, so wie die Dioden.
bei CR302 und CR303 steht auf der Seite 100 Diode Schottky SM-SIG und dann 28480 1900-0083. Was auch immer das ist. bei der Buchse J301 steht: Connector RF-BNC PCMT FEM PCH-PNL 50-Ohm 03316 28JR405-1. Woher so ein Teil bekommen?
Wenn man sich mal das Bild unter http://www.helmut-singer.de/pdf/hp5334b.pdf ansieht: Das sieht aus wie eine Standard-BNC Buchse (also ohne eingebautes frontseitig wechselbares Sicherungselement) . Ausser, du legst Wert auf 100% identische Optik .
Ein Sicherungselemt ist - wie man dem Schaltbild entnehmen kann - nicht enthalten. Es ist eine spezielle Leiterplattenbuchse, die mit 2 Schrauben in den vorgesehenen Löchern befestigt wird. Der Vorteil davon ist daß man dann die Frontplatte leicht abnehmen kann, weil alle 4 Buchsen durchgeschoben werden. Außen gibt es nur noch Kontermuttern, sonst nichts. Natürlich ist es auch denkbar jede beliebige BNC-Buchse einzubauen und dann Drähte zur Leiterplatte zu legen. Das ist die zweitbeste Lösung wenn die Buchse nicht günstig zu bekommen ist.
Die 1900-0083 ist eine typische Hewlett-Packard-Teilenummer. Dazu gibt es viele Internethändler, die das verkaufen wollen. Einen Forumsbeitrag fand ich auch : https://groups.yahoo.com/neo/groups/hp_agilent_equipment/conversations/topics/4377 Die allgemeine Bezeichung dazu sei "5082-2831" also aus der bekannten Schottky-Dioden-Reihe HP2800, leider obsolet. http://www.datasheetarchive.com/dlmain/Databooks-4/Book-19268.pdf Zwei Datenbuchseiten von 1980 Und Mouser nennt Souriau als Hersteller der Buchse 28JR405-1, hat sie aber nicht vorrätig. http://www.souriau.com/
Christoph Kessler (db1uq) schrieb: > http://www.datasheetarchive.com/dlmain/Databooks-4/Book-19268.pdf > Zwei Datenbuchseiten von 1980 vielen Dank Christoph ! in diesem Video https://www.youtube.com/watch?v=wGYHvSuDXHw zeigt Shigeo Suzuki wie er Dioden aufs Board aufgelötet hat. Das scheint so zu laufen. Die Buchse hat er über Kabel nach hinten verlegt. > Und Mouser nennt Souriau als Hersteller der Buchse 28JR405-1, hat sie > aber nicht vorrätig. http://www.souriau.com/ Vielen Dank. Ich kann da ja mal fragen.
Hier ist der Einbau der Dioden zu sehen. Links oben der MB506 in SMD. Rechts unten das Kabel zur Buchse hinten. Leichter ist es die Buchse direkt vorne auf der Leiterplatte anzuschrauben - wenn man sie denn hat.
Die BNC-Buchse hat noch eine militärische NSN-Nummer, damit findet man einige Spezialhändler, z.B: http://www.nsn-now.com/5935013308615 Vielleicht ist sogar ein Datenblatt über logsa.army.mil zu bekommen, die haben auch viele Gerätehandbücher zu Messgeräten kostenlos als PDF. https://www.logsa.army.mil/etms/index.cfm
Christoph Kessler (db1uq) schrieb: > Die BNC-Buchse hat noch eine militärische NSN-Nummer, damit findet man > einige Spezialhändler, z.B: http://www.nsn-now.com/5935013308615 Prima was Du alles herausgefunden hast ! Danke ! Ich versuche mal damit weiterzukommen. Auch Agilent kann ich ja mal anrufen. Das Teil ist aus dem Service. Vielleicht liegt irgendwo noch was herum . . .
Christoph Kessler (db1uq) schrieb: > Die BNC-Buchse hat noch eine militärische NSN-Nummer, damit findet man > einige Spezialhändler, z.B: http://www.nsn-now.com/5935013308615 leider steht auf deren Seite: http://www.nsn-now.com/public/contactus.aspx "Please note, We are an information service provider. We do not sell parts."
Aber mit der nsn-Nummer bringt Google auch viele Händler. Vermutlich wird das aber ziemlich teuer. Die Webseite von logsa.army muss man intuitiv durchsuchen, wenn man keine genaue Nummer kennt. Zum Beispiel unter "Pub Title Text" einfach "Hewlett" eingeben, schon hat man 141 Fundstellen. "5334" ist aber nicht zu finden
Christoph Kessler (db1uq) schrieb: > Aber mit der nsn-Nummer bringt Google auch viele Händler. Danke Christoph ! Ich habe bei Agilent angerufen und die USA angemailt. Mal sehen ob ein Feedback kommt.
PS: Der Unterschied zwischen zivilen und militärischen Handbüchern von HP liegt in dieser zusätzlichen Seite. "Sorgfältig heraustrennen! Ausfüllen! Durchschlag an den Vorgesetzten! Einwerfen!"
Matthias W. schrieb: > Ich habe bei Agilent angerufen und die USA angemailt. Mal sehen ob ein > Feedback kommt. Agilent USA hat sich nicht viel Mühe gemacht - sondern das gleich an die deutschen Kollegen weitergemailt. Mal sehen ob da eine Antwort kommt.
Christoph Kessler (db1uq) schrieb: > Der Unterschied zwischen zivilen und militärischen Handbüchern von HP > liegt in dieser zusätzlichen Seite. Das Formular scheint von 1978. Offenbar war die Armee damals ernsthaft interessiert zu erfahren was nicht passt mit Gerät oder Manual?
Matthias W. schrieb: > Matthias W. schrieb: >> Ich habe bei Agilent angerufen und die USA angemailt. Mal sehen ob ein >> Feedback kommt. > > Agilent USA hat sich nicht viel Mühe gemacht - Du irrst. Das ist keine Frage der Mühe, sondenr der Konzern-Aufstellung: Anfragen werden stets lokl abgehandelt. Alles andere wäre für so eine Basisanfrage auch sinnfrei bei einem international aufgestellten Konzern. > sondern das gleich an die > deutschen Kollegen weitergemailt. Mal sehen ob da eine Antwort kommt. Da kommt was. Mußt nur schauen ob dann von Agilent oder Keysight-Technologies. > Das Formular scheint von 1978. Offenbar war die Armee damals ernsthaft > interessiert zu erfahren was nicht passt mit Gerät oder Manual? Nicht nur offen, es ist schlicht eine Standardvorgabe der (US-) Militärs. Die Seite findest Du auch in Handbüchern zu allen sonstigen milsa Dokumenten. Auch in aktuellen y2k++. Ist in ähnlichen Form auch in aktuellen Dokumentne drin.
Parallel dazu kannst Du auch bei Soriau anfragen. Die Firma gibt's noch, ob die die Buchse noch herstellen weiss ich nicht. Bei Mouser sind sie ausverkauft: http://de.mouser.com/ProductDetail/Souriau/28JR405-1/?qs=7LmGHoxvMXAH5heKIkWMfQ==
Oder einfach einen weiteren HP Zähler kaufen und die Buchse ausbauen .-))
Andrew Taylor schrieb: > Oder einfach einen weiteren HP Zähler kaufen und die Buchse ausbauen > .-)) wenn der Versand aus den USA nicht so teuer wäre . . . daher hoffe ich eher auf ein günstiges Defektgerät hier.
soul eye schrieb: > Parallel dazu kannst Du auch bei Soriau anfragen. Danke ! Habe ich nun zum zweiten Mal gemacht, es kam wieder die Meldung: "Thank you, for your requirement and your interest for SOURIAU products. We are going to process it as soon as possible."
Andrew Taylor schrieb: > Du irrst. Das ist keine Frage der Mühe, sondenr der Konzern-Aufstellung: > Anfragen werden stets lokl abgehandelt. ich habe das schon anders erlebt. Bei internationalen Firmen gibt es Filialen in Deutschland und in den USA. Als ich 2002 Hilfe brauchte zu einem Bauteil fragte ich - weil ich auf Dienstreise in den USA war - erst mal bei meinen bekannten Partnern in Deutschland nach. Die waren alle "busy" oder hatten keine Lust zu helfen. So kam ich nicht weiter. Dann hatte ich die Idee einfach dieselbe Fa. in den USA anzurufen. Da wurde mein Anliegen plötzlich ernstgenommen und rasch bearbeitet. Welch Unterschied ! Damals wurde mir die Bedeutung des Begriffs "Servicewüste Deutschland" so richtig klar. Umso enttäuschter war ich als sich Agilent nun so seltsam verhalten hat. Wenn es noch eine Entwicklung, Fertigung oder Reparatur dort gibt, so hätte man das durchaus weiterleiten können. Es wird wohl Gründe geben warum das nicht so war. In 23 Tagen oder so wird ja Agilent in Keysight umbenannt. Vielleicht hat dies etwas damit zu tun. Die Leute haben vielleicht ganz andere Sorgen . . .
von Agilent kam nun: "besten Dank für Ihre Nachfrage. Leider haben wir keine Teile mehr für Ihren 5334B um das Gerät mit der Option 030 nachzurüsten." Das SMD-IC MB506 ist nun verbaut - so wie oben zu sehen. Die Dioden fehlen noch. Und die Buchse.
http://www.davmar.org/elec.html eine große Linksammlung zu alter Messtechnik dort wieder gefunden: http://www.sphere.bc.ca/test/hpparts.html <Loriot> Reich bebildert! Zeich dem Herrn doch mal die Bilder! </Loriot> Jedes Ersatzteil mit Foto
Christoph Kessler (db1uq) schrieb: > http://www.sphere.bc.ca/test/hpparts.html > Jedes Ersatzteil mit Foto Vielen Dank Christoph. Ich mail mal hin.
Bitte melde dich an um einen Beitrag zu schreiben. Anmeldung ist kostenlos und dauert nur eine Minute.
Bestehender Account
Schon ein Account bei Google/GoogleMail? Keine Anmeldung erforderlich!
Mit Google-Account einloggen
Mit Google-Account einloggen
Noch kein Account? Hier anmelden.





