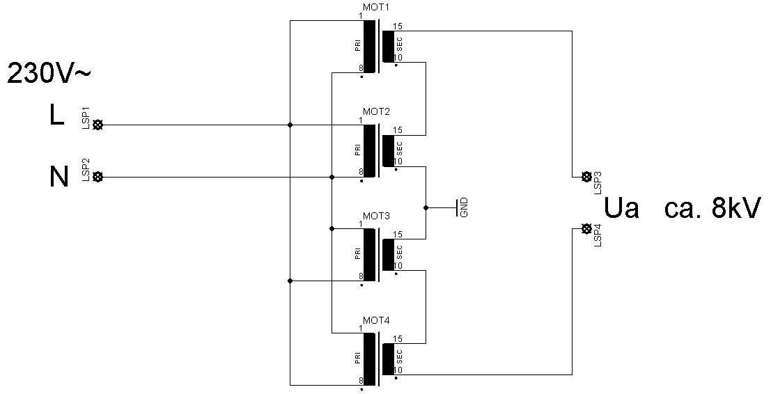
Hallo, ich hätte ein Frage an euch bezüglich einer zusammen Schaltung von Mikrowellentransformatoren. Im Bild das ich hochgeladen habe, sieht man eine zusammen Schaltung von Mikrowellen Transformatoren die zusammen ungefähr eine Ausgangspannung von 8kV liefern. Nun zu meinem Verständnis Problem: Ich verstehe leider nicht wieso ich beim MOT1 & MOT4 die Kernverbindung auftrennen muss? Laut meiner Recherche führt dies bei nicht auftrennen der Kernverbindung zu einem Kurzschluss in MOT2 & MOT3? Weiter heißt es das MOT1 & MOT4 nicht geredet werden dürfen? Was ich auch nicht verstehe, wieso sollte ich MOT2 & MOT3 erden? Es ist doch besser, wenn ich keine habe (wegen der Galvanischen Trennung) oder? Könnt mir dies jemand erklären? Ich danke euch!!
@ Helpme91 (Gast) >eine zusammen Schaltung von Mikrowellen Transformatoren die zusammen >ungefähr eine Ausgangspannung von 8kV liefern. Eine tödliche Konstruktion! Da ist RICHTIG Dampf dahinter! >Ich verstehe leider nicht wieso ich beim MOT1 & MOT4 die Kernverbindung >auftrennen muss? Weil sie sekundärseitig keinen Massebzug haben bzw. haben düfen, denn sie sind ja in Reihe zu MOT2 und MOT3 >Laut meiner Recherche führt dies bei nicht auftrennen der Kernverbindung >zu einem Kurzschluss in MOT2 & MOT3? Logisch. Zeichne doch einfach mal die Kernverbindung ein! >Weiter heißt es das MOT1 & MOT4 nicht geredet werden dürfen? Das ist das gleiche. >Was ich auch nicht verstehe, wieso sollte ich MOT2 & MOT3 erden? Siehst du doch im Bild, der gemeinsame Anschluss ist geerdet. Warum? Damit die Spannung der freien Enden ein definertes Potential gegen Erde hat. Denn die Trafos haben nur eine endliche Isolationsfähigkeit. In diesem Beispiel müssen die Wicklungen von MOT2&3 ca. 2kV gegen Erde isolieren, MOT1&4 aber schon 4kV! Die Differenz der beiden Offenen Enden ist aber 8kV. Praktisch kann man das Ganze als einen Trafo mit Mittelanzapfung betrachten, der auf Erde gelegt wird. Wenn man nun einfach den unteren Abgang von MOT4 auf Erde legen würde, wäre die Ausgangsspannung zwar immer noch 8kV, aber MOT1 müsste dann eben diese vollen 8kV gegen seinen Kern isolieren! Das kann er im Normalfall nicht, dafür ist die Isolation zu schwach. >Es ist doch besser, wenn ich keine habe (wegen der Galvanischen >Trennung) oder? Jaja, oder! Mein guter Rat. Lass die Finger von dieser Konstruktion, die ist mehr als gefährlich und für Leute wie dich, mit extrem dünnem Wissen erst recht.
So wie die Schaltung oben gezeichnet ist kannst du gleich 2 Trafos rausnehmen (weil bei Trafo2 die Primärwicklung verpolt ist).
Quatsch, es ist noch schlimmer. Es kommt gar nichts hinten raus, weil jeweils 2 Trafos gegenüber den anderen 2 primärseitig verpolt sind und sich somit die Sekundärspannungen aufheben.
Mit 4 Trafos gibt es schon fast sicher Überschläge zu den Kernen hin. Selbst mit 2 Trafos wäre es fraglich, sobald man die Verbindung zum Kern hin auftrennt. Es ist nicht gesagt, daß diese Stelle auch auf 2KV gegenüber dem Kern isoliert ist. Bei 2 Trafos kann man allerdings die Kernverbindung beider Trafos geschlossen lassen, und dafür primär verpolen...das ist die einzig sinnvolle Methode.
Hallo Falk Brunner, dank deiner Hilfe habe ich alles Verstanden, bis auf eines: Die Kernverbindung von MOT1 & MOT4 muss doch nicht aufgetrennt werde, wenn ich: 1. Keine Erdung am Eisenkern angeschlossen habe. 2. Wenn der Trafo auf einem Holzbrett montiert ist. Wo soll ich hier einen Bezug zur Masse haben? Der Rest ist mir nun klar!
@ Helpme91 (Gast) >Die Kernverbindung von MOT1 & MOT4 muss doch nicht aufgetrennt werde, >wenn ich: >1. Keine Erdung am Eisenkern angeschlossen habe. >2. Wenn der Trafo auf einem Holzbrett montiert ist. Theoretisch stimmt das, praktisch heißt das aber, dass dein Eisenkern und Hochspannung steht! Das ist nicht nur gefährliche wegen der Berührung, sondern ggf. erzeugt das auch mehr Stress für die Wicklungsisolation, je nachdem, wie das alles aufgebaut ist. Es hat schon deinen Sinn, warum der Eisenkern sekundärseitg geerdet ist.
Danke dass du mir das erklärt hast! Mir ist noch etwas eingefallen: Das Antiparallelschalten der zwei Trafopaare (MOT1&MOT2 zu MOT3&MOT4) macht man deshalb, damit ich pro Trafopaar gemessen zwischen dem Ausgang und der Erdung jeweils 4kV herausbekomme. Daher habe ich zwischen beiden Ausgängen der beiden Trafopaare 8kV. Stimmt das so?? Danke nochmal!
Falk Brunner schrieb: > Es hat > schon deinen Sinn, warum der Eisenkern sekundärseitg geerdet ist. Genau so ist es. Daher max. 4KV möglich.
@ Helpme91 (Gast) >Das Antiparallelschalten der zwei Trafopaare (MOT1&MOT2 zu MOT3&MOT4) >macht man deshalb, damit ich pro Trafopaar gemessen zwischen dem Ausgang >und der Erdung jeweils 4kV herausbekomme. Daher habe ich zwischen beiden >Ausgängen der beiden Trafopaare 8kV. >Stimmt das so?? Nein. Wie ArnoR schon schrieb, gibt das einen satten Kurzschluss. Nee, es gibt in Summe nahezu 0V am Ausgang! ;-) Die Trafos müssen primär alle phasengleich parallel geschaltet werden und sekundär alle phasenrichtig in Reihe.
Hier ein Link bezüglich Antiparallelschaltung von MOT's: Link: [http://www.sr71.dyndns.info/info--teslacoil.php]
Helpme91 schrieb: > Hier ein Link bezüglich Antiparallelschaltung von MOT's: > > Link: [http://www.sr71.dyndns.info/info--teslacoil.php] Bist du sicher, dass die Isolation der Primärspule dafür ausgelegt ist, dass an Eisenkern eine Spitzenspannung von 2.8kV anliegt?
auweia! Dafür sollte man dann aber tatsächlich einen gehobenen Bildungsweg eingeschlagen (und erfolgreich beendet) haben. Das führt sonst zu nichts... Das ist ja Lebensgefährlich. Allein die Verlustleistung, die im Vorwiderstand verheizt wird, lässt bei angemessenem Wirkungsgrad auf erhebliche Wirkleistung schließen! Um meinem Kind die gewaltige Kraft nahe zu bringen, die aus der Steckdose kommt, hatte ich spaßhalber vorgeschlagen, er solle sich den Schlauch vom Staubsauger innen Mund stecken und das Wohnzimmer saugen. Das war anschaulich genug...
AC/DC schrieb: > auweia! > Dafür sollte man dann aber tatsächlich einen gehobenen Bildungsweg > eingeschlagen (und erfolgreich beendet) haben. Das führt sonst zu > nichts... Nee... DDR Schulbildung an einer POS reicht dafür aus. Gruß, Holm
Bitte melde dich an um einen Beitrag zu schreiben. Anmeldung ist kostenlos und dauert nur eine Minute.
Bestehender Account
Schon ein Account bei Google/GoogleMail? Keine Anmeldung erforderlich!
Mit Google-Account einloggen
Mit Google-Account einloggen
Noch kein Account? Hier anmelden.
