Hallo! Ich habe eine Steuerungsplatine mit einem verbauten Atmega1284 und allerley Peripherie. Nun habe ich, um den Programmablauf zu stoppen und mal in Ruhe hier und da messen zu können, den Chip einfach per ISP gelöscht. Un nu merke ich, dass das Ding förmlich am Glühen ist, sich nicht wieder flashen lässt- auch bei Einsatz in ein STK600 quittiert dieses den Dienst mit einer roten Lampe. Wenn ich auch durch das Löschen allen Beinchen die I/O-Definition entzogen habe- heißt das denn gleich dass man so sensibel auf Spannung von aussen reagiert?!
Hallo Stephan, Stephan R schrieb: > Wenn ich auch durch das Löschen allen Beinchen die I/O-Definition > entzogen habe- in dem Sinne, wie Du das schreibst, kannst Du die I/O-Definition nicht entziehen. Im Datenblatt stehen die Default-Werte der Register - insbesondere des DDR und des Port-Registers. Durch das löschen stehen im gesamten Speicher 0xFF, was ein NOP-Befehl ist, so das sich daran auch nichts mehr ändert. > heißt das denn gleich dass man so sensibel auf Spannung > von aussen reagiert?! Dazu müsste man mal Deine Schaltung sehen. Gruß
Stephan R schrieb: > Nun habe ich, um den Programmablauf zu stoppen und mal in Ruhe hier und > da messen zu können, den Chip einfach per ISP gelöscht. Gibts also auch etwas zu Messen, wenn der uC nicht läuft? Heisst also nicht deine ganze Anwendung ist vom uC Abhängig? Sonst gäbe dieser Schritt ja ziemlich wenig Sinn. Stephan R schrieb: > Wenn ich auch durch das Löschen allen Beinchen die I/O-Definition > entzogen habe Standardwerte im Datenblatt nachschauen. Stephan R schrieb: > heißt das denn gleich dass man so sensibel auf Spannung > von aussen reagiert?! Schaltplan bitte Stephan R schrieb: > Doofer Controller = toter Controller? Der Controller ist meist so schlau wie sein Anwender. :P
Bitflüsterer schrieb: > Durch das löschen stehen im gesamten Speicher 0xFF Danke für die Info San Lue schrieb: > Gibts also auch etwas zu Messen, wenn der uC nicht läuft? Japp, Linearregler. Schaltplan kommt gleich.
Nach einem Reset sind bei allen AVRs die IOs hochohmige Inputs. Da kann nichts glühen. Ansonsten hat der 1284 noch den AREF-Pin, der steht intern auf "AREF". Dabei verträgt der VCC, also glüht da auch nix. Die Nops im Flash bringen den Controller auch nicht zu glühen. Ergo hast du beim löschen was falsch gemacht... Oliver
Oliver S. schrieb: > Ergo hast du beim löschen was falsch gemacht... Ich habe beim AtmelStudio auf ERASE geklickt. Kann man da was falsch machen?
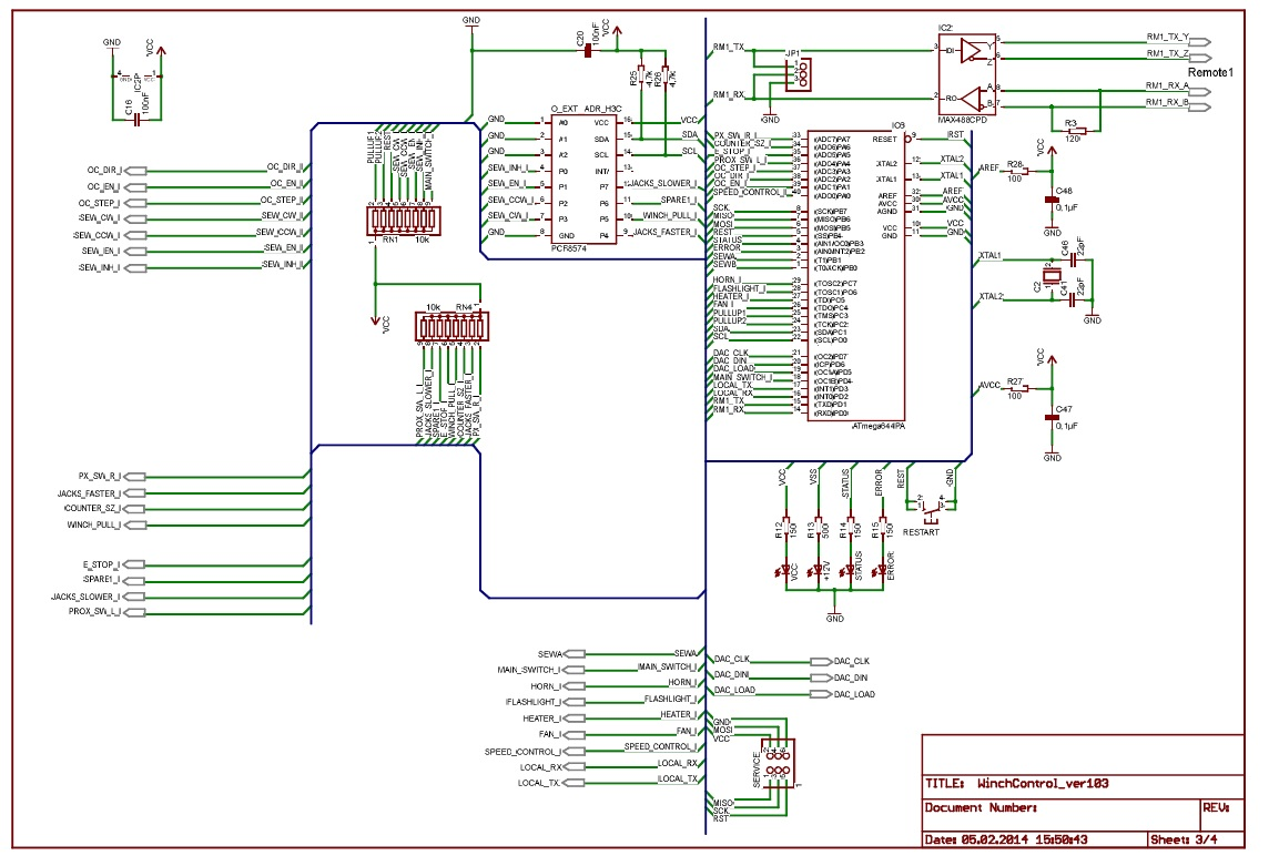
Im linken Bild finde ich nicht, wo GND von den beiden Festspannungs- reglern ist. Der GND A zwischen den beiden 100nF Kondensatoren ist auch nicht so vertrauenerweckend... MfG Paul
Paul Baumann schrieb: > Im linken Bild finde ich nicht, wo GND von den beiden Festspannungs- > reglern ist. Der GND A zwischen den beiden 100nF Kondensatoren ist > auch nicht so vertrauenerweckend... GNDA ist Gehäuse, die C darum bilden einen Pi- Filter. Das GND fehlt tatsächlich, aber nur zeichnerisch. Sry.
Hallo Stefan, Stephan R schrieb: > Paul Baumann schrieb: >> Im linken Bild finde ich nicht, wo GND von den beiden Festspannungs- >> reglern ist. Der GND A zwischen den beiden 100nF Kondensatoren ist >> auch nicht so vertrauenerweckend... > > GNDA ist Gehäuse, die C darum bilden einen Pi- Filter. > Das GND fehlt tatsächlich, aber nur zeichnerisch. Sry. das glauben wir mal :-), aber willst Du nicht doch lieber im Layout nachprüfen, ob GND mit den Reglern verbunden ist? Wenn das im Schaltplan nicht vorhanden ist ("nur zeichnerisch") dann ist auch im Ratsnest keine Verbindung gewesen ("aber doch elektrisch"). Nur so eine Idee. P.S. Paul bekommt von mir die goldene Lupe verliehen. :-)
Bitflüsterer versprach:
>P.S. Paul bekommt von mir die goldene Lupe verliehen. :-)
Golden ist gut -das finde ich eine glänzende Idee!
;-)
MfG Paul
Bitflüsterer schrieb: > aber willst Du nicht doch lieber im Layout > nachprüfen, ob GND mit den Reglern verbunden ist? Die Platine läuft seit Monaten tadellos!
Stephan R schrieb: > Bitflüsterer schrieb: >> aber willst Du nicht doch lieber im Layout >> nachprüfen, ob GND mit den Reglern verbunden ist? > > Die Platine läuft seit Monaten tadellos! (Bis vor einer Stunde)
Hallo Stefan, Stephan R schrieb: > Stephan R schrieb: >> Bitflüsterer schrieb: >>> aber willst Du nicht doch lieber im Layout >>> nachprüfen, ob GND mit den Reglern verbunden ist? >> >> Die Platine läuft seit Monaten tadellos! > > (Bis vor einer Stunde) Tja. Dann wird's knifflig. Ich sehe im Schaltplan nichts auffälliges. Allerdings würde ich meinen Augen ein wenig mehr Auflösung wünschen. Möglicherweise habe ich was übersehen. Ich nehme allerdings an, das Du mit einer trivialen Möglichkeit gerechnet hast, auf die Du nur gerade nicht kommst oder die Du im Datenblatt überlesen hast. Tut mir leid, sowas existiert (meines Wissens) nicht. Vielleicht irgendein IC, das mit Tristate an einem seiner Pins nicht klarkommt und es unter den Umständen irgendwie schafft Strom in den AVR zu drücken. Bin allerdings zu faul da jedes Teil nachzuprüfen. Es bleibt noch die Möglichkeit, dass Du den AVR unglücklich zerschossen hast. Ist allerdings eher unwahrscheinlich. Ansonsten bleibt wohl nichts weiter übrig, als die übliche Vorgehensweise. Alles abtrennen, messen und stückweise wieder 'ranklemmen. Vielleicht vorher mal messen welchen Weg der Strom eigentlich nimmt.
Danke Bitflüsterer! Bitflüsterer schrieb: > Bin allerdings zu faul da jedes Teil nachzuprüfen. Zisses Bitflüsterer schrieb: > Ansonsten bleibt wohl nichts weiter übrig, als die übliche > Vorgehensweise. Alles abtrennen, messen und stückweise wieder > 'ranklemmen. Ich habe den 1284 rausgenommen und in den DIP-Adapter des STK600 gesteckt. Obendrauf balanciert mein Kaffee zum Warmhalten, so scheiße heiß ist das Teil, ohne Programm, ohne irgendwas. Sachen gibts. Schnell zu farnell!
Stephan R schrieb: > Danke Bitflüsterer! Bitteschön. Teile ich mit Paul, den Dank. > Bitflüsterer schrieb: >> Bin allerdings zu faul da jedes Teil nachzuprüfen. > > Zisses :-) > Ich habe den 1284 rausgenommen und in den DIP-Adapter des STK600 > gesteckt. Obendrauf balanciert mein Kaffee zum Warmhalten, so scheiße > heiß ist das Teil, ohne Programm, ohne irgendwas. Typischer Fall von unvollständigen Angaben. Welche Kaffeesorte? :-)
Bitflüsterer schrieb: > Typischer Fall von unvollständigen Angaben. Welche Kaffeesorte? :-) Dallmeyr Prodomo. Aber nur weil der im Angebot war.
Stephan R schrieb: > Bitflüsterer schrieb: >> Typischer Fall von unvollständigen Angaben. Welche Kaffeesorte? :-) > > Dallmeyr Prodomo. Aber nur weil der im Angebot war. Na dann ... ist mir alles klar. :-) Viel Erfolg.
Ich kenne die Schaltung des STK600 nicht. Aber mein STK500 betreibe ich mit einem 300mA Steckernetzteil, da kann nichts heiß werden. Im schlimmsten Fall gehen die LEDs aus, wenn das Target Kurzschluß hat oder im falschen Sockel steckt. Falls man das STK mit einem 12V PC-Netzteil betreibt, könnte man vielleicht durch Schaden klug werden. Eine Möglichkeit, den AVR zu zerschießen ist, wenn Zielschaltung und PC Erdschleifen bilden, die können dann beim Verbinden mehrere A fließen lassen. Auf Arbeit benutze ich daher einen USB-Trenner. Zu Haues sollte man mal den Schutzleiter prüfen und GND immer zuerst anstöpseln.
Bitte melde dich an um einen Beitrag zu schreiben. Anmeldung ist kostenlos und dauert nur eine Minute.
Bestehender Account
Schon ein Account bei Google/GoogleMail? Keine Anmeldung erforderlich!
Mit Google-Account einloggen
Mit Google-Account einloggen
Noch kein Account? Hier anmelden.


