Hallo ich arbeite im Moment an einem Ladegerät, dass unter anderem Li-* Akkus laden kann. Da die Kapazitäten der Accus sehr unterschiedlich sein können hätte ich gerne die Möglichkeit den Ausgleichsstrom ein zu stellen. Dieser könnte dann z.b. wie im Bild angedeutet durch den Battery-Manatgement-IC (MAX14920) für die einzelnen Zellen ein oder ausgeschaltet werden. Der Strom muss nicht für jede Zelle einzeln steuerbar sein. Im Prinzip währen auch 3 Stromstufen schon ausreichend, aber richtig Analog einstellbar wehre noch schöner. Die grobe Idee war bisher. Mit einem FET und einem OPV eine Stromquelle zu Bauen und den Wehrt dann auf eine der folgenden arten zu übertragen. Digitalporti mit Potential getrenntem Interface PWM Signal über Optokoppler Mittels linear Optokoppler Über Strom-Spiegel (vermutlich schwer diskret zu realisieren) ich freue mich auf eure Vorschläge
> Christoph Wiesmeier schrieb: > Da die Kapazitäten der Accus sehr unterschiedlich sein > können hätte ich gerne die Möglichkeit den Ausgleichsstrom ein zu > stellen. Hallo, ich verstehe den Sinn der Sache nicht? Wenn eine Zelle voll ist, muß bei Überschreiten der der Ladeendspannung ein (passive) Balancer den Ladestrom übernehmen bzw, die Zelle überbrücken Umschalten muß man da IMHO nicht. Gruß Öletronika
Ja so wie ich das sehe gibt es im wesentlichen 2 Varianten für passive Balancer. Die Erste ist eine Schaltung zu verwenden welche die Zellenspannung limitiert. Und gegebenenfalls den gesamten Ladetrom übernimmt. Ein Beispiel dafür ist der KC LiPo Balancer ( http://www.kc-world.de/LiPo-Balancer.htm ). In diesem Fall muss der Balancer hohe Leistungen verheizen können oder gegebenenfalls am ende der Ladestrom Reduziert werden sobald die erste Zelle voll wird. Aber das für mich noch größere Problem ist dass z.B. Li-Ion und Li-Po unterschiedliche Ladeendspannungen aufweisen. Und ich somit wieder die Spannung an die Batteriechemie anpassen muss. Die Zweite Variante ist die Zellen mit hoher Spannung Über einen Widerstand zu entladen. Dies ist z.b. Beim von mir verwendeten Batterie-Management-Chip vorgesehen (Seihe Bild). Dies ist meines Wissens auch was in fast allen Modellbau Ladegeräten eingebaut ist. Hierbei ist jedoch der Balancer Strom durch die Zellenspannung fix vorgegeben. Und je nachdem ob man einen 0.5Ah oder einen 20Ah Akku lädt ist eine fixe Wahl des Balancer-Stromes schwierig. Wobei ich zugeben muss dass im angegebenen Beispiel 0.5-20Ah wo möglich in allen Fällen funktioniert. Wehre trotzdem schön ein einstellen zu können.
Ja leider bin ich besser beim machen von Rechtschreibfehlern als mein Browser im finden. ;)
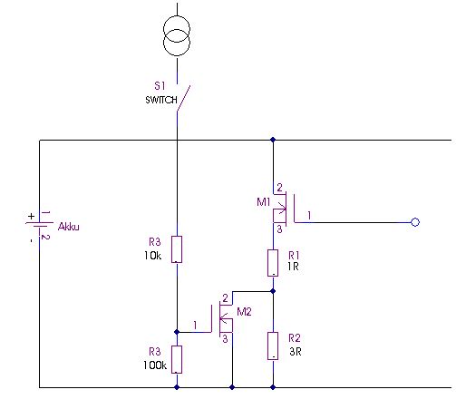
> Christoph Wiesmeier schrieb: > Wehre trotzdem schön ein einstellen zu > können. Hallo, ok, ich verstehe. Da hätte ich eine Idee. Wie oben im Bild zu sehen, kann man mit einem weiteren FET einen Teil des Lastwiderstandes überbrücken und damit den Ausgleichstrom erhöhen. Alle diese zusätzlichen in Reihe geschalteten FET sollen dann natürlich global geschaltet werden. Gruß Öletronika
Bitte melde dich an um einen Beitrag zu schreiben. Anmeldung ist kostenlos und dauert nur eine Minute.
Bestehender Account
Schon ein Account bei Google/GoogleMail? Keine Anmeldung erforderlich!
Mit Google-Account einloggen
Mit Google-Account einloggen
Noch kein Account? Hier anmelden.


