Der 7711A wird per VCO 1:1000 durchgestimmt. Der große Drehknopf mit Inkrementalgeber wird per Controller erfasst. Wenn man eine höhere Frequenz möchte wird mehr Spannung auf den VCO gegeben. Wenn es über den Bereich hinausgeht werden per Relais Kondensatoren umgeschaltet. Das Konzept hat eine Temperaturdrift. Auf dem eingebauten Frequenzzähler läuft die Frequenz temperaturabhängig weg. Um die Drift abzustellen gibt es die PLL-Betriebsart. Dazu drückt man eine Taste unterhalb der Frequenzverstellung um die PLL einzurasten. Im Display erscheint dabei eine längere Anzeige mit der Frequenz auf die die PLL rasten soll. Am Drehknopf kann man diese verstellen. Soweit so gut. Nur leider spinnt die PLL. Anfangs schien Tuner 600-Spray auf die Potis im Gerät zu helfen. Nun leider nicht mehr. Beim Drücken auf PLL spingt die Frequenz auf einen höheren Wert weg und jittert. Im Servicemanual ist von 2 Trimmern die Rede - die man auf 5:00 stellen soll. Das hilft leider nicht. Es fragt sich was da faul ist. Auf dem PLL-board sind 2 HC4046-PLL-Bausteine verbaut - SMD. Den einen habe ich getauscht - leider ohne Erfolg. Vielleicht hat jemand eine Idee? Wer kann zu dieser Schaltung etwas sagen?
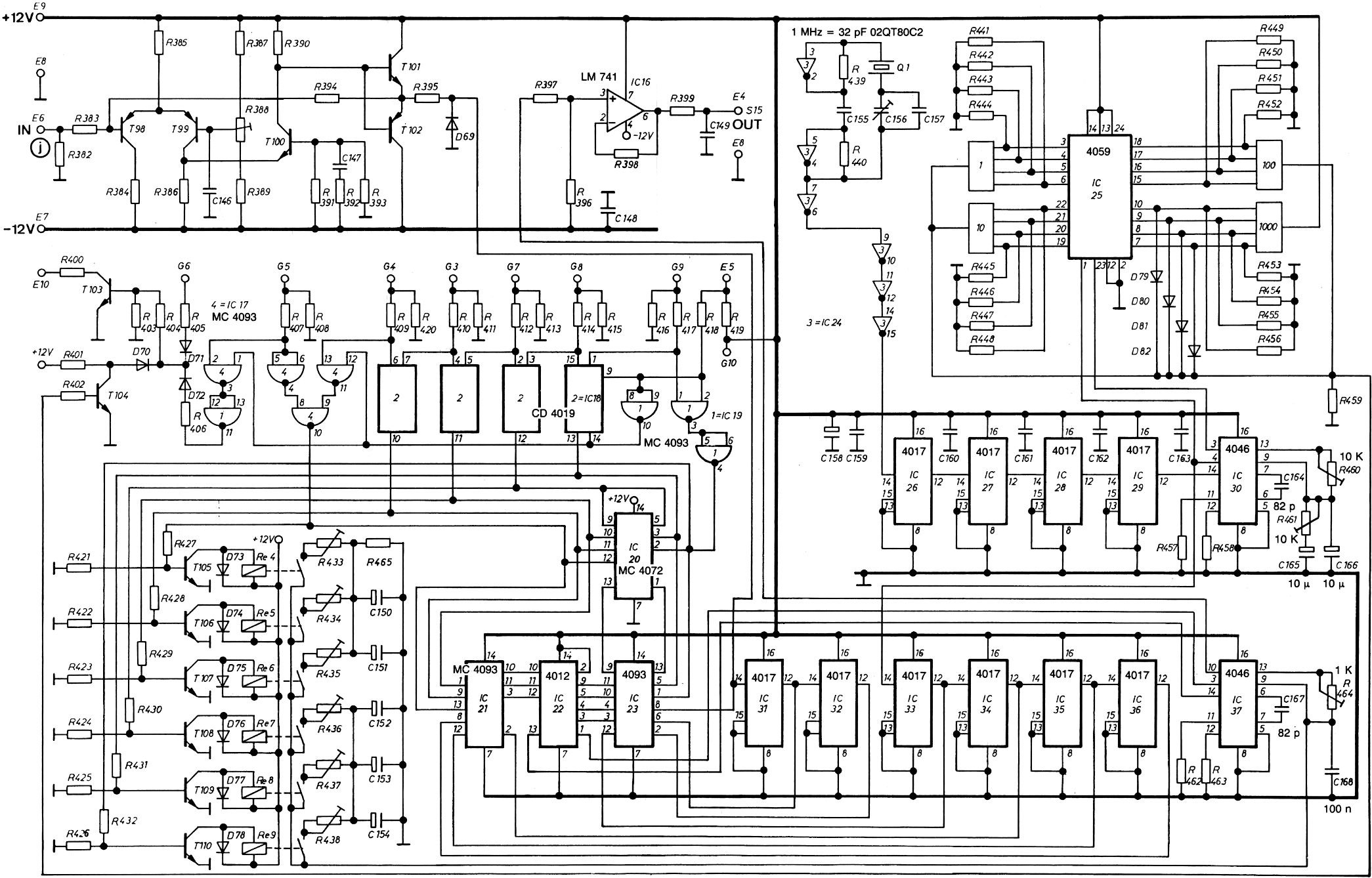
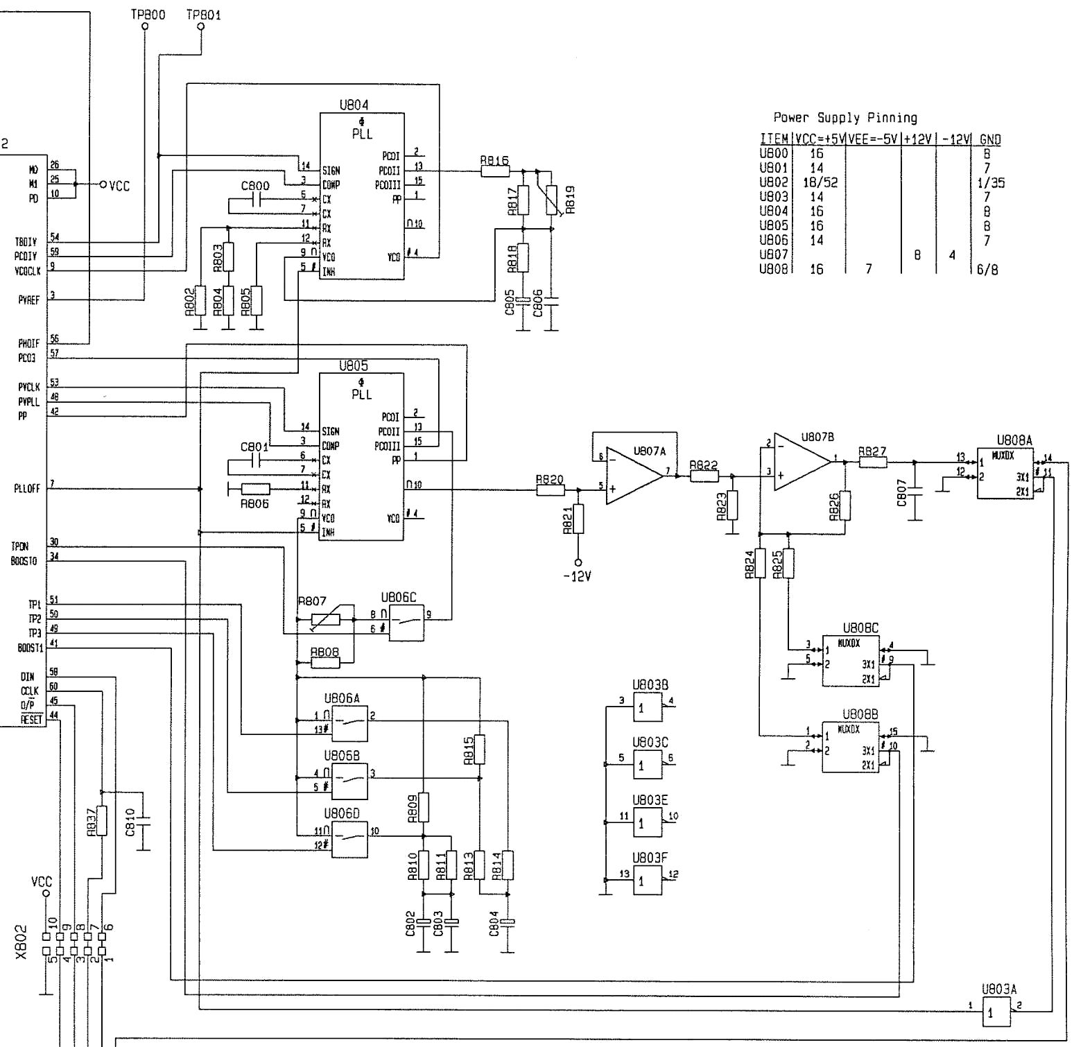
Hier ein Schaltplanausschnitt und die Platine. Der Baustein ganz links ist ein FPGA von Xylinx (U802). Es gibt 2 PLL-Bausteine HC4046 U804 und U805. Am unteren hängen am Ausgang OP-Verstärker U807 und ein HC8053-Analogschalter U808. Der CMOS-Schalter U806 ist ein HC4066. Das Ziel ist nun Abweichungen von der Sollfrequenz zu erkennen und am Ausgang Pin14 von U808A ganz rechts eine Korrekturspannung an den VCO zu liefern. Nur leider klappt da eben etwas nicht richtig. Es ist schwer an der Schaltung zu messen, weil noch die AM-Platine davor sitzt. An SMD-Pins kann man leicht abrutschen und Kurzschlüsse verursachen. Am FPGA hängt auch ein TCXO-10MHz-Oszillator (Y800). Der wird vermutlich im FPGA U802 heruntergeteilt für den Vergleich im PLL-Baustein. Die eingestellte Sollfrequenz im Display wird über Bus dem FPGA übermittelt. So vermute ich. Wo klemmt es da? Wer hat eine Idee?
In früheren Geräten war diese PLL-Schaltung diskret aufgebaut. Einen Plan habe ich dazu. Daraus könnte besser zu erkennen sein wie das arbeitet.
Matthias W. schrieb: > Anfangs schien Tuner 600-Spray > auf die Potis im Gerät zu helfen. Nun leider nicht mehr. Warum schaust Du Dir nichtmal das Poti an? Wie kommst Du auf die Idee, der 4049 wäre kaputt? Matthias W. schrieb: > Der wird vermutlich > im FPGA U802 heruntergeteilt für den Vergleich im PLL-Baustein. Vermutlicht nicht bzw. vermutlich nicht nur. Um eine Schaltung zu debuggen, muß man sie eigentlich erstmal verstanden haben. Eigentlich deshalb, weil man auch mit Glück den Fehler finden kann. Was hast Du für Messmittel zur Verfügung? Kannst Du evtl. einen zweiten Generator besorgen, um eine Refernez zu haben? Daniel
Daniel schrieb: > Warum schaust Du Dir nichtmal das Poti an? Gute Idee. Bisher schienen mir die Potis unverdächtig. Es sind ja viele in diesem Gerät. Es war nicht klar welches Poti Besserung gebracht hatte. Jedenfalls schien der Jitter nach dem Sprayeinsatz geringer. Laut Service-Anleitung soll man die Potis erst mal auf 5:00 stellen. Das Drehen an den Potis auf der PLL-Platine schien keinen Effekt zu haben. Es sind keramische Potis mit offener Mechanik - unverwüstlich? Natürlich kann ich auslöten und vermessen. Soll ich das tun? Ein Sprung in der Keramik? > Wie kommst Du auf die Idee, der 4049 wäre kaputt? Du meinst den 4046? Das ist einer der beiden PLL-Bausteine. In einem Reparaturbericht einer elektronischen Last las ich daß der 4046 dort defekt war. Da dachte ich - vielleicht ist das hier auch der Fall. Es sind ja nicht so viele Teile sonst noch da. > Um eine Schaltung zu debuggen, muß man sie eigentlich erstmal verstanden > haben. ja Daniel. Das ist sicher hilfreich. Nur leider fällt mir das schwer. Scheinbar wird die 10MHz-Referenz auf ~22kHz heruntergeteilt. Die andere PLL bezieht sich dann wohl darauf? > Eigentlich deshalb, weil man auch mit Glück den Fehler finden kann. auf Glück hatte ich gesetzt beim Austausch des oberen 4046. Leider vergebens. Es könnte auch der untere 4046 sein. Im Netz fand ich einen Artikel zum 4046: http://www.elektronik-kompendium.de/public/schaerer/pll4046.htm. Demnach sollte der Takt in Pin 14 hinein kein Rechteck zwischen 0 und VCC sein. Ob das hier eine Rolle spielt? > Was hast Du für Messmittel zur Verfügung? Oszilloskop. Zähler. Generator bis 50MHz. > Kannst Du evtl. einen zweiten Generator besorgen, um eine Refernez zu > haben? ja. Danke Daniel !
Zum besseren Verständnis hier ein Plan der PLL des Vorgängergeräts. Eben diese Schaltung kam dann weiterentwickelt in die neueren Geräte - siehe oben. Diverse Gatter verschwanden im FPGA.
Hier die 3 Kurzbeschreibungen und die Abgleichprozedur.
Matthias W. schrieb: > Um die Drift abzustellen gibt es die PLL-Betriebsart. Drift komplett abstellen geht sicher nicht, aber der Taktgeber, der die PLL speist, driftet hoffentlich etwas weniger. Matthias W. schrieb: > Oszilloskop. Zähler. Generator bis 50MHz. Wenn Du damit umgehen kannst, sollte sich was machen lassen. Matthias W. schrieb: > Beim Drücken > auf PLL spingt die Frequenz auf einen höheren Wert weg und jittert. Wo im 'alten' Schaltplan finde ich die Umschaltung auf den PLL-Modus? Hast Du bei Dir im Gerät, den Oszillator schon ausfindig gemacht? Laut Schaltplan geht der ja über mehrere Negatoren. Findet man dort die 1 MHz an den Ausgängen wieder (Oszi)? Daniel
Daniel schrieb: > Wo im 'alten' Schaltplan finde ich die Umschaltung auf den PLL-Modus? der dargestellte Plan ist die PLL-Schaltung mit den BCD-Schaltern rechts oben, den beiden PLL-chips rechts und den 4017-Teilern. Bei der Umschaltung wird dieser Schaltungsteil aktiviert - d.h. das DC-Korrektursignal wird dann zum VCO des eigentlichen Generatorteils durchgeschaltet. > Hast Du bei Dir im Gerät, den Oszillator schon ausfindig gemacht? ja. Im moderneren Gerät ist das kein 1MHz-Takt mehr so wie bei der alten Schaltung, sondern ein TCXO-Oszillator im Blechgehäuse mit einem Loch zum Einstellen. > Laut Schaltplan geht der ja über mehrere Negatoren. im alten Plan. Dieses Gerät habe ich jedoch nicht. > Findet man dort die 1 MHz an den Ausgängen wieder (Oszi)? Diese 1MHz kann ich mangels Gerät nicht messen. Vielleicht hat jemand anders so ein Gerät? Messen kann ich am Ausgang des TCXO-Oszillators des neuen Geräts. Da sollten 10MHz stehen.
Matthias W. schrieb: > der dargestellte Plan ist die PLL-Schaltung mit den BCD-Schaltern rechts > oben, Ah ok. Hatte gedacht, das sind die Anzeigen. Also BCD-Eingabe + Teiler, gut. Wieviele Stellen hat Dein Gerät? Auch vier? > sondern ein TCXO-Oszillator im Blechgehäuse mit einem Loch > zum Einstellen. Finger bzw. Schraubendreher weg, von dem Löchlein! Dort muß erstmal nix verdreht werden. > Messen kann ich am Ausgang des TCXO-Oszillators des > neuen Geräts. Da sollten 10MHz stehen. Und stehen da auch die 10 MHz? Danach kommt im 'alten' Gerät mehrere dekadische Teiler, um da 1 kHz draus zu machen? Wie sind die Teiler im 'neuen' Gerät realisiert? Diskret oder im FPGA/CPLD? Wie sieht das Signal am Pin 14 vom oberen 4046 in Deinem Gerät aus (Freuqenz/Spannung/Amplitude/Duty-Cycle)? Daniel
Daniel schrieb: > Wieviele Stellen hat Dein Gerät? Auch vier? Im PLL-Betrieb wird eine Stelle mehr angezeigt. Beispiel: Ohne PLL 156.0 kHz. Mit PLL 156.00 kHz. Ohne PLL 1.639 MHz mit PLL 1.6390 MHz. Beim Drücken PLL läuft die Frequenz weg: PLL 156.00 kHz -> 172.9 - 173 kHz driftet PLL 1.6390 MHz -> 1.80 - 1.82 MHz driftet PLL 16.430 kHz -> 18.06 - 18.09 kHz driftet PLL 10.000 kHz -> 11.62 - 11.46 kHz driftet > Finger bzw. Schraubendreher weg, von dem Löchlein! Dort muß erstmal nix > verdreht werden. da habe ich gedreht. Das brachte nicht mehr Stabilität. > Und stehen da auch die 10 MHz? ja. Die stehen. Erst die 7 oder 8 Stelle tut mal was. Mit dem Trimmer kann man das präzise einstellen. An diesem Oszillator scheint das nicht zu hängen. > Danach kommt im 'alten' Gerät mehrere dekadische Teiler, um da 1 kHz > draus zu machen? es sind 4017 verbaut. Die teilen von 1 MHz herunter. > Wie sind die Teiler im 'neuen' Gerät realisiert? > Diskret oder im FPGA/CPLD? im FPGA. Das teilt von 10 MHz herunter. > Wie sieht das Signal am Pin 14 vom oberen > 4046 in Deinem Gerät aus (Freuqenz/Spannung/Amplitude/Duty-Cycle)? exakt 500Hz. 5Vss. 50% Tastverhältnis. Matthias
es sieht ja fast so aus als ob vielleicht die Nachführung der Frequenz nicht klappt. Es gibt da ja eine Steuerspannung die zurückgeführt wird zum VCO des Generators selbst. Wenn es dort hängt . . . Diese Spannung läuft über die Hauptplatine.
Matthias W. schrieb: > Im PLL-Betrieb wird eine Stelle mehr angezeigt. Die Anzeige ist erstmal egal. Die Frage ist ob Du die PLL-Frequenz mit vier oder mit fünf Stellen einstellen kannst. Wie ist die Schrittweite bei der PLL-Frequenzerzeugung? > Beim Drücken PLL läuft die Frequenz weg: > PLL 156.00 kHz -> 172.9 - 173 kHz driftet > PLL 1.6390 MHz -> 1.80 - 1.82 MHz driftet > PLL 16.430 kHz -> 18.06 - 18.09 kHz driftet > PLL 10.000 kHz -> 11.62 - 11.46 kHz driftet Was verstehst Du unter 'driftet'? >> Finger bzw. Schraubendreher weg, von dem Löchlein! Dort muß erstmal nix >> verdreht werden. > da habe ich gedreht. Das brachte nicht mehr Stabilität. Dussel. Es gibt kein Poti für 'Stabilität'. Jetzt ist Deine Referenzfrequenz flasch. Statt 10,000010 MHz hast Du jetzt vielleicht 10,001000. >> Und stehen da auch die 10 MHz? > ja. Die stehen. Erst die 7 oder 8 Stelle tut mal was. Mit dem Trimmer > kann man das präzise einstellen. An diesem Oszillator scheint das nicht > zu hängen. Das habe ich auch nicht vermutet. Aber wenn Dein Auto nicht fährt guckst Du ja auch nach, ob Benzin drin ist und suchst nicht den Fehler in der Programmierung des Motorsteuergerätes. Mit anderen Wort, man schaut sich erstmal an, ob die offensichtlichen Kriterien für die Funktion erfüllt sind. > im FPGA. Das teilt von 10 MHz herunter. >> Wie sieht das Signal am Pin 14 vom oberen >> 4046 in Deinem Gerät aus (Freuqenz/Spannung/Amplitude/Duty-Cycle)? > exakt 500Hz. 5Vss. 50% Tastverhältnis. Gut. Also von 10 MHz auf 500 Hz. Ist das zufällig auch die Schrittweite, die Deine PLL-Frequenzrrzeugung zulässt? Im nächsten Schritt wäre zu prüfen, ob die Versorgungsspannung in Ordnung sind. Gerade am 4046, Pin 16. Außerdem sollten an Pin 3 vom 4046 auch 500 Hz anliegen. Welche Amplitude und welches Tastverhältnis hat das Signal? Sind die auch stabil, oder driftet dort was? Daniel
Daniel schrieb: > Die Frage ist ob Du die PLL-Frequenz mit > vier oder mit fünf Stellen einstellen kannst. Jetzt ist es mir aufgefallen. Dein Gerät hat ja den Inkrementalgeber. Also ist nur die Schrittweite interessant. Das 'alte' Gerät hatte dafür offenbar 2x4 Taster, um die Frequenz in kHz einstellen zu können. Daniel
Daniel schrieb: > Dein Gerät hat ja den Inkrementalgeber. ja Daniel. Das Bild zeigt das neueste Gerät mit der hellen Frontplatte. Meines ist eine Vorgängervariante. Das "Modify"-Stellrad ist der Inkrementalgeber. Im Bild leuchtet "Freq" und "PLL". Das ist also der PLL-Betrieb. > Also ist nur die Schrittweite interessant. jede angezeigte Stelle im Display kann verändert werden - auch die letzte. Über die Taste oberhalb der Range-Tasten lässt sich das auswählen. > Das 'alte' Gerät hatte dafür offenbar 2x4 Taster, um die Frequenz in kHz > einstellen zu können. hier ist das alte Gerät mit dem BCD-Schalteraggregat zu sehen: http://www.wie-tec.de/images/product_images/popup_images/2191_0.jpg Im Frequenzbereich 1M sind so von 0.001 bis 9.999 MHz bei eingeschalteter PLL einstellbar. Das untere Frequenz-Display wird dabei abgeschaltet. Matthias
Matthias W. schrieb: >> Also ist nur die Schrittweite interessant. > jede angezeigte Stelle im Display kann verändert werden - auch die > letzte. Aber nur zwischen 0 und 5, oder? Das würde zumindest zu den 500 Hz passen. Die eigentliche Ausgangsfrequenz wird dann über die zweite PLL gemacht. Daniel
Daniel schrieb: > Aber nur zwischen 0 und 5, oder? Nein - von 0-9. > Die eigentliche Ausgangsfrequenz wird dann über die zweite PLL gemacht. das ist zu vermuten.
Daniel schrieb: > Wie ist die Schrittweite bei der PLL-Frequenzerzeugung? die letzte angezeigte Stelle lässt sich verändern. Bei Einstellung PLL 156.00 kHz ist die Schrittweite also 10Hz. >> PLL 10.000 kHz -> 11.62 - 11.46 kHz driftet > Was verstehst Du unter 'driftet'? die Frequenz läuft am externen Zähler deutlich sichtbar weg. >> da habe ich gedreht. Das brachte nicht mehr Stabilität. > Dussel. so dumm war Dein Hinweis auf den Oszillator nicht. Bisweilen machen Potis Kontaktprobleme. Defekte Potis sollte man tauschen. Es war sinnvoll zu prüfen wie brauchbar dieses Poti noch ist. > Es gibt kein Poti für 'Stabilität'. klar. Nur wird die Frequenz instabil wenn das Poti keinen stabilen Wert mehr liefert. Mehrfach den Bereich durchdrehen kann zumindest kurzzeitig helfen. Bei der Zeitbasis am Oszi war das so. > Jetzt ist Deine Referenzfrequenz flasch. Genauer als mein Zähler muss die nicht sein. Zudem kenne ich jemanden mit einem Frequenznormal. > Gut. Also von 10 MHz auf 500 Hz. Ist das zufällig auch die Schrittweite, > die Deine PLL-Frequenzrrzeugung zulässt? nein. Egal, ob ich den 10MHz-Bereich, den 1MHz-Bereich oder den 10kHz-Bereich wähle - es stehen immer 500Hz an der oberen PLL an. Am unteren PLL-Baustein könnte das anders sein. > Im nächsten Schritt wäre zu prüfen, ob die Versorgungsspannung in > Ordnung sind. Gerade am 4046, Pin 16. 5V sind da. 100mV Spikes mit 10MHz. Die Versorgung ist jedoch nahe am chip abgeblockt mit einem keramischen SMD C821. > Außerdem sollten an Pin 3 vom 4046 auch 500 Hz anliegen. Welche > Amplitude und welches Tastverhältnis hat das Signal? 500Hz sind da. 5Vss. 970ns kurze Pulse, das Tastverhältnis also sehr klein. > Sind die auch stabil, oder driftet dort was? keine Drift zu sehen.
Matthias W. schrieb: >> Was verstehst Du unter 'driftet'? > die Frequenz läuft am externen Zähler deutlich sichtbar weg. Nur in einer Richtung? Oder auch wieder zurück? Linear? Exponentiell? Logarithmisch? Oder eher zufällig? Oder springt sie zwischen zwei Werten? Wie schnell driftet die Frequenz? Innerhalb einer Sekunde oder eher über Stunden? Irgendwie muß mann Dir alles aus der Nase ziehen. > so dumm war Dein Hinweis auf den Oszillator nicht. Bisweilen machen > Potis Kontaktprobleme. Defekte Potis sollte man tauschen. Es war > sinnvoll zu prüfen wie brauchbar dieses Poti noch ist. Ja, das betrifft aber hauptsächlich Potentiometer, die für die Bedienung sind. Dort treten oft mechanische Belastungen auf, die zu kalten Lötstellen führen. >> Jetzt ist Deine Referenzfrequenz flasch. > Genauer als mein Zähler muss die nicht sein. Zudem kenne ich jemanden > mit einem Frequenznormal. Na gut, wenn Du Dir diesen Tatsachen bewusst bist, dann ist es o.k. >> Gut. Also von 10 MHz auf 500 Hz. Ist das zufällig auch die Schrittweite, >> die Deine PLL-Frequenzrrzeugung zulässt? > nein. Egal, ob ich den 10MHz-Bereich, den 1MHz-Bereich oder den > 10kHz-Bereich wähle - es stehen immer 500Hz an der oberen PLL an. Die Bereichsanpassung erfolgt später. Die 500 Hz müssten sich ändern, wenn Du innerhalb vom 'Bereich' was änderst. Das alte Gerät (http://www.mikrocontroller.net/attachment/226021/pll_schaltplan.gif) stellt mit IC 30 erstmal ein Vielfaches von 1 kHz zur Verfügung (je nach Teilerverhältnis am IC 25). > Am > unteren PLL-Baustein könnte das anders sein. Muß ja. Es sei denn Dir reichen 500 Hz ;-) >> Gerade am 4046, Pin 16. > 5V sind da. 100mV Spikes mit 10MHz. > >> Pin 3 vom 4046 > 500Hz sind da. 5Vss. 970ns kurze Pulse, das Tastverhältnis also sehr > klein. Dazu kann ich nix weiter sagen, aber vielleicht liest ja noch ein 4046/PLL-Experte mit. >> Sind die auch stabil, oder driftet dort was? > keine Drift zu sehen. Dann gucken wir mal weiter. Ich seh gerade: Im Schaltplan (http://www.mikrocontroller.net/attachment/225811/pll_schematic.gif) sind ja die Versorgungspannungen der einzelnen Schaltkreise angegeben (Power Supply Pin Planning). Dort würde ich nochmal nachmessen. Und zwar direkt an den Pins, nicht irgendwo anders. Im alten Schaltplan wird die Bereichsumschaltung ziemlich trickreich gelöst. Zum einen werden über logische Verknüpfungen Relais aktiviert und zum zweiten über weitere Verknüpfungen der Vervielfachungsfaktor der PLL eingestellt. Mit den Relais wiederum wird der Schwingbereich des VCO umgeschaltet. Hast Du noch 'mehr' Schaltplan von dem neueren Gerät? Wie ist das dort gelöst? Daniel
Daniel schrieb: >> die Frequenz läuft am externen Zähler deutlich sichtbar weg. > Nur in einer Richtung? Oder auch wieder zurück? Linear? Exponentiell? > Logarithmisch? Oder eher zufällig? Oder springt sie zwischen zwei > Werten? Wie schnell driftet die Frequenz? Innerhalb einer Sekunde oder > eher über Stunden? wenn da so einfach ein Muster zu sehen wäre. > Ja, das betrifft aber hauptsächlich Potentiometer, die für die Bedienung > sind. die Abgleichpotis im Oszi werden normalerweise selten bedient - beim Abgleich beim Hersteller oder Service. Und doch scheinen diese Potis nun mies. Die Zeitbasis lag daneben. Ohne mehrfaches Durchdrehen wurde sie nicht mehr stabil. Jemand sagte - schmeiß diese Potis raus. Das ist im Oszi sehr viel Aufwand weil die Platine zeitintensiv ausgebaut werden muss. > Dort treten oft mechanische Belastungen auf, die zu kalten > Lötstellen führen. klar. Das scheint bei den Abgleichtrimmern hier nicht der Fall. > Die Bereichsanpassung erfolgt später. Die 500 Hz müssten sich ändern, > wenn Du innerhalb vom 'Bereich' was änderst. das sieht nicht so aus. Ich vermute als Fehlerursache mittlerweile eher den Bereich um den 2. PLL-Baustein. > Ich seh gerade: Im Schaltplan > (http://www.mikrocontroller.net/attachment/225811/pll_schematic.gif) > sind ja die Versorgungspannungen der einzelnen Schaltkreise angegeben > (Power Supply Pin Planning). > Dort würde ich nochmal nachmessen. Und zwar direkt an den Pins, nicht > irgendwo anders. es ist schwer an die Pins zu kommen da die Platine hochkant steckt und eine andere direkt davor ist. Bei Pin 3 musste ich daher einen Draht an den Pin löten. Das ist nicht so einfach. > Im alten Schaltplan wird die Bereichsumschaltung ziemlich trickreich > gelöst. Zum einen werden über logische Verknüpfungen Relais aktiviert > und zum zweiten über weitere Verknüpfungen der Vervielfachungsfaktor der > PLL eingestellt. ja Daniel. Bisher haben wir den 4059 oben rechts nicht genau angesehen. Dieses Teil hängt ja am 4046 an Pin 3 und 4. Das müsste beim neuen Gerät doch so ähnlich sein? Der 4059 ist ein "Divide by N"-Baustein. Der teilt die Frequenz programmierbar herunter, so daß man diese an diesen BCD-Rädern einstellen kann. An Pin 1 geht der Takt hinein und an Pin 23 geteilt heraus. Pin 4 am 4046 ist der VCO-Ausgang. Dort müsste man die Frequenz springen sehen wenn man andere Wunschfrequenzen einstellt. Die Frequenz an Pin 4 wird also im "Divide by N" geteilt und gelangt dann an Pin 3. Dort stehen 500Hz stabil an wie wir gemessen haben. > Mit den Relais wiederum wird der Schwingbereich des VCO umgeschaltet. > Hast Du noch 'mehr' Schaltplan von dem neueren Gerät? zur PLL ist da nicht viel mehr da. Links ist noch mehr FPGA-Ansteuerung. Man sieht auch auf welchen Pin die erzeugte Regelspannung für den VCO des eigentlichen Generatorteils geht. Dieser soll ja in der Frequenz nachgeführt werden. Das passiert nicht wie gewünscht. > Wie ist das dort gelöst? Die Relais hat man beim neuen Gerät durch CMOS-Schalter 4066 am unteren PLL-Baustein ersetzt. Solche Schalter können defekt werden. Bei meinem HP-Zähler war das die Fehlerursache vor ein paar Wochen. Es ist auch denkbar daß die Steuerspannung der unteren PLL aus irgendeinem Grund nicht zum Generatorteil kommt. Dann ist die Regelschleife nicht geschlossen.
Daniel schrieb: > Mit den Relais wiederum wird der Schwingbereich des VCO umgeschaltet. > Hast Du noch 'mehr' Schaltplan von dem neueren Gerät? > Wie ist das dort gelöst? hier sieht man die Schalter am PLL. Das ist viel platzsparender und rascher einzustellen als die Lösung mit Relais und vielen Trimmern früher.
Bei der alten Schaltung wird aus Pin 10 des unteren 4046 die Steuerspannung gewonnen für die Frequenznachführung. Siehe Bild. Bei der neuen Schaltung wird ebenfalls aus Pin 10 des unteren 4046 die Steuerspannung gewonnen. Siehe Bild.
Ein bisschen was zum 4046: Der 4046 hat 2 Phasenkomparatoren mit getrennten Ausgängen. Am Pin 2 liegt der Ausgang des XOR Gatters, das für maximalen Fangbereich nur dann genutzt werden sollte, wenn sowohl Signaleingang (Pin 14) als auch Referenzeingang (Pin 3) Rechtecksignale mit 50% Tastverhältnis haben. An Pin 13 liegt der Ausgang des 'Edge-Controlled Digital Memory Network' (O-Ton Texas Instruments), der auch mit nicht rechteckförmigen Signalen am Signal Pin klarkommt, vor allem, wenn er AC gekoppelt wird. An beiden Phasenkomparator Ausgängen und an Pin 1 sollten im eingerasteten Betrieb gleichmässige Rechteckimpulse mit konstanten Tastverhältnis zu sehen sein (an Pin 2 mit exakt 50% Tastverhältnis, wenn Toellner diesen benutzt), ein Durchlaufen des Tastverhältnisses deutet auf eine nicht eingerastete PLL hin. Es wäre für ein Messgerät übrigens etwas ungewöhnlich, wenn der eingebaute VCO des 4046 benutzt wird, da dieser nicht sooo einen grossen Frequenzbereich abdeckt.
Matthias Sch. schrieb: > zum 4046: Der 4046 hat 2 Phasenkomparatoren Danke Matthias. > Am Pin 2 liegt der Ausgang des XOR Gatters, das > für maximalen Fangbereich nur dann genutzt werden sollte, wenn sowohl > Signaleingang (Pin 14) als auch Referenzeingang (Pin 3) Rechtecksignale > mit 50% Tastverhältnis haben. Der Pin 2 wird von Toellner nicht benutzt. > An Pin 13 liegt der Ausgang des > 'Edge-Controlled Digital Memory Network' (O-Ton Texas Instruments), der > auch mit nicht rechteckförmigen Signalen am Signal Pin klarkommt, vor > allem, wenn er AC gekoppelt wird. der ist im Einsatz und bei der unteren PLL noch der Pin 15. > ein Durchlaufen des Tastverhältnisses > deutet auf eine nicht eingerastete PLL hin. das Tastverhältnis am oberen 4046 steht. > Es wäre für ein Messgerät übrigens etwas ungewöhnlich, wenn der > eingebaute VCO des 4046 benutzt wird, da dieser nicht sooo einen grossen > Frequenzbereich abdeckt. es sieht so aus als ob um den Frequenzgang abzudecken Frequenzteiler umgeschaltet werden.
ich habe einen auslaufenden Kondensator entdeckt. Leiterbahnen sind angefressen. Die beiden 47uF habe ich erneuert und die Leiterbahnen mit Glasfaserradierer, Alkohol gesäubert und nachgelötet. Leider läuft das Ding noch immer nicht. Wenn ich 26kHz einstelle und dann PLL drücke springt die Frequenz nun Faktor 10 weg auf ~260kHz ! An Pin 4 des oberen 4046 ist bei PLL (oft) ein hochfrequenter Takt zu sehen. Hier Messungen: Ein- Takt stellung an PLL Pin 4 21.650 M 10.8250 M 21.651 M 10.8255 M 21.652 M 10.8260 M 21.653 M 10.8265 M 500 Hz-Schritte 22.200 M 11.1000 M 200.0 k 8.000 M 200.1 k 8.004 M 4 kHz-Schritte 200.2 k 8.008 M 200.3 k 8.012 M 200.4 k 8.016 M 200.00 k 10.0000 M 200.01 k 10.0005 M 500 Hz-Schritte 200.02 k 10.0010 M 200.03 k 10.0015 M 200.04 k 10.0020 M Die obere PLL scheint ok.
Matthias W. schrieb: > Pin 4 am 4046 ist der VCO-Ausgang. Dort müsste man die Frequenz springen > sehen wenn man andere Wunschfrequenzen einstellt. Die Frequenz an Pin 4 > wird also im "Divide by N" geteilt und gelangt dann an Pin 3. Dort > stehen 500Hz stabil an wie wir gemessen haben. Das ist richtig so. Du erzeugst mit der oberen PLL ein Vielfaches von 500 Hz. Der eingestellte Teiler ist gleich dem Vervielfachungsfaktor. Matthias W. schrieb: > Die Relais hat man beim neuen Gerät durch CMOS-Schalter 4066 am unteren > PLL-Baustein ersetzt. Solche Schalter können defekt werden. Hier würde ich auch als nächstes den Fehler suchen. Mit dem CMOS-Schalter wird ja das Loop-Filter an den Bereich angepasst. > Es ist auch denkbar daß die Steuerspannung der unteren PLL aus > irgendeinem Grund nicht zum Generatorteil kommt. Dann ist die > Regelschleife nicht geschlossen. Oder der Regelbereich passt nicht. Matthias Sch. schrieb: > Es wäre für ein Messgerät übrigens etwas ungewöhnlich, wenn der > eingebaute VCO des 4046 benutzt wird, da dieser nicht sooo einen grossen > Frequenzbereich abdeckt. Laut http://www.ti.com/lit/ds/symlink/cd74hc4046a.pdf geht es hoch bis auf 38 MHz. Vielleicht sucht sich Toellner da die besonders Guten raus. Matthias W. schrieb: > ich habe einen auslaufenden Kondensator entdeckt. Leiterbahnen sind > angefressen. Die beiden 47uF habe ich erneuert An welcher Stelle? Im Netzteil? > Leider läuft das Ding noch immer nicht. Wenn ich 26kHz einstelle und > dann PLL drücke springt die Frequenz nun Faktor 10 weg auf ~260kHz ! Da liegt er ja mit dem Bereich komplett daneben... > An Pin 4 des oberen 4046 ist bei PLL (oft) ein hochfrequenter Takt zu > sehen. Kannst Du dazu einen Screenshot hier einstellen? Korreliert das mit den 10 MHz/100 mV, die Du oben schonmal erwähnt hast? Was mich am Schaltplan wundert: Pin 4, der VCO-Ausgang der unteren PLL wird gar nicht verwendet. Stattdessen wird offensichtlich der Demodulatorausgang Pin 10 genutzt. Daniel
leider schlägt die Werbung mal wieder zu. So kann ich den Text nur teilweise lesen. So sieht das bei mir aus. Kennt das noch jemand so?
Daniel schrieb: >> CMOS-Schalter 4066 am unteren PLL-Baustein ersetzt. > Hier würde ich auch als nächstes den Fehler suchen. Mit dem > CMOS-Schalter wird ja das Loop-Filter an den Bereich angepasst. Du meinst gleich austauschen das Teil? > Oder der Regelbereich passt nicht. der OP-Verstärker könnte eine Macke weg haben. Die Flüssigkeit aus dem Elko hat die Beine leicht angegriffen. Nun ist wieder Zinn drüber. Die 2 Widerstände am OPV hatte ich raus. Hoffentlich habe ich sie nicht beim Einlöten vertauscht. > Laut http://www.ti.com/lit/ds/symlink/cd74hc4046a.pdf > geht es hoch bis auf 38 MHz. Vielleicht sucht sich Toellner da die > besonders Guten raus. ich glaube daß an den 4046 nie mehr als 10MHz stehen. Das FPGA richtet das wohl so ein. >> Die beiden 47uF habe ich erneuert > An welcher Stelle? Im Netzteil? auf der PLL-Platine. > Da liegt er ja mit dem Bereich komplett daneben... ja. Seltsam daß es nun noch schlechter ist als zuvor. >> An Pin 4 des oberen 4046 ist ein hochfrequenter Takt zu sehen. > Kannst Du dazu einen Screenshot hier einstellen? Das ist ein simples Rechteck mit 50% Tastverhältnis. > Korreliert das mit den > 10 MHz/100 mV, die Du oben schonmal erwähnt hast? Die gemessene Frequenz ist so wie oben angegeben: Ein- Takt stellung an PLL Pin 4 21.650 M 10.8250 M 21.651 M 10.8255 M 21.652 M 10.8260 M 21.653 M 10.8265 M 500 Hz-Schritte Es gibt da auch 4 kHz-Schritte. Das hängt davon ab wie viele Stellen angezeigt werden. Das lässt sich beeinflussen. > Was mich am Schaltplan wundert: Pin 4, der VCO-Ausgang der unteren PLL > wird gar nicht verwendet. Stattdessen wird offensichtlich der > Demodulatorausgang Pin 10 genutzt. das ist klar. Damit wird die Steuerspannung erzeugt. Mit dieser Spannung steuert die PLL den Hauptoszillator nach. Dieser ist ja auf den Bildern nicht zu sehen. Matthias
Hier das Blockschaltbild des alten Geräts. Die Oszillatorfrequenz (oben) ist spannungsgesteuert. VCOin wirkt darauf, der Frequenz-Drehknopf und die PLL-Schaltung. Wenn die Spannung aus der PLL-Schaltung falsch ist so stimmt auch die Oszillatorfrequenz nicht mehr. Das FPGA kann über den HC4053 den Spannungsausgang der PLL abschalten und auch die Verstärkung beeinflussen. Bisher waren die Abweichungen kleiner als jetzt. Es muss sich etwas verändert haben durch die Reparatur daran.
Daniel schrieb: >> Die beiden 47uF habe ich erneuert > An welcher Stelle? Es sind C802 und C803 - siehe Bestück-Bild oben links.
Möglicherweise ist nun R820 (10k) und R821 (68k1) vertauscht - weil ich beide auslöten musste wegen der Leiterbahn.
Die getauschten Caps sind die Filter-Caps an der unteren PLL. C802 und C803 sind parallel. Ergibt so knapp 100uF. Die neuen Caps haben 47uF aufgedruckt. Gemessen habe ich jedoch nur ~40uF. Die alten waren näher an 47uF. Dafür sind die neuen niederohmiger. C804 ist ein 10uF. Den habe ich belassen. Vielleicht sollte man alle Caps erneuern. Es sind halt viele im Gerät verbaut.
Die alten nicht low ESR Elkos sind nicht so kritisch, solange sie nicht viel Rippel abbekommen. Alle auf Verdacht austauschen lohnt da (noch) nicht. Bis jetzt ging es doch mit der Fehlersuche. So kritisch sollte der Kondensatorwert nicht sein, dass es da einen Unterschied macht ob 80 oder 100 µF. Die Werte für R820 und R821 klingen plausibel (wenn auch eher hochohmig) - andersherum macht kaum Sinn. Sinnvolle Testpunkte wäre jetzt etwa die -12 v Versorgung (die geht als Offset mit in die Steuerspannung mit ein) und vom unteren 4046 die Pins 3 und 14 (das sollte im einrasteten Zustand die gleiche Frequenz sein), sowie die Spannung an Pin 9. Pin 10 ist einfach nur die Spannung von Pin 9 gepuffert durch einen einfachen Impedanzwandler. Nicht eingerastet dürft das ein Extremwert sein. Die Spannung könnte man durch U807 verfolgen - wenn da kein Fehler ist hätte man den selben Extremwert, zumindest das gleich Vorzeichen. Bei den Pins 3 und 14 geht es nur darum das da ein sauberes Signal anliegt - nicht eingerastet wird das eine unterschiedliche Frequenz sein (Soll und Istwert der Frequenz im mittleren Bereich).
Matthias W. schrieb: >> Was mich am Schaltplan wundert: Pin 4, der VCO-Ausgang der unteren PLL >> wird gar nicht verwendet. Stattdessen wird offensichtlich der >> Demodulatorausgang Pin 10 genutzt. > das ist klar. Damit wird die Steuerspannung erzeugt. Mit dieser Spannung > steuert die PLL den Hauptoszillator nach. Dieser ist ja auf den Bildern > nicht zu sehen. Also wird von der unteren PLL nur der Phasenkomperator genutzt. Hast Du noch einen Schaltplanauszug vom Haupt-VCO? Matthias W. schrieb: > Möglicherweise ist nun R820 (10k) und R821 (68k1) vertauscht - weil ich > beide auslöten musste wegen der Leiterbahn. Ich mache bei solchen Aktionen vorher ein Foto. Und verwende eine Kiste mit kleinen Fächern und beschrifte diese. Matthias W. schrieb: > Vielleicht sollte man alle Caps erneuern. Es sind halt viele im Gerät > verbaut. Nein. Das wäre blinder Aktionismus. Die Hinweise von Ulrich sind auch sehr hilfreich. Besonders dieser: Ulrich schrieb: > Bei den Pins 3 und 14 geht es nur darum das da ein sauberes Signal > anliegt - nicht eingerastet wird das eine unterschiedliche Frequenz sein > (Soll und Istwert der Frequenz im mittleren Bereich). Damit sollte sich rausfinden lassen, ob die PLL eingerastet ist, oder der VCO freiläuft. Daniel
Hier noch ein paar Bilder der Signale. Zu sehen sind die 500Hz mit 50% Tastverhältnis an Pin 14 oberer 4046. Je nachdem welche Frequenz man wählt bevor man auf die PLL-Taste drückt stehen an Pin 4 unterschiedliche Frequenzen im MHz-Bereich mit 50% Tastverhältnis an. Siehe die Bilder.
Hier der Teil zur Beeinflussung der Generatorfrequenz. Der Sollwert wird über U116A zusammenaddiert aus dem Pegel, der + vom DA-Wandler als Vorgabe generiert wird (ganz unten) + vom Sweep-Board geliefert wird (SWPOUT) + von der PLL-Platine als Korrektursignal geliefert wird (PLLOUT) + an der VCO-IN-Buchse ansteht.
Über J110 kann man den PLL-Eingriff natürlich auch totlegen. Die Regel-Schleife wird so unterbrochen.
Daniel schrieb: >> Bei den Pins 3 und 14 geht es nur darum das da ein sauberes Signal >> anliegt - nicht eingerastet wird das eine unterschiedliche Frequenz sein >> (Soll und Istwert der Frequenz im mittleren Bereich). > Damit sollte sich rausfinden lassen, ob die PLL eingerastet ist, oder > der VCO freiläuft. Sobald die Regelspannung aus der PLL für den VCO an der oberen oder an der unteren Betriebsspannungsgrenze 'klebt', kann man davon ausgehen, das die PLL ausgerastet ist. Messpunkt J110 sollte da Klarheit verschaffen. Hängt die Spannung am obren Ende, erkennt die PLL eine zu tiefe VCO Frequenz. Wenn sie auf GND liegt, ist der VCO zu hoch für die PLL, er würde ihn gerne tiefer schwingen sehen.
Der obere PLL schein ja zu funktionieren. Die Frequenz wird immer so im Bereich 1-10 MHz sein, und dann vom unteren PLL (4046 und dem Haupt-VCO) dann um Potenzen von 10 geteilt bzw. noch mit 10 ? multipliziert. Über den VCO-Eingang könnte man testen ob das Problem ggf. ein falscher Bereich für den Ausgangs VCO ist. Über eine Variabel Spannung (etwa 0 bis -5 V) am externen VCO-Eingang könnte man versuchen ob man den PLL zum einrasten bringen kann. Die Spannung wird ja einfach dazu addiert, auch wenn der PLL aktiv ist. Testweise totlegen (oder nachmessen) könnte man eher den Wobblerteil mit J112, nicht das von dort noch was kommt. Der andere Punkt ist halt die Signale vom FPGA und den unteren 4046zu überprüfen, da wird ja fast nur der Frequenzvergleicher genutzt. p.s. Mal ein Lob für die Filegröße. Da sieht man dass man kein MB Files für eins Wellenform braucht.
die -12V sind da. Der 68k-Widerstand war an der richtigen Stelle. Nur ist er hochohmig geworden. Musste einen neuen einbauen. Die Frequenz springt noch immer Faktor 10 nach oben weg wenn ich PLL drücke. Offenbar ist die Steuerspannung zu hoch.
Ulrich schrieb: > Bei den Pins 3 und 14 geht es nur darum das da ein sauberes Signal > anliegt das ist der Fall. Die Signale sind sauber. Erst Pin 3 (Tastverhältnis 50%), dann Pin 14 (großes Tastverhältnis). Beim Umschalten der Bereiche springt der Wert an Pin 3 leicht. Im obersten Bereich ist er deutlich sichtbar anders.
Ulrich schrieb: > Über den VCO-Eingang könnte man testen ob das Problem ggf. ein falscher > Bereich für den Ausgangs VCO ist. das wollte ich testen. Dabei habe ich gesehen daß der Normalbetrieb ohne PLL nun gestört ist. Anfangs war ein Schritt des Inkrementalgebers eine Ziffer mehr oder weniger am Display. Nun muss ich mehr drehen um einen Schritt Veränderung zu erreichen. Irgendwie scheint das Gerät durcheinander. Es gibt ja Kommunikationswege zwischen den Gate Array-Bausteinen und der CPU. Die Frequenz wird über 2 DAC vorgegeben. Da ist ein 12 bit DAC und ein 8bit DAC. Da das Gerät weiß wie viel Spannungsänderung eine Veränderung um 1 digit auf dem Display bedeutet konnte man das so programmieren daß 1 Schritt am Inkrementalgeber eben genau 1 Schritt im Display bewirkt. Das ist momentan nicht mehr der Fall. Die Baustelle scheint größer zu werden, warum auch immer.
Das könnte ein neuer Fehler durch die Bewegungen beim Ein-Ausbau sein, oder aber auch einfach das der Ursprüngliche Fehler jetzt deutlicher wird (Kontakt geht jetzt ganz verloren). Manchmal ist richtig kaputt besser zu finden als nur nicht mehr ganz ausreichend. Das die Einstellung mit dem DAC nicht mehr ganz richtig war, kann durchaus die Ursache für den Fehler beim PLL gewesen sein - auf einen Fehler in der hätte man über den VCO-Eingang ggf. testen können. Den reinen VCO Modus mal zu überprüfen wäre auch nicht so schlecht. Also sehen ob die Frequenz bei z.B. 1 V und 0.1 V am VCO Eingang so in etwa stimmt.
Ulrich schrieb: > Manchmal ist richtig kaputt besser zu finden als nur nicht mehr ganz > ausreichend. das ist richtig. Es ist halt etwas frustrierend momentan. > Das die Einstellung mit dem DAC nicht mehr ganz richtig war anfangs stimmte die Steuerung über den DAC noch prima. Die Frequenz per PLL lag da auch nicht weit weg. Tuner 600-Spray half da noch. > über den VCO-Eingang ggf. testen. normalerweise sollte bei abgeschalteter PLL kein Nachführpegel der PLL am Generatoreingang auftauchen. Das PLL board sollte den Steuerpegel über den 4053 dann abschalten. Dann jedoch sollte der Rest des Generators brauchbar arbeiten. So weit die Theorie. Die Umschaltung der Bereiche passiert über Relais. Es könnte auch sein daß ein solches oder dessen Ansteuerung nun spinnt. > reinen VCO Modus mal zu überprüfen wäre auch nicht so schlecht. Also > sehen ob die Frequenz bei z.B. 1 V und 0.1 V am VCO Eingang so in etwa > stimmt. gute Idee Ulrich !
Ulrich schrieb: > Über den VCO-Eingang könnte man testen.. (etwa 0 > bis -5 V) am externen VCO-Eingang.. > Die Spannung wird ja einfach dazu addiert, > auch wenn der PLL aktiv ist. gute Idee Ulrich. Ich habe ein Netzteil am VCO-Eingang angeschlossen und eine negative Spannung angelegt. Das korrigierte die fehlerhafte Frequenzeingabe im Nicht-PLL-Betrieb. Nur im PLL-Betrieb soll der Eingriff mit der Steuerspannung greifen. Sonst nicht. Am Ausgang der PLL-Schaltung hinter dem OP-Verstärker U807B liegt 5.7V. Anlegen von -5.7V an den VCO-Eingang ermöglicht den Normalbetrieb. Im Normalbetrieb sollen am Ausgang keine 5.7V anliegen. Dazu dient der HC4053 U808A am Ausgang. Das FPGA schaltet bei Nicht-PLL-Betrieb die beiden PLL-Bausteine über deren Pin 5 ab. Gleichzeitig soll über U803A der Ausgang gesperrt werden. Das funktioniert leider nicht. An Pin 11 von U803A liegt das korrekte Umschaltsignal. Am Pin 14 müssten die 5.7V anliegen oder 0V. Stattdessen liegen konstant 5.7V an. Der 4053-Schalter scheint defekt. Pin 12 liegt nicht an Masse so wie im Schaltbild zu sehen. Die Leiterbahn wurde durchtrennt. Der Eingangspin hängt in der Luft. Fazit: Der 4053 ist defekt. Ein Eingang ist unbeschaltet - entgegen der Angabe im Schaltbild. Soll ich das so lassen mit dem offenen Eingang? Einfach das IC tauschen?
Matthias W. schrieb: > Einfach > das IC tauschen? Erstmal ja. Der offene Eingang wird vermutlich richtig sein, z.B. die PLL wird dann auf offen geschaltet, wenn du im reinen VCO Betrieb bist.
Das defekte IC würde ich definitiv tauschen - wenn es nicht SMD ist, dann mit Sockel, dann fällt ein 2. Austausch leicht, und ein 74HC4053 kostet wirklich nicht die Welt. Den Pin kann man weiter offen lassen, das ist nur einer der Schaltkontakte. Aus ist das Signal auch wenn die Leitung offen ist. Mit etwas Glück geht es dann wieder - ein leicht defekter 4053 könnte auch den PLL gestört haben. Ohne den Austausch wird man den PLL kaum testen können.
Ulrich schrieb: > wenn es nicht SMD ist, > dann mit Sockel, dann fällt ein 2. Austausch leicht, und ein 74HC4053 > kostet wirklich nicht die Welt. Danke Ulrich und Matthias. Leider ist es halt SMD. Ich habe eine regelbare Heißluftstation. In der Nähe sind Teile die beschädigt werden könnten. Mit Lötsauglitze geht nicht alles Zinn weg. Beim Versuch zu Hebeln können Leiterbahnen mitgehen. Das ist nicht so einfach mit SMD. Beim Wechseln des 4046 zwickte ich auf einer Seite die Beine mit dem Seitenschneider ab. Auf der anderen Seite kam ich nicht ran. Ein Pad ging verloren. Oft kann man sowas nicht machen.
Viel mehr als die Versorgungsspannung noch einmal kontrollieren kann man eigentlich nicht machen, um einen schnellen erneuten Ausfall zu vermeiden. Wenn die in Ordnung ist sehe ich da relativ wenig Gefahr für einen erneuten Ausfall. Die Frage wäre höchsten noch ob man einen HEF4053 oder 74HC4053 einbaut, falls der alte ein HEF4053 bzw. CD4053 war. Auslöten von SMD ICs muss man vermutlich erst üben. Erfahrung habe ich da auch nicht wirklich. Ich habe mal von breiten Spitzen für den Lötkolben gehört, die für die 8 Pins einer Seite vom SO16 reichen sollten. Mit Abschirmungen als Schutz für die Umgebung könnte es ggf. aber auch mit der Heißluft direkt auf die IC- Mitte klappen. Ist noch zu hoffen, das die ICs nicht auch noch geklebt sind.
Ulrich schrieb: > Versorgungsspannung noch einmal kontrollieren auf dem Oszi sah sie ok aus. > Die Frage wäre höchsten noch ob man einen HEF4053 oder 74HC4053 einbaut, > falls der alte ein HEF4053 bzw. CD4053 war. laut Unterlagen soll ein 74HC4053T verbaut sein. HC4053 steht darauf - von Harris. Bei Bürklin bekomme ich MM74HCT4053T für 1.17EUR oder CD4053BM1 für 35 cent. Der Unterschied wird im On-Widerstand liegen. Ist die Frage ob der so kritisch ist. Es werden ja 10k und 22k damit geschaltet. > Auslöten von SMD ICs muss man vermutlich erst üben. das ist keine besonders geeignete Platine um daran zu üben. Ich habe schon SMD mit Fön entfernt. Nur ist das Jahre her. > Ich habe mal von breiten Spitzen für den > Lötkolben gehört, die für die 8 Pins einer Seite vom SO16 reichen > sollten. Man könnte sich etwas bauen. Kupfer oxidiert rasch. Oder kaufen. > Mit Abschirmungen als Schutz für die Umgebung könnte es ggf. > aber auch mit der Heißluft direkt auf die IC- Mitte klappen. es ist nicht so einfach die richtige Temperatur und den richtigen Abstand zu finden. Die Pins müssen ja heiß werden. Das IC-Gehäuse isoliert die Wärme. Eine Wärmeplatte kann ich nicht drunterstellen. > Ist noch zu hoffen, das die ICs nicht auch noch geklebt sind. Vermutlich nicht. Das andere IC ging leicht raus.
Im NXP-Datenblatt steht zum 74HC4053 max. Klemmstrom 20mA, max. Schaltstrom 25mA. Ron bei 4.5V 100-180 Ohm. Max. 225 Ohm über vollen Temperaturbereich. Leckstrom max. 1uA. http://www.nxp.com/documents/data_sheet/74HC_HCT4053.pdf Für den CD4053 schreibt Fairchild: 80 Ohm typisch. Max. 1200 Ohm. Das wären also ca. 10% des damit geschalteten Widerstands. Sollte doch ok sein?
verbaut war ja ein 74HC4053. Diesen durch einen 74HCT zu ersetzen bedeutet ein anderes Bauteil. Wie sinnvoll ist das? Leider hat Bürklin einen normalen 74HC nicht. Schade.
Hier der Unterschied in der Eingangsstruktur. Links HC, rechts HCT. http://www.nxp.com/documents/user_manual/HCT_USER_GUIDE.pdf
Ob HC oder HCT macht vermutlich keinen großen unterschied. Der HCT braucht halt 5 V als Versorgung, die sind aber gegeben, und dann hat man eine etwas andere Schaltschwelle und dadurch ggf. etwas weniger Störspannungsabstand, was aber nicht wirklich stören sollte. Aber wozu was anderes wählen, wenn es den 74HC4053 gibt. In Richtung der alten MOS4053 würde ich eher nicht gehen - soweit ich mich erinnere sind die auch eher empfindlicher auf Strom in die "Schutzdioden" an den Eingängen. Die Frage wäre eher gewesen einen alten 4053 durch einen HC4053 zu ersetzen. Den 74HC4053 sollte man leicht bekommen, ggf. sogar lokal im Ladengeschäft bei Conrad oder ähnlich. Bei Reichelt kostet der ca. 30 Cent.
Zu beachten ist bei der Schaltung, daß der OP-Verstärker am Ausgang der PLL-Stufe (ein 1458) mit +-12V versorgt wird. Der Ausgang kann bei 2k Last bis ~10V liefern. Diese etwa 10V gelangen dann über R827 (1k) direkt an den Eingang Pin 13 des mit 5V versorgten Multiplexers U808A (4053). Die Spannung des OP-Amps treibt also über 1kOhm einen Strom in die Eingangsstruktur des CMOS-Gatters. Der Diodenschutz des Eingangs klemmt auf ~5.7V. Daher ergibt sich diese gemessene Spannung. Theoretisch könnte ein Strom in den Pin in die Schutzdioden fließen von bis zu (10-5.7)/1000, also 3-4mA. Es wäre schlecht wenn das zu einem latch up führen sollte. Ein größerer Strom wäre denkbar wenn der Op-Amp voll in die andere Richtung ausgesteuert würde. Imax wäre dann kleiner als 10-0/1000, also 10mA. Der Schalter sollte das aushalten.
Ulrich schrieb: > Bei Reichelt kostet der ca. 30 Cent. leider kommt halt der teure Versand dazu ! Bürklin wäre für mich rasch zu erreichen.
Mit der zu hohen Spannung auf der Eingangsseite kann es tatsächlich sein, dass der 4053 am Ausgang die 5,7 V ausgibt, obwohl er noch nicht defekt ist. Vor den auslöten sollte man das noch mal Probieren - es könnte ja sein dass der 4053 noch in Ordnung ist. Die Spannung auf der Eingangsseite könnte man etwa mit einem widerstand (z.B. 470 Ohm) nach GND in den erlaubten Bereich zwingen. De Fehler wären dann ggf. bei den OPs oder 4046 davor.
Ulrich schrieb: > Mit der zu hohen Spannung auf der Eingangsseite kann es tatsächlich > sein, dass der 4053 am Ausgang die 5,7 V ausgibt, obwohl er noch nicht > defekt ist. die 5.7V wird auch ein neuer wieder so ausgeben. Wie soll das anders sein? Natürlich könnte man auch einen Clamp-Baustein hinbauen. Oder eine Schottky-Diode nach 5V, die die interne Struktur entlastet. Mich wundert nur daß das keiner bemerkt haben will. Das Gerät wird ja seit ~1991 so gebaut. Mein Gerät stammt von 1997. > Vor den auslöten sollte man das noch mal Probieren - es > könnte ja sein dass der 4053 noch in Ordnung ist. der Baustein ist schon raus. Mit Heißluft ging es gut. Ein Defekt wird da gewesen sein. Sonst hätte der Ausgang ja abschalten müssen. Das tat er ja nicht mehr. Daher kam ja der Fehler im Normalbetrieb. Vermutlich ist der 4053 langsam gestorben. Erst wich die PLL manchmal ab weil der Korrekturbereich nicht mehr reichte. Dann wurde die Abweichung größer und der Jitter der Frequenz trat auf. Dann sprang die Frequenz richtig weg. Und am Ende wurde sogar die Funktion des normalen Generatorteils gestört. So könnte es gewesen sein. Nun bestelle ich doch bei Reichelt. Die Kondensatoren im Netzteil und im Netzfilter scheinen noch heil. Einen der 1000uF 50V habe ich getestet. Der lag bei 985uF und war mit Low ESR - ein Philips-Typ. Die scheinen gut zu sein. Reichelt hat die FR-Bauweise. RAD FR 1000/50 und RAD FR 2200/35. Der Innenwiderstand dürfte ähnlich zu den verbauten sein. Man weiß halt nicht ob und wann diese auslaufen.
Wenn bei den CMOS Schalter zu viel Strom über die "Schutzdioden" fließt, kann es passieren das der Schalter durchschaltet, auch wenn der Eingang eigentlich auf aus ist. Der Zustand mit Spannung über der (5 V) Versorgung ist halt schon außerhalb des normalen Arbeitsbereichs. Ich fürchte da wird noch ein Defekt davor sein, der irgendwie dafür sorgt das die Spannung vom PLL zu hoch wird, selbst wenn der aus ist. Das könnten die anderen Teile des 4053 sein, oder der OP (U807) oder ggf. auch der 4046 sein. Der jetzt wohl fehlende 4053 ist kein Hindernis noch einmal nachzumessen. Die Inhibit Funktion des 4046 sollte noch gehen und am Ausgang des OPs beim ausgeschalteten PLL eigentlich 0 V bis etwa -0,6 V anliegen. Ohne den 4053 wirkt der 2. OP auch nur als Spannungsfolger.
Ulrich schrieb: > Der Zustand mit Spannung über der (5 V) > Versorgung ist halt schon außerhalb des normalen Arbeitsbereichs. das sehe ich auch so. > Wenn bei den CMOS Schalter zu viel Strom über die "Schutzdioden" fließt, > kann es passieren das der Schalter durchschaltet, auch wenn der Eingang > eigentlich auf aus ist. das wäre ungut. > Ich fürchte da wird noch ein Defekt davor sein, der irgendwie dafür > sorgt das die Spannung vom PLL zu hoch wird, selbst wenn der aus ist. wenn die PLL aus ist so liegt an den beiden Inhibit-Pins 5 der 4046 ein H-Signal. So sagt der Schaltplan. Gemessen hatte ich diesen Pegel am Inverter U803A. Was soll denn der 4046 an Pin 10 dann machen? Im Datenblatt von NXP steht: High Level at INH turn VCO and demodulator off. Demnach sollte an Pin 10 kein High Pegel herauskommen. Somit sollten auch keine 5.7V anstehen. Oder? > Das könnten die anderen Teile des 4053 sein, oder der OP (U807) oder > ggf. auch der 4046 sein. denkbar. > Der jetzt wohl fehlende 4053 ist kein Hindernis noch einmal > nachzumessen. ok. > Die Inhibit Funktion des 4046 sollte noch gehen und am > Ausgang des OPs beim ausgeschalteten PLL eigentlich 0 V bis etwa -0,6 V > anliegen. Ohne den 4053 wirkt der 2. OP auch nur als Spannungsfolger. ok.
Wie sich pin10 beim Inhibit verhält weiss ich auch nicht. Vermuten würde ich einmal entweder ein low Pegel oder ein hochohmiger Ausgang. In beiden Fällen wäre keine hohe positive Spannung zu erwarten, eher eine negative. Rein nach der Schaltung zu Urteilen würde ich mal vermuten dass der Ausgang gegen GND geht - sonst hätte ich noch eine Diode gegen GND am Eingang des OPs dahinter erwartet. Ich habe noch mal über die aufgetrennte Leiterbahn nachgedacht. Nur wegen dem Ausschalten macht das Austrennen nicht so viel Sinn: das wird nur minimal besser - dafür hätte ich eher nicht den Aufwand erwartet. Vielleicht ist der 4053 ja ein Problemstelle, die damit verbessert werden sollte.
Ulrich schrieb: > Wie sich pin10 beim Inhibit verhält weiss ich auch nicht. Vermuten würde > ich einmal entweder ein low Pegel oder ein hochohmiger Ausgang. In > beiden Fällen wäre keine hohe positive Spannung zu erwarten, eher eine > negative. an Pin 5 des OP-Verstärkers liegen -2.3V bei PLL aus. Bei PLL ein kommen nun ~2V. Sieht soweit plausibel aus. Sicherheitshalber könnte ich den OPV tauschen. Die Pins schienen leicht grün angefressen. Vielleicht vom Elektrolyt des Kondensators 2cm weiter? > Ich habe noch mal über die aufgetrennte Leiterbahn nachgedacht. Nur > wegen dem Ausschalten macht das Austrennen nicht so viel Sinn: das wird > nur minimal besser - dafür hätte ich eher nicht den Aufwand erwartet. > Vielleicht ist der 4053 ja ein Problemstelle, die damit verbessert > werden sollte. es kann sein daß es ein Masseversatzproblem gab. Bei z.B. 20mV Masseversatz ist es ein Unterschied ob beim Abschalten der PLL der Ausgang auf die versetzte Masse geklemmt wird und somit die Frequenz beeinflusst oder nicht. Durch die Auftrennung der Masse wird eine Beeinflussung durch Masseversatz unterbunden.
Reichelt hat keinen SMD HC4046 sondern nur einen SMD 4046. Kann man den auch nehmen?
Die -2.3 bzw. +2 V für den OP Eingangklingen schon mal Plausibel. Damit sollten ausgeschaltet hinter dem OP keine +12 V rauskommen, sondern was negatives. Auch die +2 V mit PLL passen gut zu einem nicht eingerasteten PLL. Danach scheint der OP, oder die Schaltung drum rum das Problem sein. Was kommt denn an Pin 7 und 1 raus ? Das mit einem Masseverssatz wäre eine Erklärung für die Unterbrechung. Es reicht ja auch schon ein wenig Brummen, dass sich dann als FM Modulation störend bemerkbar machen kann. Besser ist offen jedenfalls - war mit nur nicht klar das es sich dafür lohnt.
Beim PLL geht der alte 4046 nicht - der ist einfach zu langsam. Viel mehr als 1 MHz macht der nicht bei 5 V. Bei den CMOS-Schaltern wäre die alte CMOS-Version ggf. noch akzeptabel, da kommt es hier eher nicht auf Tempo an. So wie es aussieht ist den PLL aber wohl noch in Ordnung.
Ulrich schrieb: > Was kommt denn an Pin 7 und 1 raus ? 8.9V und 11.5V. Der ist also auch defekt. Na toll. Ist dann der 4066 an der PLL noch heil? Fragt sich ob man besser gleich alles tauscht? Die Teile sind ja nicht so teuer.
Ich hatte wegen des ausgelaufenen Elektrolyts die Leiterbahnen mit dem Glasfaserradierer bearbeitet, mit Isopropylalkohol die Teile abgewaschen und mit einem Lappen gerieben. Kann dabei statische Aufladung entstanden sein? Es ist doch seltsam daß so viel defekt ist. Oder hat der Elektrolyt so viel angefressen?
Ulrich schrieb: > Beim PLL geht der alte 4046 nicht - der ist einfach zu langsam ok. Den HC-Typ hätte notfalls wieder Bürklin.
Der Op scheint wirklich defekt zu sein. Den würde ich eher tauschen als den 4046 - geht bei 8 Pins auch besser. Einen passenden OP sollte man ja leicht bekommen. Das PLL IC ist vermutlich noch in Ordnung - jedenfalls würde ich es nicht auf Verdacht tauschen. Auf Verdacht mit bestellen ok - sind ja nur 50 Cent oder so, wenn man ihn denn bekommt. Das Problem ist ja weniger der Preis der ICs, sondern dass die Platine bei jedem Tausch leidet, und ggf. ein neuer Fehler Auftaucht.
Ulrich schrieb: > Auf Verdacht mit bestellen ok den schnellen PLL gibts nur bei Bürklin. Reichelt hat nur den langsamen. Den OPV hat Reichelt.
Hallo Ulrich, ich habe noch ein Oszi-Problem - Nichtlinearität Zeitbasis und ein Jitter. Hast Du da vielleicht Lust nachzudenken - so wie hier? Matthias
Es gibt sonst auch noch andere Lieferanten (z.B. TME.eu), die sowohl den HC4046, den HC4053 und auch einen passenden OP haben. So ausgefallen sind die Teile nicht. So wie ich es sehe wird man aber den 4046 eher nicht tauschen müssen. Jitter beim Oszilloskop ist wohl ein Problem mit dem Trigger. Das kann etwa ein wackliger Poti für die Schwelle sein, oder ggf. auch Rippel auf der Versorgungsspannung. Nichlinearität bei der Zeitbasis kann ein Problem beim Verstärker oder dem Generator sein. Ein Test für den Verstärker wäre da der XY Mode.
Ulrich schrieb: > Es gibt sonst auch noch andere Lieferanten (z.B. TME.eu) Danke für den Hinweis Ulrich. > So wie ich es sehe wird man aber den 4046 eher > nicht tauschen müssen. ok. > Jitter beim Oszilloskop ist wohl ein Problem mit dem Trigger. seltsamerweise triggert das Gerät sonst einwandfrei. Das Problem betraf auch nur 1-2 Zeitbasisstellungen. Die anderen waren ok. > Das kann > etwa ein wackliger Poti für die Schwelle sein, oder ggf. auch Rippel auf > der Versorgungsspannung. Danke Ulrich. Die Kondensatoren im Netzteil hatte ich getauscht. Das Problem ist auch in Auto-Stellung. Da sollte kein Poti im Spiel sein. > Nichlinearität bei der Zeitbasis kann ein > Problem beim Verstärker oder dem Generator sein. Ein Test für den > Verstärker wäre da der XY Mode. Das Signal von Zeitbasis A habe ich über die hintere Buchse auf ein zweites Oszi gelegt. Da sieht der Anstieg gerade aus. Problematischer scheint die B-Zeitbasis. Ich habe dazu einen neuen Thread "Zeitbasis nichtlinear, Jitter HM1005" aufgemacht. Bis die Teile für den Generator kommen wird es etwas dauern. Noch ist die Bestellung nicht raus.
Die Teile sind gekommen. Die Elkos habe ich nun bis auf 2 alle getauscht. Der 4053 ist neu und der 1458. Leider geht es noch immer nicht. Das liegt offenbar an einem Masseproblem. Im Plan ist ja eingetragen wo überall Masse ist. Irgendwo fehlt eine Masseverbindung. Seltsam. So als ob eine Durchkontaktierung keinen Kontakt mehr macht. Da muss ich nun mal suchen wo das sein könnte. Vielen Dank auf jeden Fall erst mal an alle die bisher geholfen haben den Fehler einzugrenzen. Das war sehr hilfreich ! Danke !
Matthias W. schrieb: > Leider geht es noch immer nicht. Schade. Wäre ja auch zu einfach gewesen. > Das liegt offenbar an einem > Masseproblem. Im Plan ist ja eingetragen wo überall Masse ist. Irgendwo > fehlt eine Masseverbindung. Seltsam. Das sollte sich mit einem Multimeter gut rausfinden lassen. Das schwarze Kabel an die Masse vom Netzteil und dann an allen Punkten gucken, ob die Masse im Rahmen liegt (ungefähr kleiner 0,3 V). > So als ob eine Durchkontaktierung keinen Kontakt mehr macht. Da muss ich > nun mal suchen wo das sein könnte. Auch das sollte sich mit dem Multimeter machen lassen... Daniel
Daniel - ich war am Suchen - mit dem Ohmmeter. Es sieht wirklich so aus, als ob es 2 getrennte Massen da gibt. Normalerweise sollten die wohl zusammenhängen. Die Messungen die ich bisher machte waren auf einen Massepunkt oben an der Platine bezogen. Wenn ich das Ohmmeter dort anschließe so sind manche Massepunkte nicht damit verbunden. Unten gibt es noch ein anderes Massegebiet. Das ist nicht mit dem oberen verbunden. Entweder das ist Absicht so - und die Verbindung wird über den Leiterplattenstecker und die Hauptplatine hergestellt. Oder es fehlt da etwas. Leider habe ich keinen Plan der Leiterbahnen. Nun habe ich Fotos gemacht - unten und oben und werde alles anmalen was nach Masse aussieht. So wird sich zeigen wie die Teile zusammenhängen sollten. So ein Fehler ist doch seltsam.
Ich habe nun die Massen nachgemessen. Es gibt 2 getrennte Massegebiete auf der Platine - eine Analogmasse und eine Digitalmasse. Wenn man die Platine absteckt sind diese getrennt. Wenn man sie einsteckt wird über das Motherboard die Verbindung hergestellt. Insofern hätte es eigentlich funktionieren müssen. Ich muss also weiter messen mit angelöteten Drähten.
Matthias W. schrieb: > Entweder das ist Absicht so - und die Verbindung wird über den > Leiterplattenstecker und die Hauptplatine hergestellt. Das ist gut möglich. Das Konzept nennt sich Sternverteilung. Damit verhindert man Masseschleifen. Falls allerdings Platinenober- und unterseite verschiedene Massen haben, wäre das etwas ungewöhnlich. Daniel
Daniel schrieb: > Damit verhindert man Masseschleifen. ja. > Falls allerdings Platinenober- und unterseite verschiedene Massen haben, > wäre das etwas ungewöhnlich. Nein. Es ist so daß der Teil um den unteren 4046 mit den Elkos 10u und 47u und ein paar Pins des 4053 auf Analogmasse liegen. Die Analogmassepins liegen am Stecker genau neben den Digitalmassepins. Jeweils 2 Pins machen Kontakt. Das macht so schon Sinn. Noch ist nicht klar was nun klemmt. Muss morgen mal schauen.
das Teil läuft endlich. Ein leckgeschlagener kleiner Radial-Kondensator löste die Probleme aus. Elektrolyt griff eine Leiterbahn an. Der Lötstopplack war dunkel verfärbt. Der Glasradierer machte es blank. Nach dem Tauschen des defekten Widerstands sah optisch alles ok aus. Am Pin 4 des 1458 lag jedoch 9V statt -12V. Die Leiterbahn war hochohmig geworden trotz Nachverzinnen. Nun ist ein Stück Draht darübergelötet. Das Gerät läuft und ich arbeite nun am Abgleich. Sicherheitshalber wurden die dicken Elkos im Netzteil getauscht. Sie waren alle ok. Die Kapazität noch voll da und auch der Innenwiderstand in Ordnung. Philips baute gute Teile.
Daniel schrieb: > Na fein. Ja Daniel - dazu hast Du prima beigetragen. Ein Anfang war wichtig - auch wenn es dann nicht die PLL selbst gewesen ist. Die beiden PLL-Trimmer die ich verstellt hatte stehen momentan auf 5:00. Beim Abgleich kann ich schauen ob man das besser einstellen kann. Beim Testen sah ich daß es manchmal Jitter gibt wenn man ein Digit weiterschaltet bis die PLL dann eingerastet ist. Das Einschwingverhalten kann man wohl über diese Potis beeinflussen. Es gibt jedoch einige Bereiche zu überprüfen.
Bitte melde dich an um einen Beitrag zu schreiben. Anmeldung ist kostenlos und dauert nur eine Minute.
Bestehender Account
Schon ein Account bei Google/GoogleMail? Keine Anmeldung erforderlich!
Mit Google-Account einloggen
Mit Google-Account einloggen
Noch kein Account? Hier anmelden.

























