Hallo zusammen, ich möchte gerne eine DMS-Vollbrücke mit einem PIC16 Prozessor über den Analogeingang auswerten. Hierfür muss die Eingangsspannung der Voll-Messbrücke entsprechend verstärkt werden. Verwenden möchte ich einen MCP6002. Ich weiß wohl dass die Spannung nicht linear zum Druck auf die Dehnungsmessstreifen sein soll. Aber man muss ordentlich drücken und es passiert erst mal nichts, dann hat man das Gefühl dass es einigermaßen proportional weitergeht. Irgendwie ist es nicht das Wahre... Meinen Ansatz habe ich auch in der beigefügten Schaltung wiedergefunden (rot eingekreist). Den Rest der Beschaltung verstehe ich nicht wirklich. Vielleicht kennt sich jemand in Sachen Messtechnik besser aus und kann hier ein paar Tipps geben, wie man mit dem MCP6002 am einfachsten eine DMS-Vollbrücke auswerten könnte. Besten Dank Olaf
Olaf Rechtner schrieb: > Aber man muss ordentlich drücken und es > passiert erst mal nichts, Es könnte sein, dass die Brück einen negativen Offset hat, den der OPV nicht ausgeben kann, wenn er Vss des OPVs auf GND liegt. > Den Rest der Beschaltung verstehe ich nicht wirklich. Die Schaltung aus den beiden OPVs ist ein Differenzverstärker mit 2 OPVs: https://de.wikipedia.org/wiki/Instrumentenverst%C3%A4rker#Zwei_OPVs
> MCP6002 ... Offset 4.5mV max.
Lass das sein. so wird das nichts. Da fehlen viel zuviele Grundlagen.
Zum auswerden solcher Brücken gibt es von Microchip die Appnote AN1030. Da wird nicht der interne ADC des PICs verwenden, seine 10bit könnten je nach Anwendung auch etwas wenig sein.
Olaf Rechtner schrieb: > Verwenden möchte ich einen MCP6002. Warum nimmst du nicht beispielsweise einen INA125? Der ist für sowas gemacht.
Der INA125 ist vergleichsweise teuer. Wenn schon aus einzelnen OPs aufgebaut, dann besser die Schaltung mit 3 OPs, die ist weniger Empfindlich auf Fehler der Widerstände und OPs. Sinnvoll wären dabei 2 bessere OPs mit wenig Offset, etwa MCP6v27. Der 3. OP ist unkritisch.
Olaf Rechtner schrieb: > wie man mit dem MCP6002 am einfachsten eine > DMS-Vollbrücke auswerten könnte Deine Schaltung kann so nicht funktionieren. Du musst DIE DIFFERENZ zwischen den Messbrückenanschlüssen ermitteln und auf GND beziehen (oder auf VCC/2 weil man nicht nur drücken sondern auch ziehen kann ?) Ein Differenzverstärker wäre einfach, wenn deine Messbrücke tatsächlich 3 und 15 Ohm hat, also so niederohzmig wäre. http://www.elektronik-kompendium.de/sites/slt/0210153.htm Vermutlich ist sie aber hochohmiger, so daß ein Instrumentenverstärker her sollte http://www.elektronik-kompendium.de/public/schaerer/diffamp.htm Das kann man fertig kaufen (siehe INA115) oder sich nach Bild 4 aus dem MCP6001 und einer Handvoll echt präziser Widerstände selber aufbauen. Wenn deine Messbrücke nicht abgeglichen ist, und ohne Druck nicht exakt gleiche Spannungen liefert, dann könnte die Ausgangsspannung ohne Druck negativ sein, was nicht gemessen werden kann. Man kann dann die Messbrücke abgleichen durch einen zusätzlichen Widerstand (eventuell einstellbar als Poti). Damit auch bei leichten Druck die Sapnnung schon 0V überschreitet und gleich Änderungen im Messwert ergibt.
>Der INA125 ist vergleichsweise teuer.
Eine DMS Messbruecke liest man nun mal nicht vergleichsweille guenstig
aus. Mich wuerde es wundern, wenn ein einfacher Instrumentenverstaerker
es tun koennte..
Siebzehn Zu Fuenfzehn schrieb: >>Der INA125 ist vergleichsweise teuer. > > Eine DMS Messbruecke liest man nun mal nicht vergleichsweille guenstig > aus. Mich wundert da immer wieder, wie "vergleichsweise günstig" da dann die Fertigwaagen angeboten werden. Gruss Harald
Eine Fertigwaage ist guenstig, weil ... eine starke Drift und Temperaturabhaengigkeit faellt weg, wenn man einen Tara machen kann. Ohne Tara, dh langzeitstabil, wird's teuer...
Siebzehn Zu Fuenfzehn schrieb: > Eine Fertigwaage ist guenstig, weil ... eine starke Drift und > Temperaturabhaengigkeit faellt weg, wenn man einen Tara machen kann. ...fragt sich, ob Olaf vor Beginn der Messung nicht auch einen Kalibrierzyklus machen kann. Gruss Harald
Vielen Dank für die vielen Rückmeldungen! Ich werde die von Max H im ersten Beitrag genannte Schaltung einmal ausprobieren. Die scheint mir noch recht günstig und ausreichend genau. Da ich eine schwankende Eingangsspannung habe und über längere Zeit nur wenig Driften zulassen kann (Thema Versorgungsspannungsdurchgriff) macht es meines Erachtens Sinn einen zweiten OPV zu spendieren. Ich schreibe noch mal für die Nachwelt was dabei rausgekommen ist.. kann aber ein paar Tage dauern. Grüße Olaf
Olaf Rechnter schrieb: > Da ich eine schwankende > Eingangsspannung habe Wenn du die Versorgungsspannung der Brücke auch als Referenzspannung für den ADC verwendest, dann verursacht eine Änderung der Versorgungsspannung keinen Messfehler, die Drift der Offsetspannung des OPVs macht dir aber immer noch einen Strich durch die Rechnung, wenn du nicht ab und zu einen Offsetabgleich (Tara) machst.
Siebzehn Zu Fuenfzehn schrieb: > Eine DMS Messbruecke liest man nun mal nicht vergleichsweille guenstig > aus. Widerstände oder Brückenspannungen werden überhaupt nicht "ausgelesen", allerhöchstens gemessen oder weiterverarbeitet. Das "auslesen" kommt gleich nach Standart und Wiederstand.
Max H. schrieb: > Olaf Rechnter schrieb: >> Da ich eine schwankende >> Eingangsspannung habe > Wenn du die Versorgungsspannung der Brücke auch als Referenzspannung für > den ADC verwendest, dann verursacht eine Änderung der > Versorgungsspannung keinen Messfehler Ja genauso habe ich es vor (Anschluss Vref an VDD) > die Drift der Offsetspannung des > OPVs macht dir aber immer noch einen Strich durch die Rechnung, wenn du > nicht ab und zu einen Offsetabgleich (Tara) machst. Ich verstehe dass so, dass es einmal eine Verschiebung gibt bei Temperaturänderungen (beim MCP6002 wohl typischerweise 2,0 µV/°C) und zum anderen wegen Alterungseffekte (in gleicher Größenordnung?).Ich habe aber kein Gefühl dafür, was das am Ende ausmacht. Ich möchte mit dem Verstärker mit Hilfe eines DMS über längere Zeit eine Gewichtsmessung vornehmen (0-5kg), ein Tara wäre allerdings nur rund alle 6 Monate möglich.
Olaf Rechtner schrieb: > Ich möchte mit dem > Verstärker mit Hilfe eines DMS über längere Zeit eine Gewichtsmessung > vornehmen (0-5kg), ein Tara wäre allerdings nur rund alle 6 Monate > möglich. Bei solchen Extremforderungen wirst Du auch einen extrem guten Verstärker brauchen. Wobei auch der mechanische Aufbau selbst und die DMS-Streifen zusätzliche Fehler erzeugen (sog. Kriechen). Gruss Harald
Du hast Recht, die mechanischen Teile liefern auch Fehler... Seitens der Genauigkeit wäre ein Fehler <10% ausreichend - aber ich glaube ich muss am Ende den fertigen Aufbau über eine längere Zeit austesten um das Messergebnis vernünftig bewerten zu können ;-)
Olaf Rechtner schrieb: > Du hast Recht, die mechanischen Teile liefern auch Fehler... Seitens der > Genauigkeit wäre ein Fehler <10% ausreichend - aber ich glaube ich muss > am Ende den fertigen Aufbau über eine längere Zeit austesten um das > Messergebnis vernünftig bewerten zu können ;-) Das wäre auch für uns interessant. Ich habe mich beruflich mit Präzisionsmessungen beschäftigt. Da wurde sogar darüber gesprochen, das ein Gehäuse, welches auch als Montagebasis verwendet wurde, am besten 10 Jahre ruhen sollte, damit es sich setzt. Gruss Harald
Ein Gehaeuse kann man auch tempern um die Spannungen von der Verarbeitung loszuwerden.
Wenn man praezisere Messungen mit einer DMS Messbruecke machen moechte, muss man die DC Fehler wegmachen, indem man zB mit AC anregt.
Siebzehn Zu Fuenfzehn schrieb: > Wenn man praezisere Messungen mit einer DMS Messbruecke machen moechte, > muss man die DC Fehler wegmachen, indem man zB mit AC anregt. Geht auch ohne, correlated double sampling bzw. schlicht und ergreifend eine differentielle Messung einmal A+ - A- und einmal A- - A+ machen, passend verrechnen und der Fehler ist raus (solange die Messung nicht extrem lange dauert...)
Ich möchte gerne die beigefügte Wikipedia-Schaltung realisieren. Spricht etwas dagegen, die Widerstände R1 und R2 gleich auszulegen? Wenn ich es richtig verstehe ist es nur wichtig, dass die Verhältnisse R2/R1 auf beiden seiten gleich sind wegen der Offsetspannung. Wenn eine Verstärkung von rund 1.000 eingestellt werden sollwären dass dann R1 = R2 = 51 kOhm, Rgain = 91 Ohm. Rein rechnerisch käme dann eine Verstärkung von 1.123 raus. Sind das geeignete Widerstandswerte oder sollte man besser Mega-Ohm Widerstände verwenden - gibt es da Vor- und Nachteile? Grüße Olaf
Olaf Rechtner schrieb: > Rein rechnerisch käme dann eine Verstärkung von 1.123 raus. Wenn du 1000 haben wolltest, wäre das eine erhebliche Abweichung. > Sind das geeignete Widerstandswerte oder > sollte man besser Mega-Ohm Widerstände verwenden Keine Mega-Ohm weil dann die Eingangsströme des OpAmps verfälschend wirken, aber auch nicht unter 1k Ohm weil dann die Treiberleistung des OpAmp nicht reicht, deine 51k sind in Ordnung.
Nimm ein fertiges IC, dass darauf spezialisiert ist DMS-Bruecken auszuwerten. Der HX711 bietet Dir eine Konstantspannungsquelle fuer die Versorgung der Bruecke, einen Verstaerker und einen 24-bit AD-Wandler, der Dir den Messwert seriell ausgibt, den kannst Du dann mit dem PIC weiterverarbeiten. Teuer ist der auch nicht, Breakoutboards gibts in China in zwei Ausfuehrungen (geschirmt und ungeschirmt) fuer ca. 4 bzw. 2 Euro.
Der integrierte Verstärker schaut ganz gut aus ist aber doch zu teuer. Das ganze sollte mit dem "Drumherum" nicht mehr als 5 Euro kosten - für den Fall dass ich es mal zur Produktionsreife schaffe :-) Ich teste es erst einmal mit den o.g. Widerständen - mal sehen wie die Ergebnisse sind.
Stop... habe gesehen dass die Chinesen das Teil für unter 1 EUR anbieten. Insofern ist der Baustein doch interessant. Leider muss ich aber für meine Messung 4 Halbbrücken auswerten. Ich habe jeweils 2 zusammengeschaltet so dass ich auf 2 Vollbrücken komme. Die Ergebnisse der beiden Messungen wollte ich im Prozessor addieren und so auswerten. Der HX711 hat allerdings nur einen "richtigen" Messkanal für die Auswertung des DMS - gibt es die Teile auch mit 2 vollwertigen Messeingängen? Grüße Olaf
Habe gelesen dass jemand Teile der Messbrücken parallel geschaltet hat so dass man mit einem HX711 auskommen würde - ist das gängige Praxis?
siehe: HBM - Anwendung und Einbau von Wägezellen ( www.hbm.com.pl/pdf/hbm-wt-book_de.pdf ) ab Abschnitt 9.5.6 Seite 116
Ja, das ist gängige Praxis. Dafür müssen aber ein paar Veraussetzungen erfüllt sein (z.B. Ruhespannung). Gut, 10% ist keine zu große Anforderung, aber glaube dem Hacky, Dir fehlen viele Grundlagen. Es treten Effekte auf, von denen Du nicht mal ahnst, dass sie existieren (z.B. Ecklastabhängigkeit, Biegemomentabhänigkeit, Befestigung. Kriechen wurde ja schon genannt).
OK - wenn ich es richtig sehe einfach die Versorgungsspannung parallel, genauso wie die Messleitungen. Dadurch sinkt natürlich der Messwiderstand - ich hoffe der HX711 stört sich nicht daran ;-)
Hat jemand vielleicht noch 1-2 Stück von den HX711 Bauteilen? Die gibt es sonst leider nur auf fertigen Modulen zu kaufen... das ist nicht das was ich brauche. Wenn jemand vielleicht 2 Stück hat würde ich sie gerne für rund 10 EUR pauschal kaufen wollen. Grüße Olaf
Hallo Olaf, ich habe mir 20 Stk. bei Aliexpress bestellt. Ich gebe gerne welche ab, wenn die IC's in Ordnung und hier eingetroffen sind, kann aber etwas dauern. Gruß Johannes
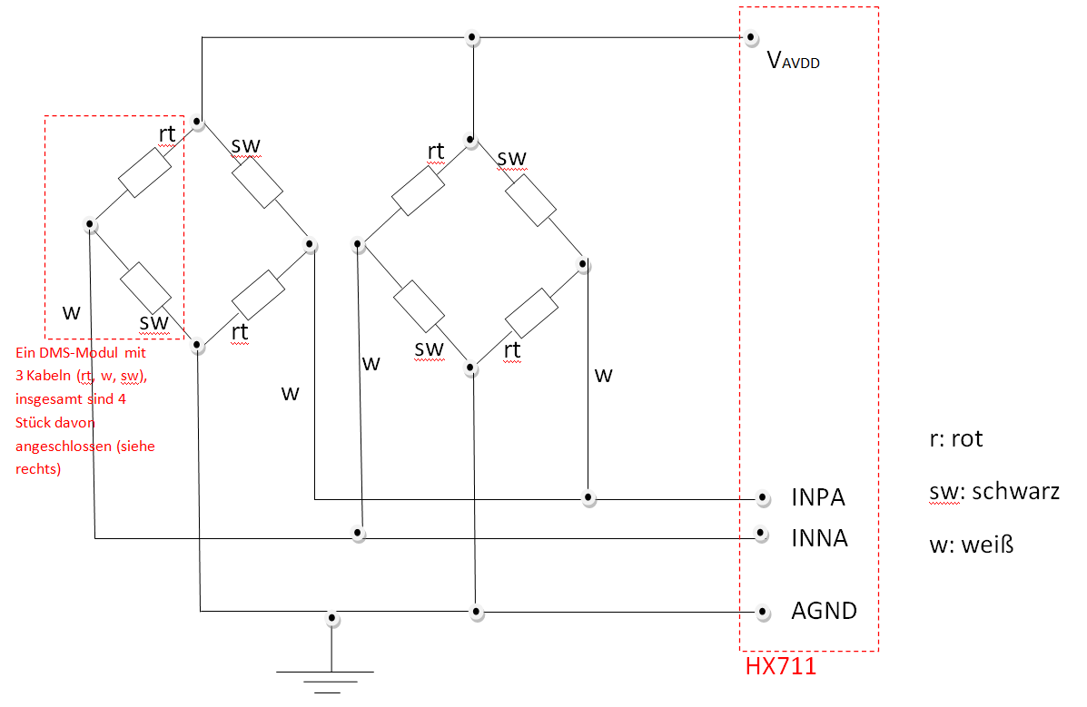
Das hört sich gut an Johannes - ich wäre Dir echt dankbar wenn Du Dich dann melden würdest. Eine Frage zum Anschluss. Weiß jemand ob meine Anschluss-Skizze anbei so stimmt? Ich möchte 4 Halbbrücken zu 2 Vollbrücken verschalten, die dann parallel durch den HX711 ausgewertet werden können. Grüße Olaf
Hältst Du es wirklich für sinnvoll zwei Brücken parallel zu schalten? Irgendwie klappen sich dabei, bei mir die Zehnägel hoch. Die ursprüngliche Idee der Brücke war doch mal eine, von vielen Toleranzen befreite, relative Spannung, zur Verfügung zu stellen. Wirf doch mal eine halbe Pupille auf die Theorie der Brücke.
Amateur schrieb: > Hältst Du es wirklich für sinnvoll zwei Brücken parallel zu schalten? > > Irgendwie klappen sich dabei, bei mir die Zehnägel hoch. > > Das hört sich schmerzhaft an. Aber es scheint oftmals so gemacht zu werden, wurde oben im Thread bereits bestätigt. Ich denke wichtig ist den "Wirksinn" der DMS-Teile zu beachten, im "sw"-Ast (Zeichnung oben) sollte meines Erachtens bei Druck eine Widerstandsvergrößerung stattfinden, in dem "r"-Ast dagegen eine Widerstandsverringerung. Ich lasse mich aber gerne eines Besseren belehren...
Harald Wilhelms schrieb: > Das wäre auch für uns interessant. Ich habe mich beruflich mit > Präzisionsmessungen beschäftigt. Da wurde sogar darüber gesprochen, > das ein Gehäuse, welches auch als Montagebasis verwendet wurde, > am besten 10 Jahre ruhen sollte, damit es sich setzt. > Gruss > Harald Gleich neben dem Weinkeller wird ein Gehäusekeller eingerichtet. ;D
Olaf Rechtner schrieb: > Johannes? Hast du mittlerweile was von den HX711 gehört? > > Grüße > Olaf Kein Bedarf mehr? Gruß Johannes
Hallo Johannes - habe Dir eine separate Mail geschickt. Bin immer noch daran interessiert. Grüße Olaf
Hallo Johannes - bitte schicke mir noch einmal Deine vollständige Adresse per Mail. Die Post hat Deinen Namen leider überstempelt - bitte nutze folgende e-Mail Adresse: osrech@arcor.de Vielen Dank noch mal!
Bitte melde dich an um einen Beitrag zu schreiben. Anmeldung ist kostenlos und dauert nur eine Minute.
Bestehender Account
Schon ein Account bei Google/GoogleMail? Keine Anmeldung erforderlich!
Mit Google-Account einloggen
Mit Google-Account einloggen
Noch kein Account? Hier anmelden.


