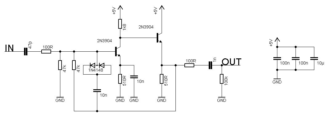
Hallo, mein Ziel ist es, einen Verstärker aufzubauen, welcher nicht in Sättigung geraten kann. Anwendung beispielsweise als Vorverstärker für einen Frequenzzähler, welcher auf die Nulldurchgänge triggert. Die Verzerrung des Ausgangssignals spielt daher keine Rolle. Frequenzbereich: 0,5 bis 10 MHz. So etwas gibt es als "limiting amplifier" fertig zu kaufen und auch logarithmierende Verstärker könnte man verwenden. Ich möchte das ganze aber möglichst simpel halten und mit einfach erhältlichen Bauteilen aufbauen. Das Problem ist eher akademischer Natur, d.h. ich möchte was draus lernen. Dazu habe ich die Schaltung im Anhang aufgebaut. Es handelt sich um einen einfachen Transistorverstärker mit nachgeschalteten Emitterfolger. In der negativen Rückkopplung befindet sich ein antiparalleles Diodenpärchen, welches verhindert, dass das Ausgangssignal größer als ~1,2 Vpp werden kann. Die Schaltung erfüllt ihren Zweck und funktioniert, allerdings nur bei niedrigen Frequenzen. Ab etwa 5 MHz 1 Vpp Sinus Eingangssignal ist dem Ausgangssignal eine zusätzliche Frequenzkomponente mit f= ~60 MHz überlagert, ab dem Zeitpunkt zu dem die Dioden leitend werden. Die Schaltung ist sehr kompakt auf einem Stück kupferkaschierter Platine aufgebaut (so wie in den alten Applikation Notes von Linear oft zu sehen, kennt bestimmt der ein oder andere). Kann leider gerade keine Fotos machen. In der Simulation funktioniert die Schaltung immer. Ich vermute als Grund für die Schwingung die parasitäre Induktivität im Dioden-Rückkopplungszweig. Die lassen sich aber schlecht verringern, da der Abstand zwischen Transistoren und Dioden eh nur ca. 10 mm beträgt. Kann man die irgendwie kompensieren? Fragen: Wieso könnte die Schaltung schwingen? Wie könnte man die Schaltung verbessern? Alternative Schaltungsvorschläge? Ich freue mich auf eure Ideen und Vorschläge und bedanke mich schonmal für die Hilfe!
Beni schrieb: > Wieso könnte die Schaltung schwingen? Bei 60MHz könnte aus der Gegenkopplung eine Mitkopplung geworden sein, weil die Phasendrehung der Schaltung dort entsprechend groß geworden ist und bei leitenden Dioden eine niederohmige Rückführung vorliegt.
Alenfalls einen ECL Linereceiver verwenden, resp anschauen. zB den MC100EP16D oder aehnlich. Der saettigt eigentlich auch nicht.
Die Rückkopplung über die beiden Transistoren, also vom Ausgang zur Basis des 1. Transistors ist nicht so ideal. Da ist über den Widerstand und die Kapazität am Eingang ein unschöne Phase drin. Ein kleiner (einige pf) Kondensator parallel zu den 47 K könnte helfen, macht den Verstärker aber auch langsamer.
Bitte melde dich an um einen Beitrag zu schreiben. Anmeldung ist kostenlos und dauert nur eine Minute.
Bestehender Account
Schon ein Account bei Google/GoogleMail? Keine Anmeldung erforderlich!
Mit Google-Account einloggen
Mit Google-Account einloggen
Noch kein Account? Hier anmelden.
