Guten Tag, ich habe mir wahrscheinlich ein zu großes Projekt vorgenommen, nun sich aber alle Sachen schon bestellt und angekommen sodass ich es durchziehen muss. Es geht mir um Instrumentenbeleuchtung im Auto mit RGB LED´s, welche ich gerne per Arduino steuern möchte. Da es eine größere Anzahl an LED´s ist, mehr als beim Arduino PWM Pins verfügbar sind habe ich mir folgendes Modul bestellt. http://www.adafruit.com/products/1429 Alles so angeschlossen wie es im Datenblatt steht. Erstes Problem, ich sehe dass die LED´s "flimmern" und zwar immer dann wenn ein Programm läuft oder ich ein Code gerade auf das Arduino lade. Entkopplungskondensatoren habe ich an der Spannungsversorgung schon ausprobiert. Hat aber nicht wirklich eine Besserung gebracht. Evtl. ist das ein normales Phänomen oder ich habe die Kondensatoren falsch angeschlossen? Wäre schon nice-to-have das loszuwerden, da es sicherlich auf dauer dann nerven wird. Habe es vorerst nur mit gewöhnlichen weissen 3,2V Leds Probiert. Das zweite Problem besteht darin, dass die miniatur RGB LED´s welche ich mir bestellt habe. "PLCC-2 SMD LEDs 3528" http://www.ebay.de/itm/20-RGB-SMD-LEDs-PLCC-2-3528-Rot-Grun-Blau-FULLCOLOR-LED-/310261485548 Leider bei den Farben unterschiedliche Spannungen benötigen. - Spannung: rot max. 2,4V / grün&blau max. 3,5V - Strom: ca. 30mA Das schließt natürlich eine gemeinsame Spannungsversorgung ja aus. Daher muss ich schauen eine separate Spannungversorgung für den Roten Kanal mit max. 2,4 V zu bekommen. Da habe ich auch noch nicht wirklich eine Idee wie ich das ganze Anschließen soll. Widerstände wären wohl keine gute Wahl schon allein wegen den Spannungsschwankungen im Auto. Die Frage stelle ich mir auch ob ich die LED´s überhaupt an den LED-Controller auf die Dauer anschließen sollte, oder lieber mit Transistoren etc. arbeiten sollte. 30 mA sind immerhin als Limit angegeben. Habe das Problem auch hier direkt geschildert (falls ich hier evtl was vergessen habe): http://forum.arduino.cc/index.php?topic=264325 Erhoffe mir hier evtl. mehr hilfe, da ich dann später auch einige Fragen zum Codieren meiner gewünschten Anwendung haben werde, wenn dieses Elektronische Problem erledigt ist.
Re: Arduino Nano und TLC5947 - Projekt zur Beleuchtungssteuerung im Auto - bräuchte paar Tipps&Hilfe
...oder du nimmst besser ws2812 basierte leds? Klaus.
Re: Arduino Nano und TLC5947 - Projekt zur Beleuchtungssteuerung im Auto - bräuchte paar Tipps&Hilfe
Das Problem ist die habe ich nur in der 5050 Ausführung gefunden. Gibt es kleinere? Auf Grund von Platzmangel wäre das heikel. Ich habe vorhin verschiedene Elkos an die Stromversorgung gehängt, sogar das ganze an einem Akku betrieben, aber es scheint irgendwie am Controller zu liegen. Ist dieses Flimmern evtl. charakteristisch für diesen Controller und ich mache mir umsonst die Mühe?
Re: Arduino Nano und TLC5947 - Projekt zur Beleuchtungssteuerung im Auto - bräuchte paar Tipps&Hilfe
Georg P. schrieb: > Ist dieses Flimmern evtl. charakteristisch für diesen Controller Mit Sicherheit nein. Dabla: To use: Power V+ with 5-30VDC, and connect ground to the common ground.Then send 3-5V logic SPI data on DIN (data in), CLK (clock) and LAT (latch). If you'd like to quickly turn off all the outputs, raise the OE pin - it's pulled low to enable the PWM outputs Der einzige Grund für Flimmern wäre OE pin. Ob du das irgendwie im Code schaffst oder dein Arduino ständig zum Reset springt, kann dir niemand ohne Code sagen.
Re: Arduino Nano und TLC5947 - Projekt zur Beleuchtungssteuerung im Auto - bräuchte paar Tipps&Hilfe
@ Georg P. (georg123) >http://www.adafruit.com/products/1429 >Alles so angeschlossen wie es im Datenblatt steht. Erstes Problem, ich >sehe dass die LED´s "flimmern" und zwar immer dann wenn ein Programm >läuft oder ich ein Code gerade auf das Arduino lade. Dann stimmt was nicht. Entweder ein Softwareproblem (Die PWM muss zyklisch einen Reset kriegen) oder Hardwareproblem. >Leider bei den Farben unterschiedliche Spannungen benötigen. >- Spannung: rot max. 2,4V / grün&blau max. 3,5V >- Strom: ca. 30mA >Das schließt natürlich eine gemeinsame Spannungsversorgung ja aus. FALSCH! Ein Blick ins Datenblatt deines ICs, enthüllt, dass der 16 wunderschönen Konstantstromausgange hat! Damit kann man LEDs mit verschiedenen Flußspannungen direkt anschließen, den Rest regelt der IC. >Widerstände wären wohl keine gute Wahl schon allein wegen den >Spannungsschwankungen im Auto. Du braucht doch so oder so eine STABILISIERTE Versorgungsspannung, hier wahrscheinlich 5V. Die schwankt dann so oder so NICHT mehr. >Die Frage stelle ich mir auch ob ich die LED´s überhaupt an den >LED-Controller auf die Dauer anschließen sollte, Natürlich. Warum denn nicht? Der Name ist Programm! > oder lieber mit >Transistoren etc. arbeiten sollte. Bei deinem Wissen? Eher nicht. > 30 mA sind immerhin als Limit angegeben. Von wem?
Re: Arduino Nano und TLC5947 - Projekt zur Beleuchtungssteuerung im Auto - bräuchte paar Tipps&Hilfe
Georg P. schrieb: > Leider bei den Farben unterschiedliche Spannungen benötigen. das ist nicht 'leider' sondern ist ganz normal. zweitens ist das nichts, was dir graue Haare bereiten muss, denn darum kümmert sich der LED Treiber. Du schliesst den einfach an die Spannungsversorgung (laut Beschreibung kannst du alles von 5 bis 30 Volt nehmen) an, und der Treiber macht den Rest.
Re: Arduino Nano und TLC5947 - Projekt zur Beleuchtungssteuerung im Auto - bräuchte paar Tipps&Hilfe
>> 30 mA sind immerhin als Limit angegeben. Falk frog: >Von wem? Von besagtem wunderschönen Datenblatt.... ;-) (Wirklich!) MfG Paul
Re: Arduino Nano und TLC5947 - Projekt zur Beleuchtungssteuerung im Auto - bräuchte paar Tipps&Hilfe
Marc Vesely schrieb: > Georg P. schrieb: >> Ist dieses Flimmern evtl. charakteristisch für diesen Controller > > Mit Sicherheit nein. > Dabla: > To use: Power V+ with 5-30VDC, and connect ground to the common > ground.Then send 3-5V logic SPI data on DIN (data in), CLK (clock) > and LAT (latch). If you'd like to quickly turn off all the outputs, > raise the OE pin - it's pulled low to enable the PWM outputs > > Der einzige Grund für Flimmern wäre OE pin. Ob du das irgendwie im > Code schaffst oder dein Arduino ständig zum Reset springt, kann dir > niemand ohne Code sagen. Der hängt frei, evtl ist das der Grund, evtl. störung? Das werde ich mir mal anschauen danke für den Tipp. Als Spannung habe ich bis jetzt immer 5V genommen, 3,2 V dann für die LED versorgung. Falk Brunner schrieb: > FALSCH! Ein Blick ins Datenblatt deines ICs, enthüllt, dass der 16 > wunderschönen Konstantstromausgange hat! Damit kann man LEDs mit > verschiedenen Flußspannungen direkt anschließen, den Rest regelt der IC. Das habe ich z.B. schon vermutet war mir aber nicht ganz sicher, daher auch der Thread hier. D.h. ich könnte die einfach an 12 V (oder meinetwegen durch einen Spannungsregler an 5V Bordspannung anschließen) und der Treiber kümmert sich darum dass jederzeit maximal die 15 mA oder 30 mA (je nachdem welchen Referenzwiderstand ich einbaue) durch die LED´s fliessen? Im Code kann ich dann (für alle Farben?) die Helligkeit von 0 - 4095 für die einzelnen Pins setzen. Falk Brunner schrieb: >> oder lieber mit >>Transistoren etc. arbeiten sollte. > > Bei deinem Wissen? Eher nicht. Habe ich bereits direkt am Arduino mit PowerLeds gemacht, hat wunderbar geklappt. Paul Baumann schrieb: >>> 30 mA sind immerhin als Limit angegeben. > > Falk frog: >>Von wem? > > Von besagtem wunderschönen Datenblatt.... > ;-) > (Wirklich!) > > MfG Paul Ja das Datenblatt ist nicht das Beste.
Re: Arduino Nano und TLC5947 - Projekt zur Beleuchtungssteuerung im Auto - bräuchte paar Tipps&Hilfe
Georg P. schrieb: > Der hängt frei, evtl ist das der Grund, evtl. störung? Das werde ich mir > mal anschauen danke für den Tipp. Als Spannung habe ich bis jetzt immer >> the OE pin - it's pulled low to enable the PWM outputs OE muss auf low, also mit Masse verbinden.
Re: Arduino Nano und TLC5947 - Projekt zur Beleuchtungssteuerung im Auto - bräuchte paar Tipps&Hilfe
Marc Vesely schrieb: > Georg P. schrieb: >> Der hängt frei, evtl ist das der Grund, evtl. störung? Das werde ich mir >> mal anschauen danke für den Tipp. Als Spannung habe ich bis jetzt immer > >>> the OE pin - it's pulled low to enable the PWM outputs > > OE muss auf low, also mit Masse verbinden. Habe ich nun gemacht flimmert immer noch. Stromversorgung läuft jetzt sauber nur von 5V und zwar das Arduino wird von 5V per USB versorgt und die Stromversorgung des LED-Treibers hängt samt dem V+ (Versorgung für LED´s) ebenfalls an dem 5V-PIN des Arduino. kein Unterschied ob ich es am PC betreibe oder an einem 700mA USB-Ladeschaltnetzteil. Es ist jetzt auch kein Flimmern welches sonderlich auffällt oder nervt. Man merkt jedoch den Unterschied, das Leuchten der LED´s ist anders (Flimmerfrei) wenn ich die Verbindung zum Arduino vom LED Treiber trenne. Evtl. habe ich eine falsche Vorstellung davon. Ein Video kann ich hier auch nicht hochladen, da die Cam das Flimmern wohl nicht aufnehmen würde. Code ist folgender.
1 | /***************************************************
|
2 | This is an example for our Adafruit 24-channel PWM/LED driver
|
3 | |
4 | Pick one up today in the adafruit shop!
|
5 | ------> http://www.adafruit.com/products/1429
|
6 | |
7 | These drivers uses SPI to communicate, 3 pins are required to
|
8 | interface: Data, Clock and Latch. The boards are chainable
|
9 | |
10 | Adafruit invests time and resources providing this open source code,
|
11 | please support Adafruit and open-source hardware by purchasing
|
12 | products from Adafruit!
|
13 | |
14 | Written by Limor Fried/Ladyada for Adafruit Industries.
|
15 | BSD license, all text above must be included in any redistribution
|
16 | ****************************************************/
|
17 | |
18 | #include "Adafruit_TLC5947.h" |
19 | |
20 | // How many boards do you have chained?
|
21 | #define NUM_TLC5974 1
|
22 | |
23 | #define data 8
|
24 | #define clock 9
|
25 | #define latch 10
|
26 | #define oe -1 // set to -1 to not use the enable pin (its optional)
|
27 | |
28 | Adafruit_TLC5947 tlc = Adafruit_TLC5947(NUM_TLC5974, clock, data, latch); |
29 | |
30 | void setup() { |
31 | Serial.begin(9600); |
32 | |
33 | Serial.println("TLC5974 test"); |
34 | tlc.begin(); |
35 | if (oe >= 0) { |
36 | pinMode(oe, OUTPUT); |
37 | digitalWrite(oe, LOW); |
38 | }
|
39 | }
|
40 | |
41 | void loop() { |
42 | colorWipe(4095, 0, 0, 100); // "Red" (depending on your LED wiring) |
43 | delay(200); |
44 | colorWipe(0, 4095, 0, 100); // "Green" (depending on your LED wiring) |
45 | delay(200); |
46 | colorWipe(0, 0, 4095, 100); // "Blue" (depending on your LED wiring) |
47 | delay(200); |
48 | rainbowCycle(10); |
49 | }
|
50 | |
51 | |
52 | // Fill the dots one after the other with a color
|
53 | void colorWipe(uint16_t r, uint16_t g, uint16_t b, uint8_t wait) { |
54 | for(uint16_t i=0; i<8*NUM_TLC5974; i++) { |
55 | tlc.setLED(i, r, g, b); |
56 | tlc.write(); |
57 | delay(wait); |
58 | }
|
59 | }
|
60 | |
61 | // Slightly different, this makes the rainbow equally distributed throughout
|
62 | void rainbowCycle(uint8_t wait) { |
63 | uint32_t i, j; |
64 | |
65 | for(j=0; j<4096; j++) { // 1 cycle of all colors on wheel |
66 | for(i=0; i< 8*NUM_TLC5974; i++) { |
67 | Wheel(i, ((i * 4096 / (8*NUM_TLC5974)) + j) & 4095); |
68 | }
|
69 | tlc.write(); |
70 | delay(wait); |
71 | }
|
72 | }
|
73 | |
74 | // Input a value 0 to 4095 to get a color value.
|
75 | // The colours are a transition r - g - b - back to r.
|
76 | void Wheel(uint8_t ledn, uint16_t WheelPos) { |
77 | if(WheelPos < 1365) { |
78 | tlc.setLED(ledn, 3*WheelPos, 4095 - 3*WheelPos, 0); |
79 | } else if(WheelPos < 2731) { |
80 | WheelPos -= 1365; |
81 | tlc.setLED(ledn, 4095 - 3*WheelPos, 0, 3*WheelPos); |
82 | } else { |
83 | WheelPos -= 2731; |
84 | tlc.setLED(ledn, 0, 3*WheelPos, 4095 - 3*WheelPos); |
85 | }
|
86 | }
|
Re: Arduino Nano und TLC5947 - Projekt zur Beleuchtungssteuerung im Auto - bräuchte paar Tipps&Hilfe
@Georg P. (georg123) >D.h. ich könnte die einfach an 12 V (oder meinetwegen durch einen >Spannungsregler an 5V Bordspannung anschließen) und der Treiber kümmert >sich darum dass jederzeit maximal die 15 mA oder 30 mA (je nachdem >welchen Referenzwiderstand ich einbaue) durch die LED´s fliessen? Ja. >Im Code kann ich dann (für alle Farben?) die Helligkeit von 0 - 4095 für >die einzelnen Pins setzen. Ja, per PWM, die macht der IC selber. Man muss nur neue Daten dort reinladen, wenn man andere Werte haben möchte. Dort könnte dein Flackern herkommen. Du lädst zu oft oder zu ungleichmäßg, wodurch die PWM im IC unterbrochen wird. Teste mal ob es flimmert, wenn du für ein paar Sekunden KEINERLEI neue Werte in den IC schreibst (also konstante LED-Farben).
Re: Arduino Nano und TLC5947 - Projekt zur Beleuchtungssteuerung im Auto - bräuchte paar Tipps&Hilfe
"Man merkt jedoch den Unterschied, das Leuchten der LED´s ist anders (Flimmerfrei) wenn ich die Verbindung zum Arduino vom LED Treiber trenne." AHA! dann werden keine neuen Daten mehr reingeladen und der IC läuft mit konstanten PWM-Daten vom letzten Update. Dort musst du ansetzen und es besser machen. Möglicherweise ist der Treiber für den IC, den du ja "unsichtbar" benutzt, nicht so gut. Da der "All outputs are turned off at the XLAT rising edge." Wenn das zufällig mitten im PWM Zyklus passiert, flackert es, logisch! Ergo. Der IC ist nicht optimal für flackerfreie Farbübergänge. TLC5940 ist besser, denn da kann man das Synchronisieren.
Re: Arduino Nano und TLC5947 - Projekt zur Beleuchtungssteuerung im Auto - bräuchte paar Tipps&Hilfe
Georg P. schrieb: > Code ist folgender. Wieviele LEDs hast du ?
Re: Arduino Nano und TLC5947 - Projekt zur Beleuchtungssteuerung im Auto - bräuchte paar Tipps&Hilfe
@Falk Brunner werde ich machen. übrigens. http://www.adafruit.com/products/1429 We include a few extras to make this board easy to use: a durable 5V low-dropout regulator (with reverse polarity protection in case y'know, you plug it in backwards), a green power-good LED, four mounting holes and a current-set resistor. A bit of 0.1" header is also included so you can solder it on and plug into a breadboard. To use: Power V+ with 5-30VDC, and connect ground to the common ground. Then send 3-5V logic SPI data on DIN (data in), CLK (clock) and LAT (latch). If you'd like to quickly turn off all the outputs, raise the OE pin - it's pulled low to enable the PWM outputs.Our Arduino library will get you started with blinking LEDs, install it and run the example code with the noted pin configuration. Das Board ist ja an sich schon recht noob-sicher gemacht. Dieser "OE" PIN ist bereits auf LOW gesetzt. Daher war mein Versuch sinnfrei. auf 5V ist es wohl auch schon stabilisiert. Die Ursache wird wohl also wirklich in der Software liegen. D.h. das Flimmern wird nur dann auftreten wenn gerade eine Farbänderung abläuft
Re: Arduino Nano und TLC5947 - Projekt zur Beleuchtungssteuerung im Auto - bräuchte paar Tipps&Hilfe
Falk Brunner schrieb: > "Man merkt jedoch den Unterschied, das Leuchten der LED´s ist > anders > (Flimmerfrei) wenn ich die Verbindung zum Arduino vom LED Treiber > trenne." > > AHA! dann werden keine neuen Daten mehr reingeladen und der IC läuft mit > konstanten PWM-Daten vom letzten Update. Dort musst du ansetzen und es > besser machen. Möglicherweise ist der Treiber für den IC, den du ja > "unsichtbar" benutzt, nicht so gut. Da der > > "All outputs are turned off at the XLAT rising edge." > > Wenn das zufällig mitten im PWM Zyklus passiert, flackert es, logisch! > > Ergo. Der IC ist nicht optimal für flackerfreie Farbübergänge. TLC5940 > ist besser, denn da kann man das Synchronisieren. Das wäre dann der hier? http://www.adafruit.com/products/815 Ist eher für Servos geeignet steht in der Beschreibung. Marc Vesely schrieb: > Georg P. schrieb: >> Code ist folgender. > > Wieviele LEDs hast du ? 24 - Alle Ausgänge sind belegt
Re: Arduino Nano und TLC5947 - Projekt zur Beleuchtungssteuerung im Auto - bräuchte paar Tipps&Hilfe
Georg P. schrieb: >> Wieviele LEDs hast du ? > > 24 - Alle Ausgänge sind belegt Wie kommst du dann auf 8 ? 8 * einschalten, delay, 8 * einschalten == Flimmern.
Re: Arduino Nano und TLC5947 - Projekt zur Beleuchtungssteuerung im Auto - bräuchte paar Tipps&Hilfe
Falk Brunner schrieb: > @Georg P. (georg123) > >>D.h. ich könnte die einfach an 12 V (oder meinetwegen durch einen >>Spannungsregler an 5V Bordspannung anschließen) und der Treiber kümmert >>sich darum dass jederzeit maximal die 15 mA oder 30 mA (je nachdem >>welchen Referenzwiderstand ich einbaue) durch die LED´s fliessen? > > Ja. > >>Im Code kann ich dann (für alle Farben?) die Helligkeit von 0 - 4095 für >>die einzelnen Pins setzen. > > Ja, per PWM, die macht der IC selber. Man muss nur neue Daten dort > reinladen, wenn man andere Werte haben möchte. Dort könnte dein Flackern > herkommen. Du lädst zu oft oder zu ungleichmäßg, wodurch die PWM im IC > unterbrochen wird. Teste mal ob es flimmert, wenn du für ein paar > Sekunden KEINERLEI neue Werte in den IC schreibst (also konstante > LED-Farben). Perfekt. Wenn ich alle PWM-Werte setze und dann einmal
1 | |
2 | tlc.write(); |
3 | delay(10000); |
oder
1 | tlc.write(); |
2 | for(int i=0; i<10000; i++) { |
3 | delay(1); } |
Ausführe. D.h. keine dynamischen Werte in den Variablen mehr. Dann flimmert nix mehr. Ist für die Anwendung aber auch OK denn der Farbwechsel soll nicht ständig durchgeführt werden. Eher selten.
Re: Arduino Nano und TLC5947 - Projekt zur Beleuchtungssteuerung im Auto - bräuchte paar Tipps&Hilfe
Na dann ist doch alles palletti!
Re: Arduino Nano und TLC5947 - Projekt zur Beleuchtungssteuerung im Auto - bräuchte paar Tipps&Hilfe
Marc Vesely schrieb: > Georg P. schrieb: >>> Wieviele LEDs hast du ? >> >> 24 - Alle Ausgänge sind belegt > > Wie kommst du dann auf 8 ? > 8 * einschalten, delay, 8 * einschalten == Flimmern. Du meinst wohl die Funktion aus dem Code den ich weiter oben gepostet habe?
1 | // Slightly different, this makes the rainbow equally distributed throughout
|
2 | void rainbowCycle(uint8_t wait) { |
3 | uint32_t i, j; |
4 | |
5 | for(j=0; j<4096; j++) { // 1 cycle of all colors on wheel |
6 | for(i=0; i< 8*NUM_TLC5974; i++) { |
7 | Wheel(i, ((i * 4096 / (8*NUM_TLC5974)) + j) & 4095); |
8 | }
|
9 | tlc.write(); |
10 | delay(wait); |
11 | }
|
12 | }
|
Die 8 bezieht sich auf die 8 RGB LED´s die ich aber zurzeit nicht angeschlossen habe. 8 RGB LEDS * 3 Chips pro LED = 24 Aus der Berechnung da ergibt sich dann irgendeine Art Farbverlauf sofern man alle pins mit RGB LED´s belegt hat. Die arbeiten da auch mit "tlc.setLED()" nicht mit "tlc.setPWM()" tlc.setLED() spricht wohl 3 Pins gleichzeitig an um den RGB Wert darzustellen tlc.setPWM() spricht dann nur einen Pin an (was ich in meinem Code nutze)
1 | void setPWM(uint8_t chan, uint16_t pwm); |
2 | void setLED(uint8_t lednum, uint16_t r, uint16_t g, uint16_t b); |
Ich habe einfach 24 weisse LED´s angeschlossen. Statt Farbunterschiede gibt es eben nur Helligkeitsunterschiede. Die Funktion habe ich auch nicht geschrieben sondern war als "Demo" schon dabei.
Re: Arduino Nano und TLC5947 - Projekt zur Beleuchtungssteuerung im Auto - bräuchte paar Tipps&Hilfe
@Georg P. (georg123) >http://www.adafruit.com/products/815 >Ist eher für Servos geeignet steht in der Beschreibung. Ist ungeeignet, keine Konstantstromausgänge, viel weniger Gesamtausgangsstrom.
Re: Arduino Nano und TLC5947 - Projekt zur Beleuchtungssteuerung im Auto - bräuchte paar Tipps&Hilfe
Den zweiten Rat bräuchte ich und zwar. Dieser OE Pin der beim HIGH Signal alle LED´s ausschaltet soll bis zur Betriebsbereitschaft vom Arduino auf HIGH stehen. Wie würdet ihr sowas aufbauen? Der Controller soll also in der Lage sein, den OE pin der dauerhaft an Spannung hängt auf GND (LOW) zu setzen. Ich habe eine grobe Vorstellung wohl eine Pulldown Schaltung. Aber möchte mich hier absichern, welche Widerstände ich wo einsetzen soll usw. bevor mir da ein Pin durchbrennt.
Re: Arduino Nano und TLC5947 - Projekt zur Beleuchtungssteuerung im Auto - bräuchte paar Tipps&Hilfe
Georg P. schrieb: > Ich habe eine grobe Vorstellung wohl eine Pulldown Schaltung. Aber > möchte mich hier absichern, welche Widerstände ich wo einsetzen soll > usw. bevor mir da ein Pin durchbrennt. 4K7 bis 10K sind üblich. Georg P. schrieb: > Der Controller soll also in der Lage sein, den OE pin der dauerhaft an > Spannung hängt auf GND (LOW) zu setzen. Das ist ein Pull-Up wenn er OE mit Plus verbindet.
Re: Arduino Nano und TLC5947 - Projekt zur Beleuchtungssteuerung im Auto - bräuchte paar Tipps&Hilfe
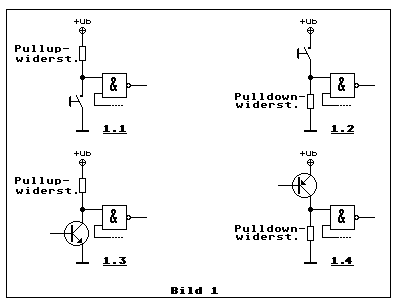
Marc Vesely schrieb: > Georg P. schrieb: >> Ich habe eine grobe Vorstellung wohl eine Pulldown Schaltung. Aber >> möchte mich hier absichern, welche Widerstände ich wo einsetzen soll >> usw. bevor mir da ein Pin durchbrennt. > > 4K7 bis 10K sind üblich. > > Georg P. schrieb: >> Der Controller soll also in der Lage sein, den OE pin der dauerhaft an >> Spannung hängt auf GND (LOW) zu setzen. > > Das ist ein Pull-Up wenn er OE mit Plus verbindet. Ich kann mich also an diesen Schaltplan richten. (Nummer 1.3 in der schaltung) http://www.elektronik-kompendium.de/public/schaerer/bilder/pullr_01.gif D.h an die Basis des Transistors kommt der Ausgangspin des Arduino (über nen 10kOhm Widerstand der in der Zeichnung noch fehlt?) und den OE Pin des LED Treibers schließe ich zwischen den Collector und den (wieder 10kOhm Widerstand) in der Zeichnung? soweit richtig?
Re: Arduino Nano und TLC5947 - Projekt zur Beleuchtungssteuerung im Auto - bräuchte paar Tipps&Hilfe
@ Georg P. (georg123) >Ich kann mich also an diesen Schaltplan richten. (Nummer 1.3 in der >schaltung) Nimm 1.1, den Transistor brauchst du nicht. Der Taster entfällt, der Pin bleibt so wie er ist an deinen Arduino angeschlossen.
Re: Arduino Nano und TLC5947 - Projekt zur Beleuchtungssteuerung im Auto - bräuchte paar Tipps&Hilfe
Falk Brunner schrieb: > @ Georg P. (georg123) > >>Ich kann mich also an diesen Schaltplan richten. (Nummer 1.3 in der >>schaltung) > > Nimm 1.1, den Transistor brauchst du nicht. Der Taster entfällt, der Pin > bleibt so wie er ist an deinen Arduino angeschlossen. Das Problem ist, dass ich den auf GND schalten muss damit der LED Treiber aktiviert ist. Der soll dauerhaft auf HIGH sein bis Arduino komplett an ist um den Trnasistor zu öffnen und den PIN auf "LOW" zuschalten und die Kontrolle zu übernehmen. Daher die Transistor schaltung. Wie soll ich allein mit dem Arduino den PIN auf GND schalten?
Re: Arduino Nano und TLC5947 - Projekt zur Beleuchtungssteuerung im Auto - bräuchte paar Tipps&Hilfe
@ Georg P. (georg123) >Das Problem ist, dass ich den auf GND schalten muss damit der LED >Treiber aktiviert ist. Das ist kein Problem, das ist normal. >Der soll dauerhaft auf HIGH sein bis Arduino komplett an ist um den >Trnasistor zu öffnen und den PIN auf "LOW" zuschalten und die Kontrolle >zu übernehmen. Genau das wird passieren. Arduino ist im Rest, Booten, Programmierung -> IO Pin ist hochohmig (Eingang) .> Widerstand ziegt das Pin (vom Arduino und vom TLC) auf HIGH. Arduion ist gestartet, IO Pin wurde auf Ausgang geschaltet und zieht nun das Pin auf GND (und auch den Widerstand). -> Alles super. >Wie soll ich allein mit dem Arduino den PIN auf GND schalten? Indem man den Ausgang einfach auf 0 schaltet? Wie jeden anderen Ausgang auch. Sachen gibts.
Re: Arduino Nano und TLC5947 - Projekt zur Beleuchtungssteuerung im Auto - bräuchte paar Tipps&Hilfe
Ah ok, ich bin mit der genauen Funktionsweise der Arduino PIN´s noch nicht vertraut. d.h. ich kann an den PIN die 5V ohne jeglichen Schutz anschliessen? Der diese dann im Betrieb auf GND setzen kann? Wie ist es eigentlich wenn ich mit einem digitalem Pin ledliglich überwachen möchte ob Spannung anliegt oder nicht? Ausgang auch direkt anschließen? http://arduino.cc/en/Tutorial/DigitalPins Das letztere laut dieser Seite schon, da standardmäßig hochohmiger Input. Sofern der aber auf "output" (LOW) schaltet könnten die 5V an dem PIN fatal enden? Hab jetzt die Transistorschaltung gebastelt, funktioniert OK, bin mir nur nicht wegen den Widerstandswerten sicher, bei einem BC337 ?
Re: Arduino Nano und TLC5947 - Projekt zur Beleuchtungssteuerung im Auto - bräuchte paar Tipps&Hilfe
@ Georg P. (georg123) >Ah ok, ich bin mit der genauen Funktionsweise der Arduino PIN´s noch >nicht vertraut. Scheint so. >d.h. ich kann an den PIN die 5V ohne jeglichen Schutz anschliessen? Wenn er als Eingang konfiguriert ist, kann man zwischen 0-VCC (hier meist 5V) alles anlegen. >Wie ist es eigentlich wenn ich mit einem digitalem Pin ledliglich >überwachen möchte ob Spannung anliegt oder nicht? Das ist ein Eingang. >Ausgang auch direkt anschließen? Sicher. >Sofern der aber auf "output" (LOW) schaltet könnten die 5V an dem PIN >fatal enden? Sicher. Von aussen kommen 5V, der AVR will aber auf 0V ziehen. Das ist nicht gut. Meist geht bei sowas ein IO-Pin kaputt, beim AVR sind die aber erstaunlich robust.
Bitte melde dich an um einen Beitrag zu schreiben. Anmeldung ist kostenlos und dauert nur eine Minute.
Bestehender Account
Schon ein Account bei Google/GoogleMail? Keine Anmeldung erforderlich!
Mit Google-Account einloggen
Mit Google-Account einloggen
Noch kein Account? Hier anmelden.