Hi, ich möchte mit diesem Frequenzgenerator http://www.peaktech.de/produktdetails/kategorie/dds-funktionsgeneratoren/produkt/p-4025.html zunächst mal ein Grundsignal mit ca. 500 Hz und 5V mit einem Störsignal von 2000Hz und ca 0,5V erzeugen. Nun die Frage kann ich einfach die zwei Channels irgendwie verschalten. Und Wenn ja WIE? Ich möchte dieses Signal dann auf einen Pin eines Mikrocontrollers geben. Grüße
Im Handbuch habe ich keine Amplitudenmodulation gefunden. Wird wohl nicht klappen mit dem 4025. (vielleicht gibt's noch Tricks...?) Der 4035 hat dagegen mehrere Modulationsarten. Mit dem gehts auf jeden Fall.
npn schrieb: > Im Handbuch habe ich keine Amplitudenmodulation gefunden. Wird > wohl > nicht klappen mit dem 4025. (vielleicht gibt's noch Tricks...?) > Der 4035 hat dagegen mehrere Modulationsarten. Mit dem gehts auf jeden > Fall. Der TO schrieb nicht von Modulation. So wie ich ihn verstehe, soll additiv überlagert werden, ist das richtig?
> Der TO schrieb nicht von Modulation. So wie ich ihn verstehe, soll > additiv überlagert werden, ist das richtig? Korrekt. Ich möchte die 500Hz Grundschwingung mit der 2.000 Hz Schwingung stören um einen Filter zu testen
Mike Müller schrieb: >> Der TO schrieb nicht von Modulation. So wie ich ihn verstehe, > soll >> additiv überlagert werden, ist das richtig? > > Korrekt. Ich möchte die 500Hz Grundschwingung mit der 2.000 Hz > Schwingung stören um einen Filter zu testen Ich kenne den Generator nicht, bin nur schnell Deinem Link gefolgt. Er kann zwei Signale gleichzeitig erzeugen, so weit, so gut. Leider kannst Du die wahrscheinlich nicht einfach in Reihe schalten, denn ich nehme stark an, dass beide Ausgänge auf der selben Masse liegen. Das einfachse, was mir dazu einfällt, wäre mit einem Übertrager zu arbeiten: Störsignal in die Primärseite rein, die Sekundärseite mit dem Nutzsignal in Reihe schalten, fertig.
Wenn Du galvanisch getrennt zum Generator bist, dann sollte es auch gehen das Signal zwischen den Buchsen abzugreifen (also BNC Mitte zu BNC Mitte). An dieser Stelle sind die beiden Signal bereits in Reihe geschaltet. PS: Wenn Du nicht getrennt bist, dann halt einfach ein Differenzverstärker. Sollte sich bei 2kHz ja mit Teilen aus der Bastelkiste schnell machen lassen.
Oder man nimmt einen OP und setzt ihn als gewöhnlichen Addierer ein. mfg klaus
> Im Handbuch habe ich keine Amplitudenmodulation gefunden
Auf der Page steht als Fünftes: Frequenz- und *Amplituden*-Wobbelung
Also mit einen Ausgang den anderen wobbeln sollte kein Problem sein.
Grüße Löti
Miss mal den Widerstand der beiden BNC-Buchsen voM Ausgang gegeneinander (also die Schirmung). Wenn der Widerstand knapp über 0 Ohm ist, kannst du keine Reihenschaltung machen, wenn der Widerstand deutlich höher ist, kannst du den Signalkontakt von Kanal 1 mit der Schirmung von Kanal 2 verbinden. Dann ist Schirmung von kanal 1 dein massepotential und der Signalkontakt von Kanal 2 dein Signalausgang. Ansonsten: wie schon gesagt einen OPperationsverstärker als Addierer verwenden. 2kHz ist ja quasi zappelige Gleichspannung, da kannst du quasi jeden Opamp nehmen. Wenn du das Signal auf einen µC gibst, musst du aber aufpassen: die wenigsten haben gerne eine negative Spannung auf einem Eingangspin.
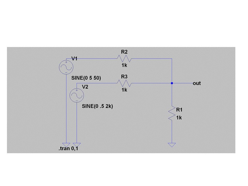
Die Standardlösung heißt 6dB combiner/splitter/adder. Das ist ein Teil mit 3 BNC-Buchsen. Innen sind im einfachsten Fall drei 16,7Ohm Widerstände zusammengeschaltet. Damit sieht man an jedem Eingang 50Ohm. Die Ausgangsamplitude ist bei 50Ohm Abschluss dann noch die Hälfte (deshalb 6dB genannt). Wenn du drei BNC Buchsen mit Lötanschluss hast, dann kannst du dir das billig selber zusammenlöten. Da du nur 2kHz Sinus hast, muss es nicht unbedingt 50Ohm sein. Du kannst also auch jeden anderen Wert >=16,7Ohm für die 3 Widerstände nehmen. Google: BNC 6dB adder splitter combiner
Bei dem hochohmigen Eingang des Controllers kannst Du Dir dann den dritten Widerstand auch sparen. Damit landest Du dann bei dem nicht-invertierenden Addierer (allerdings mit Verstärkung von -6dB) der hier auch schon vorgeschlagen wurde.
Die Billigvariante reicht nicht aus? Das wäre ja in 5min fertig.
Das ist doch genau das, was schon vorgeschlagen wurde.
ja, ich sehe - du hast recht. Umso besser. Sorry. PS: ich fand es nur unnötig, hier gleich einen invertierenden Verstärker heranzuziehen. Der Aufbau scheint ja eher für Testzwecke zu sein.
Philipp schrieb: > Das ist doch genau das, was schon vorgeschlagen wurde. Trotzdem war es gut, dass Michael ein Schaltbild gezeigt hat. Der Fragesteller konnte sich wahrscheinlich gar nicht vorstellen was wir mit adder/splitter/combiner gemeint haben. Unter der Annahme dass der Summen-Ausgang mit R>=50Ohm belastet wird müssen diese drei Widerstände >=16,7Ohm haben damit die zwei Generatorausgänge nicht überlastet werden.
Sollte auch kein Vorwurf sein wollte nur weitere Verwirrungen vermeiden. Sorry Ein Schaltbild ist natürlich immer gut. Solange der Controller Eingang hochohmig gegenüber den 1k ist kann man sogar den Widerstand gegen GND weglassen (das meinte ich weiter oben). Wobei es daran ja nun wirklich nicht scheitern sollte ;)
Bitte melde dich an um einen Beitrag zu schreiben. Anmeldung ist kostenlos und dauert nur eine Minute.
Bestehender Account
Schon ein Account bei Google/GoogleMail? Keine Anmeldung erforderlich!
Mit Google-Account einloggen
Mit Google-Account einloggen
Noch kein Account? Hier anmelden.
