Hallo Forum, beim Zerlegen meines kaputten Notebooks ist mir dieses Teil entgegengekommen. Nachdem ich das Notebook zusammengebaut habe und das Modul, von dem das Teil abgefallen ist, weggelassen habe, hat es wieder funktioniert. Leider war das Modul zuständig für USB, Netz und externen Monitor. Jetzt suche ich nach Ersatz für das SMD-Bauteil um das Notebook wieder komplett zum Laufen zu bringen. Nach stundenlangen Recherchen in den verfügbaren/gängigen Identifcation-Datenbanken etc. habe ich kein brauchbares Ergebnis erzielt. Ich vermute dass das eingekreiste M ein Herstellerlogo ist, bin da aber diesbezüglich auch nicht fündig geworden. Wenn jemand eine Idee, bzw. ich bin für jeden Hinweis sehr dankbar. Vieleicht hat ja jemand als ersten Schritt eine Idee um was es sich handelt könnte. Vermutungen gehen derzeit in Richtung Sicherung oder Kondensator. Vielen Dank im vorraus und viele Grüße, Patrick
Patriq schrieb: > Ich vermute dass das eingekreiste M ein Herstellerlogo ist, bin da aber > diesbezüglich auch nicht fündig geworden. Murata
Also mit dem Bild kann ich nicht viel anfangen :-( Ich weiß nicht wie groß das Teil ist - ich kann nur raten :-( Mach, wie schon oben erwähnt, ein Foto vom Umfeld des fraglichen Bauteils. Und schau dich auf den Platinen um, ob du vielleicht noch so ein Bauteil irgendwo findest, dass noch funktioniert, und wo man den Aufdruck noch lesen kann. Da kannst du ggf. auch noch Messungen durchführen um den Bauteiltyp einzugrenzen (Widerstand, Kondensator, Diode, Sicherung - viel mehr kommt wohl nicht in Frage). lg, Nick
So ein Teil fällt nicht einfach ab! An der rechten Seite wurde ordentlich rumgelötet. Was ist wirklich passiert?
Hallo Zusammen, schon mal vielen Dank für die Antworten. Anbei das Bild mit der Position des Bauteils. Die beiden Anschlüsse sind jeweils ein HDMI (mit der 621 drauf) und ein USB (mit dem 16PAA drauf). Die Größe sollte 1808 sein. Ausmessen von Widerstand, Kapazität o.ä. war leider nicht mehr möglich. Ja, gelötet wurde bereits an der Stelle, da versucht wurde das Bauteil wieder anzulöten - leider ohne Erfolg. Zu meiner Verteidigung, nicht von mir :-) Das Bauteil ist auf der linken Seite abgebrochen, der Restteil war noch auf der Platine. Und auf der rechten Seite hat sich das Bauteil an der Lötstelle von der Platine gelöst. Wie das allerdings passieren kann, verstehe ich nicht, da ich bei der Position nicht mit Zugspannung oder ähnlichem rechnen würde. Danke auch für den Hinweis zu Murata, die sind der Hersteller. Habe da auch mal hingeschrieben, habe aber wenig Hoffnung dass da überhaupt eine Antwort kommt. Viele Grüße, Patrick
Hallo Miteinander, noch ein Nachtrag. Baugleiche SMD sind leider auf keiner Komponente des Notebooks vorhanden. Viele Grüße, Patrick
Hallo, der dicke IC daneben http://media.digikey.com/pdf/Data%20Sheets/TDK%20PDFs/TLA,ALT_Rev.July2012.pdf ist ein Puls Transformer. Deshalb würde ich mal auf eine Kapazität tippen. Was sagen andere dazu? Grüße aus Berlin
Das könnte ne Art Sicherung oder Polyfuse sein, denn offensichtlich fließr da ordentlich Strom drüber, siehe Leiterbahnen. Ich würd mir mal die Referenzdesign's der beiden IC's in der Nähe anschauen gk
Interessant wäre es, zu sehen wo die beiden Planes an denen das Teil hing angeschlossen sind. Ich Tippe beim linken auf eine Masse. Der Transformer selbst hat ja keine Versorgung, daher ists wohl kaum ein Stütz-Kondensator für ihn. Ein fehlender großer C würde wohl auch kaum die nicht-Funktion des Rests der Platine erklären..?
Patriq schrieb: > Anbei das Bild mit der Position des Bauteils. Die beiden Anschlüsse sind > jeweils ein HDMI (mit der 621 drauf) und ein USB (mit dem 16PAA drauf). Und unter dem schwarzen Ding am unteren Bildrand verbirgt sich eine RJ45-Buchse. Richtig? Aufgrund der Nähe zum Ethernet-Übertrager vermute ich, daß das fehlende Bauteil ein Überspannungsableiter o.ä. der Netzwerkhardware ist. Das quadratische Bauteil oberhalb der HDMI-Buchse dürfte der Ethernet-PHY sein; besorg Dir dessen Datenblatt und Musterbeschaltung, da dürftest Du etwas über die Anbindung des Ethernet-Übertragers ("magnetics") und möglicherweise auch des fehlenden Bauteils erfahren. Die Platine sollte auch ohne dieses Bauteil funktionieren, bis auf die Ethernetschnittstelle, die besser nicht verwendet werden sollte. Allerdings: Wenn so ein Bauteil "abfällt", dann hat das einen Grund. Vielleicht ist auf der Platine ja noch das eine oder andere auch noch kaputt, so daß Dein Notebook mit der Platine nicht glücklich wird. Was hat denn dazu geführt, daß das Bauteil "abgefallen" ist?
PTC Sicherung wäre möglich - aber - die großen Pads passen nicht dazu. Die Wärme sollte eigentlich nicht abgeführt werden.
mach doch nochmal ein Makro vom angehängten Ausschnitt. .. aber bitte ohne den roten Kringel und ohne den Lichtreflex. Dann kann man noch besser raten. Gruss Klaus
Hallo Klaus, hier mal ein Versuch ohne Spiegelung. Habe es auf die Schnelle nicht besser hinbekommen. Falls es notwendig ist, versuche ich später noch eine bessere Aufnahme. Danke! Übrigens auch an alle anderen! Ich bin begeistert von Eurer Mithilfe! Viele Grüße, Patrick
Hallo Rufus, ja exakt, das ist ein Ethernetanschluß. Über den Grund warum es abgefallen ist kann man nur spekulieren. Vor der Lötaktion hat man halt gesehen, dass die eine Lötstelle abgesprungen ist und die andere Seite ist gebrochen. So als wie wenn physische Kraft durch z.B. Verziehen der Platine gewirkt hätte. Kann mir das aber nicht erklären. Und klar, es kann sein, dass da mehr im Argen ist auf dem Modul. Ich habe halt die Hoffnung dass dieses Cent-Teil das Notebook rettet. Es ist zwar von 2011, aber würde noch einwandfrei laufe, wäre ausreichend schnell und war damals recht teuer. Viele Grüße, Patrick
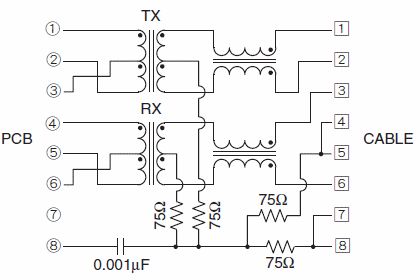
Im Bild die Standard Beschaltung eines Ethernet Übertragers. Man sieht auf dem Foto 4 Widerstände. Das könnten die 75 Ohm sein. Dann wäre das Bauteil der 1nF Kondensator.
Patriq schrieb: > Nachdem ich das Notebook zusammengebaut habe und das Modul, von dem das > Teil abgefallen ist, weggelassen habe, hat es wieder funktioniert. > Leider war das Modul zuständig für USB, Netz und externen Monitor. und wo sitzt nun das Modul ? Gruss K.
Wenn das wirklich der 1nF 2kV Kondensator war, dann wäre ein Überspannungsschaden möglich - wahrscheinlich mit weiteren Folgen.
um welches Notebook handelt es sich? Man findet mitunter hochauflösende Aufnahmen der PCBs die hier vielleicht hilfreich sein könnten
Einhart Pape schrieb: > Dann wäre das Bauteil der 1nF Kondensator. vielleicht ein GHM3000 von Murata gk
Was auch immer für ein Kondensator oder Bauteil das sein mag -- das Ding hat nur mit dem Netzwerkinterface zu tun. Auch wenn es fehlt, sollte der Rest der Platine funktionieren. Da sie das aber anscheinend nicht tut (Patriq schreibt, daß das Notebook nur funktioniert, wenn die Platine weggelassen wird), liegt eindeutig noch ein anderer Defekt der Platine vor. Hier wären hochauflösende scharfe und ausreichend gleichmäßig ausgeleuchtete Bilder beider Platinenseiten wichtig, bei denen auch die Vorrichtung an der Ethernetbuchse entfernt ist. Ausreichend ausgeleuchtet ist wichtig; das Bild von heute 9:23 ist eindeutig bei zu wenig Licht aufgenommen, denn es ist verrauscht. Gleichmäßige Ausleuchtung ist wichtig, damit es nicht wie auf dem ersten Bild störende Blitzreflexe gibt. Naja, und warum ein Bild scharf sein muss, muss ich ja wohl nicht ausführen, oder? Mit diesen beiden Bildern kann man vielleicht noch andere Schadstellen auf der Platine erahnen -- denn, wie schon geschrieben, das "abgefallene" Bauteil alleine ist nicht Ursache des Ausfalls.
Hallo Zusammen, wie Rufus bereits richtig schreibt ist das Foto nicht vernünftig ausgeleuchtet, mangels meiner Ausstattung. Eventuell kann ich die Tage was gescheit mit nem Fototisch ausgeleuchtetes nachliefern. Als Laie und mit der Lupe konnte ich sonst keine oberflächlichen Schäden an der Platine oder den Bauteilen erkennen. Das Notebook ist ein Sony Vaio VPC-Z21. Um Schaltpläne oder andere Aufnahmen etc. habe ich mich auch schon bemüht - ohne Erfolg. Das war der Auslöser mich an das Forum zu richten. Die Vorrichtung an der Ethernetbuchse ist eine Wäscheklammer, die eine Plastikfolie als Abdeckung zurückhält damit der relevante Platz frei liegt. Es sind dadurch keine relevanten Teile verdeckt. Klar, kann da noch mehr kaputt sein. Durch das Ersetzen des SMD-Bauteiles möchte ich jedoch das Offensichtliche probiert haben, bevor ich aufgebe und das Ding in die Tonne klopfe. Viele Grüße, Patrick
Die neun Durchkontaktierungen deuten auf eine Wärmeableitung über die Platine hin. Was ist denn auf der anderen Seite der Platine über den neun Dukos verbaut? Etwa ein LeistungsTransitor o. Ä.? Dann wäre auch klar warum sich das Dinsg von selbst entlöten konnte! Gruß T.
Einhart Pape schrieb: > wäre das Bauteil der 1nF Kondensator. Genauer: es ist ein 1nF Y-Kondensator von Murata.
Hallo Miteinander, ich probiere es mal mit einem 1nF 2kV Y-Kondensator. Wenns geht gehts, wenn nicht dann nicht. Auf jeden Fall mal vielen herzlichen Dank für Eure Unterstützung. Viele Grüße, Patrick
Wenn du eine alte PCI-LAN karte hast, kannst du den auch von dort entnehmen. Hier hab ich gerade einen kleinen blauen, manchmal sehen die auch gelb aus und es ist ein Schlitz eingesägt. Für die Funktion ist er aber nicht nötig. Sicher ist noch mehr defekt.
Patriq schrieb: > ich probiere es mal mit einem 1nF 2kV Y-Kondensator. > Wenns geht gehts, wenn nicht dann nicht. Der Kondensator ist ein Entstörmittel. Für einen ersten Test kannst Du ihn auch einfach weglassen -- die Netzwerkschnittstelle funktioniert auch ohne ihn.
soul eye schrieb: > Patriq schrieb: > >> ich probiere es mal mit einem 1nF 2kV Y-Kondensator. >> Wenns geht gehts, wenn nicht dann nicht. > > Der Kondensator ist ein Entstörmittel. Für einen ersten Test kannst Du > ihn auch einfach weglassen -- die Netzwerkschnittstelle funktioniert > auch ohne ihn. Transientenschutz deshalb (2 kV) - kann man wohl wirklich weglassen. Ich vermute dass der Kondensator nicht mechanisch zerbröselt ist, sondern elekrisch zerschossen wurde. Dann wird wahrscheinlich der Rest der Baugruppe auch nicht unbeeindruckt geblieben sein.
Bitte melde dich an um einen Beitrag zu schreiben. Anmeldung ist kostenlos und dauert nur eine Minute.
Bestehender Account
Schon ein Account bei Google/GoogleMail? Keine Anmeldung erforderlich!
Mit Google-Account einloggen
Mit Google-Account einloggen
Noch kein Account? Hier anmelden.




