Hallo, ich komme bei einem Operationsverstärker leider nicht weiter. Auf dem Bild, ist es der Linke OP (a), bei welchem ich nicht vorankomme. Meine Vorgehensweise: ich habe über Maschen und die Knotengleichung meine Funktion aufgestellt. Vin / R = Is * [exp(-Vout/Ut)-1] jetzt habe ich den Summanden vernachlässigt, bekomme aber nach dem Umstellen: Vout / Ln(Vin) = -Ut / Ln(R*Is) Das Ziel ist aber die hier : H(w) = Vout / Vin = ..... Kann es sein dass ich was übersehen habe oder ist es einfach nicht machbar per Hand die DC-Übertragungsfunktion zu berechnen? Ich wollte es auch über LTSpice versuchen, jedoch verstehe ich nicht, wo ich die Werte der Diode eintragen kann (das ist immer gesperrt).
Alexander G. schrieb: > Ich wollte es auch über LTSpice versuchen, jedoch verstehe ich nicht, wo > ich die Werte der Diode eintragen kann (das ist immer gesperrt). Das ist nicht dein Problem... Erkläre bitte mal kurz, was du am Ausgang deiner Schaltung zu sehen erhoffst.
Also mein Gedanke ist, Vout/Vin (wie auf dem Bild), So wie auf dem Bild Frequenzgang mit Amplitudengang (durchgezogene Linie), und einem Phasengang (gestrichelt).
Geht es um die Lösung der Aufgabe 1 in der ersten Abbildung (da ist nur von DC die Rede) oder etwas ganz anderes? Alexander G. schrieb: > Also mein Gedanke ist, Vout/Vin (wie auf dem Bild), Um eine Bode-Plot zu erzeugen (der das AC-Kleinsignalverhalten beschreibt), musst du dich erst für einen Arbeitspunkt (d.h. einen konkreten DC-Anteil für Vin) entscheiden, da Vout(Vin) nichtlinear ist. Ein Plot von Vout/Vin, wie es dir vorschwebt, ist nur für lineare Übertragungsfunktionen möglich.
Ok, Danke Yalu X. Yalu X. schrieb: > Geht es um die Lösung der Aufgabe 1 in der ersten Abbildung (da ist nur > von DC die Rede) oder etwas ganz anderes? Dort ist tatsächlich nur die Rede von einer DC-Übert. (Gleichstrom). Was ist aber dabei an zu geben, dass verstehe ich nicht.
Alexander G. schrieb: > Was ist aber dabei an zu geben, dass verstehe ich nicht. Vout als Funktion von Vin, also Vout(Vin) = <ein komplizierter Ausdruck, in dem Vin vorkommt> Das hier ist schon richtig, aber muss eben noch nach Vout aufgelöst werden: > Vin / R = Is * [exp(-Vout/Ut)-1] Hier ist allerdings noch ein Fehler drin: > Vout / Ln(Vin) = -Ut / Ln(R*Is)
Aufgrund der vorgabe ist schon zu erwarten dass die Loesung etwas in der Art von VOut = ..* Log(..Vin..) ist.
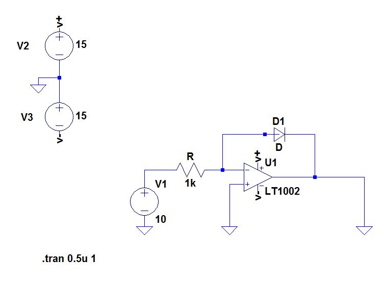
Super, vielen Dank noch Mal. Ich habe auch verstanden, dass laut der Übertragungsfunktion ein Signal am Ausgang entsteht welches Logarithmiert wird. Ich habe jetzt die Schaltung simuliert und habe an dem Ausgang und Eingang die Schaltung gemessen. Jedoch stimmt da was nicht. Die Ausgangskurve sieht nicht logarithmiert aus. Auch wenn ich die Diode in Sperrrichtung anbringe, ändert sich nicht viel an der Messung. Kann es sein dass ich eine andere Diode wählen muss?
Und wo ist der Parameter ? Eine Konstante am Eingang ergibt natuerlich eine Konstante am Eusgang. Wir reden nicht von Uebertragungsfunktion, sondern von Mathematikfunktion. Und weshalb ist die Eingangsspannung ausserhalb des Speisungsbereiches ?
Siebzehn Zu Fuenfzehn schrieb: > Und wo ist der Parameter ? Eine Konstante am Eingang ergibt natuerlich > eine Konstante am Eusgang. Wir reden nicht von Uebertragungsfunktion, > sondern von Mathematikfunktion. > Und weshalb ist die Eingangsspannung ausserhalb des Speisungsbereiches ? Ach super, Danke dir für die Fragen. Ich bin auch wirklich Dumm ^^; Du hast vollkommen recht. Erst als ich das Signal kleiner als die Versorgungsspannung gemacht habe, wurde aus einer Konstanten eine Variable. Der OP sendet ja immer das Signal zurück, und so entsteht über die Zeit eine Log.-Funktion. Die Diode habe ich auch noch gedreht, in Sperrrichtung kommt ja auch nichts durch. Vielen lieben Dank
Max Mustermann schrieb: > Negative Rampe 1.0V-0.0V am Eingang. > Logarithmus (Y-verschoben) am Ausgang Danke für die Sachen, ich habe es Mal so gelöst.
Das stimmt doch trotzdem alles nicht. -26kV am Ausgang? Schließe erst einmal die Masse bei deiner Versorgungsspannung richtig an. Im Moment hängt sie in der Luft.
Außerdem ist deine Eingangsspannung immer noch konstant (3mV). Du möchtest sicher statt der "Transient"- eine "DC Sweep"-Simulation machen. Du kannst das im Menü "Simulate/Edit Simulation Cmd" auswählen.
Christian L. schrieb: > Das stimmt doch trotzdem alles nicht. -26kV am Ausgang? Schließe erst > einmal die Masse bei deiner Versorgungsspannung richtig an. Im Moment > hängt sie in der Luft. Danke, hab den Fehler nicht bemerkt. Habe es jetzt angepasst. Yalu X. schrieb: > Außerdem ist deine Eingangsspannung immer noch konstant (3mV). Du > möchtest sicher statt der "Transient"- eine "DC Sweep"-Simulation > machen. Du kannst das im Menü "Simulate/Edit Simulation Cmd" auswählen. Ja, cool Danke, habe jetzt auch die Simulation angepasst. Sieht ja schon viel besser aus. Ich gleiche Mal die Werte mit der Übertragungsfunktion.
Warum zeichnest du den Bereich von -20V bis +20V? Der Logarithmierer funktioniert nur mit einer Polarität. In deinem Fall musst du mit negativen Spannungen arbeiten. Außerdem nimmst du mit 10V eine viel zu große Schrittweite in der Simulation. Nimm einfach mal kleine Werte, wie z.B. 1m oder weniger, da du sonst nichts siehst. Ändere mal das Simulationskommando auf: .dc Vin -10 0 1m Jetzt solltest du schon bessere Ergebnisse kriegen. Du kannst auch die Eingangsspannung logarithmisch erhöhen. Dann siehst du eine Gerade als Ergebnis. Dafür musst du nur den sweep auf Dekadisch stellen bzw. das Kommando auf: .dc dec Vin -10 0 1m ändern.
Super, Danke für den Tipp. Habe es jetzt noch Mal die Simulation angepasst. Sieht gleich viel besser aus. Ich probiere es Mal gleich auf andere Schaltungen aus.
Bitte melde dich an um einen Beitrag zu schreiben. Anmeldung ist kostenlos und dauert nur eine Minute.
Bestehender Account
Schon ein Account bei Google/GoogleMail? Keine Anmeldung erforderlich!
Mit Google-Account einloggen
Mit Google-Account einloggen
Noch kein Account? Hier anmelden.







