Hallo zusammen, ich weiß, man soll sich schlau lesen und möglichst eigene Lösungen erarbeiten, bevor man hier eine Frage stellt und nach fertigen Lösungen verlangt...aber mir raucht gerade mächtig der Kopf und diese ganze Analogtechnik macht mich grad echt fertig! Hintergrund ist der: Ich will eine Wasserpumpe zum Laufen bringen. Diese hat freundlicher Weise neben den 12V Versorgungseingang, auch einen PWM Eingang zur Regelung. Dieser soll mit 8-16V und 80-1100Hz bedient werden. Ich komm mehr aus der Software Ecke. Die PWM und die Regelung stellt also an sich kein Problem dar. Nur der 3.3V Ausgang meines MC. Ich hab nun schon alles möglich über High Side Treiber und Level Shifter gelesen, aber das verwirrt alles mehr als dass es mir hilft. Kann mir bitte bitte bitte jemand eine einfache Transistorschaltung zeigen, mit der ich meine 3.3V PWM auf 12V anheben kann? All zu hochfrequent muss es nicht sein. Habe meine PWM jetzt auf 500Hz gesetzt. Und ich vermute mal der Eingang der Pumpe wird sehr hochohmig sein, also brauche ich auch keinen dicken Leistungs-MOSFET. Danke schon Mal im Voraus! Beste Grüße
Ich würde einen Bipolaren- oder einen MOS-Transistor in Basis/Gate-Schaltung als Pegelwandler verwenden: https://www.mikrocontroller.net/attachment/231214/Pegelwandler_.wikipedia.PNG An Stelle der 5V kannst du auch 12V verwenden.
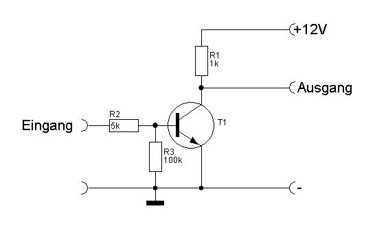
http://www.elektronik-kompendium.de/sites/slt/0204302.htm Rv 10k Rc 1k Ub 12V Schaltung invertiert, aber das am MC umzustellen sollte dir ja keine Probleme machen. Sebastian T. schrieb: > Ich komm mehr aus der Software Ecke.
1 | Schalten gegen +12V |
2 | |
3 | +12V o--------------o----------------------o----> 12V-Pumpe |
4 | | | |
5 | | ____ |< T2, PNP |
6 | +--|____|----o--------| BC557 |
7 | R1,4K7 | |\ |
8 | |/T1,NPN | |
9 | Vcc/+3V3 o--------------| BC547 o----> PWM-Pumpe |
10 | |> | |
11 | ___ | .-. |
12 | uC PIN o-----|___|------' ( X ) |
13 | R2,4K7 '-' |
14 | | |
15 | GND o----------o--------------------------o----> GND-Pumpe |
aus: http://www.mikrocontroller.net/articles/Transistor Zwischen Lampe und Kollektor gehst Du ab zum "PWM-PIN" deiner Punmpe. Die (kleine) Lampe kann auch ein 470R Widerstand sein. StSchlz
OMG 2 Transistoren und so umständlich ? ein NPN Transistor reicht doch, BC548 o.ä. siehe Schaltung oben.
Weshalb wird es in der Artikelsammlung unter "Transistor" aufgeführt, wenn "ach soo kompliziert ist" und "sooviele Transistoren" braucht? Gähn: echt mal. Sebastian: bau Dir das genauso auf. Das funktioniert sehr gut so. Die Teile kosten dreißig Cent oderso.
Stefan Schulz schrieb: > Weshalb wird es in der Artikelsammlung unter "Transistor" aufgeführt, > wenn "ach soo kompliziert ist" und "sooviele Transistoren" braucht? Wenn man Highside schalten will ist die Schaltung in Ordnung. Wenn man nicht aktiv auf +12V ziehen muss funktioniert sie auch, ist aber komplizierter als nötig.
Wow vielen Dank für die vielen Antworten!!! Ich werd das mal ins Spice klimpern und durchtesten. Meld mich dann nochmal...
Hallo Sebastian T., Du kannst auch einen MOSFET-Treiber als Pegelwandler nehmen. Ist nicht die günstigste, aber eine einfache Lösung. Beispiel für einen MOSFET-Treiber: MCP1401 http://ww1.microchip.com/downloads/en/DeviceDoc/20002052D.pdf David
Herr Lenz, ich habe Ihre Schaltung vom 28.10. nachgebaut, sie ist invertierend, macht in meinem Fall aus L 0V macht sie 12V und aus H 3.3V macht sie 0V. Wie würde Ihre Schaltung NICHT invertierend aussehen? Ich versuche mich an einem Pegelwandler der aus Low 0 V weiterhin 0V macht und aus High 3.3V soll er 12V machen. Im Artikel hier aus dem Forum sind Schaltungen, die in meinem Fall nicht wie gewünscht reagieren (Low sind auf einmal 1.47V). Da Ihre Schaltung aber immerhin invertiert wunderbar funktioniert, haben Sie bestimmt einen Trick sie genauso nur NICHT invertiert laufen zu lassen.
Helmut schrieb: > Wie würde Ihre Schaltung NICHT invertierend aussehen? So z.B.: https://upload.wikimedia.org/wikipedia/de/thumb/4/4e/Bidirektionaler_pegelumsetzer_wikide.svg/230px-Bidirektionaler_pegelumsetzer_wikide.svg.png Mit einem bipolaren Transistor in Basisschaltung geht das auch, dann braucht man aber einen Basiswiderstand. Ansonsten könnte man das PWM auch im µC invertieren.
Nimm 2N7002 o.ä., der schaltet viel schneller als ein bipolartransistor. Alternativ: Gatetreiber-IC benutzen!
Darf ich das noch mal aufwärmen, ich bin sehr neu im Thema Elektronik/Programmierung, und hangel mich jetzt seit ca. einem Jahr von Aufgabe zu Aufgabe. Auch wenns immer lange dauert, am Ende hab ich mich jedes mal durchgebissen. Dieses mal das Ziel: Tachojustage eines alten BMW auf die Bereifung 205/50R15. Dazu braucht der Tacho 12V PWM. Aus dem Raspberry Pi bekomme ich 3,3V PWM, und muss diese hochspannen. Die Schaltung von Autor: Stefan Schulz (Gast) Datum: 28.10.2014 15:35 will ich basteln, meine einzige Frage ist nur, was mit uC Pin gemeint ist? Wäre das in meinem Falle die Masse des Raspberry Pi? Vielen Dank!
Ralf S. schrieb: > ich bin sehr neu im Thema > Elektronik/Programmierung Ralf S. schrieb: > Aus dem Raspberry Pi beides zusammen eine unglückliche Idee, der PI ist sensibel, die Ports sind sehr empfindlich und ohne Schutzmaßnahmen stirbt er schneller als ein voll krasser 3er.
Warum nicht der gute alte Optokoppler zwecks Entstörung und Isolation? Der entscheidende Ausschnitt aus: http://www.u-r-rennert.de/bahn/raspberry/bahn_strg2.htm Siehe Bild.
Bitte melde dich an um einen Beitrag zu schreiben. Anmeldung ist kostenlos und dauert nur eine Minute.
Bestehender Account
Schon ein Account bei Google/GoogleMail? Keine Anmeldung erforderlich!
Mit Google-Account einloggen
Mit Google-Account einloggen
Noch kein Account? Hier anmelden.

