Hallo zusammen, ich bastel derzeit an einer Schaltung und habe nun ein Problem, bzw. komme nicht weiter. Und zwar verwende möchte ich 7-Segment-Anzeigen per Arduino ansteuern. Dazu verwende ich einen TM1638 Chip. Soweit so gut. Nun möchte ich anstatt der auf dem TM1638-Board verbauten Anzeigen eigene größere Anzeigen ansteuern. Ich bin mir aber komplett unsicher, welche Transistoren ich brauche und wie diese geschaltet werden müssen. TM1638-Board: http://www.dx.com/p/jy-mcu-8x-red-light-digital-tube-8x-key-8x-double-color-led-module-104314#.VFO_aRbOWSo Datenblatt TM1638: https://docs.google.com/file/d/0B4JhBWQiFENbNnpEVTAtUFZzdHM/edit Datenblatt verbaute 7-Segment Anzeigen (5416A): http://pdf.datasheetarchive.com/indexerfiles/Scans-021/ScansEX27120.pdf Die neuen 7 Segment anzeigen benötigen 18 Volt und etwa 50mA pro Segment. Ich wäre sehr dankbar, wenn mir jemand weiterhelfen könnte. Mit freundlichen Grüßen, Sebastian
Der TM1638 ist dafür ausgelegt eine 7Seg. Anzeige direkt zu treiben. Wenn du da jetzt andere Anzeigen mit höherer Spannung nimmst, dann musst du einige Klimmzüge machen. Nur ein paar Transistoren dazwischen schalten ist nicht. Hast du dir schon eine Schaltung gemacht wie es aussehen soll?
Erstmal danke für deine Antwort. Mhh... das ist natürlich schlecht. Ich habe mich damals bewusst für den TM1638 entschieden, da es für diesen eine fertige Library gibt. Die Schaltung an sich mit den Standard-Anzeigen ist aufgebaut und funktioniert und mein Steuerprogramm auf dem PC ist auch darauf angepasst. Welche Möglichkeiten würde es denn noch geben, die größeren Anzeigen anzusteuern? Gruß, Sebastian
Für die Segmente könnte man einen UDN2981 nehmen. Für die Kathoden müsste man eine Transistorschaltung aus pnp und npn bauen.
Vielen Dank. Kannst du mir ggf. noch erklären, ob der TM16378 die Kathode auf Masse zieht oder nur die Spannung senkt? Dann werde ich mich bemühen eine Schaltung für die Transistoren zu entwerfen und hier zu posten. Gruß, Sebastian
Hier wäre einmal mein Vorschlag für die Transistorschaltung. Ist das so ok? Oder mache ich einen Denkfehler?
Das ist OK, der npn muss nur den Strom aushalten, ein BC337 etwa. Was nimmst du für die Segmente? Widerstände?
Perfekt, dann vielen Dank für die Hilfe. Jedes Segment hat eigene Widerstände, diese hatte ich oben bereits in die 18Volt, 50 mA eingerechnet. Dann werde ich in den nächsten Tagen schauen, dass ich passende Transistoren bekomme und werde das ganze testen. Gruß, Sebastian
Ja, hatte ich vor. Warum? Muss ich da noch etwas beachten? Gruß, Sebastian
Du musst nur bei der Stromversorgung daran denken das im UDN etwa 2V hängen bleiben. Also etwas mehr als die 18V vorsehen, es können leicht 24V sein wenn du die Widerstände anpasst.
Sebastian schrieb: > Hier wäre einmal mein Vorschlag für die Transistorschaltung. Ist das so > ok? Oder mache ich einen Denkfehler? Ich würde noch einen Basisableitwiderstand am NPN-Transistor einbauen (zwischen Basis und GND), damit das Ganze schneller abschaltet. Sonst kann/wird es "Ghosting" geben (ich kenne die Multiplexfrequenz und die Pausen beim Umschalten des TM1638 nicht, daher ist eine Vorhersage "schwierig", wie schnell die Transistoren schalten müssen). Übrigens: "selbstleitend" und "selbstsperrend" gibt es bei Bipolar-Transistoren nicht! Gruß Dietrich
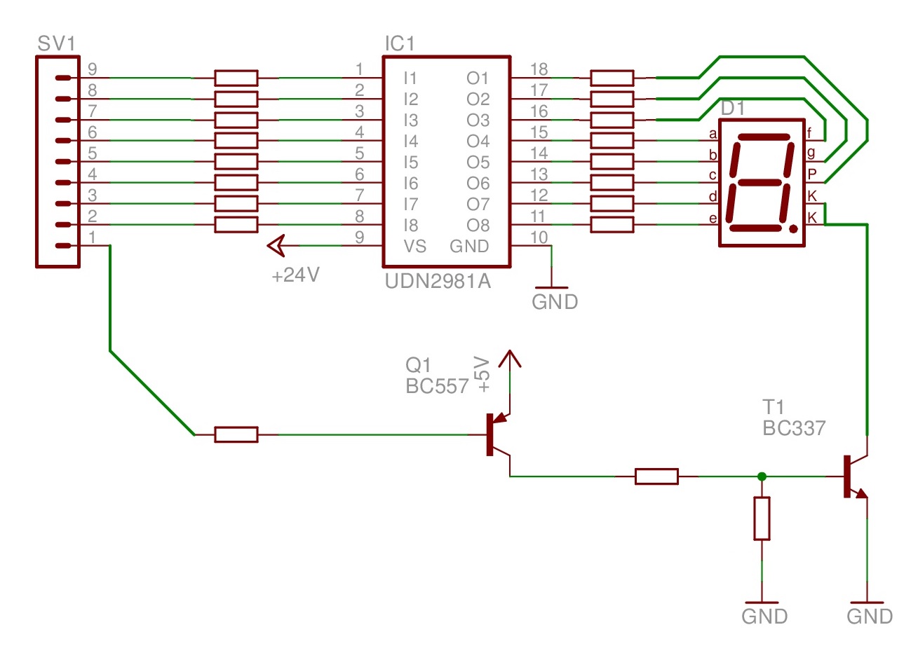
Für eine Anzeige habe ich das Ganze jetzt mal aufgezeichnet. Sind die ausgewählten Tranisitoren so in Ordnung? Und könnte mir ggf. jemand die Widerstände an den Transistoren berechnen? Gruß, Sebastian
Basiswiderstand Q1 2k2
T1 560
Widerstand nach GND 10k
Die Widerstände am Eingang des UDN kannst du weglassen.
Nochmal vielen Dank für die ganze Hilfe bislang. Inzwischen habe ich das ganze in großem Maßstab aufgebaut und soweit klappt auch alles ganz gut. Einziges Problem ist noch, dass die Segmente, die nicht aktiv sind, leicht flackern. Den Basisableitwiderstand habe ich zum Testen verkleinert, das bringt leider keine Abhilfe. Vielleicht kann mir hierbei nochmal jemand helfen? Gruß, Sebastian
Wirklich flackern oder mitglimmen? Ich habe auch schon Anzeigen gehabt, die nicht ganz dicht (optisch :-)) waren, d.h. benachbarte leuchtende Segmente koppelten direkt optisch ein. Nimm mal irgendeinen Segmentwiderstand raus und schau, ob das betreffende immer noch mitleuchtet.
Die einzelnen Segemte sind optisch nicht miteinander verbunden, daher kann es daran leider nicht liegen.
Ok, dann liegts am 2981. Der ist recht gemütlich am werkeln, alter Kram eben. Der genehmigt sich etliche µs Ausschaltverzögerung, das kann man sehen. Schnelleren Treiber suchen/bauen oder Software umstricken.
Diesen Effekt nennt man "Ghosting". Starte mal die Suche hier, da findest du etliche Einträge darüber.
Also vielen Dank für die Antworten. Ich habe nun eine Lösung für das Problem gefunden. Ich habe vor dem UDN2981 einen Pull-Down-Widerstand eingebaut und das flackern ist weg.
Hast du fertige Arduino-Libs zusammengestoppelt oder selbst programmiert? Wenn du selbst programmiert hast, dann sieht der Fehler nach dem Schalten der PullUp in den I/O des Arduino aus.
Bitte melde dich an um einen Beitrag zu schreiben. Anmeldung ist kostenlos und dauert nur eine Minute.
Bestehender Account
Schon ein Account bei Google/GoogleMail? Keine Anmeldung erforderlich!
Mit Google-Account einloggen
Mit Google-Account einloggen
Noch kein Account? Hier anmelden.

