Angeregt durch den Retrofieberthred erinnere ich mich zweier Schachteln welche seit über 20 Jahren bei mir Schlummern je ein IF6000 und ein IF3000 Der Zweck der Kerlchen war war eine Typenradschreibmaschine mit Carbonband als Drucker benutzen zu können. Das soweit funktionierte ganz gut, aber die Schreibmaschine hat nach der Scheidung einen anderen Weg genommen als die IFBoxen und so harren sie seither bei mir. Die Neugier wollte jetzt, dass ich mal wieder hinein schaute und da liegen sie nun die beiden Superhirne http://www.nisch-aufzuege.at/Z80/if.pdf von einst. 2 Einchiprechner degradiert zum Dasein als ungenutzte IF-Boxen. Meine ersten Impuls sie auszuschlachten musste ich sofort verwerfen. Aber eventuell fällt mir ja was besseres, ein schließlich soll der Kerlja einen Basicinterpreter beinhalten. ;) Und ich denke der integrierte Bootlader erlaubt es andere Rominhalte zu laden. Mal sehen was daraus werden kann Display und Keybord sollte machbar sein und mindestens das parallel-IF sollte auch noch zu etwas nütze sein. Was meint Ihr was sollte man daraus basteln der Grundaufbau ist ja schon fertige Arbeit, Orignal und kein bischen Retro. Da muss doch was gehen? Gruß Winne
Du könntest den Computer von "Jugend und Technik" nachbauen. Der íst mit dem UB8830 bestückt. https://de.wikipedia.org/wiki/Ju-Te-Computer http://hc-ddr.hucki.net/wiki/doku.php/tiny Ich habe meinen leider verschenkt. MfG Paul
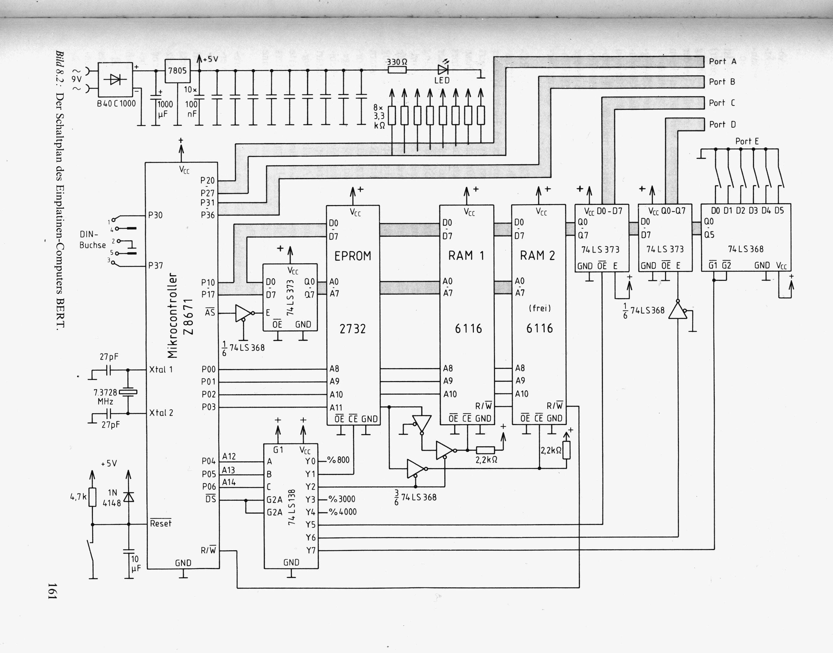
UB8830D könnte die Kopie des Z8671 sein. Damit könnte man vielleicht den BERT-Computer nachbauen. Der BERT-Computer ist ein Einplatinen Lern und Experimentiercomputer mit BASIC-Interpreter.
Hallo Günter hucki ist da dezidiert anderer Ansicht aber danke;) http://hc-ddr.hucki.net/wiki/doku.php/elektronik:u883 Namaste
Ach schön! So eine IF3000 hab ich auch noch. Da konnte ich damals vom Z1013 aus drucken. Später konnte ich die Schreibmaschine jedoch per Software anschließen. Dann konnte man die Schreibmaschine auch als Tastatur für den Z-1013 nutzen. Da waren dann mehr Zeichen und der volle Zugriff auf die interne Steuerung der Schreibmaschine möglich (Mikroschritt). Bei den ROBOTRON'S ist die Box auch heute noch aktuell. Den ROM-Inhalt hab ich mal ausgelesen und ich glaube den Schaltplan gibt es auch. Bitte nicht schlachten!
Winfried J. schrieb: > hucki ist da dezidiert anderer Ansicht Vielleicht ist es dann ein Nachbau des 8044AH-Basic oder 8052AH-Basic. Afaik gab es zu gleicher Zeit auch von AMD verbesserte Versionen der MCS-48 und MCS-51 Chips mit mehr Speicher, deren Hausnummer mit 9 statt 8 begann. http://www.dos4ever.com/8031board/8031board.html http://de.wikipedia.org/wiki/Intel_MCS-51 http://de.wikipedia.org/wiki/Intel_MCS-48 https://www.google.de/#q=intel+ah-basic
Es ist vielleicht kein Nachbau. Der Chip ist mit seinem Basic auch nicht direkt zur Zilog Version kompatibel. (Warum müssen das unbedingt immer Clones sein?? Ich habe noch einen U2364 BM200, dieser ROM macht zusammen mit dem U883 und etwas RAM einen kleinen Computer mit Entwicklungssystem für Assembler und den Tinybasic Interpreter. Betrieben wird das Ganze über die serielle Schnittstelle der U883. Die Daten aus dem ROM sind auch im Netz unterwegs, Winne wenn Dich das interessiert brenne ich Dir einen Eprom und Du müsstest mal gucken ob Du die Platinen umwidmen kannst. Ich weiß nicht ob meine Idee Nr.2 nicht evtl die bessere ist: Möglicherweise sind diese Interfaceboxen gefragt und Du kannst zumindest eine davon gegen Etwas tauschen was besser geeignet ist. Es gab diesen Jugend und Technik-Computer der eine direkte Ausgabe auf der Glotze ermöglichte, und auch andere Sachen. Das Zeug wurde IMHO reverse engeneered und neu von Usern bei Robotrontechnik aufgelegt, mit neuer Platine usw. Wenn Du einen U883 haben möchtest an dem unten keine Platine dran hängt, ich schicke Dir einen... Gruß, Holm
@ Holm Hört sich interessant an mit den U2364 BM200. Hast du dafür mehr Infos? Schaltplan, Bedienung etc. Viele Grüße
@ Holm deine erste idee ist mir sympatisch genug ich werde in bewährter Weise das ROM über das CS deaktivieren und hukpack ein anderes draufsetzen dazwischen noch ein SRAM 6264 das sollte soweit alles passen ich glaube sogar pinkompatibel mal sein, werde das überprüfen Die S3004 schnittstelle ist eine 5V UART und mit einem Mäxchen schnell als UART nutzbar. Das serielle Interface ist dann sowiso fix einsatzbereit. Auch das Parallelinterface ist nicht uninteressant z.B. als Logger. interesant sind aber auch mögliche Porterweiterungen? Ah und "Bennewitz & Podzuweit" hat sich sogar in meiner Hausbibliothek gefunden. http://hc-ddr.hucki.net/wiki/lib/exe/detail.php/tiny:bennewitz.jpg?id=tiny%3Au881 Das sollte erstmal genügen. Danke für alle Tips PS: Z8 mit umgekehrt polnischer Notation ja den hatte ich im Studium als K1003 mit Magnetstreifenkarte und Drucker daran erinnere ich mich gut ;) Darauf haben wir unsere Navigationsaufgaben gerechnet. Zur selben Zeit hatte mein Schwager einen Spekki+. Da der nicht mehr zu bekommen war begann ich mit Atari 800XE und nun rate mal was nach dem Matrixdrucker von Atari da drann hing ;) Namaste
foo schrieb: > Vielleicht ist es dann ein Nachbau des 8044AH-Basic oder 8052AH-Basic. Die UB8830 /1 sind keine Nachbauten, sondern echte Z8. Damals hab ich aufgegeben wegen dem 64-poligen Gehäuse und dem zum Z80 ungewohnten Assemblercode. Als Buch hab ich auch "Programmierung von Einchipmikrorechnern" Bennewitz/Potszuweit für die UB881 usw. ausgegraben. Dort ist die Struktur und die Assemblerprogrammierung wirklich gut beschrieben. Nun brauchte man nur noch einen Assembler um loszulegen. Platinen machen ist ja heute kein Problem mehr.
Winfried J. schrieb: > @ Holm > > deine erste idee ist mir sympatisch genug ich werde in bewährter Weise > das ROM über das CS deaktivieren und hukpack ein anderes draufsetzen > dazwischen noch ein SRAM 6264 das sollte soweit alles passen ich glaube > sogar pinkompatibel mal sein, werde das überprüfen Die S3004 > schnittstelle ist eine 5V UART und mit einem Mäxchen schnell als UART > nutzbar. Das serielle Interface ist dann sowiso fix einsatzbereit. Da war mal ein Artikel in der Mikroprozessortechnik, muß morgen mal danach suchen.. Dem Dump vom U2365BM200 habe ich schon gefunden. > > Auch das Parallelinterface ist nicht uninteressant z.B. als Logger. > > interesant sind aber auch mögliche Porterweiterungen? > > Ah und "Bennewitz & Podzuweit" hat sich sogar in meiner Hausbibliothek > gefunden. > http://hc-ddr.hucki.net/wiki/lib/exe/detail.php/tiny:bennewitz.jpg?id=tiny%3Au881 > > Das sollte erstmal genügen. > Danke für alle Tips > > PS: Z8 mit umgekehrt polnischer Notation ja den hatte ich im Studium als > K1003 mit Magnetstreifenkarte und Drucker daran erinnere ich mich gut ;) Nee, machst Du nicht. http://www.tiffe.de/Robotron/K1003/ Ich habe im Lager 2 Stück K1003 rumstehen (einer gehört nicht mir und war Referenz zur Reparatur, es funktionieren jetzt Beide), das werkelt kein Z8 drin, sondern ein U808 was einem Intel 8008 entspricht... > Darauf haben wir unsere Navigationsaufgaben gerechnet. Zur selben Zeit > hatte mein Schwager einen Spekki+. Da der nicht mehr zu bekommen war > begann ich mit Atari 800XE und nun rate mal was nach dem Matrixdrucker > von Atari da drann hing ;) > > Namaste Möglicherweise ne Schreibmaschine? :-) Gruß, Holm
Ich lese interessiert mit aber habe keine Ahnung von DDR Bauteilen, bin ja mal gespannt was draus wird.....
Winne ich habe auf der Suche nach dem Artikel was Anderes gefunden: http://www.tiffe.de/Robotron/misc/IF3000_und_IF6000_und_Aenderungsmitteilung.pdf Ist ja vielleicht wichtig :-) Christian DDR Bauelemente sind wie andere auch, hießen aber teilweise anders. Beim Z80 dürftest Du mittlerweile schon mal gelesen haben das der eigentlich U880 heißt, beim Z86xx ist es halt U883... und ein Intel 8008 hieß eben U808 (500khz Takt). U steht für Unipolar. Gruß, Holm
Paul Baumann schrieb: > ...und "Raider" heißt jetzt "Twix" > > ;-) > > MfG Paul Das ändert aber sonst Nix... Gruß, Holm, gehe jetzt mein Weib im WZ besuchen... Gruß, Holm
S3004 halt ein BrotherClon nur mit Interface halt. Eine Brother steht noch im Keller allerdings ohne Interface und ich habe mich noch nicht daran gemacht. Back to topic. Der 8830 ist ein 40 Pinner mit 2,56m Raster wie mir scheint. aber das ist unwichtig er sitzt ja schon in seinem zuhause , welches viel wichtiger noch ein en 2. Platz für externen ROM besitzt beide sind sowohl sowohl der erste wie der z. sind für 24 und 28 pinn Rom designt. Und darauf past meines wissens auch der 6264 (Erfahrung aus ATARIzeiten freu). Davon liegen noch einige hier aus einem alten Siemens Telefon mit el.Telefonbuch ... es beginnt langsam interessant zu werden. @ Holm, Deine Seite ist eingermaßen Aufschlussreich. gute Nacht habe kommende Woche viel Programm Namaste
Ja hatte ich schon vor einer Stunde bei dir runtergeladen ;)
Moin, Hier das Zeug Winne das die Leute bei Robotrontechnik.de für Dich ausgegraben haben: http://www.tiffe.de/Robotron/U883-BM200/ Ich erinnere mich noch damals in irgend einer Zeitschrift gelesen zu haben, dass das Bitmuster 200 irgendwo im Assembler- oder Disassemblerteil einen kleinen Fehler enthält, der aber nicht dolle ins Gewicht viel. Man hatte sich damals entschlossen das Ding trotzdem zu produzieren. Ich finde das nicht mehr, gebs Dir aber mit auf den Weg... Gruß, Holm
michael_ schrieb: > Damals hab ich aufgegeben wegen dem 64-poligen Gehäuse Das waren aber die „Entwicklungsversionen“ UB8820/8821, die hatten ein QIL-Gehäuse, bei denen jeweils zwei Pinreihen mit 1,25 (oder 1,27?) mm Versatz benutzt worden sind, damit man extern einen EPROM anflanschen konnte. (Später gab es ihn auch noch als UB8840/8841 für 4 KiB ROM.) War eigentlich gar nicht so schlecht, habe damit drei (völlig verschiedene) Tastatursteuerungen und eine Steuerung für meinen Klopper von elektromechanischer Schreibmaschine aufgebaut. > und dem zum Z80 > ungewohnten Assemblercode. Wobei ich ihn eigentlich schöner fand. Im Gegensatz zum Z80 brauchte Zilog ja dort nicht auf das Intel-Erbe Rücksicht nehmen. Der UB8830 war ein UB8810, nur eben mit einem sehr speziellen ROM-Inhalt, und der UB8810 wiederum ein „waschechter“ Z8601.
Die "komische" Mnemonik war eigentlich nur in dem Buch Programmierung von Einchipmikrorechnern. Ich hab heute mal in alten Unterlagen gesucht. Die wenigen mehr oder minder brauchbaren Assembler hatten eine normale Mnemonik. Die genannten Tastatursteuerungen waren sicher nach FuA 12/90 (K7669). Zwei der Leiterplatten für die 64-pol. Prozessoren hab ich sogar auch. Und sechs dieser Prozessoren sind auch noch da :-) . Das wird was für lange Wintertage.
http://pontacko.tfn-clan.de/files/tmp/Anwdg_EMR_UB88xx.pdfhier ist auch noch was speziell die letzten seiten dürften hilfreich werden ;)
Winfried J. schrieb: > Back to topic. Der 8830 ist ein 40 Pinner mit 2,56m Raster wie mir > scheint. Oh weh, noch ne Version. An das Durcheinander mit 2,5 und 2,54 hatte ich mich schon gewähnt :-)
Tastaturcontroller habe ich früher auch mit den Dingern gebaut..und nein, nicht nach Funkamateur, sondern nach gut dünken..der Funkbummi hechelte mit seinen Lösungen immer meinen Problemen hinterher. An den Mnemoniks konnte ich als Z80 gewohnter Nichts doofes finden, das Einzige was mir irgendwie auf den Wecker ging waren diese Ausrufezeichen... ich fühle mich ständig angebrüllt.. Gruß, Holm
Hi! Da es hier um den UB883 geht... Hat vlt jemand einen ROM-Dump für mich? Danke und LG
Sorry, Leute die guest oder Gast heißen können auch selber Googlen.. Das gibts im Netz. Gruß, Holm
michael_ schrieb: > Die genannten Tastatursteuerungen waren sicher nach FuA 12/90 (K7669). Nö, meine waren schon viel eher fertig. Irgendwer brachte einige „West“-Tastaturen angeschleppt (von C64 bis einfachem IBM-PC), und ich habe dann für mich und zwei Kollegen die Controller dafür gebaut. H.Joachim Seifert schrieb: > Oh weh, noch ne Version. Ja, das QIL-Gehäuse war eine völlige Sonderlösung.
Holm Tiffe schrieb: > Sorry, Leute die guest oder Gast heißen können auch selber Googlen.. Wird hier etwa anhand von Nicknames diskriminiert? Pfui
Jörg Wunsch schrieb: > > Ja, das QIL-Gehäuse war eine völlige Sonderlösung. .... und Fassungen natürlich nicht zu beschaffen. Ich habe dann zwei Präzisionsfassungen zersägt, etwas schmaler gefeilt und versetzt aneinander geklebt. Damit entstanden dann Frequenzzähler, eine FLL (nach rfe) im Eigenbau-UKW-Empfänger und noch Einiges. Irgendwo habe ich noch ein komplettes Entwicklungssystem zum 8820/8840, sollte nach der Wende entsorgt werden ;-) Old-Papa Die Fassung war übrigens ne Einbahnstraße: Rein ging noch, raus musste man die äußeren Pins einzeln ziehen. Die haben sich sonst saumäßig verkantet.... :-(
Old Papa schrieb: > .... und Fassungen natürlich nicht zu beschaffen. Hätte ich auch nicht verbauen wollen dafür.
Jörg Wunsch schrieb: > Old Papa schrieb: >> .... und Fassungen natürlich nicht zu beschaffen. > > Hätte ich auch nicht verbauen wollen dafür. Da ich die Dinger wieder teilweise unbedruckt in Muldenhütten aus dem Futter für den Bleischachtofen gepolkt hatte bevor die überhaupt im Handel zu sehen waren, hätten Fassungen mich schon interessiert. Ich habe aber olle Steckverbinder (EFS - Muttis, 3 reihig, 2 Mit Kontaktreihen bestückt) die es auch da gab, in der Mitte längs zersägt, das ging zum Testen auch :-) @cyblord: >Wird hier etwa anhand von Nicknames diskriminiert? Pfui Nääh, mit Nichten. Ich reiße mir blos für Leute dieses Namens kein Bein aus. Gruß, Holm
Zum Testen habe ich mir eine Zwischenplatte mit dem Lochmuster aus FR4 fräsen lassen. Die besteht aus einer Grundplatte, durchgehend 0,5mm stark, und zwei seitlichen 1mm dicken Streifen, welche die Pinreihen gegen die Grundplatte abzustützen. Dieses Gebilde kommt zwischen Käfer und Testfassung, und verhindert beim Entsockeln dass sich die Pins verbiegen.
Old Papa schrieb: > Die Fassung war übrigens ne Einbahnstraße: Rein ging noch, raus musste > man die äußeren Pins einzeln ziehen. Die haben sich sonst saumäßig > verkantet.... :-( Die haben so eine Art Spinnenbeine in dem damals DDR-feinlichen 2,54 Raster. Sehr fassungsfeindlich.
ich habe angefangen den Schaltplan zu rekonstruieren hier ein Zwischenstand zum Anschluss der externen Speicher grün ist bestückt orange noch frei http://www.nisch-aufzuege.at/Bilder/if3000_6000mem.png
Erstmal nichts Ungewöhnliches. Das externe Speicherinterface ist meiner Erinnerung nach durch die Hardware ziemlich fest vorgegeben.
Winfried J. schrieb: > ich habe angefangen den Schaltplan zu rekonstruieren > hier ein Zwischenstand zum Anschluss der externen Speicher > grün ist bestückt orange noch frei Mach dir nicht die Mühe! Ich bin fündig geworden und habe die Schaltpläne und eine technische Beschreibung für beide Boxen. Ich werd sie einscannen und ordentlich in einem PDF unterbringen. Kann ein paar Tage (Wochen?) dauern. Noch ist nicht Winter. Bei der Suche nach einem Z8-Assembler hab ich auch das Zilog ZDS-3.68 installiert. Da ist ein interessantes Tool dabei, wo man Dateien .hex, .bin usw. konvertieren kann. Nur so nebenbei.
Q jörg ja das war zu erwarten trotdem benötige ich die konkrete Schaltung für die angstrebte Funktionserweiterung michael_ schrieb: > Winfried J. schrieb: >> ich habe angefangen den Schaltplan zu rekonstruieren >> hier ein Zwischenstand zum Anschluss der externen Speicher >> grün ist bestückt orange noch frei > > Mach dir nicht die Mühe! > Ich bin fündig geworden und habe die Schaltpläne und eine technische > Beschreibung für beide Boxen. die schaltpläne wären super! technische beschreibung , wenn sie über den Waschzettel hinaus geht gerne. snst habe ich das schon. > Ich werd sie einscannen und ordentlich in einem PDF unterbringen. > Kann ein paar Tage (Wochen?) dauern. Noch ist nicht Winter. > > Bei der Suche nach einem Z8-Assembler hab ich auch das Zilog ZDS-3.68 > installiert. > Da ist ein interessantes Tool dabei, wo man Dateien .hex, .bin usw. > konvertieren kann. > Nur so nebenbei. Das klingt sehr verlockend ein link würde mir die suche danach erparen/ vereinfachen? Jetzt muss ich nur noch herausfinden ob ich erst ein Terminal in ein Rom gießen muss, oder ob der Herr Professor "Him self" sich irgendwie über die vorhandene Software ungefiltert ansprechen lässt? Sprich ob man Ihn, an seinem Job als Translator vorbei, auch persönlich sprechen kann und wenn ja wie. klöpf? klöpf? Namaste
Winfried J. schrieb: > Das klingt sehr verlockend ein link würde mir die suche danach erparen/ > vereinfachen? Na, wo denn schon? Natürlich bei ZILOG! http://store.zilog.com/index.php?option=com_ixxocart&Itemid=1&p=catalog&parent=5&pg=1 Für die Basic-Variante hab ich jedoch nichts gefunden. Nur für den 8051 gibt es Editoren/Compiler.
Hier mal der Schaltplan der IF6000. Interessant ist die Bereitstellung der RS232-Spannung von 8V mit dem A210. Winfried, du gehst fremd. Ich hab dich woanders mit dem gleichen Thema erwischt :-)
michael_ schrieb: > Winfried J. schrieb: >> Das klingt sehr verlockend ein link würde mir die suche danach erparen/ >> vereinfachen? > > Na, wo denn schon? Natürlich bei ZILOG! > http://store.zilog.com/index.php?option=com_ixxocart&Itemid=1&p=catalog&parent=5&pg=1 > Für die Basic-Variante hab ich jedoch nichts gefunden. > Nur für den 8051 gibt es Editoren/Compiler. Das Basic im DDR-U883 ist nicht identisch zu dem Zilog Ding, blos als Anmerkung. Gruß, Holm
Ja Michael, das ist richtig, wird aber eine Ausnahme bleiben. Zu meiner Rechtfertigung, die Datenbasis ist zu diesen Geräten sehr dünn und das Robotronforum im speziellen Fall näher dran. Auch meine ich das das Thema dort besser hin passt auch weil es dort schon zuvor Anläufe gab. Von hier hingegen kam der Impuls, und ich bin dankbar für deine Mühe mir das herauszusuchen. Die Adressleitung A11 des EPROM hängt aber in den Geräten glücklicher weise nicht frei in der Luft ;) anders als im Schaltbild. Und Du hast auch Recht was die kreative Substitution der RS232 Treiber angeht.Das IF gab es auch als IFSS (Interface sternförmig seriell), Habe ich bei der Stasiauflösung aber nicht miterworben, wo damals in der Normannenstraße ich beide Boxen auf einem liqidationsflohmarkt erstanden habe. So wird dieses Schaltungsdetail mit der dafür benötigten höheren Treiberleistung zu erklären sein, und gewissermaßen eine Ausnutzung der ohnehin bestehen Synergie in der Schaltung darstellen. Danke Namaste
Den A210 als Spannungsverdoppler zu nehmen wurde in der DDR auch bei anderen Sachen benutzt. Man hat ihn damals, als es den 317 noch nicht gab, als Linearregler eingesetzt. Holm Tiffe schrieb: > Das Basic im DDR-U883 ist nicht identisch zu dem Zilog Ding, blos als > Anmerkung. Das ist mir klar. Aber mit was erstellt man so ein Programm und wie konvertiert man es in den EPROM. Wenn ich mir den Inhalt des EPROM der IF-Box ansehe, dann sind dort keine Klartext-Basic-Befehle enthalten. Evt. geht das über Token. Ich denke bald, in der IF-Box wird der BASIC-Interpreter nicht benutzt und es wird ein Maschinenprogramm abgearbeitet. Winne schrieb: > Autor: >Winne (Gast) >Datum: 16.11.2014 23:21 Bitte wieder unter dem Namen von hier! Aber ich werde für die UB88xx nichts mehr machen. Keine Platine, kein Programm, .... Die Anzahl meiner Grauen Zellen ist begrenzt und wenn, mache ich das mit einem AVR. Der UB88xx war zu seiner Zeit modern. Aber heute nicht mehr.
michael_ schrieb: > Den A210 als Spannungsverdoppler zu nehmen wurde in der DDR auch bei > anderen Sachen benutzt. > Man hat ihn damals, als es den 317 noch nicht gab, als Linearregler > eingesetzt. > > Holm Tiffe schrieb: >> Das Basic im DDR-U883 ist nicht identisch zu dem Zilog Ding, blos als >> Anmerkung. > > Das ist mir klar. Aber mit was erstellt man so ein Programm und wie > konvertiert man es in den EPROM. > Wenn ich mir den Inhalt des EPROM der IF-Box ansehe, dann sind dort > keine Klartext-Basic-Befehle enthalten. Evt. geht das über Token. > Ich denke bald, in der IF-Box wird der BASIC-Interpreter nicht benutzt > und es wird ein Maschinenprogramm abgearbeitet. > Das ist mit Sicherheit so. Der 884 wird nur benutzt, weil sein interner Startup-Code einen Sprung nach außen in das ROM enthält und damit keine vergriesgnaddelte Resetmimik mit 8V Pegel wie bei den Romlosen Versionen oder denen mit irgendwelchem Waschmaschineninhalt notwendig ist. > Winne schrieb: >> Autor: >>Winne (Gast) >>Datum: 16.11.2014 23:21 > > Bitte wieder unter dem Namen von hier! > Aber ich werde für die UB88xx nichts mehr machen. Keine Platine, kein > Programm, .... > Die Anzahl meiner Grauen Zellen ist begrenzt und wenn, mache ich das mit > einem AVR. Der UB88xx war zu seiner Zeit modern. Aber heute nicht mehr. Jetzt vergleichst Du aber Äppel mit Kartoffeln. Um heraus zu bekommen wie zeitgemäß ein Z8 ist, sollte man nicht unbedingt 30 Jahre alte ICs mit aktuellen vergleichen. Es gibt dieses Zeug nach wie vor zu kaufen und die Industrie setzt auch nach wie vor Z8 ein. Mittlerweile gibts da aber auch so komisches neumodisches Zeug wie CMOS und Flash.. So viel ich weiß kann man mit der im U2365BM2090 enthaltenen Software BASIC Programme erstellen die dann romfähig sind und das Entwicklungssystem enicht enthalten. Entwicklungssoftware gabs zu DDR Zeiten auf den 8 Bit Bürocomputern, den MC80.* und unter WEGA. Gruß, Holm
Sorry Micha ;( ich bin krank und lag schon im Bett nach dem ich gestern eine Kabine eingebaut hatte. Als ich deinen Post entdeckte wollte ich mich wenigstens bedanken. Über den Unsinn dieses Projektes müssen wir nicht reden. AVR sind eindeutig die elegantere und effektivere Variante. Was mich aber löckt ist das für diese Zeit vorausschauende Konzept und ein wenig Ossi-Ehrgeiz dem mindestens noch einem 2. "Nutzen" zu geben. Hier steht ein prima Laserdrucker und die S3004 wird wohl hier nie mehr "Dienst" tun bei mir. Warum also nicht etwas im Zauberwald der Nostalgie joggen gehen. Klar kommt kein Monitor daran eher, ein 4 Zeiliges LCD und eine PS2 Tastatur. Soweit ich das verstehe nutzt die IF Box nur einzelne Routinen des Basic Interpreters um zum Beispiel die Parameter der Schnittstelle zu konfigurieren. Hinzu kommt das die S3004 einen von ASCIII abweichenden Zeichensatz benutzt. Ferner war es auch bei anderen Basic Interpretern üblich Basic Programme in Token zu speichern und nicht als Listing. Das spart Rechenaufwand und Speicherplatz beim Jute scheint es sogar darauf hinauszulaufen die Token bei der Programeingabe an der Tastatur zu nutzen und so den Parser zu umgehen. Fremdworte in heutiger Zeit und seit Windows komplett obsolet. Moderne Scriptsprachen verwenden "Klartextscripte" auch zum Speichern. So jetzt stehe ich auf und werde Frühstücken und mich um die Lifte kümmern. Namaste
Winfried J. schrieb: > Moderne Scriptsprachen verwenden "Klartextscripte" auch zum Speichern. Die sind näher an dem Tiny-EMR-BASIC dran, als du jetzt erwarten würdest: sie compilieren den Script in einen Token-Code und arbeiten den dann ab, also genau das, was man dort auch gemacht hat. Python speichert das Token-Code-File dann sogar noch (*.pyc), und sofern das beim nächsten Aufruf noch jünger ist als das Scriptprogramm selbst, wird es direkt wieder genutzt.
Hallo Micha ich habe mal die den Schaltplan des IF6000 um die leitung UB8830D A15---A11 U2732 ergänzt im übrigen ist es möglich durch Ändern der Brücke E10 den 2. Speicherplatz anzusprechen. grün original orange alternativ
Winfried J. schrieb: > Hinzu kommt das die S3004 einen von ASCIII abweichenden > Zeichensatz benutzt. An der Schnittstelle rein gar nicht. Mal sehen, ob ich eine alte Liste finde, ohne mit den Anwälten vom FuA in Konflikt zu geraten. Durch das Typenrad war der Zeichensatz sowieso begrenzt. Es gab ja auch verschiedene Typenräder. Durch Mikroschritt/Rückwärts konnte man Zeichen machen, die es eigentlich nicht gab. Meine S3004 hab ich jetzt mal aufgemacht, um den Eprom auszulesen. Entsetzlich viel Wollmäuse, obwohl ich die seit damals wenig benutzt habe. Holm Tiffe schrieb: > So viel ich weiß kann man mit der im U2365BM2090 enthaltenen Software > BASIC Programme erstellen die dann romfähig sind und das > Entwicklungssystem enicht enthalten. Entwicklungssoftware gabs zu DDR > Zeiten auf den 8 Bit Bürocomputern, den MC80.* und unter WEGA. Unter deinem oben genannten Eprom finde ich nichts. Meinst du den BM200? Einen alten "PC CP/M" hab ich nicht, wo so eine Soft laufen würde. Nur ein 9150 ? schlummert auf dem Dachboden. In meinen alten Unterlagen hab ich nur den Z8ASM von Steffen Schöwitz gefunden. Irgendwie ging der nicht so richtig. MC80, war der für Z8? Und das Buch von Kiesert/Bankel hab ich auch wiedergefunden. Die Bibel für die U88xx. Holm Tiffe schrieb: >> Die Anzahl meiner Grauen Zellen ist begrenzt und wenn, mache ich das mit >> einem AVR. Der UB88xx war zu seiner Zeit modern. Aber heute nicht mehr. > > Jetzt vergleichst Du aber Äppel mit Kartoffeln. Um heraus zu bekommen > wie zeitgemäß ein Z8 ist, sollte man nicht unbedingt 30 Jahre alte ICs > mit aktuellen vergleichen. Sicher wäre es reitzvoll. Aber sich noch mal in alles reinzuvertiefen, das kann ich nicht. Hardware, Speicheranbindung, Layout, Assembler usw. Ich hab noch viele angefangene Sachen zu machen, die ich sowieso nicht mahr alle schaffe. Winfried J. schrieb: > Hallo Micha > > ich habe mal die den Schaltplan des IF6000 um die leitung UB8830D > A15---A11 U2732 ergänzt Ich vermute sehr stark, das der Eprom für die IF3000 und IF6000 der gleiche ist. Bei der IF3000 ist die A-11 eingezeichnet. Vermutlich wird damit der zweite 2K-Block aktiviert. Ningel nicht rum, der Schaltplan für die IF3000 folgt!
michael_ schrieb: > An der Schnittstelle rein gar nicht. Mal sehen, ob ich eine alte Liste > finde, ohne mit den Anwälten vom FuA in Konflikt zu geraten. Die Heeren können wir auslassen wenn du mir eine PN/ E-mail schickst, bzw. wenn du gar nichts weiter schreibst dann lohnt ein Test mit ASCII > Durch das Typenrad war der Zeichensatz sowieso begrenzt. Es gab ja auch > verschiedene Typenräder. Ja ich hatte 2 verschiedenene Typenräder > Durch Mikroschritt/Rückwärts konnte man Zeichen machen, die es > eigentlich nicht gab. An den Funkbummiartikel erinnere ich mich dunkel. Dass soll aber nicht schonend für die Punkttype gewesen sein. Und wenn ich mich recht erinnere haben irgendwelche "Irren" damit sogar Apfelmännchen und Bilder in Farbe(Mehrfarbbäder/Bandwechsel).... Aber das ist nicht mehr retro, das war damals schon von hinten durch die Brust ins Auge. das BM 200 Bin File habe ich bereits. Ein 28C17 (Eeprom) werde ich damit mal füttern 6264 (SRAM) gibt es auch genug, sogar noch 2 39C010 (1MBit Flash). Ein paar "Muxe" fliegen sicher auch noch umher. Jetzt noch ein Assembler und ich habe alles bei einander. Ob der Zilog den richtigen Maschinencode liefert? Der erwartet bestimmte Chips von Zilog als Target. Namaste
michael_ schrieb: > ohne mit den Anwälten vom FuA in Konflikt zu geraten. Du kannst die Leute auch einfach fragen dort, ob du ein entsprechendes Stück hier veröffentlichen darfst. In der Regel genehmigen sie das, zuweilen haben sie auch ordentliche eigene Scans, die sie dafür freigeben.
michael_ schrieb: > Winfried J. schrieb: [..] > > Holm Tiffe schrieb: >> So viel ich weiß kann man mit der im U2365BM2090 enthaltenen Software >> BASIC Programme erstellen die dann romfähig sind und das >> Entwicklungssystem enicht enthalten. Entwicklungssoftware gabs zu DDR >> Zeiten auf den 8 Bit Bürocomputern, den MC80.* und unter WEGA. > > Unter deinem oben genannten Eprom finde ich nichts. Meinst du den BM200? Ja, natürlich, Fipptehler > Einen alten "PC CP/M" hab ich nicht, wo so eine Soft laufen würde. > Nur ein 9150 ? schlummert auf dem Dachboden. > In meinen alten Unterlagen hab ich nur den Z8ASM von Steffen Schöwitz > gefunden. Irgendwie ging der nicht so richtig. > MC80, war der für Z8? Nein, der war nicht "für Z8" aber es gab das Entwicklungs/Testsytem das für den Z80 integriert ist, auch für den Z8 als zusätzliche Software. Es gab auch einen "In Circuit Emulator" von EAW und auch von Anderen mit Unterstüzung von Z80 Hosts oder eben unter WGA, das Zeug wird Dir aber nicht ohne Weiteres vor die Füße fallen. Für Z8 generell geeignete Software wird man wohl eher finden als welche die das U883 Basic unterstützt. Da ist mir konkret eigentlich gar Nichts bekannt wenn man den BM200 bei Seite läßt. Ich habe aber diesen selber nie ausprobiert. Z8 Software selber unter assembler glaube ich das letzte Mal noch unter CP/M mit irgend einem Ding namens SYS8 oder so.. > Und das Buch von Kiesert/Bankel hab ich auch wiedergefunden. Die Bibel > für die U88xx. > > Holm Tiffe schrieb: >>> Die Anzahl meiner Grauen Zellen ist begrenzt und wenn, mache ich das mit >>> einem AVR. Der UB88xx war zu seiner Zeit modern. Aber heute nicht mehr. >> >> Jetzt vergleichst Du aber Äppel mit Kartoffeln. Um heraus zu bekommen >> wie zeitgemäß ein Z8 ist, sollte man nicht unbedingt 30 Jahre alte ICs >> mit aktuellen vergleichen. > > Sicher wäre es reitzvoll. Aber sich noch mal in alles reinzuvertiefen, > das kann ich nicht. > Hardware, Speicheranbindung, Layout, Assembler usw. > Ich hab noch viele angefangene Sachen zu machen, die ich sowieso nicht > mahr alle schaffe. Ist ja recht, ich wollte damit nur sagen das Zilog seinen Kram auch weiterentwickelt hat und man nicht einfach den AVR als modern und den Z8 als veraltet abstempeln kann. Mit den angefangenen Sachen ist das bei mir genau so. Gruß, Holm
Hallo Micha danke erst mal für deine Mühen. & alle anderen auch Hallo Ich habe heute begonnen die HW des IF6000 zu erweitern auf dem 2. Speicherplatz sitzt jetzt eine 32 polige DIL-Fassung für den U6264 die Stifte welche blockierend verdrahte sind habe ich entfernt ebenso habe ich huckepach auf den U2732 ein Fassung geklemmmt GND und 32 verlötet hier kommt ein der 2817 drauf auch hier hängen die überzähligen Füßchen noch in der Luft ebenso G(DE). So kann ich diese nachträglich verdrahten. Auch der UB8830D hat huckepack eine Fassung mit gedrehten Pins für Testzwecke aufgesetz bekommen aller Dings noch unverötet. Sie kontaktieren auch sehr gut. dank deiner zeichnungen werde ich zügig vorankommen Morgen Abend werde ich das nötige das MemoryManegment planen. an alle Romlücken werde ich ram legen oder auch bank 2 als ROM Bank1 als RAM konfigurieren da werde ich mich flexibel halten DIP schalter und oder Decoder Platine dann kommt das BM2000 in den 28C17 Da habe ich ein Helferlein die mir das da reingiesen (zum den TFT Maximite)falls mein selbsbau eprommer das nicht zaubert. Ich hoffe dann eine Serielle Verbindung zu einem Terminal aufbauen zu können. Namaste Winne
Hier bin ich noch auf eine interessante Seite für Beiträge der DDR-Elektronik gestoßen. http://www.robotrontechnik.de/html/forum/thwb/showtopic.php?threadid=1739 Leider ist die Konvertierungstabelle der IF-Box zur S3004 nicht dabei. Sie ist aber im FuA 8/89.
eventuell kannst du ja den Inhalt der ROMs der beiden IF-Boxen mal auslesen. Gruß Jörg
michael_ schrieb: > In meinen alten Unterlagen hab ich nur den Z8ASM von Steffen Schöwitz > gefunden. Irgendwie ging der nicht so richtig. Einen Assembler für den Z8 habe ich mal selber geschrieben. Als Finger-übung, um mit flex+bison warm zu werden. Ist zwar etwas rudimentär (keine Makros, direkte Bin/Hex Erzeugung). Funktioniert aber so weit, daß ich die reverse engineerte Firmware für den Frequenzzähler aus der Schaltungssammlung damit übersetzen und erweitern konnte. XL
/data/home/holm/Computer/cpm/SYS8.COM
/data/home/holm/Computer/cpm/SYS8.DOC
CP/M Software kann ich anbieten :-)
..---!-----!---!--------------!---------!----!----!-----#------R
.. Drucker f}r A5 einstellen:
.. 1/8" Zeilenabstand, Schmaldruck, Draft
.PO18
.MT3
.HM2
.PL54
.MB0
.HECP/M # SYS8
^W Crossassembler f}r ZILOG Z8
===========================
Inhalt Seite
1. Einleitung ......................................... 2
1.1. Dateien ............................................ 2
1.2. Dateibezeichnung ................................... 3
1.2.1. Ger{tezuweisung ................................... 3
1.2.2. Namenserweiterung ................................. 3
1.3. Systemkomponenten .................................. 3
2. EDITOR ............................................. 5
2.1. Aufruf ............................................. 5
2.2. Bedienung des Editors .............................. 5
2.3. EDIT-Kommandos ..................................... 5
2.4. Fehler ............................................. 8
3. ASSEMBLER .......................................... 9
3.1. Einleitung ......................................... 9
3.2. Aufruf des Assemblers .............................. 9
3.3. Kommandos .......................................... 9
3.4. Assemblersprache .................................. 10
3.4.1. Zeichenvorrat .................................... 11
3.4.2. Format des Quellcodes ............................ 12
3.4.3. Symbole und Marken ............................... 12
3.4.4. Numerische Konstante ............................. 12
3.4.5. Ketten und Kettenkonstante ....................... 13
3.4.6. Befehlsz{hler .................................... 13
3.4.7. Kommentar ........................................ 13
3.4.8. Sofortbefehle .................................... 13
3.5. Ausdr}cke ......................................... 14
3.5.1. Register ......................................... 14
3.5.2. Variable ......................................... 15
3.5.3. Operationszeichen ................................ 15
3.5.4. Bildung eines Ausdruckes ......................... 15
3.5.5. Typ eines Ausdruckes ............................. 16
3.5.6. Externe Symbole .................................. 16
..wenn gar nüscht mehr geht..., Z80-CP/M Simulatoren gibts einige..
Gruß,
Holm
Ja das sind erst mal mehr Anregungunge als ich neben meinen Liften in der Kürze der Zeit umzusetzen vermag, da ich noch über 15 Jahre auf meine Pension hinschaffen muss, ohne mir einzubilden, dass ich eine solche noch bekommen werde. Heute also werde ich das Thema MMU beackern. Das mit dem Originalrom auslesen und schauen was darin passiert behalte ich im Auge. Und werde mir die Möglichkeiten beim Einrichten der MMU offenhalten. Das ist leicht da der UB8830D da eh sehr flexibel ist und mit dem Augang "DM" sowieso zwischen Programm und Datenspeicher unterscheiden kann es steht dem also nichts im Wege das alte ROM als Datenspeicher zu behandeln und das BM2000 als Monitor zu nutzen oder den Monitor ins SRAM zu spiegeln ..... Wenn ich dann mal soweit bin seine Hoheit über ein Terminal ansprechen zu können und einen Speicherbereich auszulesen wird es einfacher. Aber eventuell ist das gar nicht nötig, falls ich über die S3004 Schnittstelle auf den Originalinterpreter zugreifen kann. Die S3004 kann nämlich als Tastatur Parameter mit ändern und gibt dan die Ausgaben auf Papier aus. Allerdings sind das scheinbar alles Unterprorogrammen welche mit Escsequenzen (codetaste + Zeichen) angesprungen werden. Mal sehen was sich da noch so findet. Wäre doch gelacht wenn sich da kein Hintertürlie fände. jetzt wäre die S3004 internee Zeichentabelle interessant. beim Atari war das um Hexpotenzen verschoben ich glaube damals hatte ich die S3004 auch mal direkt am Sioport welcher ebenfalls TTL UART benutzt der kann asyncron und syncron ;) und benutzt wie das IF 0xAA zur Synchronisation Ich glaube die MMU muß noch einen Monitoringtest des Originals abwarten. Sollte ich darüber Zugriff auf die Register erhalten ist der Kas glutscht und ich kann gleich angreifen.
michael_ schrieb: > An der Schnittstelle rein gar nicht. Mal sehen, ob ich eine alte Liste > finde, ohne mit den Anwälten vom FuA in Konflikt zu geraten. gefunden: http://erika-electronic.de/bilder/s3004%20als%20schoenschreibdrucker.pdf ;) Namaste hier ist eine abweichende Code tabelle enthalten für AC1 auf erika 0x2085-0x20E4 erstezen 0x20-0x7F offenbar bleiben noch die Steuerzeichen und 0x80-0xFF Namaste
... Bei Verwendung der Tastatur der S 3004 ist im Rechner bei den empfangenen Kodes zwischen Zeichen- und Steuerkodes zu unterscheiden. 00..67 entsprechen den Zeichenkodes; 68..FF den Steuerkodes. Die Ausnahme ist die 71, sie entspricht dem Leerzeichen. Obige Tabellen zeigen die wichtigsten Steuerkodes. gefunden hier. http://hc-ddr.hucki.net/wiki/doku.php/z9001:erweiterungen:s3004 Jetzt muss ich nur noch die CODE Taste Funktionalität heraus finden. Ich tippe auf gesetzes MSB.
Joerg F. schrieb: > eventuell kannst du ja den Inhalt der ROMs der beiden IF-Boxen mal > auslesen. > > Gruß Jörg Von der IF6000 den, findest du im Netz. Im Anhang der von mir. Den von der IF3000 kann evtl. Winfried bereitstellen. Winfried J. schrieb: > gefunden: > > http://erika-electronic.de/bilder/s3004%20als%20schoenschreibdrucker.pdf Nein, das ist nur die grobe Konvertierung. Im Anhang der frisch ausgelesene ROM der S3004.
Die Zeichencodes sind schlicht die Nummer des Zeichens auf dem eingebauten Typenrad (stand zumindest in der Doku zum TINY-Rechner).
Für mich interessant ist jedoch die Tastaturcodiereung wie sie sich an der seriellen Schnittstelle darstellt inclusive Sonderzeichen und Codetaste. Ich will ja nicht Schreibmaschine steuern, sondern die IF Boxen ansprechen. Namaste
Ist doch ganz einfach. Über die Ser. kommt der ASCII rein und wird in die internen Steuerzeichen der SM umgewandelt. Sonderzeichen gehen kaum direkt. Man muß da das Typenrad anschauen. Aber was willst du damit anfangen? Du mußt da sowieso neu programmieren oder wenigstens das Programm reassemblieren. Die Zeichen am anderen Ende sind für dich wertlos. Aber für alle, die sich für die Code-Tabelle interessieren hab ich die angehängt. Aus dem FuA 8/89 sind die farbigen Bemerkungen per Hand hinzugefügt. Ich hab mir das Heft hervorgekramt. In meinem Ausgabeprogramm hab ich mir dann das "^", "Ö", "ö" und eine Art runde Klammer nachgebildet. Ansonsten bleibt da ein Leerzeichen, da das Typenrad alleine es nicht kann. Übrigens ist in der FuA 8/89 eine Bauanleitung für eine DCF-Funkuhr mit einem UB8820.
Hallo Micha, danke erst mal für die Tabelle Die S3004 ist als eine Erweiterung der S3004 anzusehen, sie wurde von dort versorgt und übernimmt bei hrem Anschluss an die S3004 die Ansteuerung des druckwerkes Sie selbst erhält die Tastaureingaben. Dei Kommunikation zwischen der IF Box und der S3004 lief offenbar über diese Codetabelle. So sendet die IF box nach dem Einschalten 0x91; 0x96; 0x00; 0xAA; 0x64 an die S304 (wenn diese nicht antwortete sendet sie 0x92) damit bewirkt sie als erstes den Trennmode und um dann das Handshake zu aktivieren und anschließend einen Langen Beep auszugeben. Parameteränderungen in der Box werden mittels "Code+Taste" Aufgerufen und führen in Entsprechende Eingabemenüs Da ich noch kein Terminal/Monitor habe gedenke ich genau dieses Tatatur/Druckerinterface der Box zu nutzen. Dabei möcht ich den Drucker und die Tastaur der S3004 durch ein LCD und eine PS2-Keyboard ersetzen und einen AVR als S3004 Simulator dazwischen schalten. Alternativ kann ich vorerst dem TFT Maximite ein Basicprogramm für diesen Zweck überhelfen. Ein erster Versuch mit einem PC an der S2004 seitigen Schnittstelle über TTL--USB verlief erfolgreich. Ich will sozusagen vom anderen Ende in die Box, denn die Tür scheint offen zu stehen. Namaste im Übrigen habe ich dein Werk auch schon bestaunt
Hall zurück: Ich habe noch mal ganz von vorn angefangen mit meinen Retro-Projekt und will euch meinen Entwurf nun zum Verriss vorlegen: Gepant ist jetz 1*128 KB SSRAM 2*8KB EEPROM an einen UB8830 al terminal wird Die Integrierte SIO fungieren bleibt ein Parallelport ink. Handshake und 3 Inputbits.
Melde Dich wenn Du noch U8840 haben willst :-) Gruß, Holm
Später ;) jetzt interessiert mich erst einmal was du zu meinem Entwurf meinst und ob du irgenwo den Balken vor meinem Auge finden kannst für welchen ich blind bin, sprich ob du bevor ich mit dem Löten beginne logische Fehler aufdecken kannst.
Hall und ein frohes 2015 So noch habe noch immer nicht mit dem Löten begonnen aber mal ein wenig auf dem Frühstücksbrett getestet und nun nochmal den Schaltplan überarbeitet. Es kommt jetzt noch ein 24_poliger Sockel hinzu welcher zusätzlich ROM_Einblendungen wie in den IF_Boxen gestatten. Ob das aber als Basis auch zur Erweiterung als Brenner taugt bezweifle ich. Schade vielleicht fällt mir noch etwas ein. wie ich Adresse und Datum auf dem Bus Halten kann um einen reihe Brennimpulse auf die VCP/G (OE) Leitung (20) des 24 Pinners zu bringen. Vielleicht müssen da ein Sack Latches und Muxe herhalten? Außerdem hoffe ich jetzt alle Detailfehler aus dem Schaltplan eleminiert zu haben. Sollte jemanden dazu etwas einfallen oder etwas auffallen was ich ändern oder korrigieren sollte ich bin für Input dankbar. Das Konzept sieht so aus, dass im Normalfall das RAM am Bus des 8830 liegt. Ein Zugriff auf das jeweilige ROM solange ROM/!RAM inaktiv also High ist, und einer der 4 ROM_Bereiche (0x0800-0xFFF,0x8000-0x9FFF,0xC000-0xDFFF,oder 0xE000-0xFFFF)angesprochen wird. In diesen Fällen wird das dahinterliegende RAM deaktiviert. Um es zu aktivieren muss ROM/!RAM auf low gelegt werden. Damit wird das ROM deaktiviert. Die Beiden Oberen ROM_Bereiche sind für EEPROM auch beschreibbar vorgesehen und können über Dippschalter schreibgeschützt betrieben werden, ebenso wie das statische RAM für Testzwecke, zum Beispiel um eine Bootsequenz zu testen. Holms Anregung einen 8840 einzusetzen erfordert zwar etwas mehr Löterei kann aber auf das gleiche Konzept aufsetzen und ermöglicht mehr Ports frei zu bekommen. Das sieht verlockend aus. Klar kann man das alles in einem Atmega haben hier geht es aber um diese Kollegen und das Speichermanagment, welches man im Atmega128 de fakto geschenkt bekommt.
@Günter Lenz (und allen interessierten), ich weiß, die Antwort kommt einige Jahre zu spät. Gibt es immer noch Leute die daran interessiert sind den Lern-Computer BERT nachzubauen? Habe noch ein gut erhaltenes und funktionierendes Exemplar davon. Leider habe ich damals das Assembler ROM nicht dazu geodert, das würde dem "pihistorischen" Board noch fehlen. Gruß Jo
Bitte - es gibt scheinbar doch sehr viele Leute die BERT kennen - wenn jemand das Assembler ROM sein eigen nennt wäre ich sehr, sehr dankbar dafür!
Erstelle doch lieber einen Suchthread im Marktforum mit aussagekräftigen Titel. Viel Glück!
Der Assembler zum BERT bzw. Z8671 hat sich angefunden: im Buch "Mikroprozessoren in der Meß- und Regeltechnik. Funktion - Aufbau und Programmierung" von Gerhard Ledig, Franzi 1988 ist er als Hex-Listing abgderuckt. https://hc-ddr.hucki.net/wiki/doku.php/homecomputer/bert#downloads
Winfried J. schrieb: > Sollte jemanden dazu etwas einfallen oder etwas auffallen was ich ändern > oder korrigieren sollte ich bin für Input dankbar. Bist du sicher, das die Reihenfolge am Port 1 richtig ist? Ich denke die Zuordnung ist eher andersrum: P10 = AD0 und P17 = AD7...
Bitte melde dich an um einen Beitrag zu schreiben. Anmeldung ist kostenlos und dauert nur eine Minute.
Bestehender Account
Schon ein Account bei Google/GoogleMail? Keine Anmeldung erforderlich!
Mit Google-Account einloggen
Mit Google-Account einloggen
Noch kein Account? Hier anmelden.















