RFM02 habe wie folgt an den µC angeschlossen: SDI an PB0 SCK an PB3 CS an PB2 IRQ an PB5 Das Modul möchte ich mit der Bibliothek von benedikt, mehrfach vorgestellt in diesem Forum, laufen lassen. Beim Beschreiben des Controllers an RFM 02 kam es zu den erwarteten Problemen: PB3 (MOSI) und PB5 (SCK) sind doppelt belegt. Da RFM02 offensichtlich die Signale aus dem ISP AVR MkII als Aufforderung versteht, irgendetwas zu sagen, kommt es nicht zum Beschreiben des atmega. Ich habe daraufhin SCK des RFM02 vom µC getrennt, da hat es dann wieder funktioniert. In den AppNotes von Atmel habe ich nachgelesen. Dort wird vorgeschlagen, in die Leitungen zu einem zus. SPI - Device Widerstände einzubauen. Leider fehlt die Aussage, wie groß diese Widerstände sein sollen. Hat jemand von Euch Erfahrung? Oder ist es gänzlich besser, das RFM02 erst nach dem Programmieren des µC wieder elektrisch zu verbinden? (Man könnte das ja mit Dip-Schaltern realisieren) Oder soll ich mir gänzlich andere Ports nehmen? (Ich gehe davon aus, dass benedikt keine Hardware SPI verwendet!) Danke für Eure Antwort!
ArduStemmi schrieb: > Beim Beschreiben des Controllers an RFM 02 kam es zu den erwarteten > Problemen: PB3 (MOSI) und PB5 (SCK) sind doppelt belegt. Da RFM02 > offensichtlich die Signale aus dem ISP AVR MkII als Aufforderung > versteht, ArduStemmi schrieb: > In den AppNotes von Atmel habe ich nachgelesen. Dort wird vorgeschlagen, > in die Leitungen zu einem zus. SPI - Device Widerstände einzubauen. > Leider fehlt die Aussage, wie groß diese Widerstände sein sollen. ich würde es mit 470 Ohm probieren, ich glaube ich hatte das so schon mal gemacht um angeschlossene Hardware abzukoppeln. Is aber länger her. Aber die Leitungen vom Atmel gehen direkt zum ISP, nur zu angeschlossener Hardware bekommen die Serienwiderstände.
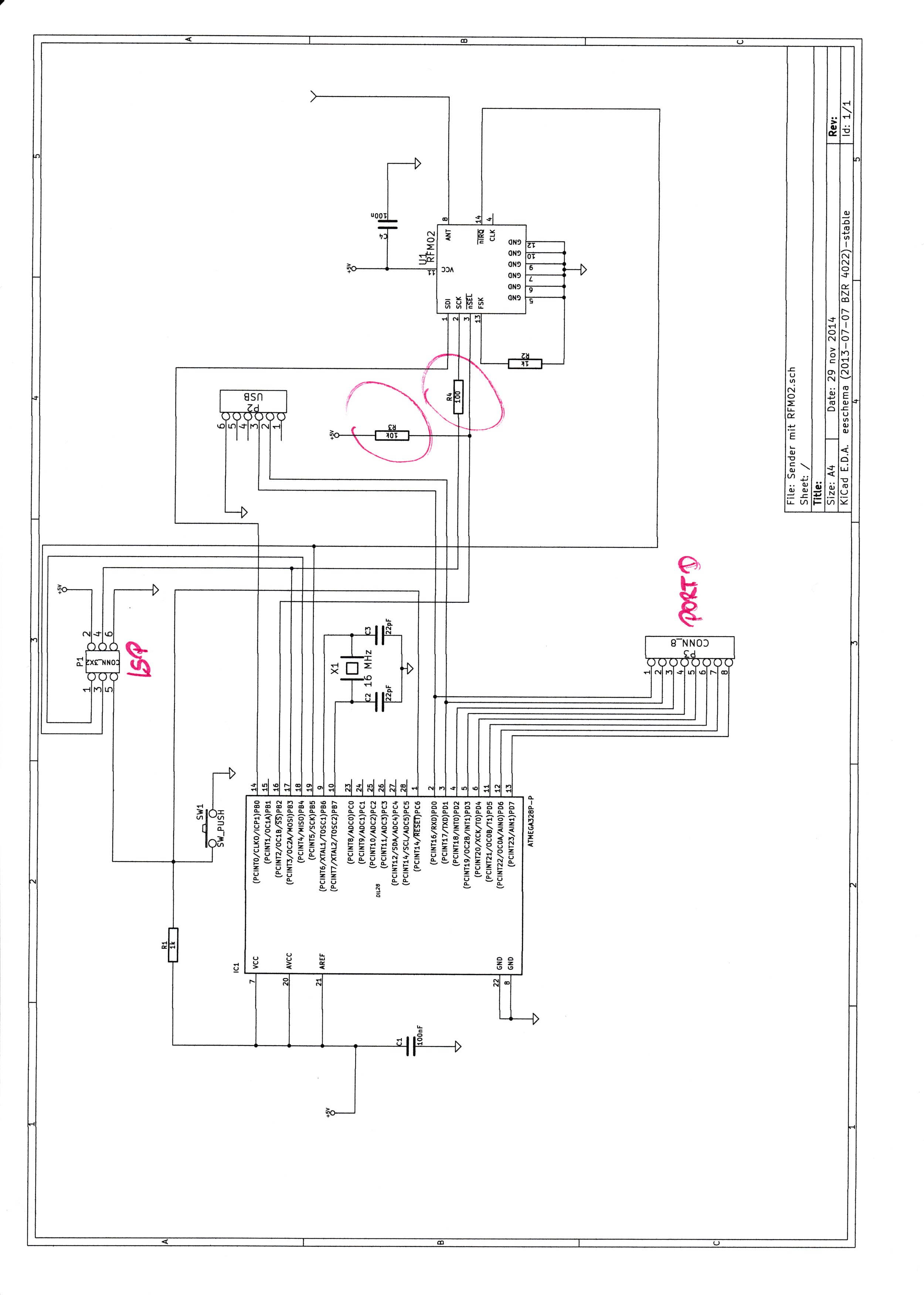
Die Selektleitung des RFM02 ist Lowaktiv, dann würde ein PullUP helfen. Während der Programmierung/Reset des AVRs sind seine IO-Pins Hochohmig, wenn dann die Selektleutung zu Low floatet fühl sich der RFM02 angesprochen. Ein 10K widerstand auf Vcc und das Problem ist gelöst. 100Ohm Serienwiderstände auf den SPI-Leitungen sind aber auch nicht verkehrt.
Guten Abend, ich habe die Hinweis aus dem Forum umgesetzt und in einen Schaltplan dargestellt. Meine Frage: Habe ich das so richtig gemacht? Oder muss ich alle Leitungen zum RFM 02 mit 100 ohmigen Widerständen belasten? Danke für Eure Antworten!
ArduStemmi schrieb: > Meine Frage: Habe ich das so richtig gemacht? kann man so nicht beantworten, was ist dein Ziel, wie soll die Software aussehen? Das Modul ist ja ein Sendemodul, klar kannst du die Daten per Port selber an SDI SEND DATA IN reintickern, aber üblicherweise nimmt man doch die SPI Sendeleitung MOSI dafür > Oder muss ich alle Leitungen zum RFM 02 mit 100 ohmigen Widerständen belasten? müssen musst du nie was, aber die SPI Leitungen die ja auch zum ISP Programmieren genutzt werden per 100-470 Ohm zu Lasten abzukoppeln ist nie doof. Dann gibt es noch 3,3V Versionen der RFM und wenn der MC mit 5V laufen soll kämen noch andere Entkopplungen zum tragen.
Bitte melde dich an um einen Beitrag zu schreiben. Anmeldung ist kostenlos und dauert nur eine Minute.
Bestehender Account
Schon ein Account bei Google/GoogleMail? Keine Anmeldung erforderlich!
Mit Google-Account einloggen
Mit Google-Account einloggen
Noch kein Account? Hier anmelden.
