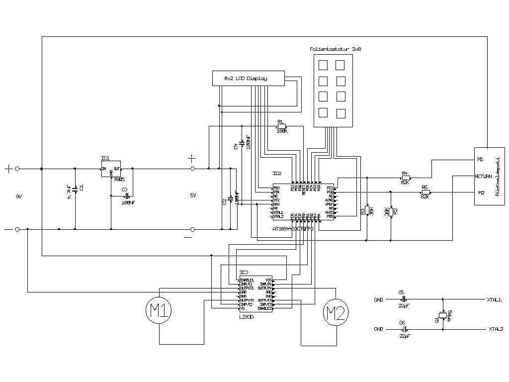
Hallo zusammen, ich habe heute meine erste eigene Schaltung konzipiert und würde gerne wissen, was ihr davon haltet. Bin für jede Kritik und Anregung dankbar. Ich muß nur noch herausfinden, wie ich den Rückmeldepoti mit dem AVR verschalten muß. (s. auch meinen Thread von heute morgen "Spannung messen"). Aber ist denke ich kein Problem. Freue mich über jede konstruktive Meinung. Gruß Markus
Was mir aufgefallen ist: Am AVR ist der Reset eingang nicht beschaltet. Am einfachsten über einen 10k Widerstand auf +5V hängen und nen C auf GND
Wenn das wirklich ein AT90 sein soll, dann wäre auch eine Taktversorgung angebracht. Die Tinys und Megas mögen interne Oszillatoren haben, die AT90er nicht. Und der 1000uF Kondensator am Ausgang vom Regler bringt nichts, bietet aber gute Chancen den Regler abzuschiessen. Der obligatorische 100nF Kerko am AVR hingegen fehlt.
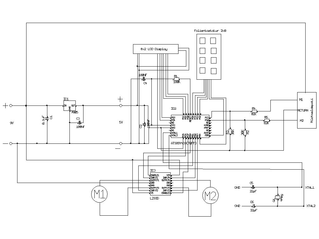
den 1000uF Kondensator solltes du echt entfernen... denn wenn deine Motoren anlaufen und dir die Spannung am eingang des 7805ers zusammenbricht, dann könnte die Ausgangsspannung höher sein als die eingangsspannung und das ist normalerweise tödlich :-) und wie kommst du bitte auf den wert von C1 mit 4n7? Da sollten doch auch so ca 0.1uF hin(steht im Datenblatt). Dann der Kerko am AVR sollte noch eingebaut werden. Und beim IC3 solltest wahrscheinlich alle GND anschlüsse belegen. Besitzt dein LCD keine Kontrasteinstellung?! Darf man Fragen womit du diesen schaltplan gezeichnet hast? sieht mir irgendwie wie AutoCad aus :D Achja... wie darf man das mit deine Potis verstehen? und warum hast du dort nur deine +9V angeschlossen.. aber nicht GND? sorry wegen der vielen Kritik... mfg schoasch
vielen Dank für die schnellen Antworten! Ich habe versucht die Anregungen umzusetzen. Allerdings weiß ich ehrlich gesagt nichts mit dem "obligatorischen 100nF Kerko" anzufangen. Habe ich den richtig gesetzt? Für was ist der gut?
Achja... wenn du die analogeingänge deines AVRs nutzen willst... musst du AGND,AREF,AVCC auch anschliessen :-)
der 100nF Kerko sollte sehr nahe beim µC sitzen um hochfrequente signale herauszufiltern die durch irgenwelchen umständen auf der leitung sein könnte
100nF Keramikkondensator direkt zwischen VCC/GND des Controllers. Direkt, keine Umwege, keine 3cm, ... Und bei AVCC/AGND nochmal einer. Der am Regler ist auch richtig, ersetzt aber keinen der anderen. Reset => R => VCC. Reset => C => GND. Und Taktgefühl kriegt er immer noch keines.
Servus! Obligatorisch heißt verpflichtend. Du solltest einen Kondensator mit 100nF an deinen VCC-Pin gegen Masse hängen. Is gut für die Stabilität. Den siehst Du in jeder AVR-Schaltung. Pete
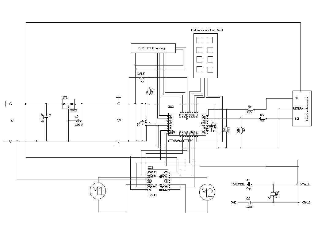
puhh, ich seh schon, es gibt noch eine Menge für mich zu lernen!!! Vielen vielen Dank für die super Hilfe hier!!! :-) @schoasch Ich habe den Schaltplan mit Target 3001! gezeichnet. GND von den Potis ist jetzt auch angeschlossen. wie muß ich AGND,AREF,AVCC anschliessen? AGND und AVCC denk ich an die 5V. Aber AREF? @A.K. er hat unten rechts im Plan Taktgefühl. :-) Ganze 4MHz.
Aber Reset ist immer noch falsch. C4 gehört zwischen Reset und GND und R1 sollte näher an 10K liegen.
AGND = Analog GND also auf GND AVCC = Analog VCC also auf +5V AREF = Analog Referenz. dies ist die Spannung mit der intern die zu messende Spannung verglichen wird. (Aber max auf +5V anschließen) Ich würde das Poti auch auf +5V und nicht auf 9V anschließen.
jetzt müsste eigentlich (fast) alles passen. :-) Eine Frage hätte ich noch: wie kann man AREF erniedrigen? Ich denke einfach eine Widerstand davorschalten. Funktioniert das?
einen einzelnen widerstand nicht wenn brauchst du einen spannungsteiler aber am besten nimst du eine Z-Diode , besser einen LM285-2.5 und generierst dir darueber deine AREF IC1 Eingang fehlt 10 .. 100µF Kondensator eingang schreibt man 100n ;) Sorry, weiter tu ihc mir den Schaltplan nicht an ist recht unübersichtlich gezeichnet.. Versuch dir mal einige hier aus dem Forum anzuschauen und dann deinen noch einmal neu zu Zeichnen Kondensatoren dahin, wo sie begraucht werden zB. den Quarz nicht nach Australien, obwohl er in Deutschland benötigt wird ;) Gruss
Bitte melde dich an um einen Beitrag zu schreiben. Anmeldung ist kostenlos und dauert nur eine Minute.
Bestehender Account
Schon ein Account bei Google/GoogleMail? Keine Anmeldung erforderlich!
Mit Google-Account einloggen
Mit Google-Account einloggen
Noch kein Account? Hier anmelden.



