hallo Leute Ich bastel gerade an meinem ersten Schaltwandler.. Er dient als Grundlage für einen MPPT Regler.. Fällt mehr unter meine ersten Erfahrungen damit. Prinzipiell bin ich ganz zufrieden.. Performance ist mir momentan noch nicht so wichtig .. deswegen hab ich mal einen 25OHM Gatewiderstand drin Der Snubber wurde mit 17OHM und 47nF berechnet paralell über den LOW Fet gesetzt .. Bootstraap sind knappe 3x330µF Folie .. Ich weiß Kerko wäre besser hab ich leider grad nicht da Frequenz 64KHZ Treiber IR2184 Fet IRF3710 Funktioniert eigentlich ganz gut..ABER jetzt hab ich aber folgendes verhalten im Highanstieg.. Schaut wie ein Einbruch aus?.. Womit ist der eventuell zu begründen? Anbei 2 Bilder einmal vom FET Highanstieg G->S gemessen und einmal Ausgangsspannung VCC GND Hat jemand eventuell einen Tip für mich?
>Hat jemand eventuell einen Tip für mich?
Ja. Grundsätzlich einen Schaltplan, keine wörtliche Beschreibung,
beisteuern.
Ok sorry, dachte ist bei dem einfach Teil nicht unbedingt erforderlich wird dann gleich nachgereicht
Peter P. schrieb: > wird dann gleich nachgereicht Dann zeig auch gleich den Aufbau und/oder das Layout...
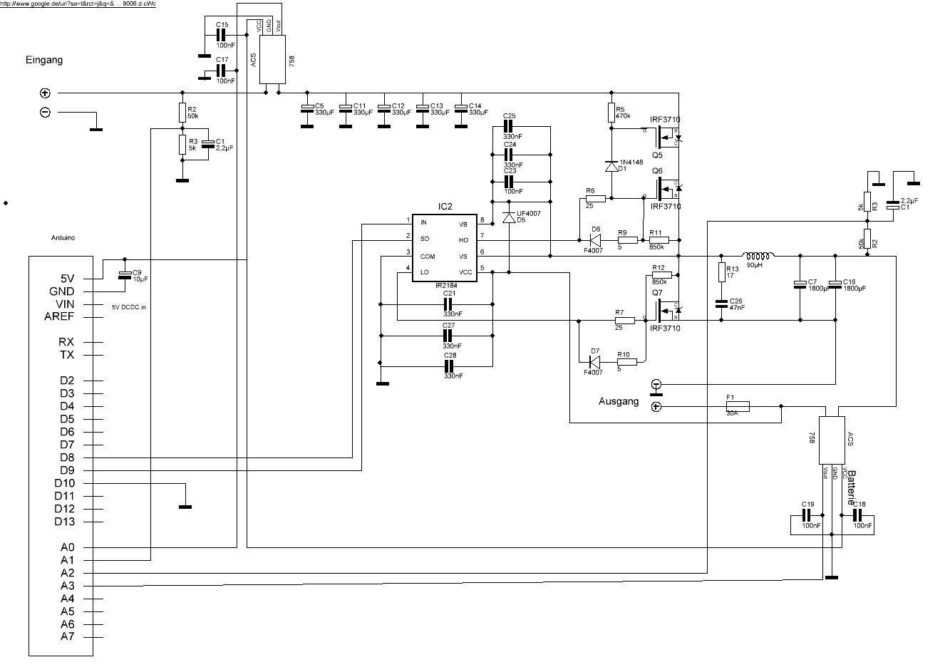
Anbei der Schaltplan. Ich hoffe ich hab ihn jetzt richtig abgeändert .. dürfte stimmen .. Kurzer Überblick über die Platine.. ist aber nicht beschriftet ist nur einlagig deswegen das Design.. das wird sich noch ändern.. .. einphasig in der Mitte am Engpass ist 2,5mm Aufgelötet also Controller hab ich einen Arduino Nano drauf gesetzt davon hab ich grad massig da . Speicherdrossel ist ein EDT59 Kern mit 4mm Spalt
Was soll denn der PMOS Q5 bewirken? Und wie soll dessen gate jemals angesteuert werden? Funktioniert IR2184 überhaupt schon bei 5V Betriebsspannung?
Q5 rückstromschutz.. das ist im erweitersten Sinn ein Laderegler.. 2184 wird mit 12.5v betrieben
Ich würd sagen das ist der Moment wo der FET leitend wird. Da steigt die Gatekapazität und da die Ladung durch den recht hohen Gatewiderstand nicht schnell genug nach kommt, gibt es einen kurzen Spannungseinbruch am Gate.
PS: wenn der Einbruch auch am Vboot Eingang des Treibers zu sehen ist, kann es auch an den ggf. induktiven Wickelkondensatoren der Boostrap-Beschaltung liegen.
Der Zacken auf der GateSpannungsflanke wird verursacht durch die Ladungsinjektion über Rückwirkungskapzität Cdg vom gerade schaltenden drain in die gate Elektrode. Eigentlich müßte man hier eine kurze, waagerechte Linie sehen, das sog. Millerplateau. Das ist eben der Unterschied zwischen Theorie und Praxis: Theoretisch keiner!
Die Frage ist halt, was Q5 dort macht. Und die Bootstrapkondensatoren sind kurzgeschlossen, aber wohl nur im Schaltplan? Der im Board meilenweit vom Treiber entfernte Q7 ist nicht ganz Dein Ernst? ;-) Zeichne ja auch gern mit Sprint, aber das Layout sieht nicht nach dem ersten Schaltregler aus, sondern nach der ersten Platine. Muss man klar so sagen.
Peter P. schrieb: > deswegen hab ich > mal einen 25OHM Gatewiderstand drin Das ist übrigens ein Trugschluss. Mit zögerlichen Auf- und Entladen des Gate gefährdest du den MOSFet mehr, als wenn du in niederohmig treibst. 25 Ohm sind aber schon nicht schlecht.
0815 schrieb: > Die Frage ist halt, was Q5 dort macht. Und die Bootstrapkondensatoren > sind kurzgeschlossen, aber wohl nur im Schaltplan? Rückstrom mein lieber .. aus er Batterie in die PV.. ohne Gegenverschaltenen Fet hast den nämlich in der Nacht über die Diode > Der im Board meilenweit vom Treiber entfernte Q7 ist nicht ganz Dein > Ernst? ;-) Sollte keine Rolle spielen weil die Masseanbindung sehr gut ist... der rest spart das eine und andere Ohm beim Gatewiderstand :) > Zeichne ja auch gern mit Sprint, aber das Layout sieht nicht nach dem > ersten Schaltregler aus, sondern nach der ersten Platine. Muss man klar > so sagen. Tja darfst gerne sagen, aber wennst meinst das du das ganze 1 lagig besser auf eine Europlatine zusammenbekommst bei 30A, bei so wie geht parallel geführter Masse dann bist mein Held weil da ist genau 0 Platz und Spielraum auf der Oberfläche aufgrund der Großen kerns und der Kondensatoren.. das Hauptproblem ist/war Platz..
voltwide schrieb: > Der Zacken auf der GateSpannungsflanke wird verursacht durch die > Ladungsinjektion über Rückwirkungskapzität Cdg vom gerade schaltenden > drain in die gate Elektrode. > Eigentlich müßte man hier eine kurze, waagerechte Linie sehen, das sog. > Millerplateau. > Das ist eben der Unterschied zwischen Theorie und Praxis: Theoretisch > keiner! Hmm ok danke, so wie ich das jetzt verstanden hab kann man das garnicht beherrschen außer das man unterstützend die Fet Ansteuerungsteuerung weiter niederohmig macht.. was im Endeffekt heißt Gatewiderstand weiter senken. Wie weit darf/sollte ich da sinnvoller weiterweiße runter .. 8 Ohm? Nachtrag: Habs auf 8 Ohm grad mal runtergeschraubt.. ändert aber außer das ich die Snubber neu einstellen muß nicht unbedingt was .. Hacken im Anstieg wäre nach wie vor in selber Form da.. hmm
Peter P. schrieb: > Hacken im > Anstieg wäre nach wie vor in selber Form da.. hmm Du bist dir sicher, das es nicht ein kurzer Shoot-Through ist? Da der IR2184 anscheinend eine fest programmierte Totzeit hat, muss das mit den IRF3710 zusammen passen. Leg da doch mal einen Shunt in die Versorgung und miss über dem.
Matthias Sch. schrieb: > Peter P. schrieb: >> Hacken im >> Anstieg wäre nach wie vor in selber Form da.. hmm > > Du bist dir sicher, das es nicht ein kurzer Shoot-Through ist? Da der > IR2184 anscheinend eine fest programmierte Totzeit hat, muss das mit den > IRF3710 zusammen passen. Leg da doch mal einen Shunt in die Versorgung > und miss über dem. Deswegen hab ich eigentlich die parallele Diode mit den 5 Ohm drin .. ohne Das teil knallts auf jedenfall.. grad mal wieder probiert .. da fetz es den Treiber innerhalb weniger sec.. allerdings hab ich grad eine vermutung das hier eine Nachschwingung des fallend Fets hier mitspielen könnte.
Peter P. schrieb: > Deswegen hab ich eigentlich die parallele Diode mit den 5 Ohm drin .. > ohne Das teil knallts auf jedenfall. Aha, das sollte es ja nicht tun. Also stimmt da was nicht mit den Totzeiten. Die H-Brücke sollte auf jeden Fall störungs- und überschneidungsfrei vom IR angesteuert werden können, ohne zusätzliche Tricks. Hmm, musst wohl nochmal ans Zeichenbrett. Ohne Last sollte der Strom durch die MOSFets bei laufender Brücke null sein.
Peter P. schrieb: > ändert aber außer das ich die Snubber neu einstellen muß nicht > unbedingt was .. Wo ist die Masse vom Oszi angeschlossen? Direkt an der Source (<1cm) oder über die Masseklemme igerndwo an GND? Klemm mal die Masseklemme an die Eingangskondensaotrmasse und miss mit dem Tastkopf die Ausgangskondensatormasse. Wie groß sind die Spikes? Peter P. schrieb: > Tja darfst gerne sagen, aber wennst meinst das du das ganze 1 lagig > besser auf eine Europlatine zusammenbekommst bei 30A Der Parameter "Platinenlagen" ist hier falsch gesetzt! Warum so ein Handstand bei 30A? Doppelseitige Leiterplatten kosten nicht viel mehr als eine einlagige LP mit Dickkupfer... Peter P. schrieb: > Prinzipiell bin ich ganz zufrieden.. Ich habe da so meine Bedenken: siehe Skizze. Die Strompfade wären hüsch kurz, wenn du ein lineares Design machen könntest: links rein, rechts raus, Leistung oben, Kleinsignale und Ansteuerung unten. Sie wären auch noch kompakt, wenn du zweilagig wärst, denn dann könnte der Strom einfach "unten durch". Aber so... Peter P. schrieb: > und einmal Ausgangsspannung VCC GND Warst du mit dem Design schon im EMV Labor? Theoretisch insteressiert dich der Recovery-Pfad wegen der aktiven Freilaudiode nicht. Praktisch musst du genau zum richtigen Zeitpunkt umschalten. Der Strom wird sich sonst schon seinen Weg suchen...
Lothar Miller schrieb: > Peter P. schrieb: >> ändert aber außer das ich die Snubber neu einstellen muß nicht >> unbedingt was .. > Wo ist die Masse vom Oszi angeschlossen? > Direkt an der Source (<1cm) oder über die Masseklemme igerndwo an GND? Direkt an Source.. Massekabel zusätzlich noch so oft es geht um den Tastkopfgewickelt > Peter P. schrieb: >> Tja darfst gerne sagen, aber wennst meinst das du das ganze 1 lagig >> besser auf eine Europlatine zusammenbekommst bei 30A > Der Parameter "Platinenlagen" ist hier falsch gesetzt! > Warum so ein Handstand bei 30A? Doppelseitige Leiterplatten kosten nicht > viel mehr als eine einlagige LP mit Dickkupfer... Weil es nicht in Serie geht und ich mich derzeit primär mal damit Spielen möchte und da wird in erster Instanz derzeit so gut es geht einlagig gearbeitet... ich hab momentan auch "noch" nur eine 35µ Platine.. weil ich nur mit 2A teste.. Dann wird natürlich 105µ genommen.. Ob man dann 2lagig arbeitet kann man drüber nachdenken .. aber zum testen beschränk ich mich "vorerst" auf Einlagig > Die Strompfade wären hüsch kurz, wenn du ein lineares Design machen > könntest: links rein, rechts raus, Leistung oben, Kleinsignale und > Ansteuerung unten. Sie wären auch noch kompakt, wenn du zweilagig wärst, > denn dann könnte der Strom einfach "unten durch". Aber so... Keine Frage, da hast vollkommen recht .. Ich mein glücklich bin ich selber nicht .. bei der einen Lage bin ich wicklich Stundendabei gessesen damit ich das irgendwie raufbring :) Anschlüsse sollten aber von unten in ein Eurogehäuse rein und Rausgehen .. weil das teil "sollte" an die Wand und wenns funktoniert 2-3 nebeneinander.. mach ich die Anschlüsse auf der Seite muß ich dann Anschlußkabel quer über die Platine legen .. Die Frage was halt besser ist? > Warst du mit dem Design schon im EMV Labor? Für ein rein privates Projekt, das gerade erst mit den ersten Gehversuchen in Entwicklung ist, zu dem Zeitpunkt in ein EMV Labor und 1000€ hinlegen? Nur rein aus Interesse, aber wer würde das machen? Ich beschränk mich momenetan aufs Suchen und finden von Störungen und Schwingungen..
Peter P. schrieb: > 30A Also ich habe genug gesehen. Du kannst dieses Board getrost löschen, und von Anfang an neu zeichnen. Schau Dir nur mal an, wie weit source von Q7 von den Elkos entfernt ist! Ich vermute, das ist mit "guter Masseanbindung" gemeint? ;-) Das mit Q7 liesse sich ja noch sehr leicht lösen, aber wie sieht es mit den beiden Masseanschlüssen aus? Die gehören DIREKT aneinander. Bei Dir sind sie so gut es ging getrennt. Switchnode ist die größte Fläche der Platine... Das ganze Board ist die reinste Katastrophe, und das ist nicht böse gemeint, sondern nur ein Hinweis, den du ernst nehmen solltest. Du wirst damit nie glücklich, versprochen! Das geschilderte Problem ist ganz typisch für solch ein Design, das löst Du auch nicht, indem irgendein Widerstand geändert wird. Im Schaltplan geht es allerdings schon munter los, da reicht die Auswahl von unüberlegt über unnütz bis hin zu fehlerhaft. Wäre es teurer geworden, wenn Du die Bauteile wenigstens rechtwinklig bzw. fluchtend angeordnet hättest? Wenn Du so weit bist, reden wir über enorme Verbesserungen, die allein schon durch simple 90°-Drehungen von Komponenten möglich sind...
0815 schrieb: > Peter P. schrieb: > Schau Dir nur mal an, wie weit source von Q7 > von den Elkos entfernt ist! Genau daneben :) Schätzomativ 2cm.. Btw du solltest dir mal eine hochgeschätze Morningstar Tristar MPPT Platine angucken wie weit da die wegen zwischen fets und ELKOS sind .. das nenn ich mal Strecken Btw .. ich liebe es wenn einer einfach so irgendwie drauf los nörgerlt Hauptsache das man nörgerln und schimpfen kann aber von hilfreich zur Fehlerbehebung keine Spur.. :) Und bis auf den "einen" Hacken den ich da noch in den Griff bekommen muß funktioniert die Sache "bislang" einwandfrei.. Und mich interessiert einfach konkret wo er herkommt, das ist ja Sinn und zweck eines ersten Gehversuchs.. sonst sind wir eh alle von Geburt an Vollprofis :)
Peter P. schrieb: > wie weit source von Q7 >> von den Elkos entfernt ist! > > Genau daneben :) Schätzomativ 2cm.. Am Ausgangselko, ja. Der Strom fließt aber nicht nur im pos. Pfad durch die Halbbrücke! Als Erstes "routet" man die Masse. Da das hier ganz offensichtlich gar nicht passiert ist, nennt man sowas Versagen schon am Start. Wenn Du die Platine neu zeichnest, lege die Massen aller Elkos und source von Q7 so nahe aneinander wie möglich. Danach die pos. Leistungspfade und die Treiber, danach den Kleinkram...
Peter P. schrieb: > aber von hilfreich zur > Fehlerbehebung keine Spur.. Na ein Glück, von mir kann die Rede nicht sein, habe Dir ja (neben meinem noch eher vorsichtigen Nörgeln) bisher die meisten Tips gegeben. Du musst sie nur akzeptieren. Und der wichtigste Tip lautet: Schaltplan überarbeiten, und das Board komplett neu. Auch wenn das hart ist.
0815 schrieb: > Peter P. schrieb: >> aber von hilfreich zur >> Fehlerbehebung keine Spur.. > > Na ein Glück, von mir kann die Rede nicht sein, habe Dir ja (neben > meinem noch eher vorsichtigen Nörgeln) bisher die meisten Tips gegeben. > Du musst sie nur akzeptieren. Und der wichtigste Tip lautet: Schaltplan > überarbeiten, und das Board komplett neu. Auch wenn das hart ist. Passt danke .. dann sag mal etwas konkretes an welcher Stelle der Schaltplan und das Layout überarbeitet gehört, das jetzt ganz konkret und speziell diesen einen Hacken verursacht und die Ursache dieses Problems ist .. und bitte ganz Konkret, warum und wieso, weil scheinbar weißt du es ja .. Weil das war der Grund meiner Anfrage.. Weil es hilft nix wenn ich einen Baumeister hohl wenns beim Fenster reinzieht und er dann sagt das ganze Haus ist scheiße, reißen wirs ab, nur weil ihm das Gesamtkonzept nicht gefällt.
Peter P. schrieb: > wo der Schaltplan überarbeitet gehört Das Problem liegt. m.E. nicht im Schaltplan. Der Schaltplan hat schon ausreichend viele Freiheitsgrade. Peter P. schrieb: > Und mich interessiert einfach konkret wo er herkommt Mach mal diese Masse-Messung quer über die Platine. Ich traue dem Design zu, dass da ein steilflankiger Spike einfach auf die laaaange Gateleitung einkoppelt. Sehr stutzig macht mich, dass der selbe(!) Spike auch auf der Ausgangsspannung zu sehen ist. Sowohl von der Polarität wie auch von Pegel her... > Weil es hilft nix wenn ich einen Baumeister hohl wenns beim Fenster > reinzieht und er dann sagt das ganze Haus ist scheiße, reißen wirs ab, > nur weil ihm das Gesamtkonzept nicht gefällt. Weil und wenn das aber die einzige und harte Wahrheit ist? Dann schmieren wir das Fenster eben mit Silikon zu?
Lothar Miller schrieb: > Peter P. schrieb: >> wo der Schaltplan überarbeitet gehört > Das Problem liegt. m.E. nicht im Schaltplan. Der Schaltplan hat schon > ausreichend viele Freiheitsgrade. > > Peter P. schrieb: >> Und mich interessiert einfach konkret wo er herkommt > Mach mal diese Masse-Messung quer über die Platine. Ich traue dem Design > zu, dass da ein steilflankiger Spike einfach auf die laaaange > Gateleitung einkoppelt. Sehr stutzig macht mich, dass der selbe(!) Spike > auch auf der Ausgangsspannung zu sehen ist. Sowohl von der Polarität wie > auch von Pegel her... > Yap .. selber spike .. der Spike tritt eigentlich überall auf.. auch wenn ich jetzt übern BOOTstrap messe..und ist komplett Syncron mit dem Anstieg beim an dem Punkt vom High >> Weil es hilft nix wenn ich einen Baumeister hohl wenns beim Fenster >> reinzieht und er dann sagt das ganze Haus ist scheiße, reißen wirs ab, >> nur weil ihm das Gesamtkonzept nicht gefällt. > Weil und wenn das aber die einzige und harte Wahrheit ist? Dann > schmieren wir das Fenster eben mit Silikon zu? Najo, mal ehrlich würde es dir als Hausbesitzer helfen wenn er sagt abreißen als das er sagt Dichtung beim Fester passt nicht :) beim nächste undichten Fenster reißt dann wieder das Haus ab, weil du hast ja nicht gewußt worans genau lag.. Ich wills in dem Fall verstehen.. über alles kann man ja gerne nachdenken ist ja sicher nicht der letzte Entwurf von dem Teil :)
>Najo, mal ehrlich würde es dir als Hausbesitzer helfen wenn er sagt >abreißen als das er sagt Dichtung beim Fester passt nicht :) beim >nächste undichten Fenster reißt dann wieder das Haus ab, weil du hast ja >nicht gewußt worans genau lag.. Ich wills in dem Fall verstehen Wenn das Fenster deshalb immer wieder undicht wird, weil das Fundament schlampig gegossen wurde und immer nachsackt, schon.... >Ich wills in dem Fall verstehen Millerkapazität. Wurde schon erklärt. Auch die Switchnode sollte nicht so gross wie möglich, sondern nur so gross wie nötig sein. Und die Masseverbindung ist das A und O...
Peter P. schrieb: > das jetzt den Hacken und die Ursache des Problems verursacht Wurde doch längst gesagt, aber Du meinst, das ginge schon alles auch so ok. Die Ansteuerung von Q7 ist grottenschlecht. Er hat reichlich Induktivitäten sowohl in der Masse, als auch am Gate. Schaltet der obere Mosfet ein, kann der Treiber das Gate von Q7 kurzzeitig nicht unter der Tresholdspannung halten. Beide Mosfets leiten dann gleichzeitig. Während der pos. Einschaltflanke für Q7 sieht es ähnlich aus, der Mosfet möchte einschalten, aber ihm bricht dabei die Masse weg, weil er eine Masseanbindung hat, die einer China-Testleitung mit Krokoklemme entspricht.;-) Bei 64KHz brauchst Du am Eingang keine 5 Elkos, sondern besser einen Elko nebst ein paar ordentlichen Kerkos. Am Ausgang ist es ähnlich, hängt aber von den Bedürfnissen der Last ab. C1 und C1 sind zu groß, bzw. die Spannungsteiler zu hochohmig. Mit solch langsamen RC-Gliedern wird die Spannungsregelung schwierig bis unmöglich. Die je 3 330n sind unnötig, es würde auch ein Einziger machen (spart Platz). Der Snubber kann ganz raus, wenn das Board entsprechend designt wird. 90µH erscheinen recht viel für 64KHz und 30A, kenne allerdings die Eingangsspannung nicht. Die Mosfets sollen wie gekühlt werden? IRF3710 ist nicht gerade optimal für Brücken. Q6 und Q5 müssten (im Board) nur je um 90° gedreht werden, schon wäre so einiges besser. Wenn Du das (und das schon zuvor Genannte) berücksichtigst, schafft man diesen "Regler" (es ist ja praktisch nur die Endstufe) locker auf 1/2 Euro. Mit dann deutlich besseren Daten.
Matthias Lipinsky schrieb: >>Najo, mal ehrlich würde es dir als Hausbesitzer helfen wenn er > sagt >>abreißen als das er sagt Dichtung beim Fester passt nicht :) beim >>nächste undichten Fenster reißt dann wieder das Haus ab, weil du hast ja >>nicht gewußt worans genau lag.. Ich wills in dem Fall verstehen > > Wenn das Fenster deshalb immer wieder undicht wird, weil das Fundament > schlampig gegossen wurde und immer nachsackt, schon.... Ja das wäre dann ja eine ganz konkrete Ursache für ein ganz konkretes Problem.. das man genau darauf rückführen kann .. wenn ich so eine Antwort bekomm bin ich Happy :)
Lothar Miller schrieb: > Sehr stutzig macht mich, dass der selbe(!) Spike > auch auf der Ausgangsspannung zu sehen ist. Sowohl von der Polarität wie > auch von Pegel her... Macht mich nicht stutzig. Ausgang und Eingang haben praktisch nicht die selbe Masse...;-)
0815 schrieb: > Peter P. schrieb: >> das jetzt den Hacken und die Ursache des Problems verursacht > > Wurde doch längst gesagt, aber Du meinst, das ginge schon alles auch so > ok. > > Die Ansteuerung von Q7 ist grottenschlecht. Er hat reichlich > Induktivitäten sowohl in der Masse, als auch am Gate. Schaltet der obere > Mosfet ein, kann der Treiber das Gate von Q7 kurzzeitig nicht unter der > Tresholdspannung halten. Beide Mosfets leiten dann gleichzeitig. > Während der pos. Einschaltflanke für Q7 sieht es ähnlich aus, der Mosfet > möchte einschalten, aber ihm bricht dabei die Masse weg, weil er eine > Masseanbindung hat, die einer China-Testleitung mit Krokoklemme > entspricht.;-) > > Bei 64KHz brauchst Du am Eingang keine 5 Elkos, sondern besser einen > Elko nebst ein paar ordentlichen Kerkos. Am Ausgang ist es ähnlich, > hängt aber von den Bedürfnissen der Last ab. Du vergißt es ist ein PV wandler ... Der Rippel am Eingangselko kann hier gut 3/4 des max Ausgangsstromes ausmachen und das über längeren Zeitraum ..mit nur einem ELKO geht da nix.. das heißt bei 30A kannst/mußt schon auf 24A Rippelbelastung hinplanen... sonst wirst nicht lange Freude am Elko haben .. die ganzen billigen China Kracher arbeitet mit einem. Gerade das halt so funktioniert.. aber von langlebig keine Spur.. die ganzen Qualitätswandler bei uns am Markt haben selten unter 4-5... Eingangskondensatoren werden noch von 330µF pro Stück auf 1500µF aufgeblasen .. die hab ich schon da liegen > C1 und C1 sind zu groß, bzw. die Spannungsteiler zu hochohmig. Mit solch > langsamen RC-Gliedern wird die Spannungsregelung schwierig bis > unmöglich. C1 stimmen auch nimmer, vergessen zu ändern .. die sind 47nF > Die je 3 330n sind unnötig, es würde auch ein Einziger machen (spart > Platz). Ja mehr Platz ist nice, aber mir wurde von mehrfacher Seite angeraten 1 µF zu nehmen .. laut diesem Forum wird sogar angeraten einen Elko noch zusätzlich zu setzen.. hatte 100nF Kerko drin .. war aber zu wenig > Der Snubber kann ganz raus, wenn das Board entsprechend designt wird. ganz weg? Bei der Induktivität der Drossel? > 90µH erscheinen recht viel für 64KHz und 30A, kenne allerdings die > Eingangsspannung nicht. bis max ..150LLS ..zu erwarten 100V im MPP... das hier ist aber nur eine Vorstufe.. die noch limitiertere Eingangswerte hat .. wie gesagt es ist nicht die letzte Platine ich taste mich langsam ran > Die Mosfets sollen wie gekühlt werden? Über Kupferheatpipe am Kühlrippengehäuse.. wäre ich Doppelseitig unterwegs wärs logischerweiße direkt am Gehäuse und die Fets am Rand.. geht aber in dem Fall nicht > IRF3710 ist nicht gerade optimal für Brücken. Sind auch nur da jetzt drin.. kommen IRF4321 > Q6 und Q5 müssten (im Board) nur je um 90° gedreht werden, schon wäre so > einiges besser. Inwievern macht das einen Unterschied.. außer das man sie dann schlecht kühlen kann weil man sie nicht am selben Kühler befestigen kann? > > Wenn Du das (und das schon zuvor Genannte) berücksichtigst, schafft man > diesen "Regler" (es ist ja praktisch nur die Endstufe) locker auf 1/2 > Euro. ??? 0815 schrieb: > Lothar Miller schrieb: >> Sehr stutzig macht mich, dass der selbe(!) Spike >> auch auf der Ausgangsspannung zu sehen ist. Sowohl von der Polarität wie >> auch von Pegel her... > > Macht mich nicht stutzig. Ausgang und Eingang haben praktisch nicht die > selbe Masse...;-) Was heißt sie haben nicht die selbe Masse .. ja was denn sonst?
Peter P. schrieb: > Du vergißt es ist PV wandler Genau deshalb brauchst Du eigentlich keinen einzigen Elko, sondern nur Kerkos. Die Stromversorgung geschieht permanent, nicht etwa mit 100Hz pulsend. Es geht einzig und allein darum, den vom Wandler benötigten Strom zu liefern. Das schaffen (bei 64KHz) wenige kleine Kerkos (zusammen nicht mal so groß wie einer Deiner Elkos). Peter P. schrieb: > Rippel kann hier > gut 3/4 des max Eingangsstromes ausmachen Nein, maximal die Hälfte. Peter P. schrieb: > 1 µF zu nehmen Ja, dann nimm einen 1µ und nicht 3 330n. Spart Platz. Peter P. schrieb: >> Der Snubber kann ganz raus, wenn das Board entsprechend designt wird. > > ganz weg? Bei der Induktivität? In der Brücke sowieso, aber ist Geschmacksache. Wenn die Indukt. hart an den Elkos liegt, und switchnode klein ist, geht das sicher. Peter P. schrieb: > IRF4321 Deutlich besser! Mit denen könnte schon ein Großteil Deines (vermutlichen) shoot-throughs verschwinden, trotz des Aufbaus...aber um ein Neudesign kommst Du bei tatsächlichen 30A einfach nicht herum. Peter P. schrieb: >> Q6 und Q5 müssten (im Board) nur je um 90° gedreht werden, schon wäre so >> einiges besser. > > Inwievern macht das einen Unterschied Na drehe doch mal Q5 90° gegen die Uhr, und Q6 90° mit der Uhr. Spart ne Menge Platz, und es muss plötzlich auch nichts mehr verzinnt werden. Peter P. schrieb: > Was heißt sie haben nicht die selbe Masse .. ja was denn sonst? Die Masse ist ein dünnes, langes Bändchen, das einmal um die ganze Platine führt. Das ist ja schon fast aus rein ohmscher Sicht sträflich, von der Induktivität ganz zu schweigen. Beim Schalten der Mosfets entstehen zwischen Deinen beiden Minusanschlüssen Spannungsspikes bis auf Höhe der Eingangsspannung. Trotz scheinbar gleicher Masse...
0815 schrieb: > Peter P. schrieb: >> Du vergißt es ist PV wandler > > Genau deshalb brauchst Du eigentlich keinen einzigen Elko, sondern nur > Kerkos. Die Stromversorgung geschieht permanent, nicht etwa mit 100Hz > pulsend. Es geht einzig und allein darum, den vom Wandler benötigten > Strom zu liefern. Das schaffen (bei 64KHz) wenige kleine Kerkos Moment, es geht da drum jeglich möglichen zur Verfügung stehenden Strom zu wandeln, ohne das etwas verloren geht, das heißt "alles" muß zwischen gespeichert werden. Bei einem Spanungsunterschied eingang/ausang von 100V zu 12/24V kommt da ein bisserl was zusammen > Peter P. schrieb: >> Rippel kann hier >> gut 3/4 des max Eingangsstromes ausmachen > > Nein, maximal die Hälfte. Wie kommst du da drauf bei dem Spanungsunterschied > Peter P. schrieb: >> 1 µF zu nehmen > > Ja, dann nimm einen 1µ und nicht 3 330n. Spart Platz. Wie schon geschrieben ich hatte grad keinen Da ich hab den Schaltplan ja jetzt extra umgezeicht auf das wie es aktuell eingebaut ist > Peter P. schrieb: >>> Q6 und Q5 müssten (im Board) nur je um 90° gedreht werden, schon wäre so >>> einiges besser. >> >> Inwievern macht das einen Unterschied > > Na drehe doch mal Q5 90° gegen die Uhr, und Q6 90° mit der Uhr. Spart ne > Menge Platz, und es muss plötzlich auch nichts mehr verzinnt werden. Kann man machen .. Platz sparen tut das aber nicht wirklich..Verzinnen tut ich sowieso nicht.. da ist 2,5mm Kupfer aufgelötet.. mir ist es Platzmäßig so lieber.. und die Heatpipe geht so besser dran > Peter P. schrieb: >> Was heißt sie haben nicht die selbe Masse .. ja was denn sonst? > > Die Masse ist ein dünnes, langes Bändchen, das einmal um die ganze > Platine führt. Das ist ja schon fast aus rein ohmscher Sicht sträflich, > von der Induktivität ganz zu schweigen. Beim Schalten der Mosfets > entstehen zwischen Deinen beiden Minusanschlüssen Spannungsspikes bis > auf Höhe der Eingangsspannung. Trotz scheinbar gleicher Masse... najo .. anders nicht möglich bei einlagig .. ich hab mich bemüht bewußt die masse so gut wie geht Parallel zu führen und das war aussen oder innen möglich
Peter P. schrieb: > najo .. anders nicht möglich bei einlagig .. Ich habe die Kringel dort oben in deinem Layout nicht nur aus Spass an der Freude eingezeichnet. Aber falls du den Link zum Thema "Strompfade" nicht kennst oder findest: http://www.lothar-miller.de/s9y/archives/46-EMV-Optimiertes-Schaltreglerlayout.html > anders nicht möglich bei einlagig .. Wie durch die Blume schon gesagt: es wird so nicht gehen. Mit 2A schon kaum und mit 30A niemals!
ups Sorry .. hab ich übersehen das du da etwas drauf gezeichnet hattest .. deinen Link kannte ich noch nicht werd ich mir gleich mal zur Gemühte führen .. danke
Peter P. schrieb: >> Peter P. schrieb: >>> Du vergißt es ist PV wandler >> >> Genau deshalb brauchst Du eigentlich keinen einzigen Elko, sondern nur >> Kerkos. Die Stromversorgung geschieht permanent, nicht etwa mit 100Hz >> pulsend. Es geht einzig und allein darum, den vom Wandler benötigten >> Strom zu liefern. Das schaffen (bei 64KHz) wenige kleine Kerkos > > Moment, es geht da drum jeglich möglichen zur Verfügung stehenden Strom > zu wandeln, ohne das etwas verloren geht, das heißt "alles" muß zwischen > gespeichert werden. Bei einem Spanungsunterschied eingang/ausang von > 100V zu 12/24V kommt da ein bisserl was zusammen Da geht doch nichts verloren. Die Elkos/Kerkos sind (bei Solarzellen als Versorgung) nur dazu da, den Strom liefern zu können, den die Drossel während eines einzigen Pulses aufnimmt. Das sind bei Dir 30A. Abzüglich des Stroms, den die Zelle sowieso liefern kann. Das schaffen 5 Kerkos im 1210-Gehäuse. Und daß das SMD ist, stört auch niemanden, die kann jeder mit nem 100W-Lötkolben noch löten...;-) Peter P. schrieb: >> Peter P. schrieb: >>> Rippel kann hier >>> gut 3/4 des max Eingangsstromes ausmachen >> >> Nein, maximal die Hälfte. > > Wie kommst du da drauf bei dem Spanungsunterschied Ok, bei sehr hoher Differenz Ein- zu Ausgangsspannung kann die Quelle nur noch wenig Strom im Vergleich zum Ausgangsstrom liefern. Dennoch ist die Versorgung aus ner Solarzelle viel optimaler als z.B. über Trafo+Gleichrichter. Bei Deinem Wandler müssen die Eingangselkos den Strom nur je wenige µs liefern können.
Peter P. schrieb: > anders nicht möglich bei einlagig Ich denke, richtig muss es heißen: schlechter ist die Masseführung kaum möglich gewesen. Bei einem guten Wandler für hohe Ströme ist die Masse nur eine kleine, fast runde Fläche, gar keine Leiterbahn.
0815 schrieb: > Peter P. schrieb: >> anders nicht möglich bei einlagig > > Ich denke, richtig muss es heißen: schlechter ist die Masseführung kaum > möglich gewesen. > Bei einem guten Wandler für hohe Ströme ist die Masse nur eine kleine, > fast runde Fläche, gar keine Leiterbahn. Das deckt sich aber genau überhaupt nicht mit dem Link von Lothar
Peter P. schrieb: > Das deckt sich aber genau überhaupt nicht mit dem Link von Lothar Habe den Link nicht angeklickt, aber es geht vermutlich um Strompfade, nicht primär um optimale Massen. Zu den Strompfaden kannst Du erst kommen, wenn Die Masse geroutet ist. Die schlecht designte Masse führt nicht nur zu EMV-Problemen, sondern auch zu Fehlfunktionen des Wandlers. Daher ist sie das Wichtigste überhaupt. Wenn Du im Anschluss daran die pos. Pfade routest, wirst Du bei einseitig vermutlich auch die Masse noch etwas strecken müssen. Nur halt nicht ansatzweise so wie bisher...
0815 schrieb: > Da geht doch nichts verloren. Die Elkos/Kerkos sind (bei Solarzellen als > Versorgung) nur dazu da, den Strom liefern zu können, den die Drossel > während eines einzigen Pulses aufnimmt. Das sind bei Dir 30A. Abzüglich > des Stroms, den die Zelle sowieso liefern kann. Das schaffen 5 Kerkos im > 1210-Gehäuse. Und daß das SMD ist, stört auch niemanden, die kann jeder > mit nem 100W-Lötkolben noch löten...;) Ja richtig ..... und bei 8A 100V mppt zu 24V 33A sind das schon ein bisserl mehr wie die Hälfte :) und das ist eine Menge wir reden da von >30µJ
0815 schrieb: > Peter P. schrieb: >> Das deckt sich aber genau überhaupt nicht mit dem Link von Lothar > > Habe den Link nicht angeklickt, aber es geht vermutlich um Strompfade, > nicht primär um optimale Massen. Zu den Strompfaden kannst Du erst > kommen, wenn Die Masse geroutet ist. Dann solltest den mal anklicken .. dann siehst das ein Ball alles andere wie Optimal ist.. Wenn ich das richtig interpretieren wird hier auch die Masse bewußt rundherum gezogen Wenn ich Lothar jetzt richtg verstanden habe ist das einzige Kriterium das ich den Strompfad weiter verkürze und den einen hacken da bei der Engstelle rausbring.. Verkürzen so eine Sache .. Wenn ich jetzt die rechten Elkos nach dem Kern nach rechts bring .. sollts das doch eigentlich sein .. aber das geht nur mit Doppelseitigem Layout..
Peter P. schrieb: > 0815 schrieb: >> Bei einem guten Wandler für hohe Ströme ist die Masse nur eine kleine, >> fast runde Fläche, gar keine Leiterbahn. > Das deckt sich aber genau überhaupt nicht mit dem Link von Lothar Wenn man ein wenig weiterdenkt und in so ein "abgerundetes" Design die Strompfade einzeichnet, dann durchaus. Allerdings heißt das NICHT, dass du einfach dein Design "einmal umstülpen" musst, sondern, dass die Platzierung der Bauteile auf optimale und kompakte Stromkreise fast automatisch zu einer kompakten Masse führt. Die muss nicht zwangsläufig "rund" im Sinne von "kreisförmig" sein! Sieh dir dazu einfach nochmal genau die Massen in meinem recht überschaubaren Beispiel an... Peter P. schrieb: > ist das einzige Kriterium Es gibt nicht "die einzige Wahrheit" und "das einzige Kriterium", denn mindestens ein weiters Kriterium wird sein, dass alles in das Gehäuse passt... Ein Layout ist immer ein Kompromiss. Nur ist die Frage, was dieser Kompromiss ist. Deine Entscheidung, einen 30A-Regler auf eine Lage zu bekommen, ist z.B. ein ungünstiger Kompromiss.
Peter P. schrieb: > Dann solltest den mal anklicken .. dann siehst das ein Ball alles andere > wie Optimal ist Die Masse als einzelner Punkt ist auf jeden Fall das Optimum, nur muss das das restliche Design auch zulassen.
Lesen: http://www.irf.com/technical-info/appnotes/an-978.pdf Besonders S. 9! Zitat: 1d. Consider co-locating both power switches to reduce track lengths Zitatende. So ein Design kann zum Latch-Up des IR führen, dann geht der High-Side-Schalter nicht mehr aus.
Lothar Miller schrieb: > Die muss nicht zwangsläufig > "rund" im Sinne von "kreisförmig" sein! Sieh dir dazu einfach /nochmal/ > genau die Massen in meinem recht überschaubaren Beispiel an... Ok, hab ich mißinterpretiert, ich dachte er hat gemeint Rund im Sinne von ein Fleck > Peter P. schrieb: >> ist das einzige Kriterium > Es gibt nicht "die einzige Wahrheit" und "das einzige Kriterium", denn > mindestens ein weiters Kriterium wird sein, dass alles in das Gehäuse > passt... yap .. das war ja das Hauptproblem bei dem Design und dem einen Layer
Peter P. schrieb: > ich dachte er hat gemeint Rund im Sinne > von ein Fleck Ja das ist schon so gemeint. Und das klappt sogar bei einseitig, sofern man es will. Dagegen sprechen dann andere Dinge wie z.B. die Dimensionen der Bauteile, das Aussehen der Schaltung, fest vorgegebene Anschlüsse, Gehäuseformen usw... Längere Pfade wirst Du bei einseitig sowieso nicht verhindern können. Aber diese sind in der Masse am wenigsten angebracht.
0815 schrieb: > Längere Pfade wirst Du bei einseitig sowieso nicht verhindern können. > Aber diese sind in der Masse am wenigsten angebracht. ja aber auch wenn die Masse jetzt als Bandgeführt ist .. Was ich daran hetzt nicht ganz check inwievern eine 15mm breite Verbindung der Masse hier jetzt so ein problem ist .. wie reden da ja nicht von 1m Länge.. das ist doch auch wenn man es jetzt 50% kürzen kann eine extrem niederohmige Verbindung .. hier ist ja eine Testbelastung von nur 1,5A.. ok bei 30A alles klar .. aber bei 1,5A... und 15mm bei der Minimalbelastung? Auch jetzt auf Treiber hingesehen hier ist ja keine 1mm Verbindung zur Masse das ist ja alles direkt an 15mm angebunden. Weil ich ja vorweg gelesen hab das eine Niederohmig Verbindung notwendig ist.. reicht das ernsthaft nicht aus?
> 50% kürzen kann eine extrem niederohmige Verbindung
Bei Gleichstrom schon. Aber Du schaltest innerhalb von (zB)
5Mikrosekunden auf 30A. Das ist eine Stromanstiegsgeschwindigkeit von
6A/us. Wenn Deine "kurze" Masseleiterbahn jetzt 1Mikrohenry Induktivität
hat, fällt an dieser während dieser 5us
di 30A
dU = L ---- = 1uH * -----
dt 5us
dU = 6V
ab. Diese 6V fehlen Dir aber am Gate zum sauberen Durchsteuern.....
Dabei spielt es keine Rolle, das der Spannungsfall der 30A auf der
Leitung durch die ohmschen Verluste quasi ignorieren kann....
Matthias Lipinsky schrieb: > Dabei spielt es keine Rolle, das der Spannungsfall der 30A auf der > Leitung durch die ohmschen Verluste quasi ignorieren kann.... Ja OK 30A .. aber die Oszibilder oben sind jetzt mit nur 1,5A Ausgangsstrom gemacht.. also kann das Massetechnisch, nur "derzeit" gesehen, auch wenns kürzer geht, bei der noch geringen Stromstärke "noch" nicht das Problem sein .. oder doch und ich überseh da jetzt was?
Matthias Lipinsky schrieb: > di 30A > dU = L ---- = 1uH * ----- > dt 5us > > dU = 6V Und das ist noch sehr geschönt. Die Leiterbahn ist ja keine Speicherdrossel mit konstantem Strom, sondern die ist im Einschaltmoment "entladen". Also entspricht der Spannungsabfall in der ersten Nanosekunde max. der vollen Eingangsspannung.
0815 schrieb: > Peter P. schrieb: >> oder doch und ich überseh da jetzt was? > > Ja, die Treiber der Mosfets. willst du sagen das die 15mm Masseverbindung hier zwischen Treiber und Fet nicht ausreicht bei < 1,5A Schaltleistung?
Peter P. schrieb: > willst du sagen das die 15mm Masseverbindung hier zwischen Treiber und > Fet nicht ausreicht bei < 1,5A Schaltleistung? Nein, in dem Fall eher der Ausgang des Treibers für Q7 (die lange Bahn dort). Dazu dann natürlich wieder dessen laanger Rückweg über Masse bis zu Pin 3 des Treibers. Dürften gesamt schon so 25cm sein.
Die 25 Ohm Gatewiderstand oder mehr bringen Dir da auch nicht viel, weil der Spannungshub an switchnode sowieso viel schneller ist als am Gate des oberen Mosfets. Schon kommt die Millerkapazität von Q7 wieder ins Spiel, und der Treiber kann dagegen kurzzeitig rein gar nichts tun. Er kann Vgs direkt an Q7 nicht auf 0V halten, weil zwischen ihm und dem Fet ordentlich Induktivitäten liegen.
Ja ok der Hinweg ist 7,5cm .. ... aber verglichen mit dem Gatewiderstand ist doch die Leitungslänge dabei eigentlich ein Witz?
Es wurde ja schon zigmal erklärt, es geht um den induktiven Widerstand! Ein Gatewiderstand-Leitungswiderstandsvergleich ist sinnlos.
Peter P. schrieb: > Ja ok der Hinweg ist 7,5cm .. ... aber verglichen mit dem Gatewiderstand > ist doch die Leitungslänge dabei eigentlich ein Witz? Es geht nicht um den ohmschen Widerstand, der darf gern auch 5 Ohm betragen. Es geht darum, daß sowohl diese Leitung, als auch die Masseleitung Induktivitäten sind. Der Strom in diesen "Induktivitäten" steigt erst nach dem Anlegen einer Spannung, und er beginnt bei null.
0815 schrieb: > Peter P. schrieb: >> Ja ok der Hinweg ist 7,5cm .. ... aber verglichen mit dem Gatewiderstand >> ist doch die Leitungslänge dabei eigentlich ein Witz? > > Es geht nicht um den ohmschen Widerstand, der darf gern auch 5 Ohm > betragen. Es geht darum, daß sowohl diese Leitung, als auch die > Masseleitung Induktivitäten sind. Der Strom in diesen "Induktivitäten" > steigt erst nach dem Anlegen einer Spannung, und er beginnt bei null. Ja aber dann hab ich da ein Verständniss Problem, denk ich ..Für mich stand die Beiflussung im Zusammenhang mit der Schaltleistung .. das macht doch Induktiv einen groben Unterschied ob 30A oder 0.3A über den regler gehen .. ich hab mit 0.3A genau den selben Peak im Oszi
Peter P. schrieb: > ich hab mit 0.3A genau den selben Peak im Oszi Ja, weil die Lade- und Entladeströme zu den Gates der Mosfet gleich bleiben, auch ganz ohne Last. Mit solchen Peaks haben selbst sauber geroutete Brücken schnell mal so ihre Probleme, wenn schnell getaktet werden muss. Ist dann eine Frage der Fets. Kannst ja mal die IRF4321 probieren, die dürften das etwas entspannen. Aber spätestens wenn die Brücke Strom bringen soll, kommt es wieder zu Problemen.
OK, das ist eh klar .. dachte irgendwie immer es kommt zur externen Beinflussung des gatepfades .. dann mal vorerst danke
So etwas schmeiß ich da jetzt aber jetzt noch ein weil wir ja soviel über den Q7 und seine Gatepfad Induktivität Quatschen .. Folgendes .. aufgrund des Diodeneinbaus ist die Effizienz zwar Käse aber q7 ist schon lange down wenn der HI Einbruchs Hacken passiert... der hat doch da keinen Einfluss mehr? Nachtrag .. sorry das sind zwei gleiche Fotos .. wollte nur eins .. keine AHung wie das grad gegangen ist
Klassischer Fall von shoot-through, aufgrund der Miller-Kapazität. Passiert so auch, wenn man eine saubere Brücke zu schnell befeuern will. Klar ist der untere Fet längst zu, wenn das passiert. Sonst hättest Du ja generell zu geringe Totzeit. Diese Stromspitze tritt immer auf, wenn der andere Fet gerade eingeschaltet wird. Die Spannung an der Brücke steigt/fällt dann so schnell, daß der längst geschlossene Fet von selbst aufgesteuert wird. Das passiert aufgrund eines kapazitiven Spannungsteilers bestehend aus der Millerkapazität und der gate/source-Kapazität. Ist atürlich weit eher ein Problem, wenn der Treiber so schwammig an den Fet angebunden ist, und das Gate nicht auf source-Niveau halten kann.
Aber trotz Diode wundert mich das schon irgendwie? Momentan hab ich 50 Ohm Gate und 5 OHm mit Diode retour .. Ich mein das ist extrem gesetzt ich weiß .. aber genau weils so extrem wunderts mich schon irgendwie..
phh, nun geht auch mir langsam die Puste aus... Du könntest für den untere Fet auch Null Ohm als Gatewiderstand haben, es wäre noch das Gleiche. Zieht der obere Mosfet die Spannung an der Brücke schlagartig nach oben, wird das Gate des unteren Mosfets aufgesteuert, weil die langen Leiterbahnen zwischen Treiber und Q7 verhindern, daß Q7 sperrend bleibt. Obwohl der treiber die ganze zeit nach Gnd leitet. Der Treiber kann die gatesource-Spannng erst wieder nach einigen Nanosekunden senken, bis dahin sind aber beide Fets geöffnet.
0815 schrieb: > phh, nun geht auch mir langsam die Puste aus... > > Du könntest für den untere Fet auch Null Ohm als Gatewiderstand haben, > es wäre noch das Gleiche. Zieht der obere Mosfet die Spannung an der > Brücke schlagartig nach oben, Ja aber verhindere ich das nicht mit dem erhöhen des Gatewiderstandes?? .. hat ja einen langsameren Anstieg zu Folge?.Entweder steht ich jetzt echt voll am Schlauch oder ich hab da bislang was ganz falsch verstanden.. Wie auch der 2184 TReiber hat eine Shootthrouh Protection intern? Nachtrag .. ahhh OK .. habs gecheckt was meinst, grad ärger auf der Leitung gestanden .. Blöde Frage .. Nicht Optimal, aber Gate Pulldown am Q7 .. mal als schnell fix .. bis ich dann mal ne neue Platine mach? Oder wird man dem nicht herr werden? Ok Bringt auch nix dann wirds wohl ne neue Platine werden
Peter P. schrieb: > Ja aber verhindere ich das nicht mit dem erhöhen des Gatewiderstandes?? Man kann es so verringern, aber das geht zu lasten des Wirkungsgrades. Durch den entfernt vom Mosfet liegenden Treiber müsstest Du vermutlich extrem langsam schalten, dann bräuchte man aber auch keine Halbbrücke mehr, und könnte den unteren Fet durch eine Diode ersetzen. Der Treiber hat nur die Totzeiten gegen das Durchschießen direkt beim Umschalten. Gegen das shoot-through aufgrund der Millerkapazität helfen nur sauberer Aufbau, geeignete Fets und abgestimmte Schaltflanken. Eine Alternative wäre noch, die Gates negativ vorzuspannen. Also aus dem üblichen Rechteck des Treibers von z.B. 0-ca.12V beispielsweise -4 bis 8V zu machen. Geht mit Kondensatoren/Zenerdioden und Widerständen recht einfach.
nur ganz kurz ..weil auf besuch... hatte noch spasshalber aus intetesse probiert mit gatewiderstand 280 ohm... klar sinnnlos... ewiglanger anstieg.. aber genau selbes verhalten. mit kurzem harten einbruch... 1:1 mit 25ohm... langsam glaub ich da spielt noch was anderes mit
2 Dinge solltest du erstmal klären: * Welche Totzeit erzeugt dein Treiberchip * Wie passt diese zu den ON und OFF Zeiten der verwendeten MOSFet Das kannst du natürlich auch mal mit dem Oszi messen. Zum einen ist hier die Verzögerung zwischen den beiden Gatetreiber Ausgängen interessant, zum zweiten natürlich die Verzögerung zwischen Gate Input und Schalten des MOSFet an sich. Diese ist natürlich abhängig von Gatekapazität und Gatewiderstand, denn die beiden bilden ja einen RC Tiefpass.
Peter P. schrieb: > mit kurzem harten einbruch Geschieht dieser weiterhin, während der jeweils andere Mosfet gerade den Linearbereich durchläuft (z.B. bei 4Vgs ? Falls ja, so sind die Widerstände wahrscheinlich noch zu gering. Man darf bei der Geschichte aber auch die Drossel nicht vergessen, die benimmt sich im Umschaltmoment fast wie eine Konstantstromquelle. Beim Mosfet im Einschnürbereich ist es noch dazu ganz ähnlich. Ist der Widerstand eines Mosfets also gerade "langsam" am Fallen, so fällt/steigt die Spannung an switchnode dennoch sehr plötzlich. Siehe dazu die erreichbaren Ströme der Mosfets bei unterschiedlichen Gatespannungen. Bei z.B. 3,5Vgs kann so ein Mosfet z.B. 1A treiben, aber die angelegte Spannung ist dabei fast egal. In Zusammenspiel mit der z.B. auf 1A aufgeladenen Drossel ergibt sich ein plötzlicher, sehr schneller Spannungshub.
So .. folgendes Gemacht q7 ausgelötet .. direkt rechts neben treiber Kern rückseitig für die mini Last aufgelötet ... die lange Gatezuleitung durchgeschnitten .. Fazit .. 0,3A last.. absolut NULL Veränderung .. also kann man die Theorie von der Ursache diese Hackens durch Induktiuonseinkopplung in die langeGateleitung definitiv ausschließen.. das ist hier definitiv nicht das Problem dieses einen Hackens. Das der Widerstand bei dem Spaß Gatewiderstand von 270 Ohm zu gering war .. definitv NO.. da schalt ich den fet nicht mal mehr voll durch .. das ist aber sowas von schon viel zu viel .. Begrenzt erfolgt bringt ein Snubber über die Drossel .. allerdings ist das auch nur Kaschierung 1.Bild mit 2.Bild ohne
Sieht denn der Input des Treibers einwandfrei aus? Evtl. recht hochohmig ausgeführt? Immerhin führt dieses Signal als Brücke direkt über switchnode. Nicht, daß das dort einkoppelt... Welche Betriebsspannung bekommt der Treiber?
So jetzt mal was neues... Heute mal andere Frequenzen ausprobiert 5, 10,20,30,40,50,64K Resultat .. bei 5k durchgehender Anstieg ohne Absetzer ..bei 10K Plateau bei 20K hacken schon deutlich sichtbar .. bei 30K hacken voll, der ändert sich dann mit Anstieg der Frequenz bis 64K nicht mehr Anbei die Bilder für 10,20,30K und 5K Gibt es dafür einen logischen Grund?
>hacken
Das tut ja weh in den Augen. Das wird Haken geschrieben.
Matthias Lipinsky schrieb: >>hacken > > Das tut ja weh in den Augen. Das wird Haken geschrieben. Stimmt absolut.. Nachdem ich aber in keinem Rechtschreibforum bin führt mich das der Lösung nur keinen Schritt näher :) Nächster Step ..Kern abgebaut und 10 Kabel cm rechts von der Platine liegen .. selbes verhalten bei 0.3A Last
Ich denk das liegt indirekt an der Synchrongleichrichtung. Damit gibt es keinen diskontinuierlichen Betrieb mehr, da der FET in beide Richtungen leitet. Bei den niedrigeren Schaltfrequenzen ist Delta I dementsprechend größer und kann dadurch im Umschaltzeitpunkt evtl. bereits negativ sein. Das hätte zur Folge, dass der Strom in der Totzeit über die Substratdiode von Q6 und über Q5 zurück in die Quelle fließt. Dadurch wäre die Spannung über den FET bereits 0, bevor das Gate angesteuert wird (Zero Voltage Switching) und damit gibts auch kein Miller Plateau.
Moment mal.. 2 mal selbes Gate source gemessen einmal vor und einmal nach dem Gatewiderstand kann das sein das der Kollege da einfach schon wie wild schwingt und das gar kein Einbruch in dem Sinn ist im Gate Anstieg..? Btw gerade hablierter Vorwiderstand im Unterschied zu vorher
Und noch ein Bild Gate Source und invertiertem Drain Source Bild 145 mit 8 Ohm Gatewiderstand Bild 146 mit 50 Ohm Gatewiderstand
Fritz R. schrieb: > Bei den niedrigeren Schaltfrequenzen ist Delta I dementsprechend größer > und kann dadurch im Umschaltzeitpunkt evtl. bereits negativ sein. Das > hätte zur Folge, dass der Strom in der Totzeit über die Substratdiode > von Q6 und über Q5 zurück in die Quelle fließt. > Dadurch wäre die Spannung über den FET bereits 0, bevor das Gate > angesteuert wird (Zero Voltage Switching) und damit gibts auch kein > Miller Plateau. Kurz gesagt: Bei der kleinsten Frequenz ist der primär fließende Magnetisierungstrom naturgemäß auch am größten. Und bei 5khz reicht er aus um während der Totzeit die Ausgangskapazitäten umzuladen, so dass bei Null Volt drain-source-Spannung eingeschaltet wird.(Stichwort ZVS)
Gut.. wenn ich das jetzt richtig verstanden habe.. Ich hab jetzt folgendes gemacht um es als Ursache zu identifizieren ... Gateleitung zu Q5 nach D1 getrennt ... und Q5 Source Drain gebridged.. hat zu Folge das Q5 bzw die nächtliche Rückstromsicherung komplett aus dem Spiel ist.. Resulat.. keine Veränderung.. schaut genau aus wie vorher...was für mich heißt das ist es auch nicht .. ;( Ich mein jetzt ist das doch langsam eine ganz normale Treiber schaltung ... ich checks jetzt echt nicht was hier jetzt noch irgendwie solche auswirkungen haben kann .. LO Gate schaut vollkommen normal aus
Wenn man jetzt mal das PLan für den Syncronwandler aktualisiert was jetzt noch drauf ist... bleibt jetzt nur mehr das übrig ... bei noch immer selben Ergebniss.. mit dem Zusatz das Q7 vom Ursprungslayout ganz nah an den Treiber gesetzt wurde .. Noch ein Vorschlag das ich probieren könnte? Das mit der ZVS klingt ja irgendwie einleuchtet.. aber wieso wäre das dann so wenn man Q5 eliminiert hat?
Um Probleme des Hi Fet's auszuschließen .. alle Fets auf irf 4321 ausgetauscht .. Ergebnis .. ident
Für mich wird das immer misteriöser.. Kann sein das hier GS Spannung am Hi nur einbricht wegen Entladung über den FET pic_152_3.gif weil im leerlauf bei aktivierter PWM pic_152_4.gif bei "nur" 0.01A angehängter Last
Finde ich nicht mysteriös. Ist einfach die gate-source-Spannung mit Miller-Plateau unter "hard-switching"-Bedingungen, also kein ZVS. Und die Flanken sind schon sehr langsam infolge unzureichendenden gate-Umlade-Stromes. Wie groß war Rgon in diesem Falle? Auf der anderen Seite bleibt die Frage, was erwartest Du eigentlich? Wie ist also das Ziel, und was wäre für Dich in Ordnung? Einen stufenlosen Gate-Übergang erreichst Du jedenfalls nur mit ZVS. Punkt!
Nö die Stufe ansich würde mich nicht stören meine Frage bezog sich nur auf den Spannungseinbruch in der G/S spannung. weil genau mit syncron hab ich auf der Ausgangsspanung Rippelpeaks genau in der selben Form also nicht das Plateau stört mich das ist mir schon klar ..sondern das einbrechen .. so wie ganz oben.. das erhöht sich ja mit steigern der last .. Ich hab jetzt schon soviel herumgelötet und umgebaut auf der Platine das die wege jetzt wirklich sehr kurz sind.. Ich bin davon ausgegangen das ich da ein Problem hab .. ist das dann also in der Form G/S am HI Fet ganz normal das die Spannung dann hier am Plateau einbricht? Wenn ich mitr Drain/Source ansehen schaut das komplett normal aus..
Das Miller-Plateau passiert durch Ladungsinjektion beim Schalten. Es ist von Natur aus synchron mit Schaltspikes bzw den auftretenden Stromspitzen. Du solltest mal versuchen zu verstehen, was da passiert. Mein Tip - nimm LTSpice und studiere das Schaltverhalten irgendeines x-beliebigen MOSFET, der gerade in der Bibliothek zu finden ist. Und schau Dir nicht nur Spannungen, sondern auch Ströme an - kein Problem für den Simulator.
Also ist das so wie es da auftritt eh vollkommen normal ...danke .. genau das wollte ich wissen.. aber intressant was hier alles für Gründe genannt wurden Mit LT Spice hab ich recht wenig erfahrung. Ich habs sogar installiert, bin allerdings in der Bedienung von dem Ding "noch" etwas unbeholfen
Bitte melde dich an um einen Beitrag zu schreiben. Anmeldung ist kostenlos und dauert nur eine Minute.
Bestehender Account
Schon ein Account bei Google/GoogleMail? Keine Anmeldung erforderlich!
Mit Google-Account einloggen
Mit Google-Account einloggen
Noch kein Account? Hier anmelden.


















