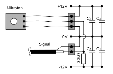
Hallo! Ich habe eine Frage zu der angehängten Schaltung. So weit ich weiß, handelt es sich um eine Vorverstärkerschaltung für ein Kondensatormikrofon. Die Spannungsversorgung soll über ein externes Netzteil erfolgen, nicht über das Signalkabel. Die Kondensatoren sind meines Wissens nach dazu da, Störungen aus der Spannungsversorgung zu puffern und nicht auf das Signalkabel zu übertragen. Kann mir jemand etwas mehr über diese Kondensatoren erzählen? Wie bestimmt man z.B. deren Kapazität? Gibt es für diese Schaltungsart einen Namen oder ein Stichwort, nach dem ich suchen könnte? Eine Phantomschaltung ist es ja nicht, weil die Spannung nicht über das Signalkabel kommt, oder? Gruß Ben
Ben S. schrieb: > Eine > Phantomschaltung ist es ja nicht, weil die Spannung nicht über das > Signalkabel kommt, oder? Ich weiss zwar nicht, was du mit Phantomschaltung meinst (evtl. Phantomspeisung ?), aber wenn das nicht ein sehr ungewöhnliches Elektretmikrofon ist, ist die Schaltung Quatsch. Verstärkt wird da auch nichts. Eine Elektretkapsel mit 3 Anschlüssen bekommt eine positive Speisespannung, hat einen Signalausgang und einen Masseanschluss. Die -12V in der Schaltung sind unnötig. Wo hast du das denn her? Siebkondensatoren direkt an der Kapsel werden an + und Masse angeschlossen und haben dann einen Wert, der meistens nicht genau berechnet wird (und werden kann). Ich würde in deinem Fall einen Elko mit etwa 10µF-47µF und evtl. einen 100nF Kerko parallel schalten.
Ja, ich habe die Phantomspeisung gemeint. Die Schaltung ist aus einem AIAA-Paper und wird wohl am DLR auch so eingesetzt. http://arc.aiaa.org/doi/pdf/10.2514/1.J050083 Wie bist du auf die Kapazitäten gekommen? Wofür braucht man überhaupt 2 Kondensatoren, die parallel geschaltet werden?
Ben S. schrieb: > Die Schaltung ist aus einem AIAA-Paper und wird wohl am DLR auch so > eingesetzt. Aha, das ist also ein sehr spezielles Mikrofon. Bist du sicher, das du so eines hast? Handelüblich ist das jedenfalls nicht. Ben S. schrieb: > Wie bist du auf die Kapazitäten gekommen? Gefühl und Abschätzung. Ben S. schrieb: > Wofür braucht man überhaupt 2 > Kondensatoren, die parallel geschaltet werden? Das macht man, wenn man neben den üblichen Brumm- und anderen niederfrequenten Störungen auch EMI höherer Frequenz erwartet. Elkos sind im Allgemeinen nicht sehr wirkungsvoll bei höheren Frequenzen und ein paraller Kerko kann damit besser umgehen und absieben.
Du zeigst hier einen Schaltungsausschnitt, wo zufällig die Abblockung der Speisespannungen und der Mikrofonanschluss gezeigt werden. Die Kondensatoren sind Abblockkondensatoren. Und wenn man zwei mal zweien den gleichen Namen gibt, ist dieses ehrfurchtsgebietende "AIAA-Paper" welches angeblich vom DLR (!!!) genutzt werden soll: - Einfach eine schlampige Skizze mit wenig Info-Gehalt...
Bitte melde dich an um einen Beitrag zu schreiben. Anmeldung ist kostenlos und dauert nur eine Minute.
Bestehender Account
Schon ein Account bei Google/GoogleMail? Keine Anmeldung erforderlich!
Mit Google-Account einloggen
Mit Google-Account einloggen
Noch kein Account? Hier anmelden.
