Hallo, ich arbeite durch mein Studium momentan mit einem Energy Harvester ähnlich einer Schütteltaschenlampe (Magnet durch Spule). Die Spannung hat eine max. Amplitude von 6V und eine schwankende Frequenz von ca. 100 - 600Hz.(ganz grob geschätzt) Diese Spannung möchte ich mit einem aktiven Gleichrichter gleichrichten und habe mir den tlc252 und den tlv342 bestellt.( Diese erschienen mir passend, da sie zum einen Single-Supply können, als auch mit einer kleinen Spannung laufen. Als Versorgungsspannung sind 3V vorgesehen.) Bei multisim habe ich versucht dies zu simulieren, mit mäßigem Erfolg. Also dachte ich, ich bau es einfach mal auf und beobachte das Verhalten auf dem Oszilloskop. Ich habe allerdings das Problem, dass die neg. Halbwelle (siehe F0005TEK.png) abgeschnitten wird. Habt ihr vielleicht eine Erklärung oder könnt ihr mir Tipps geben, wie ich die Schaltung verbessern könnte? Vielen Dank schon mal.
Äh und was wundert Dich daran, dass bei dem Aufbau nur eine Halbwelle durchkommt?
Karl Otto schrieb: > Äh und was wundert Dich daran, dass bei dem Aufbau nur eine Halbwelle > durchkommt? Sorry, hab mich etwas undeutlich ausgedrückt. Ich meine, dass ch1 (Eingangsspannung) nicht das Maximum der negativen Halbwelle erreicht, sondern vorher abgeschnitten wird. Sie ist deutlich kleiner als die pos. Halbwelle. Der Effekt wird größer, wenn ich die Spannung erhöhe. Ich denke das liegt an einer z-Diode, aber ich kann mir nicht erklären warum das passiert.
Paul P. schrieb: > Ich denke das liegt an einer z-Diode, aber ich kann mir nicht erklären > warum das passiert. Wo ist denn da eine Zenerdiode ?
Das ist ein P-Fet, der leitet, wenn das Gate x Volt kleiner ist als Source. Source liegt auf 0V. Dann müsste das Gate -5V haben. Ausgang vom OP hat aber nur min. 0V.
isidor schrieb: > Paul P. schrieb: >> Ich denke das liegt an einer z-Diode, aber ich kann mir nicht erklären >> warum das passiert. > > Wo ist denn da eine Zenerdiode ? Die ist im Mosfet integriert
Himbeerkuchen schrieb: > Das ist ein P-Fet, der leitet, wenn das Gate x Volt kleiner ist als > Source. > Source liegt auf 0V. Dann müsste das Gate -5V haben. Ausgang vom OP hat > aber nur min. 0V. wäre in diesem Fall also ein n-mos besser geeignet?
Paul P. schrieb: > Die ist im Mosfet integriert Nein. Diese begrenzt nur die Ugs auf für den FET verträgliche Werte.
Paul P. schrieb: > wäre in diesem Fall also ein n-mos besser geeignet? Nein. Eine Gleichrichtung besteht aus zwei/vier Dioden. Bei einer aktiven Gleichrichtung werden diese durch Transistoren ersetzt. Also würde ich zwei/vier Transistoren erwarten... http://www.linear.com/product/LT4320
Matthias Lipinsky schrieb: > Paul P. schrieb: >> wäre in diesem Fall also ein n-mos besser geeignet? > > Nein. Eine Gleichrichtung besteht aus zwei/vier Dioden. Bei einer > aktiven Gleichrichtung werden diese durch Transistoren ersetzt. Also > würde ich zwei/vier Transistoren erwarten... Das wäre später auch mein Ziel. Einen Brückengleichrichter mit 4 Mosfets. Aber zum testen hatte ich gedacht, dass eine Einweg-Gleichrichtung, die nur eine Halbwelle durchlässt zum Verständnis besser geeignet sei.
Paul P. schrieb: > Aber zum testen hatte ich gedacht, dass eine Einweg-Gleichrichtung, die > nur eine Halbwelle durchlässt zum Verständnis besser geeignet sei. Hm.. Ich habe mir das damals so gedacht, das die 0,7..1V der Gleichrichterdioden wegsollen. Also statt denen je ein FET hin und gefragt, wann muss welcher an/aus sein?...
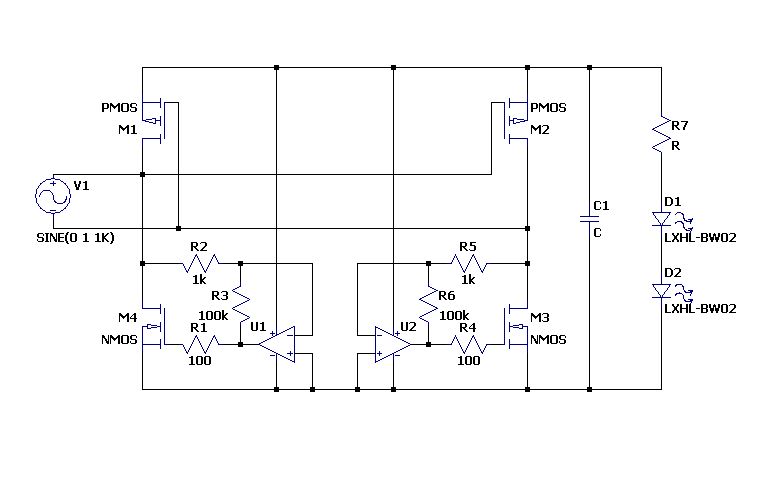
Matthias Lipinsky schrieb: > Hm.. Ich habe mir das damals so gedacht, das die 0,7..1V der > Gleichrichterdioden wegsollen. Also statt denen je ein FET hin und > gefragt, wann muss welcher an/aus sein?... Danke für den Link. Das habe ich auch mal gemacht. Allerdings mit einem anderem OP, da die Simulation mit dem tlc252 nicht wirklich hingehauen hat. Müsste ja quasi so aussehen, oder?
So, und jetzt häng' einen Sieb-Elko dahinter, wie man das bei Brückengleichrichtern ja so üblicherweise macht. Schau dir wirklich mal den LT4320 an... Erspart viele, viele Kopfschmerzen. Und eine Separate Spannungsversorgung für die OpAmps, wie sie deine Schaltung benötigt.
Wenn du aber wirklich nur so wenig Spannung zur Verfügung hast: (Der LT4320 braucht mehr als deine 3 V) => LTC3588 Der schluckt statt Piezo auch deine Schüttel-Magnet-Spule. Oder zwei Metallplatten in der Nähe einer Leuchtstofflampe, Abb. 10 Seite 15 :)
Ahab schrieb: > > Oder zwei Metallplatten in der Nähe einer Leuchtstofflampe, Abb. 10 > Seite 15 :) Danke für den Tipp, was genau meinst du mit Abb.10 Seite 15?
Paul P. schrieb: > was genau meinst du mit Abb.10 Seite 15? Vielleich versuchst Du es mal mit dem Datenblatt des genannten IC? wendelsberg
wendelsberg schrieb: > Paul P. schrieb: >> was genau meinst du mit Abb.10 Seite 15? > > Vielleich versuchst Du es mal mit dem Datenblatt des genannten IC? > > wendelsberg :) Das macht Sinn, sorry hatte noch keinen Kaffee.
Paul P. schrieb: > Diese Spannung möchte ich mit einem aktiven Gleichrichter gleichrichten Guck mal hier, Meister: http://www.thetaeng.com/FETBridge.htm
Knut Ballhause schrieb: > Guck mal hier, Meister: > > http://www.thetaeng.com/FETBridge.htm Genau diese Schaltungen tun nicht mehr, sobald die Last dahinter mehr als eine Glühlampe oder eine LED ist. Als Verpolungsschutz OK, aber sobald z.B. ein Elko dahinter kommt, klappt's nicht mehr.
Hi, das ist aber immer noch kein Gleichrichter. Im Anhang ein Prinzipschaltbild. Grüße
Ahab schrieb: > Genau diese Schaltungen tun nicht mehr, sobald die Last dahinter mehr > als eine Glühlampe oder eine LED ist. > > Als Verpolungsschutz OK, aber sobald z.B. ein Elko dahinter kommt, > klappt's nicht mehr. Kann ich das irgendwie simulieren, ob es dann nicht mehr klappt? Ich habe zum ausprobieren verschiedene RC-Kombinationen angeschlossen, aber in der Simulation sah die Ausgangsspannung eigentlich immer gut aus.
Paul P. schrieb: > Kann ich das irgendwie simulieren, ob es dann nicht mehr klappt? Wo ist der Elko in deiner Simulation (dicker Glättungselko auf der Ausgangsseite). hast du mal angeschaut was passiert wenn wirklich anfängt Strom durch D1 bis D4 zu fliessen, was begrenzt den Strom? Kann deine Spannungsquelle auch Strom aufnehmen? Dann schau dir dir Ströme an die fliessen (mit Kondensator am Ausgang).
Hi, den Zenerdioden fehlt der Vorwiderstand. Wo ist der Ladekondensator? Grüße
> Kann ich das irgendwie simulieren, ob es dann nicht mehr klappt?
mess den Strom hinter dem Gleichrichter.
Sh. Screenshot.
Geplottet ist der Strom durch den Shunt "R5". Dieser sollte nie negativ
werden, also Strom in den Gleichrichter zurückfliessen.
Bitte melde dich an um einen Beitrag zu schreiben. Anmeldung ist kostenlos und dauert nur eine Minute.
Bestehender Account
Schon ein Account bei Google/GoogleMail? Keine Anmeldung erforderlich!
Mit Google-Account einloggen
Mit Google-Account einloggen
Noch kein Account? Hier anmelden.






