Dank eurer Hilfe konnte ich bis jetzt einen 12->6V Wandler, ein kleines Netzteil und eine Steuerung für ein PWM-Lüfter realisieren. Für mich waren das die ersten drei Bastelarbeiten überhaupt - und diese sind auf anhieb fehlerfrei sehr gut gelungen. Nun benötige ich einen DC-Netzfilter. 230V können sehr unangenehme Nebenwirkungen haben, daher muss die Planung perfekt und absolut fehlerfrei sein! Würde der Filter, wie im Anhang abgebildet, funktionieren? Was sollte geändert werden? DANKE für Eure Hilfe und Unterstützung!
DC-Netzfilter, Brummen durch Gleichspannungsanteile im Stromnetz http://peter.family-rill.de/Projekte/SymAsym/DC-Netzfilter
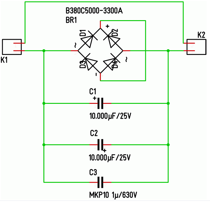
wird bei dem Brückengleichrichter tatsächlich - und + direkt verbunden? Danke für hilfreiche Antworten
Bernd schrieb: > wird bei dem Brückengleichrichter tatsächlich - und + direkt verbunden? Ja. Das ganze sind einfach 2 Dioden in Reihe und die anderen dazu antiparallel. Praktisch die gleiche Schaltung wie deine erste, nur das es zwei Dioden sind statt einer. Bedenken hätte ich ein wenig wg. der Polung der Elkos, das ist aber bei max. 1,4V über ihnen nicht dramatisch. Du musst dir darüber klar sein, das bei einer Unterbrechung der Dioden die Elkos sofort hochgehen. Schalte sie also erst dazu, wenn die Verschaltung des Gleichrichters über jeden Verdacht erhaben ist.
Bernd schrieb: > wird bei dem Brückengleichrichter tatsächlich - und + direkt verbunden? Das ist der Preis den man bezahlt, wenn man nicht 4 Einzeldioden nehmen möchte...eine zusätzliche Brücke. :)
Matthias Sch. schrieb: > Bernd schrieb: >> wird bei dem Brückengleichrichter tatsächlich - und + direkt verbunden? > > Ja. Das ganze sind einfach 2 Dioden in Reihe und die anderen dazu > antiparallel. Praktisch die gleiche Schaltung wie deine erste, nur das > es zwei Dioden sind statt einer. Bedenken hätte ich ein wenig wg. der > Polung der Elkos, das ist aber bei max. 1,4V über ihnen nicht > dramatisch. Du musst dir darüber klar sein, das bei einer Unterbrechung > der Dioden die Elkos sofort hochgehen. Schalte sie also erst dazu, wenn > die Verschaltung des Gleichrichters über jeden Verdacht erhaben ist. das hört sich nach Pfusch an, oder? Wie schaut so etwas in absolut zuverlässiger und sehr robuster Machart aus? Ich hab keine Lust an gelber stinkender Nebelbrühe in meiner Wohnung geschweige denn in meinem Netzteil Können hier wenigstens bipolare Elkos verbaut werden? Danke!
Bernd schrieb: > das hört sich nach Pfusch an, oder? Eher nach Kompromiss. Mit der entsprechenden Leitungsführung bei der Verkabelung sinkt das Risiko des Verschwindens des Gleichrichters aus der Schaltung. Bernd schrieb: > Können hier wenigstens bipolare Elkos verbaut werden? Wenn genug Platz vorhanden ist, kannst Du die ja selber machen. Um welche Lastströme geht es eigentlich?
mhh schrieb: > Bernd schrieb: >> das hört sich nach Pfusch an, oder? > > Eher nach Kompromiss. > > Mit der entsprechenden Leitungsführung bei der Verkabelung sinkt das > Risiko des Verschwindens des Gleichrichters aus der Schaltung. > > Bernd schrieb: >> Können hier wenigstens bipolare Elkos verbaut werden? > > Wenn genug Platz vorhanden ist, kannst Du die ja selber machen. Um > welche Lastströme geht es eigentlich? Platz ist genug vorhanden, eigentlich beliebig. Gehe ich recht in der Annahme dass ich für 50VA die Elkos kleiner dimensionieren kann (ca. 5000µF)?
Bernd schrieb: > für 50VA Zwei 3300µF oder 4700µF gegenpolig in Reihe würden reichen. Das machr rund 1,9 bzw. 1,4 Ohm Blindwiderstand.
Danke dafür! Meine Schwiegermutter darf dann das Teil anschalten, und wenn die Alte nicht aus den Latschen kippt, habe ich was falsch gemacht ...
sind diese Teile ok? AX 4.700/25 :: Elko, axial, 4.700µF/25Volt http://www.reichelt.de/Elkos-axial/AX-4-700-25/3/index.html?&ACTION=3&LA=2&ARTICLE=4524&GROUPID=3142&artnr=AX+4.700%2F25 MKP-10-630 1,0µ :: WIMA, Folienkondensator, Impulsfest http://www.reichelt.de/Wima-FKP1-MKP10/MKP-10-630-1-0-/3/index.html?&ACTION=3&LA=2&ARTICLE=31983&GROUPID=3150&artnr=MKP-10-630+1%2C0%C2%B5 B380C5000-WW+ :: Brückengleichrichter -WW+ 3,3/5,0A 500VAC http://www.reichelt.de/index.html?ACTION=3;ARTICLE=4625;SEARCH=B380C5000-WW+
Bernd schrieb: > sind diese Teile ok? So auf den ersten Blick ja. (Für die Gleichrichterbrücke reicht auch die 40 oder 80V Ausführung. In Sperrrichtung werden die Dioden ja nicht beansprucht.)
Danke mhh! Die Teile kosten ja nichts, erstaunlich wie preiswert das alles ist. Heute Vormittag wollte ein Hifi-Händler in München für solch eine Geschichte 99.-EUR!
Als Ersatz für bipolare Elkos schalte man ggf. 2 Elkos gegeneinander gepolt in Reihe, nicht parallel. In der falschen Polung fangen Elkos ggf. schon bei sehr kleiner Spannung etwas an zu leiten, als eine Art Naß-Gleichrichter. Damit ist der Sinn der Schaltung dann dahin, bzw. es geht nach hinten los. Der Folienkondensator muss keine 630 V haben - da tun es auch 50 V oder 10 V MKS... Typen. Die sind weniger als 1/10 so groß. Die Kondensatoren sehen maximal etwa 2-3 V. Normal sollte es unter 1 V sein. Einen so großen Kondensator braucht man zu den Elkos eigentlich auch gar nicht. HF Signale will man in der Regel gar nicht über die Netzleitung schicken. Wenn man mag könnt man auch Keramische Kondensatoren nehmen, ggf. sogar als Ersatz für die Elkos. Auch da gibt es 100 µF in kleiner SMD Bauform. Wenn für kleinen Strom 1000µF reichen, wären 10-20 Stück davon durchaus eine Alternative. Damit wäre man die Bedenken wegen der Polung los. Wenn nicht direkt im Gerät schon eine drin ist, sollte bei so einer Konstruktion eine Sicherung (z.B. 1 A) rein. So wie im Plan oben sollte das Gehäuse stabil genug sein, auch einen explodierenden Elko zu vertragen.
Habe mir das nun einige Male durchgelesen und ehrlich gesagt verstehe ich den Sinn dieser Schaltung nicht richtig. Wechselspannung soll rein und wieder raus kommen, aber durch die Kondensatoren stabilisiert? Wie der Stromverlauf ist, ist mir schon klar, aber was soll da gefiltert werden, bzw. wie sieht das am Ausgang dann aus? Was genau soll das bringen? Ebenso bekomme ich Magenschmerzen, wenn ich die gepolten Kondensatoren sehe. Kann das mal jemand genau erklären?
die (parasitären) gleichspannungsanteile im netz sollen raus. sie sind sehr klein, bleiben also schon an den flussspannungen der dioden wirksam hängen. hängt ein ringkerntrafo dran fährt er, bedingt durch seinen sehr geringen ohmschen widerstand, auch bei so kleinen gleichspannungsanteilen schon in die sättigung... er brummt akustisch und verzerrt elektrisch. die kondensatoren sollen den wechselspannungspfad für die wechselspannung unterhalb der flussspannung der dioden bieten.
rio71 schrieb: > in die sättigung... er brummt akustisch > und verzerrt elektrisch. Danke, das leuchtet mir ein.
Urlauber schrieb im Beitrag #3940207:
> also wir reden hier über Audio-Voodoo...
nein, nur über Ringkerntrafos.
So abwegig ist das Problem mit der kleinen Überlagerten Gleichspannung auf der Netzspannung nicht. Das Problem existiert in einigen Netzen tatsächlich, und immer mehr Schaltnetzteile machen es nicht besser. Knapp ausgelegte Trafos (gerade größere Ringkerntrafos) werden magnetisiert, wenn auch nicht gleich bis zur Sättigung. Dadurch kommen sie ggf. zeitweise auch bis fast in die Sättigung und Brummen (die Magnetostriktion wird bei hohem Feld stärker) und auch die Stromimpulse können stören und z.B. über magnetische Kräfte hörbar werden. Die Idee bei dem Filter kommt schon hin, nur die Elkos an Wechselspannung sind keine so gute Idee. Eine Alternative wäre ggf. auch eine Drossel, um die Spannung etwas zu senken und scharfe Strompulse zu vermeiden. Der Gleichstrom fließt dann weiter, stört aber nicht so. Selbst ein NTC Anlaufstrombegrenzer würde den Gleichstrom ggf. schon begrenzen. Über den zusätzlichen Strom wirkt der Trafo aber auch der Gleichspannung im Netz entgegen. Das Problem für die anderen Geräte wird also eher größer. Die bessere Lösung wäre den brummenden Trafo für einen etwas höhere Spannung auszulegen, so dass er gar nicht mehr so sehr in die Sättigung kommt - damit hätte man auch ohne den Filter nicht so viel Brummen, nur der Trafo wäre halt größer und teurer. Im Idealfall sorgt man dafür den eigentlichen Störer im Netz, der Gleichstrom zieht zu finden und zu entfernen. Das störende Gerät könnte natürlich auch das Gerät sein, das brummt.
ist diese Ausführung besser geeignet? Der Vorteil: Platine gibt es fertig für 8EUR zu kaufen und die Schaltung wurde 1000fach verbaut, welche anstandslos funktioniert und langlebig ist. Alternative Trenntrafo Ist dieser Trafo geeignet (für ca. 175 VA)? Trenntransformator-Serie ST 230 V 2.17 A 500 VA Block http://www.conrad.de/ce/de/product/715834/?gclid=CIDpgvad5sICFYKWtAod_HEA3A&insert_kz=VQ&hk=SEM&WT.srch=1&WT.mc_id=google_pla&s_kwcid=AL!222!3!48256909137!!!g!!&ef_id=VJ6OUAAABTxGN1nr:20141227123502:s Das Teil könnte ich doch direkt ohne weitere Maßnahmen anschließen und in ein Gehäuse mit Stechdose einbauen, oder? Das Endgerät verfügt über eine Sicherung und die Wandstechdose ist auch abgesichert. Sollte der Bastelaufwand für den Trenntransformator erheblich sein, dann bleibt nur noch folgende alternative: Statron 5357.4 http://www.statron.de/details/214 oder Thalheimer Trenntrafo ERT 115/115/4G http://www.voelkner.de/products/15516/Thalheimer-Medizinischer-Trenntrafo-ERT-115-115-4G.html?frm=reco__related
Bernd schrieb: > Alternative Trenntrafo > > Ist dieser Trafo geeignet (für ca. 175 VA)? Ich weiss nicht, weswegen du die DC-Falle bauen willst, aber wenn das dafür ist, einen brummenden Trafo zu beseitigen, wenn die Kaffeemaschine nachheizt, verlagerst du damit das Problem zum Trenntrafo, der dann evtl. brummt. Also, wozu willst du das Dings benutzen?
> Also, wozu willst du das Dings benutzen? um zwei Ringkerntrafos zu zähmen. Die Teile brummen ab und an dermaßen laut, dass sie in meinem Wohnzimmer (52qm) nicht zu überhören sind. Der gebastelte Filter funktioniert und bringt eine deutliche Besserung. Aufgrund der Unkenrufe hätte ich doch gerne eine zuverlässige, langlebige und sichere Lösung. > Ansonsten "stört" nichts in meinem Haushalt. Selbst wenn > alle anderen Geräte deaktiviert sind (Sicherungskasten), ist das Brummen > mal mehr oder weniger vorhanden. Ab und an ist nichts zu hören. Hatte > ein Elektriker hier, er ist der Meinung DC sei der "Übeltäter". Gemessen > hat er nichts, angeblich sei das auf die Schnelle nicht möglich. > verlagerst du damit das Problem zum Trenntrafo, der dann evtl. brummt. "eventuell" hört sich gut an. Ich könnte einen bestellen (Thalheimer oder Statron) und wenn es nicht wie gewünscht funktioniert, zurückgeben. Damit wäre möglicherweise alles erledigt.
Das kleine Problem der oben vorgestellten Schaltung ist die parallele Schaltung der Elkos - in Reihe geschaltet (so wie beim letzten Plan) sollte die Lebensdauer deutlich länger werden. Das Relais sollte bei einem eher kleinen Trafo nicht nötig sein.
Ulrich H. schrieb: > Das kleine Problem der oben vorgestellten Schaltung ist die parallele > Schaltung der Elkos - in Reihe geschaltet (so wie beim letzten Plan) > sollte die Lebensdauer deutlich länger werden. lasst mich nicht dumm sterben. Bipolare Kondensatoren kann man wohl auch nachbilden, indem man Elkos antiparallel verschaltet. Dabei werden zwei Elkos gleicher Kapazität mit den + Polen verbunden. Bedeutet aber auch, halbe Kapazität, oder? Momentan funktioniert die Geschichte. Wenn ich jetzt ein Elko "drehe", erhöht sich offensichtlich die Lebensdauer. Wird das ganze mit halber Kapazität auch noch funktionieren? (50-175VA)
Zum nachbilden eines ungepolten Elkos müssen die Elkos in Reihe, nicht parallel. Der Kondensator parallel zu den Elkos darf auch kleiner sein oder ggf. ganz entfallen, 630 V muss er auch nicht im geringsten vertragen. Da reich schon so etwas: http://www.reichelt.de/Wima-MKS-2/MKS-2-5-1-0-/3//index.html?ACTION=3&GROUPID=3153&ARTICLE=12347&OFFSET=500&WKID=0& oder sogar kleiner. Wenn man etwa 1 V als Maximale Spannung an den Kondensatoren ansetzt. Braucht man bei 170 VA eine Impedanz von weniger als etwa 1.2 Ohm. Dafür braucht man bei 50 Hz rund 3000 µF. Die 2 mal 10000µF in Reihe würden also noch ausreichen, damit der Strom im wesentlichen durch die Kondensatoren fließt. Bei einem nicht mehr Sinusförmigen Strom, wie man es bei Audiogeräten öfter findet wird die Sache noch eher günstiger.
Bernd schrieb: > um zwei Ringkerntrafos zu zähmen. Die Teile brummen ab und an dermaßen > laut, dass sie in meinem Wohnzimmer (52qm) nicht zu überhören sind. vielleicht hast du einfach nur Überspannung >230V oder deine Trafos waren mal für 220V ausgelegt, ich hatte das Problem weil ich ne blillige Netztrennung für 230V wollte, also 2 Trafos 230V/12V Rücken an Rücken verschaltet, ging gar nicht, erst als ich die Kombi 230/12 15/230 wählte war Ruhe, also mit leichter Unterspannung fahren.
Bernd schrieb: > jetzt schaut es so aus ... Hatte ich Dir ja schon so angeraten. Aber warum Du es nicht gleich so umgesetzt hast ... Beitrag "Re: DC-Netzfilter" Mit 2*10mF reicht es auch für die 170VA (wie Ulrich schon schrieb). Joachim B. schrieb: > ich hatte das Problem weil ich ne blillige > Netztrennung für 230V wollte, also 2 Trafos 230V/12V Rücken an Rücken > verschaltet, ging gar nicht, erst als ich die Kombi 230/12 15/230 wählte > war Ruhe, also mit leichter Unterspannung fahren. Der Grund war sicherlich ein anderer als die Trafowahl.
mhh schrieb: > Der Grund war sicherlich ein anderer als die Trafowahl. interessant, erzähl mal...... Ich weiss das ich es am Trenntrafo nachstellen konnte das der in die Sättigung ging.
Bernd schrieb: > Nachtrag: die angefügte Schaltung habe ich verwendet Exakt so habe ich für einen Bekannten den DC-Filter aufgebaut. Er arbeitet jetzt seit über einem Jahr zur vollsten Zufriedenheit, das Brummen am Ringkern der Audioendstufe, welches immer bei gleichzeitigem Betrieb einer gedimmten Wohnzimmerlampe auftrat, ist damit beiseitigt.
Icke ®. schrieb: > Bernd schrieb: >> Nachtrag: die angefügte Schaltung habe ich verwendet > > Exakt so habe ich für einen Bekannten den DC-Filter aufgebaut. Er > arbeitet jetzt seit über einem Jahr zur vollsten Zufriedenheit, das > Brummen am Ringkern der Audioendstufe, welches immer bei gleichzeitigem > Betrieb einer gedimmten Wohnzimmerlampe auftrat, ist damit beiseitigt. Wie hast du ihn aufgebaut, nach Nr.1 oder Nr.2?
Nach Nr.1, antiparallel. Als Gleichrichter dient eine 10A/400V Graetzbrücke und die Elkos sind diese hier: http://www.reichelt.de/Becher-Elkos/10-000-63M8/3/index.html?&ACTION=3&LA=2&ARTICLE=1491&GROUPID=3146&artnr=10.000%2F63M8
Joachim B. schrieb: > interessant, erzähl mal...... Ich benutze seit Jahren 2 gleiche RKTs (220V:12V) als billigen Trenntrafo ohne solche Probleme. Sie sind übereinander montiert in einem ATX-NT Gehäuse. Es kann vllt. an Deinem Exemplar liegen, aber nicht am Prinzip mit 2 gleichen Trafos.
Icke ®. schrieb: > Bernd schrieb: >> Nachtrag: die angefügte Schaltung habe ich verwendet > > Exakt so habe ich für einen Bekannten den DC-Filter aufgebaut. Er > arbeitet jetzt seit über einem Jahr zur vollsten Zufriedenheit, das > Brummen am Ringkern der Audioendstufe, welches immer bei gleichzeitigem > Betrieb einer gedimmten Wohnzimmerlampe auftrat, ist damit beiseitigt. Da wird nicht die Ursache bekämpft, sondern nur das Problem bearbeitet. Ob die Schaltung wirklich, und unter allen Bedingungen, dauerhaft funktioniert, das kann ich nicht sagen, aber ich würde eher die Ursache suchen.
F. Fo schrieb: > Ob die Schaltung wirklich, und unter allen Bedingungen, dauerhaft > funktioniert, das kann ich nicht sagen, aber ich würde eher die Ursache > suchen. Die Ursache ist bekannt, eine gedimmte Stehlampe. Da diese ein hochpreisiges Modell ist und außerdem einen hohen WAF genießt, muß sie bleiben. Der DC-Filter war hier eine preiswerte und effiziente Lösung, auch wenn er nur die Symptome bekämpft. Solche Gleichspannungsanteile können auch von anderen Geräten verursacht werden, wir hatten hier z.B. schon einen Thread, wo ein Kaffeeautomat der Störenfried war.
F. Fo schrieb: > Icke ®. schrieb: >> Bernd schrieb: >>> Nachtrag: die angefügte Schaltung habe ich verwendet >> >> Exakt so habe ich für einen Bekannten den DC-Filter aufgebaut. Er >> arbeitet jetzt seit über einem Jahr zur vollsten Zufriedenheit, das >> Brummen am Ringkern der Audioendstufe, welches immer bei gleichzeitigem >> Betrieb einer gedimmten Wohnzimmerlampe auftrat, ist damit beiseitigt. Der ursprüngliche Zustand ist wieder hergestellt. Leider hab ich meine Platine jetzt versaut ... > Da wird nicht die Ursache bekämpft, sondern nur das Problem bearbeitet. > > Ob die Schaltung wirklich, und unter allen Bedingungen, dauerhaft > funktioniert, das kann ich nicht sagen, aber ich würde eher die Ursache > suchen. Die Ursache befindet sich ist nicht in meinen eigenen 4 Wänden. Wenn alle Gerätschaften deaktiviert sind (Sicherungen) dann ist das Brummen immer noch vorhanden. Das ist ja das Problem, das ich gerne beseitigen möchte. > Ich benutze seit Jahren 2 gleiche RKTs (220V:12V) als billigen > Trenntrafo ohne solche Probleme. Sie sind übereinander montiert in einem > ATX-NT Gehäuse. Es kann vllt. an Deinem Exemplar liegen, aber nicht am > Prinzip mit 2 gleichen Trafos. Auch gut, dann bin ich mit dem Block Trenntransformator bestens bedient. Zwei Ringkerntrafos sind auch nicht günstiger, im Gegenteil. Werde diesen in ein Gehäuse mit Steckdose pflanzen und gut ist es. Das ist wahrscheinlich die beste Lösung ...
Bitte melde dich an um einen Beitrag zu schreiben. Anmeldung ist kostenlos und dauert nur eine Minute.
Bestehender Account
Schon ein Account bei Google/GoogleMail? Keine Anmeldung erforderlich!
Mit Google-Account einloggen
Mit Google-Account einloggen
Noch kein Account? Hier anmelden.






