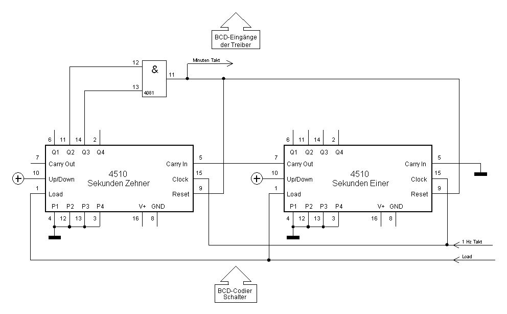
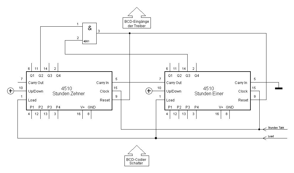
Hallo Zusammen Ich habe mir eine Digitaluhr aufgebaut und ein Problem mit der Genauigkeit. Mein Takt habe ich mit einem 4.194304MHz Quartz aufgebaut und dies mit dem 4521 um 2^22 geteilt, um auf ein Hertz zu gelangen. (siehe Anhang) Das ganze lasse ich über die Zählerbausteine 4510 laufen und wandle es mittels 4511 von binär zu dezimal um und lasse es auf 7-Segment Anzeigen ausgeben. (siehe Anhang) Ich habe nach einem Tag fast schon eine Ungenauigkeit von +- 30 sec. Ich weis jetzt nict ob es an dem Taktsignal liegt oder an den Bauteil/Schaltgeschwindigkeiten der Zähler. Mit freundlichen Grüßen
Andreas Claus schrieb: > Hallo Zusammen > > Ich habe mir eine Digitaluhr aufgebaut und ein Problem mit der > Genauigkeit. > Mein Takt habe ich mit einem 4.194304MHz Quartz aufgebaut aha. Und hast du den Quartz auch mit Ziehkondensatoren auf exakt diese Frequenz gezogen und dann thermisch isoliert (anders rum: zuerst thermisch isolieren und mit einer Heizung/Kühlung auf konstanter Temperatur halten; dann auf die Frequenz ziehen) > Ich weis jetzt nict ob es an dem Taktsignal liegt oder an den > Bauteil/Schaltgeschwindigkeiten der Zähler. Auch wenn auf dem Quarz irgendwas mit 8 Nachkommastellen drauf steht. Er hat nicht diese Frequenz out of the box.
Nein dies habe ich nicht gemacht. Habe das ganze nur nach dem Schaltplan aufgebaut. Gibt es denn eine einfachere Lösung um ein genaues 1 Hertz Signal zu bekommen? Das bedeutet also auch das die Schaltzeiten der ICs eine nicht so große Rolle spielen?
4MHz ist für CMOS noch machbar. an den ICs liegts nicht. wirklich genaue 1Hz bekommst du mit einem herkömmlichen DCF-Empfänger, einem Rubidium-Frequenznormal oder einem GPS-Empfänger.
Andreas Claus schrieb: > Gibt es denn eine einfachere Lösung um ein genaues 1 Hertz Signal zu > bekommen? Vorschlag: zunächst die Uhr täglich mit einer Funkuhr vergleichen und mit Ziehkondensator korrigieren. Feinabstimmung evtl. später durch wöchentliche Korrektur. Das dauert allerdings eine gewisse Zeit
Danke für die schnelle Antwort Mal ne Frage zu dem DCF Empfänger, liefert der mir schon direkt 1 Hertz oder muss man das Signal noch mit einem µC auswerten?
Andreas Claus schrieb: > Ich habe nach einem Tag fast schon eine Ungenauigkeit von +- 30 sec. Wie kann die Abweichung nach einem Tag gleichzeitig +30s und -30s betragen? Ich vermute aber, dass dies gelogen ist und die Abweichung nur in eine Richtung aufgetreten ist. Dann sollte sie sich durch Anpassung der Kondensatoren einigermaßen in den Griff bekommen lassen, so dass sie sich auf weniger als eine Minute pro Monat senken lässt.
>Mal ne Frage zu dem DCF Empfänger, liefert der mir schon direkt 1 Hertz >oder muss man das Signal noch mit einem µC auswerten? DCF ist in dieser Hinsicht etwas sparsam ausgelegt. Es werden nur 59 Sekundentakte pro Minute ausgeliefert. Die Sechzigste musst Du Dir schon selber basteln.
Um die Kondenstatoren anzupassen - muss ich beide Verändern (C1 und C2)? - in welcher Größenordnung befinden wir uns (geht es um ein paar pF) ? - muss ich noch Widerstände ändern ?
30 s am Tag???? Das ist ein Fehler von 347 ppm. Billige Allerweltsquarze von 4 MHz mit C1 = C2 = 27 pF haben bei den üblichen CMOS-Oszillatorschaltungen meist einen Fehler von deutlich kleiner 100 ppm. Also vielleicht 5 s pro Tag. Erster Schritt: C1 / C2 = 22 pF / 82 pF ist Mist -> 27 pF / 27 pF. Von da aus kannst du meist mit kleinen Änderungen (22...33 pF) auf wenige Sekunden pro Woche kommen. Ansonsten weiß hier natürlich keiner, wie gut, oder schlecht du das aufgebaut hast. Damit kann man sich auch einiges versauen. Foto?
Bist du dir da sicher ich habe nochmal auf anderen Internetseiten geschaut und die haben das genauso?
Die Kondensatoren sind schon etwa in der richtigen Größe. Es dürft so in der Größe 15-35 pF statt der 22 pF liegen. Wenn man das mit einem Trimmer nicht hin bekommt kann man ggf. einen kleinen Kondensator parallel löten. Die Widerstände muss man nicht extra anpassen. Nur wenn man bei den Kondensatoren extreme Werte braucht muss man ggf. was ändern. Auch wenn man die Schaltung abgeglichen hat, kann die Frequenz noch schwanken, etwa weil sich die Temperatur oder Versorgungsspannung ändert. Auch das kann einige Sekunden am Tag ausmachen. Für weniger Drift kann man ggf. passende Kondensatoren aussuchen, die den Temperatureffekt etwas kompensieren. Beim DCF77 bekommt man einmal den Sekundentakt 59 mal in der Sekunde (eine Fehlt) und dazu die Uhrzeit. Ggf. kann man auch die genau 77,5 kHz Trägerfrequenz nutzen, die aber viele fertige Module nicht zur Verfügung stellen. Die Auswertung geht fast immer per µC, nicht mehr direkt per Logic ICs. Man braucht in der Regel einen Quarz um kurze Ausfälle und Störungen zu überbrücken. Viele Uhren empfangen auch normal nur 1 mal am Tag (Nachts) das Signal und zeigen den Rest des Tages die Quarzuhr an.
Deine Zählerschaltung sieht sehr merkwürdig aus. Bist du sicher das die richtig zählt? Wo hast du die her. So hab ich das noch nie gesehen. Warum die 4510 nicht ganz normal cascadieren?
Ulrich H. schrieb: > Die Kondensatoren sind schon etwa in der richtigen Größe. Es dürft so in > der Größe 15-35 pF statt der 22 pF liegen. Wenn man das mit einem > Trimmer nicht hin bekommt kann man ggf. einen kleinen Kondensator > parallel löten. Wobei mir der 82pF schon sehr hoch vorkommt. Aber es ist ja nicht so kompliziert, wenn die Uhr zu langsam läuft, sind die C zu groß, wenn sie zu schnell läuft, sind sie zu klein. Max Mustermann schrieb: > Warum die 4510 nicht ganz normal cascadieren? Du brauchst nun mal Teiler:60 für Sekunden und Minuten und Teiler:24 für die Stunden, das sieht schon alles richtig aus. Stellen sollte man sie auch können, dafür die Load Leitung. Wäre da ein systematischer Fehler, würde die Uhr schon im Vergleich mit der Eieruhr durchfallen. Wenn man also zuviele 4510 hat und nicht weiss, wohin damit, ist so eine Uhr schon gar nicht schlecht.
Ich musste mal einen Kondensator auf ca 100pF ändern, damit die Frequenz stimmte. Es war ebenfalls ein 4,irgendwas Mhz Quartz, jedoch an einem 89C2051 Mikrocontroller. Ein kleiner Tip für's nächste mal: Auf die 50Hz Netzfrequenz kann man sie sehr verlassen. Wenn du eine Uhr durch die Netzfrequenz aus der Steckdose taktest, musst du sie nach der Inbetriebnahme nie wieder korrigieren (außer bei Stromausfall).
Wenn man sich die Datenblätter von TI (CD4521) und NXP (HEF4521) ansieht, ist in beiden die Osillatorschaltung anders aufgebaut als du sie gemacht hast. Pin 4 und 6 vertauscht. Warum machst du das?
Stefan Us schrieb: > Auf die 50Hz Netzfrequenz kann man > sie sehr verlassen. Da wäre ich mir nicht so sicher. Siehe http://www.netzfrequenzmessung.de/
Andreas Claus schrieb: > Gibt es denn eine einfachere Lösung um ein genaues 1 Hertz Signal zu > bekommen? Wenn Du einen Netzanschluss (230V) hast nimm die Netzfrequenz, die wird übers Jahr stabil gehalten mit/-30s Maximalabweichung. rgds
Dirk schrieb: > Stefan Us schrieb: >> Auf die 50Hz Netzfrequenz kann man >> sie sehr verlassen. > > Da wäre ich mir nicht so sicher. Siehe > http://www.netzfrequenzmessung.de/ Doch. Sehr sicher sogar. :-) Die wird zwar in ihrem Momentanwert schwanken, je nach Belastung. Aber innerhalb eines größeren Zeitraumes mitteln sich die Abweichungen.
6A66 schrieb: > Andreas Claus schrieb: >> Gibt es denn eine einfachere Lösung um ein genaues 1 Hertz Signal zu >> bekommen? > > Wenn Du einen Netzanschluss (230V) hast nimm die Netzfrequenz, die wird > übers Jahr stabil gehalten mit/-30s Maximalabweichung. Siehe hier: https://www.swissgrid.ch/content/swissgrid/de/home/experts/topics/frequency.html rgds
Stefan Us schrieb: > Wenn du eine Uhr durch die Netzfrequenz aus der > Steckdose taktest, musst du sie nach der Inbetriebnahme nie wieder > korrigieren (außer bei Stromausfall). Nur das mit der Sommerzeit haben sie im E-Werk noch nicht hingekriegt. :-)
Wenn du Lust hast zu programmieren, dann versuche den CD4521 durch einen µC zu ersetzen. Damit schaffst du die Möglichkeit Abweichungen in der Software zu kompensieren.
Jubeljahr schrieb: > Wenn du Lust hast zu programmieren, dann versuche den CD4521 durch > einen > µC zu ersetzen. Damit schaffst du die Möglichkeit Abweichungen in der > Software zu kompensieren. Und statt den Quarz auf konstanter Temperatur zu halten, kann man die Temperatur der Uhr messen, die Kennlinie der Quarzfrequenz bei verschiedenen Temperaturen aufnehmen und dann die Berechnung der Abweichung durch Interpolation auf der Temperatur-Kennlinie des Quarzes ausgleichen. ;-))
Harald Wilhelms schrieb: > Stefan Us schrieb: > >> Wenn du eine Uhr durch die Netzfrequenz aus der >> Steckdose taktest, musst du sie nach der Inbetriebnahme nie wieder >> korrigieren (außer bei Stromausfall). > > Nur das mit der Sommerzeit haben sie im E-Werk noch nicht hingekriegt. > :-) Die stricken noch am Übertragungsprotokoll :-)
Danke für die Antworten Noch mal eine Frage zu dem Anpassen der Kondenstatoren. Ich habe die momentan mit C1 22pF und C2 82pF Im Ersten Schritt ändere ich beide so auf 27pF und schaue nach ein paar Tagen wie sich die Zeit verändert hat. Läuft die Uhr zu langsam = C kleiner Läuft die Uhr zu schnell = C größer Ändere ich beide Kondensatoren oder jeweils einzelnd ?
Fritz schrieb: > Pin 4 und 6 vertauscht. Stimmt. Außerdem sind im NXP-Datenblatt nur 500kHz und 50kHz angegeben. Die 4MHz können daher außerhalb des Oszillatorbereiches liegen. Oder nimm 15V als VCC.
Beim Ändern der Kondensatoren sollte das Verhältnis 1:1 nicht allzustark verändert werden 1:2 für Ängstliche, 1:3 geht noch locker, aber mehr wird dann schon grenzwertig.
Bitte melde dich an um einen Beitrag zu schreiben. Anmeldung ist kostenlos und dauert nur eine Minute.
Bestehender Account
Schon ein Account bei Google/GoogleMail? Keine Anmeldung erforderlich!
Mit Google-Account einloggen
Mit Google-Account einloggen
Noch kein Account? Hier anmelden.



