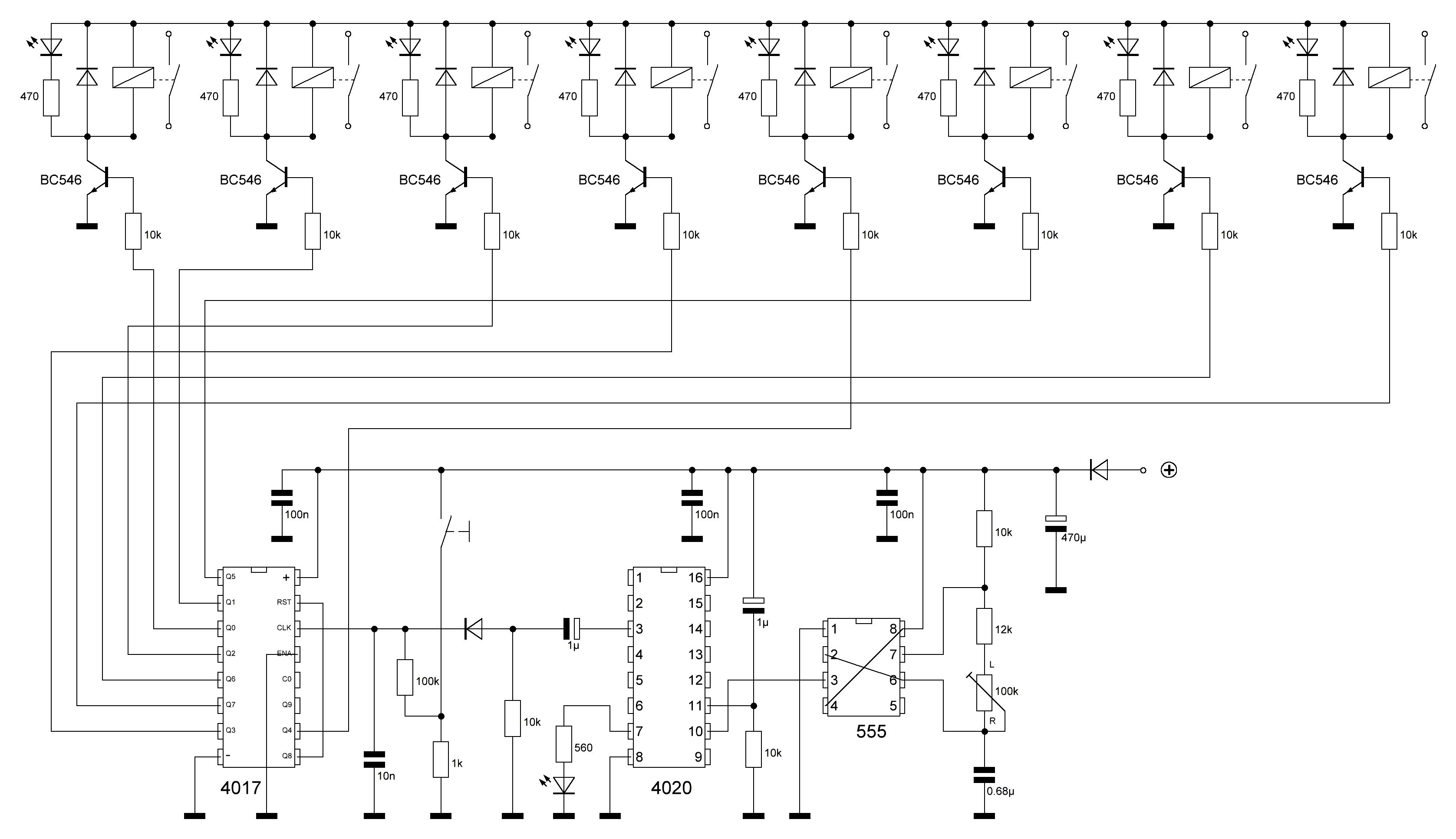
Hallo, ich habe einen Fehler in meiner Schaltung und finde ihn nicht... Kann mir jemand auf die Sprünge helfen? Die Schaltung macht folgendes: Für 5-30 Minuten sollen 8 verschiedene Verbraucher nacheinander eingeschalten werden (immer nur einer aktiv). Ein Timer 555 und ein nachfolgender 4020 erzeugen den Takt. Ein 4017 übernimmt das Umschalten der 8 Kanäle. Die Schaltung funktioniert im Prinzip super, hat aber einen 'Schönheitsfehler'. Die erste Sequenz, direkt nach dem Einschalten, ist nur halb so lang wie alle anderen... Ich habe schon alles Mögliche versucht (manuelle Tastung raus, RC-Glied 4020-4017 überbrückt, Reset-RC raus) - keine Änderung. Wo liegt mein Gedankenfehler? Frank
Frank Weithoener schrieb: > Die erste Sequenz, direkt nach dem Einschalten, ist > nur halb so lang wie alle anderen... Was bedeutet das den genau? Werden nur 4 Ausgänge angesprochen? Läuft das Ding doppelt so schnell?
> Die erste Sequenz, direkt nach dem Einschalten, > ist nur halb so lang wie alle anderen Ja, weil du den 4017 mit der positiven Flanke taktest. Der Ausgang des 4020 liefert folgendes Signal:
1 | T T |
2 | |----------|-----------| |
3 | high _____ _____ |
4 | low ______/ \_____/ \_____ |
5 | ^ ^ |
6 | | | |
7 | Flanke Flanke |
Die erste positive Flanke tritt nach der halben Zeit auf. Du musst die negative Flanke verwenden, dann klappt es.
1 | o +5V |
2 | | |
3 | |~| 100k |
4 | |_| ____ |
5 | 0,1µF | | | |
6 | vom 4020 o--[===]---||---+----| 1 |o----o zum 4017 |
7 | 1k | |____| |
8 | | 1/6 vom CD4584 |
9 | / |
10 | | Taster |
11 | | |
12 | GND |
Man könnte auch einfach den negativen Clockeingang (Pin 13 statt 14) des 4017 benutzen... Pin 14 dann auf high legen.
Ein paar andere Bauteile müssen dann natürlich auch anders verschaltet werden...
Ein einziger kleiner AVR und die ganze tolle 40er Waschmaschinen-Logik wäre weg ...... und das ganze Timing wäre frei wählbar ....
Wow, ihr seit echt schnell!! Tausend Dank. @ Detlef Erste Taktlänge ist nur halb so lang. Ist z.B. der Timer auf 6 Minuten gestellt, dauert jede Sequenz 6 Minuten - nur die erste nach dem Einschalten ist 3 Minuten lang. @ Stefan Jau, das könnte sein. 4017 schaltet bei positiver Flanke. Ausgänge 4020 sind das wohl nicht. @ Joe Das probiere ich aus. Melde mich später noch mal. @ Isidor Kommt nicht in Frage. Sitze hier im Herzen Afrikas und muss mit dem Zurecht kommen, was die Bastelkiste liefert. Ausserdem muss das vielleicht später einmal jemand reparieren.
Frank Weithoener schrieb: > Erste Taktlänge ist nur halb so lang. Ist z.B. der Timer auf 6 Minuten > gestellt, dauert jede Sequenz 6 Minuten - nur die erste nach dem > Einschalten ist 3 Minuten lang. Nach dem Inbetriebnehmen, oder auch, wenn nach einem Durchlauf es wieder von Vorne losgeht? Dein 4017 kann ohne Inbetriebnahme-Reset einen beliebigen Zustand haben. Eine Veroderung (zwei Dioden mit dem Reset (4020) und dem Q8 (4017) und einem Pull-Down-Widerstand) könnten hier zumindest für klare Startverhältnisse sorgen.
Das scheint so nicht zu gehen... Bei Joes Vorschlag blitzt der 1. Takt nur kurz auf. Die darauffolgenden gehen dann wieder. Stefans Vorschlag ist schon eher dran. Die Sequenzen sind jetzt alle gleich. Aber dafür geht mein Start-Reset nicht mehr (eine beliebige Sequenz startet). @ Klaro das tritt nur beim ersten Starten auf. Nach dem ersten Umschalten sind dann alle Sequenzen gleich lang, auch beim neuen Durchlauf. Einen Start-Reset habe ich mit RC an Pin 11 4020 (funktioniert auch)
> Aber dafür geht mein Start-Reset nicht mehr
Logisch, denn am 4017 hast du den reset Pin ja fest auf GND gelegt.
Dass er vorher nicht mit Zufallswert startete war reines Glück.
Ich glaube auch, dass der fehlende Reset des 4017 das Problem ist. Versuche es mal wie im Anhang. Wichtig ist, dass der 4017 erst nach dem 4020 aus dem Reset kommt (daher 10u/10K).
OK, ich glaub' das ist es! 1. Ich habe zwischen 4020 und 4017 noch einen Inverter eingefügt (BC546). Damit sind die Flanken kompatibel und jetzt klappts auch mit der Länge der ersten Sequenz. 2. Der 4017 braucht so noch einen zusätzlichen Reset (vorher reichte der 4020-Reset). Über ne Entkopplungsdiode habe ich den zusammen auf den Reset des 4020 gelegt. Ich werde jetzt noch ein paar Tests machen, aber ich denke das geht nun. Vielen, vielen Dank euch Allen für die schnelle Hilfe! Frank
Stefan Us schrieb: > Logisch, denn am 4017 hast du den reset Pin ja fest auf GND gelegt. Eben nicht. Für mich liegt der auf Q8 vom 4017. Mit der Bildvergrößerung kann man das aber erkennen.
Nochmals Danke für eure Hilfe. Der Vollständigkeithalber anbei die überarbeitete Schaltung. Läuft super! Frank
> Für mich liegt der auf Q8 vom 4017.
Oh ja stimmt. Aber du hast verstanden, worauf ich hinaus wollte. Es
fehlt ein Power-On Reset.
Bitte melde dich an um einen Beitrag zu schreiben. Anmeldung ist kostenlos und dauert nur eine Minute.
Bestehender Account
Schon ein Account bei Google/GoogleMail? Keine Anmeldung erforderlich!
Mit Google-Account einloggen
Mit Google-Account einloggen
Noch kein Account? Hier anmelden.



