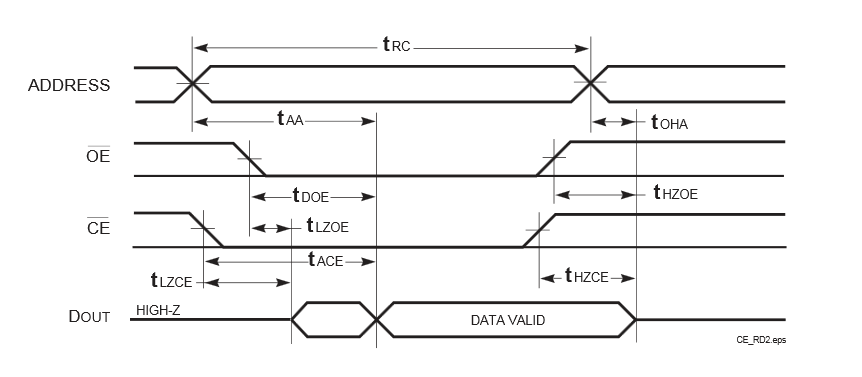
Manch einem mag diese Frage nun lächerlich oder überflüssig erscheinen. Jedoch habe ich ein kleines Verständnisproblem. Es geht um Signal Zeit Verläufe. Genauer gesagt um die Darstellung. Damit dort nun keine Missverständnisse entstehen frage ich einfach mal nach. Als Beispiel habe ich hier ein Bild vom Auslesevorgang eines SRAMs. Nun konkret zu meinen Fragen: 1. Wieso gibt es bei der Adressenzeile zwei Linien? Ein Signal ist ja entweder HIGH oder LOW. Es sind zwar mehrere Bits, jedoch kreuzen sich diese beiden Linien was mich irritiert. Dieses Phänomen hab ich sonst nur im Differential Signaling gesehen. Weiterhin ist beim Kreuzen so gesehen kein Bit entweder HIGH oder LOW, was soll das? 2. Das selbe nun beim OE Eingang. Es ist nur ein Signal an dem Eingang. Wieso gib es nun zwei Linien, welche bei der fallenden Flanke zu einer werden und dann wieder auseinander gehen? Wenn die untere Linie für 0V stehen sollte müsste diese nicht auch beim Vorgang des Kreuzens der beiden Linien in der Adressenzeile zu sehen sein?
Ich hätte vielleicht auch das Bild anhängen sollen. Ups...
Kuehlschrank schrieb: > Wieso gibt es bei der Adressenzeile zwei Linien? Ein Signal ist ja > entweder HIGH oder LOW Genau, high oder low. Das soll durch die beiden Linien dargestellt werden. Such dir einfach eine aus. ;-) Das ist bei den Daten genauso. Kuehlschrank schrieb: > Das selbe nun beim OE Eingang. Es ist nur ein Signal an dem Eingang. > Wieso gib es nun zwei Linien, welche bei der fallenden Flanke zu einer > werden und dann wieder auseinander gehen? Wenn du das RAM beschreibst, was machst du dann mit dem #OE?
nur mal so schrieb: > Genau, high oder low. Das soll durch die beiden Linien dargestellt > werden. Such dir einfach eine aus. ;-) > Das ist bei den Daten genauso. Achso, und das Kreuzen der Linien soll das Abschließen einer Adresse bedeuten oder wie muss ich das verstehen? nur mal so schrieb: > Wenn du das RAM beschreibst, was machst du dann mit dem #OE? Nunja, quasi dauerhaft auf HIGH bis ich die die Adresse angegeben habe (beim lesen), dann auf LOW um meine Daten zu bekommen richtig? Wieso verzichtet man denn nicht auf die durchgehende untere Linie. Immerhin ist hier das Signal an einem Definierten Zeitpunkt genau HIGH oder LOW.
Kuehlschrank schrieb: > das Kreuzen der Linien soll das Abschließen einer Adresse > bedeuten Dort kann ein Wechsel stattfinden. Aber für die Gültigkeit sind die Zeiten nach den Steuersignalen ausschlaggebend. Ohne die Zeiten wäre es ja überall gleich. Und dafür gibt es ja die speziellen Datenblätter.
Kuehlschrank schrieb: > 1. Wieso gibt es bei der Adressenzeile zwei Linien? Es sind sogar viel mehr Linien, aber die liegen alle genau übereinander. > Es sind zwar mehrere Bits... Eben, und manche wechseln von Low nach High und andere umgekehrt. > Weiterhin ist beim Kreuzen so gesehen kein Bit entweder > HIGH oder LOW, was soll das? Die Signale können ja nicht in unendlich kurzer Zeit von Low nach High wechseln, die sind auch im wirklichen Leben eine Zeit lang undefiniert in der Mitte. > 2. Das selbe nun beim OE Eingang. Es ist nur ein Signal an dem Eingang. > Wieso gib es nun zwei Linien, welche bei der fallenden Flanke zu einer > werden und dann wieder auseinander gehen? Wenn die untere Linie für 0V > stehen sollte... Soll sie wohl nicht, das scheint mir eher ein Sonderfall bei diesem SRAM zu sein. OE (und sogar CE) müssen nach dem Lesen nicht unbedingt wieder High werden. Normalerweise macht man das nicht so, evt. ist die 0V-Linie deshalb dünner gezeichnet.
Keine Ahnung, was du mit "Abschliessen" meinst. Aber im Bild soll das heissen, dass ab dem Zeitpunkt der sich kreuzenden Linien stabile Adressen anliegen.
H.Joachim Seifert schrieb: > Keine Ahnung, was du mit "Abschliessen" meinst. Aber im Bild soll > das > heissen, dass ab dem Zeitpunkt der sich kreuzenden Linien stabile > Adressen anliegen. Ja so hatte ich das auch gemeint, also, dass die Adresse komplett ist. Danke für die schnellen Rückmeldungen, selbst um diese Uhrzeit :). Eine kleine Sache wäre da noch wie ich bei dieser Gelegenheit noch fragen könnte: Bevor der Ausgang den Zustand "DATA VALID" annimmt befindet sich noch ein kleines "Paket" an Daten davor. Soll das bedeuten, dass eine gewisse Zeit lang Unfug am Ausgang steht bevor man nun die Daten hat?
Kuehlschrank schrieb: > Bevor der Ausgang den Zustand "DATA VALID" annimmt befindet sich noch > ein kleines "Paket" an Daten davor. Soll das bedeuten, dass eine gewisse > Zeit lang Unfug am Ausgang steht bevor man nun die Daten hat? Wofür ist wohl die Zeit t_DOE? Ein Blick ins Datenblatt wirft bestimmt ein kleines Licht in den dunklen Raum. ;-)
Unfug klingt so negativ. Jedenfalls sind es keine gültigen Daten zur angelegten Adresse. Kann sein, dass es die Daten des letzten Zugriffs sind, kann sein, dass es völlig wirres Zeug ist, kann sein, dass es teilweise richtige Daten sind, sogar völlig korrekte Daten sind möglich. Wichtig ist: garantiert richtig sind sie erst nach Ablauf aller angegebenen Mindestzeiten.
"OE Access Time" Scheint ja wirklich so zu sein. Irgendwie doof, da muss man ja höllisch aufpassen dass man nicht zufälligerweise ein Bit zu früh erwischt...
Na ja, der IC muss ja irgendwie die elektrischen Werte einstellen. Beim aktivieren von #OE ist ja nach t_LZOE intern schon alles gelaufen. Aber die Pegel müssen vom Silizium noch an die Ausgänge. Und die zulässige Last müssen sie auch noch treiben, ...
Bitte melde dich an um einen Beitrag zu schreiben. Anmeldung ist kostenlos und dauert nur eine Minute.
Bestehender Account
Schon ein Account bei Google/GoogleMail? Keine Anmeldung erforderlich!
Mit Google-Account einloggen
Mit Google-Account einloggen
Noch kein Account? Hier anmelden.
