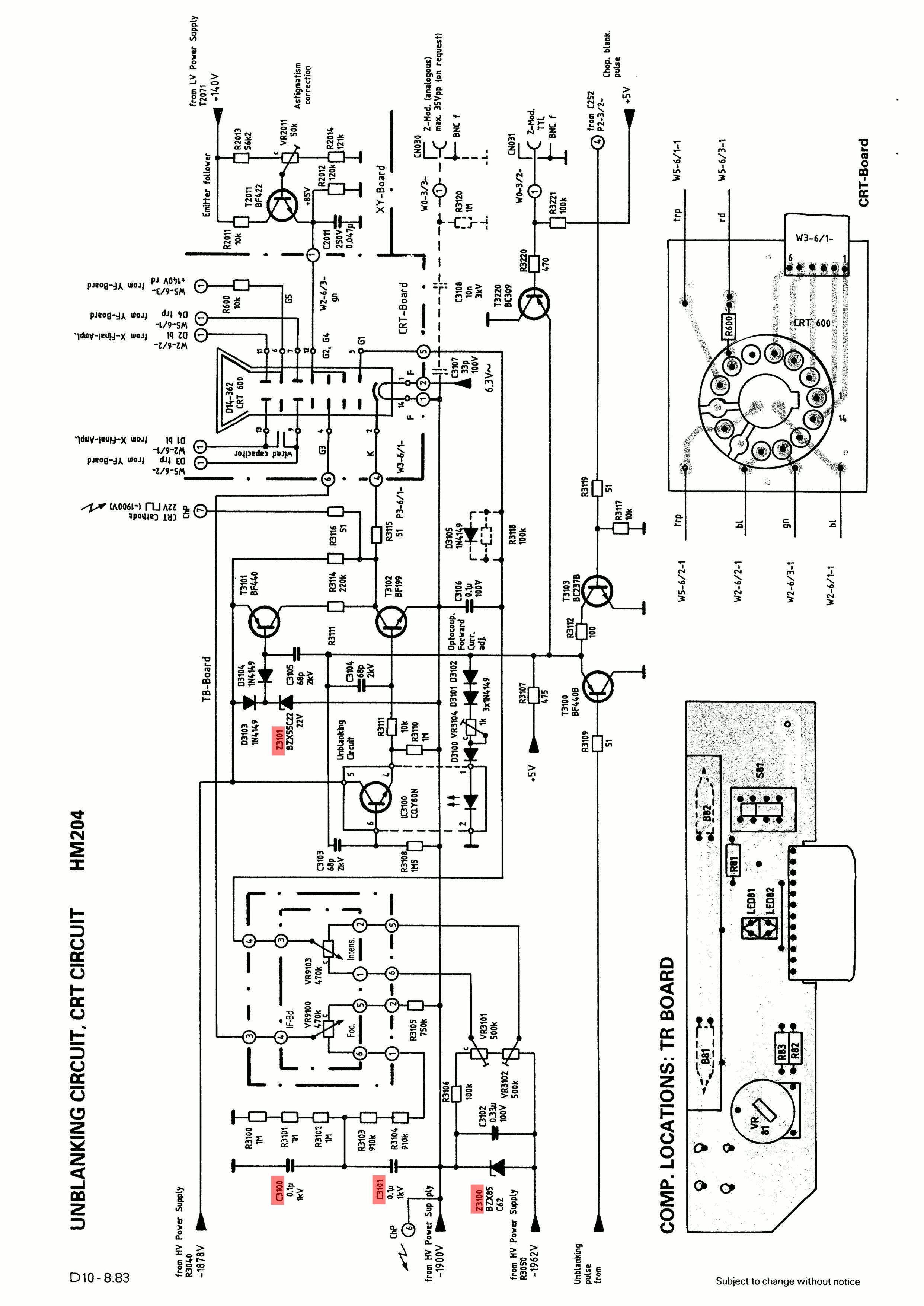
Hallo liebe Forumsmitglieder, nach langer Pausehatte ich wieder mal mein Oszilloskop im Einsatz. Nach ein paar Minuten wurde der Strahl immer schwächer und selbst bei voll aufgedrehtem Regler kaum noch zu sehen. Nun habe ich viel gegoogelt und bin schließlich hier gelandet, weil der Beitrag "Fehlerbild HAMEG HM204-2 - Hat jemand 'ne Idee?" ein ähnliches Problem schilderte. Nachdem ich diverse Kondensatoren, Dioden und Zenerdioden getauscht hatte, war der Strahl wieder etwas heller, jedoch ist das Bild um ca. 20% "zu breit". Das heißt, ich muss mit dem X-Positionseinsteller um ca. 2 Rasterlinien nach links verschieben, um das Strahl-Ende zu sehen. Alle Regler sind eingerastet und auch X-Mag ist aus. In den angehängten Dateien habe ich die gemessenen Werte eingetragen und die ersetzten Bauteile markiert. Hoffe, dass Ihr mir weiterhelfen könnt, ich bin mit meinem beschränkten Wissen am Ende. Schon vorab vielen Dank für die Hilfe und viele Grüße Werner @Admin Die GIFs sind 10 bis 20 Prozent größer als die JPGs.
Hallo! Fehlerbild wie auch beim Röhren-Fernseher -> Bild zu groß und zu dunkel: Hochspannung zu klein.
Hallo Route 66, leider kann ich die Hochspannung mangels Equipment nicht messen. Wo, d.h. in welcher Richtung muss ich suchen? Bin für jeden Tipp dankbar. Grüße Werner
ducati-v_werner schrieb: > leider kann ich die Hochspannung mangels Equipment nicht messen. Das sind ziemlich miese Bedingungen für eine Reparatur! Die resultiernde Beschleunigungsspannung wird durch Addition mehrerer Spannungen wirksam. Man muss herausfinden, welche in die Knie geht. Das geht nur durch Messen oder Probieren. Such Dir was aus.
Route 66 schrieb: > as sind ziemlich miese Bedingungen für eine Reparatur! Naja vom Messen allein wird die Hochspannung auch nicht mehr werden? Evtl. hat das Gerät lange Zeit im feuchten Keller verbracht. Da wäre eine kleine Trockenkur ein Versuch. Stell das Ding mal einen Tag auf die lauwarme Heizung zum trocknen. Evtl. tritt Selbstheilung ein? ... und Bastler Vorsicht bei Messversuchen an der Hochspannung. Das kann mit einer Reihenschaltung einer Stange 1MOhm-Widerstände zwar etwas anzeigen, aber scheinbar unscheinbare Impulse an der Booster-Diode brennen auch ganze Leiterzüge im Vielfachmesser weg.
oszi40 schrieb: > unscheinbare Impulse an der Booster-Diode Das Oszi hat überhaupt keine Boosterdiode!
Leider geht mein Multimeter nur bis 1000V. Mit Widerständen zu messen, traue ich mir nicht zu. Der Keller und auch das Gerät sind völlig trocken, sodass die Feuchtigkeit ausscheidet, außerdem versuche ich schon über viele Tage weiter zu kommen. Könnt Ihr bitte mir einen Tipp geben, in welchem Teil der Hochspannung ich suchen soll. Grüße werner
ducati-v_werner schrieb: > Leider geht mein Multimeter nur bis 1000V. Mit Widerständen zu messen, > traue ich mir nicht zu. Hallo Werner, dann lass die Finger weg. Bei Hochspannung sollte man wissen, was man tut und die nötige Messtechnik haben. Sigi
Naja netterweise hat Hameg den Hochspannungsteiler gleich mit eingebaut. An dem Schnittpunkt R3055,VR3051,C3051 sollten etwa 0,705V zu messen sein. Dann beträgt die Hochspannung -1900V. Das Teilerverhältnis des Spannungsteilers ist 333 -1900V:333= -5,705V. Addiert man die +5V hinzu auf der das untere Ende hängt, dann kommen 0,705V heraus. Oder habe ich was übersehen. Wenn weniger rauskommt könnte man zunächst die beiden Regeltransistoren mal überbrücken. ( Sie liegt ja auf der niedrig-Potentialseite. ). Wird die Spannung dann immer noch nicht erreicht, dann würde ich die 8 Dioden und 4 Kondensatoren im Spannungsvervielfacher mal erneuern. Ich tippe am ehesten auf einer der 4 Kondensatoren, das die einen Feinschluss haben. Auf keinen Fall mit dem Multimeter oder Oszillograf direkt an der Hochspannung messen. Es sei denn man hat ein passenden Hochspannungsmesskopf. Ralph Berres
Man könnte sich auch den Spannungsteiler am Fokusregler zunutze machen. Der Gesamtwiderstand der Kette R3100 bis R3105 mit Poti sind 6,04 MOhm, über R3100 sollte also etwa 1/6 der Hochspannung stehen, so 310-320V. Da das alles sehr hochohmig ist, sollte das Messgerät höchstens mit 10M belasten.
Am Schnittpunkt R3055,VR3051,C3056 (nicht C3051) ist leider keine stabile Spannung zu messen. Sie ändert sich von -8,2V bis auf -4,8V innerhalb von ein paar Minuten. Die Kondensatoren wie auch die Dioden hatte ich schon getauscht, was ja schon eine kleine Besserung brachte. @Matthias Die Spannung an R3100 beträgt -217V, also viel zu wenig. Werde jetzt versuchen, die einzelnen R-Glieder ohmisch durchzumessen und sehen was dabei rauskommt. Berichte sodann. Vielen Dank für die Anregungen. Grüße Werner
ducati-v_werner schrieb: > Am Schnittpunkt R3055,VR3051,C3056 (nicht C3051) ist leider keine > stabile Spannung zu messen. Sie ändert sich von -8,2V bis auf -4,8V > innerhalb von ein paar Minuten. Dann wechsel mal den C3055 der hat wohl ein Feinschluss. Ralph Berres
Der Austausch des C3055 (10nF 2kV) hat etwas gedauert, da ich so lange auf das bestellte Bauteil warten musste. Aber der Austausch hat sich gelohnt, der Strahl ist noch heller geworden und auch nicht mehr zu breit! Vielen Dank an alle und besonders an Ralph für den entscheidenden Tipp! Grüße Werner
Bitte melde dich an um einen Beitrag zu schreiben. Anmeldung ist kostenlos und dauert nur eine Minute.
Bestehender Account
Schon ein Account bei Google/GoogleMail? Keine Anmeldung erforderlich!
Mit Google-Account einloggen
Mit Google-Account einloggen
Noch kein Account? Hier anmelden.


