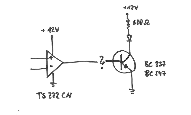
Hallo Leute, kurze Frage: muss ein Widerstand VOR dem BC337/BC547 vorgeschaltet werden? wenn ja, wie hoch sollte dieser sein? OpAmp ist ein TS 272CN Datenblatt: http://pdf.datasheetcatalog.com/datasheet/stmicroelectronics/2303.pdf vielen Dank
MaWin schrieb: > Natürlich. > > Ca. 10k. OK, und warum? wie kommst du auf 10K ? von was ist der Widerstandswert in genau diesem Falle abhängig? hat das mit den +12V an dem BCxxx zu tun?
Heinz L. schrieb: > muss ein Widerstand VOR dem BC337/BC547 vorgeschaltet werden? Für einen vernünftigen Entwurf: ja. Für den üblichen Mist hier: nein, da übernimmt der begrenzte Ausgangsstrom des OPV die Strombegrenzung, was aber nur beim BC337 reicht, beim BC547 wird der max. Basisstrom überschritten. Stromverbrauch und Erwärmung sind egal usw.. Aber besser wäre eine andere Schaltung. Wenn du die LED mit Vorwiderstand in die Emitterleitung des Transistors legst, braucht der KEINEN Basiswiderstand und der Ausgangsstrom aus dem OPV ist AUTOMATISCH immer minimal.
ArnoR schrieb: > Heinz L. schrieb: >> muss ein Widerstand VOR dem BC337/BC547 vorgeschaltet werden? > > Für einen vernünftigen Entwurf: ja. > > Für den üblichen Mist hier: nein, da übernimmt der begrenzte > Ausgangsstrom des OPV die Strombegrenzung, was aber nur beim BC337 > reicht, beim BC547 wird der max. Basisstrom überschritten. > Stromverbrauch und Erwärmung sind egal usw.. > > Aber besser wäre eine andere Schaltung. Wenn du die LED mit > Vorwiderstand in die Emitterleitung des Transistors legst, braucht der > KEINEN Basiswiderstand und der Ausgangsstrom aus dem OPV ist AUTOMATISCH > immer minimal. Danke, später soll die LED sowieso weg, es soll dann nur ein 0-12V Signal anliegen, also LOW/HiGH vom OpAmp. so dann richtig gezeichnet?
Heinz L. schrieb: > so dann richtig gezeichnet? Ja, allerdings ist die High-Ausgangsspannung des OPV nur etwa 10V, so dass am Emitter nur etwa 9V liegen. Der LED-Vorwiderstand muss also etwas niederohmiger als bei der Emitterschaltung sein.
ArnoR schrieb: > Heinz L. schrieb: >> so dann richtig gezeichnet? > > Ja, allerdings ist die High-Ausgangsspannung des OPV nur etwa 10V, so > dass am Emitter nur etwa 9V liegen. Der LED-Vorwiderstand muss also > etwas niederohmiger als bei der Emitterschaltung sein. hiermit: http://www.elektronik-kompendium.de/sites/bau/1109111.htm und mit 9.0V Betriebsspannung komme ich dann auf 470 Ohm. OK ? wieso weisst du das die High-Aussgangsspannung am OP "nur" 10V beträgt? sind das immer die ca. 2V weniger als die Versorgungsspannung? Danke
warum ist die High-Aussgangsspannung am OP "nur" 10V bei o.g. Beispiel ? fallen immer ca. 2V ab?..... bei 12V Versogungsspannung, ca. 10V am HIGH-Ausgang bei 10V Versogungsspannung, ca. 8V am HIGH-Ausgang bei 5V Versogungsspannung, ca. 3V am HIGH-Ausgang ist das denn so? Danke
Heinz L. schrieb: > wieso weisst du das die High-Aussgangsspannung am OP "nur" 10V beträgt? > sind das immer die ca. 2V weniger als die Versorgungsspannung? Datenblatt lesen, Seite 4, VOH.
ArnoR schrieb: > Heinz L. schrieb: >> wieso weisst du das die High-Aussgangsspannung am OP "nur" 10V beträgt? >> sind das immer die ca. 2V weniger als die Versorgungsspannung? > > Datenblatt lesen, Seite 4, VOH. ja also, VoH= 8,2V weil du 10V schriebst.... OK Danke für alles
ArnoR schrieb: > Heinz L. schrieb: >> ja also, VoH= 8,2V > > Mann, bei Vcc=10V. Datenblatt LESEN! ich habe das Datenblatt gelesen... ja eben bei Vcc+=10V... ich betreibe ja mit 12V.... also wie kommst dann von den Voh=8,2V auf ca. 10V am OpAMP-Ausgang wie du im Beittrag um 16:01 schreibst? Rechnet man die, diesem Fall 2V an Mehr-Betriebsspannung, dann einfach dazu? kannst das erklären? Ohne Mann...
Heinz L. schrieb: > Rechnet man die un diesem Fall 2V an Mehr-Betriebsspannung dann einfach > dazu? Ja, die Sättigungsspannung ist näherungsweise unabhängig von der Vcc, so daß dies gilt: Heinz L. schrieb: > bei 12V Versogungsspannung, ca. 10V am HIGH-Ausgang > > bei 10V Versogungsspannung, ca. 8V am HIGH-Ausgang > > bei 5V Versogungsspannung, ca. 3V am HIGH-Ausgang
ArnoR schrieb: > Heinz L. schrieb: >> Rechnet man die un diesem Fall 2V an Mehr-Betriebsspannung dann einfach >> dazu? > > Ja, die Sättigungsspannung ist näherungsweise unabhängig von der Vcc, so > daß dies gilt: > > Heinz L. schrieb: >> bei 12V Versogungsspannung, ca. 10V am HIGH-Ausgang >> >> bei 10V Versogungsspannung, ca. 8V am HIGH-Ausgang >> >> bei 5V Versogungsspannung, ca. 3V am HIGH-Ausgang OK danke, hatte sich wohl gerade etwas überschnitten, unser Geschreibe. Alles Klar, Danke und Gruss
Bitte melde dich an um einen Beitrag zu schreiben. Anmeldung ist kostenlos und dauert nur eine Minute.
Bestehender Account
Schon ein Account bei Google/GoogleMail? Keine Anmeldung erforderlich!
Mit Google-Account einloggen
Mit Google-Account einloggen
Noch kein Account? Hier anmelden.

