hallo zusammen, ich würde gerne mehrere LEDs über eine serielle Leitung steuern. Dabei bin ich auf die angehängte schaltung gestoßen... Jedoch habe ich das Problem das die LEDs an den ausgängen des 74HC595 entweder gar nicht leuchten oder alle leuchten. Dieser fall tritt ein wenn ich den Eingang D7 an PIN 6 des 74HC165 auf High setze. Wenn ich die anderen Eingänge auf high setze passiert nichts. Der einzige Unterschied ist das ich anstelle des HCT393 einen HCT393 benutzt habe, aber das ist sicherlich nicht der Auslöser für das Problem.
? Ein 393 ist doch nur ein Counter. Irgendwie fehlt mir in dieser Schaltung ein Taktgenerator, der das Clock Signal erzeugt.
Malte S. schrieb: > Der einzige Unterschied ist das ich > anstelle des HCT393 einen HCT393 benutzt habe, aber das ist sicherlich > nicht der Auslöser für das Problem. Nein, die sind identisch. ;-) MfG Paul
Karl Heinz schrieb: > ? > > Ein 393 ist doch nur ein Counter. > > Irgendwie fehlt mir in dieser Schaltung ein Taktgenerator, der das Clock > Signal erzeugt. Was für einen müsste ich denn da nehmen?
Irgendeinen, der einen dir genehmen Takt erzeugt. zb mit einem 555 aufgebaut. Wenn du einigermassen nicht prellende Taster hast, kannst du auch für die ersten Tests mit Taster und Pullup mal händisch takten um zu sehen, ob die Schaltung funktioniert. Ist natürlich keine Dauerlösung.
Nur um sicher zu gehen: Da in der Schaltung die ganzen Stromversorgungen der einzelnen IC nicht eingezeichnet sind - du hast aber schon die einzelnen IC auch mit Spannung versorgt?
Jaa klar die hängen alle hinter einem 5V Spannungsregler. Ich hatte eig gedacht das der Binärcounter schon einen takt erzeugt, aber nen ne 555 hat man ja eh immer da :P der ausgang des NE müsste dann an die Clock Leitung richtig? Aber irgendwie scheint in dem Schaltplan noch ein fehler drin zu sein: Der PIN 2 des 165 ist ein ausgang (complementary output). weiß jmd wofür der da ist? wieso hängt der an der ,,clock'' leitung? Und das andere was mich grade etwas stutzig macht ist dass der PIN 7 der im datenblatt mit serial output benannt ist nicht benutzt ist und das ,,data signal'', dass eig an den seriellen output müsste an dem PIN 9 hängt der mit ,,Clock input'' bezeichnet ist. Müsste der nicht mit der CLock Leitung verbunden werden und der serielle output mit der Data leitung? Oder irre ich da?
Malte S. schrieb: > Dabei > bin ich auf die angehängte schaltung gestoßen... Die nicht funktionieren kann. Wo hast Du sie her?
ich weiß es nicht mehr genau. Ich hatte die gestern wieder aus meinem PC gekramt. Ich glaube die hatte mir hier aus microcontroller.net jmd vorgeschlagen
Malte S. schrieb: Aber irgendwie scheint in dem Schaltplan noch ein > fehler drin zu sein: Der PIN 2 des 165 ist ein ausgang (complementary > output). weiß jmd wofür der da ist? wieso hängt der an der ,,clock'' > leitung? Und das andere was mich grade etwas stutzig macht ist dass der > PIN 7 der im datenblatt mit serial output benannt ist nicht benutzt ist > und das ,,data signal'', dass eig an den seriellen output müsste an dem > PIN 9 hängt der mit ,,Clock input'' bezeichnet ist. Dein Datenblatt ist Mist, und in sich schon nicht stimmig (IEC Logic Symbol = richtig, Tabelle Links = falsch). Pin 7 ist der invertierte Ausgang. Er zeigt einfach immer 0, wenn Pin 8 1 ist und umgekehrt. In deinem Fall offen lassen. Wichtig ist allerdings, dass du Pin 15 (CK INH) nicht einfach offen lässt. Lege ihn auf GND. Ebenso Pin 10 (SI).
Sicher? Weil das habe ich von reichelt: http://www.reichelt.de/74HC-165/3/index.html?&ACTION=3&LA=446&ARTICLE=3155&artnr=74HC+165&SEARCH=74hc165 okay ich prbobiere es mal aus. Also ist auf dem Schaltplan abgesehen von den nicht auf GND gelegten EIngängen und dem fehlenden taktgeber alles soweit richtig?
Nein. Falsch an der Schaltung ist auf jeden Fall schon mal, dass der shift/load Eingang ein unpassendes Signal bekommt. Zum Laden sollte es low sein, zum Shiften high. Es ist aber genau anders herum.
Malte S. schrieb: > Sicher? Ja. Das ist ein Fehler im Datenblatt. Pin 9 ist der Output (und auch nicht Pin 8, wie ich vorhin schrieb, denn das ist GND). Pin 2 ist der Clock Input.
Joe F. schrieb: > Nein. Falsch an der Schaltung ist auf jeden Fall schon mal, dass der > shift/load Eingang ein unpassendes Signal bekommt. > Zum Laden sollte es low sein, zum Shiften high. Es ist aber genau anders > herum. Also brauche ich da noch einen Inverter den ich davor setze? Gibt es eventuell einen Zähler der invertiert arbeitet?
Joe F. schrieb: > Malte S. schrieb: >> Sicher? > > Ja. Das ist ein Fehler im Datenblatt. > Pin 9 ist der Output (und auch nicht Pin 8, wie ich vorhin schrieb, denn > das ist GND). > Pin 2 ist der Clock Input. Ja hab ich auch grad gesehen
Malte S. schrieb: > einen Zähler der invertiert arbeitet? der bringt dir nichts. Denn genau derselbe Takt treibt auch den 595, der die gesammelten 8 Bit bei fallender Flanke des Taktsignals vom Schieberegister in die Output-Latches übernimmt.
Karl Heinz schrieb: > Malte S. schrieb: > >> einen Zähler der invertiert arbeitet? > > der bringt dir nichts. > Denn genau derselbe Takt treibt auch den 595, der die gesammelten 8 Bit > bei fallender Flanke steigender! bei steigender Flanke. Sorry.
Also ich habe den schaltplan jetzt in einbezug der vorherigen ratschläge überarbeitet. Wenn ich irgendwwas falsch gemacht habe bitte sagen. Also noch mal zu dem Thema inverter. Der 74HC165 arbeitet mit steigenden flanken und der 74HC595 auch?
Malte S. schrieb: > Der 74HC165 arbeitet mit steigenden > flanken der /PL Eingang ist überhaupt nicht flankengesteuert. Der CLock Eingang ist allerdings flankengesteuert. Was in diesem Beispiel bedeuten würde, dass der 165 genau dann seinen Ausgang ändert, wenn der 595 gerade im Begriff ist, den aktuellen Pegel von seiner Datenleitung in das interne Schieberegister zu übernehmen.
der zweite schaltplan ist der korrekte sry. Ist das soweit in ordnung?
Karl Heinz schrieb: > Malte S. schrieb: > >> Der 74HC165 arbeitet mit steigenden >> flanken > der /PL Eingang ist überhaupt nicht flankengesteuert. > Der CLock Eingang ist allerdings flankengesteuert. Was in diesem > Beispiel bedeuten würde, dass der 165 genau dann seinen Ausgang ändert, > wenn der 595 gerade im Begriff ist, den aktuellen Pegel von seiner > Datenleitung in das interne Schieberegister zu übernehmen. Also brauche ich einen Inverter der vor den Clock Eingang kommt?
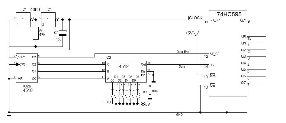
Ich habe hier noch einen alternativen Schaltplan von dem ich auch weiß das er funktioniert. Die übertragungsgeschwindigkeit wird durch R1 bestimmt. Der würde mein Problem auch lösen, das Problem ist jedoch das die schaltung ab einer bestimmten übertragungsfrequenz instabil wird (wenn R1 unter 1K groß ist). Wen jemand dafür eine Lösung wüsste dann würde die mein Problem auch gut lösen
So ich habe grade den Schaltplan noch ein wenig bearbeitet und nun einen Inverter vor den PL Eingang gesetzt. So wie auf dem jetzigem schaltplan ist die schaltung korrekt oder? Hab den schaltplan noch n bisschen übersichtlicher gemacht
Malte S. schrieb: > das Problem ist jedoch das > die schaltung ab einer bestimmten übertragungsfrequenz instabil wird > (wenn R1 unter 1K groß ist). Kein Wunder, Hochvolt-MOS hat ~1k Ausgangswiderstand. Für höhere Frequenz mach einfach den Kondensator kleiner.
Joe F. schrieb: > Malte S. schrieb: >> Sicher? > Ja. Das ist ein Fehler im Datenblatt. Nun mach dieses Museumsstück von Datenblatt mal nicht schlecht. Immerhin hat dieses Ding mit Baujahr 1993 Oldtimer-Status.
Peter Dannegger schrieb: > Malte S. schrieb: >> das Problem ist jedoch das >> die schaltung ab einer bestimmten übertragungsfrequenz instabil wird >> (wenn R1 unter 1K groß ist). > > Kein Wunder, Hochvolt-MOS hat ~1k Ausgangswiderstand. > Für höhere Frequenz mach einfach den Kondensator kleiner. Hab ich vorhin schon probiert, hab den 10µF Elko jetzt durch einen Keramikkondensator mit 100n getauscht. Funktioniert alles gut und auch mit ner komplett ausreichenden Geschwindigkeit. Aber trotzdem Danke :) Eine Frage habe ich allerdings noch. Von dem 74HC595 gibt es ja einmal die DIL16 Variante und die SMD Variante (SO16 oder so). Von dem inneren und der Funktionalität sind die vollkommen identisch oder? oder gibt es da kleine unterschiede? Wenn nicht würde ich gerne die smd variante nehemen... die DIL kostet fast das doppelte
Bitte melde dich an um einen Beitrag zu schreiben. Anmeldung ist kostenlos und dauert nur eine Minute.
Bestehender Account
Schon ein Account bei Google/GoogleMail? Keine Anmeldung erforderlich!
Mit Google-Account einloggen
Mit Google-Account einloggen
Noch kein Account? Hier anmelden.






