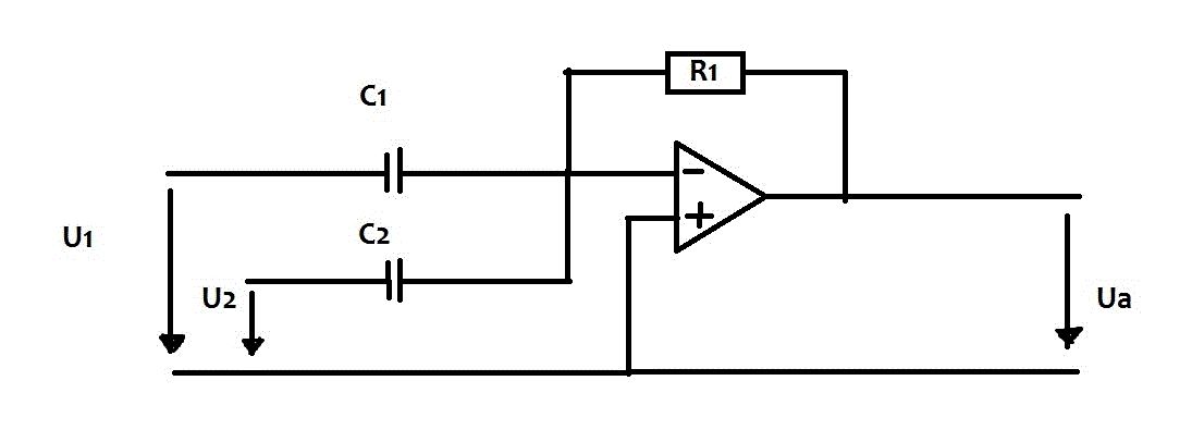
Hallo, ich bin grad an einer Aufgabe dran, bei der man mit Hilfe der Kirchhoffschen Maschenregel die Ausgangsspannung Ua in Abhängigkeit von U1 und U2 angeben soll. Soweit so gut. Wir haben einmal eine ähnliche Aufgabe gerechnet, bei der wir jedoch zwei Widerstände anstatt der Kondensatoren hatten. Da hieß die Lösung: Ua = -R1*((U1/R11)+(U2/R12)) Nun zu meinen Fragen wegen den Kondensatoren (entsprechen R11 & R12): Muss ihr hierbei mit dem kapaz. Widerstand Xc rechnen? Oder mit Hilfe von I(t) = C * dU/dt? Oder bin ich komplett falsch?
Vielen Dank für die schnelle Antwort! Lautet die Lösung dann quasi Ua = -R1*(C1*(dU1/dt)+C2*(dU2/dt)) ?
Sebastian K. schrieb: > Muss ihr hierbei mit dem kapaz. Widerstand Xc rechnen? > Oder mit Hilfe von I(t) = C * dU/dt? Geht beides, je nachdem wie das Eingangssignal gegeben ist ist das eine oder das andere geschickter. Wenn die Eingangssignale sinusförmig sind würde ich die Zc ausrechnen und die Übertragungsfunktion dann mit dem Superpositionsprinzip ausrechen.
Sebastian K. schrieb: > Vielen Dank für die schnelle Antwort! > > Lautet die Lösung dann quasi > > Ua = -R1*(C1*(dU1/dt)+C2*(dU2/dt)) > > ? Nur wenn eine Lösung im Zeitbereich gefragt war. ua(t) = ... Falls nicht, hast du mit der Antwort das Thema verfehlt und bekommst vielleicht noch einen Trostpunkt. Schreib halt mal den Originaltext der Aufgabe hin.
Bitte melde dich an um einen Beitrag zu schreiben. Anmeldung ist kostenlos und dauert nur eine Minute.
Bestehender Account
Schon ein Account bei Google/GoogleMail? Keine Anmeldung erforderlich!
Mit Google-Account einloggen
Mit Google-Account einloggen
Noch kein Account? Hier anmelden.
