Hallo, ich bin grad am Lernen für eine Klausur und komm mit einer Aufgabe leider überhaupt nicht klar. Aufgabe: Dimensionieren Sie einen Schaltplan mit +0,5 Verstärkung. Warum ist diese zweistufig? Ich habe einiges, auch hier im Forum, zu zweistufigen Verstärkerschaltungen gefunden, jedoch wie realisiere ich diese mit +0,5 Verstärkung? Ich steh grad auf dem Schlauch.
Wie soll die Schaltung realisiert werden? Transistoren? Kartoffeln? OPVs? Wenn mit OPVs würde ich weit invertierende Grundschaltungen (-1, -0.5) hintereinanderschalten, mit der nicht invertierenden ist nämlich keiner Verstärkung kleiner 1 möglich.
Sebastian K. schrieb: > Aufgabe: > Dimensionieren Sie einen Schaltplan mit +0,5 Verstärkung. > Warum ist diese zweistufig? Die erste Stufe macht +5,0 und die zweite +0,1: macht +0,5
Sebastian K. schrieb: > Dimensionieren Sie einen Schaltplan mit +0,5 Verstärkung.
1 | Eingang --+ |
2 | | |
3 | R |
4 | | |
5 | +-- Ausgang |
6 | | |
7 | R |
8 | | |
9 | Masse |
> Warum ist diese zweistufig?
zwei Teile, würde ich sagen, nicht zwei Stufen.
Aber wenn er will:1 | Eingang ----|+\ |
2 | | >--+--+ |
3 | +--|-/ | | |
4 | | | R |
5 | +--------+ | |
6 | +-----|+\ |
7 | | | >--+-- Ausgang |
8 | R +--|-/ | |
9 | | | | |
10 | | +--------+ |
11 | | |
12 | Masse |
dann kann er eine bekommen die bei undefiniertem Ausgangs- und Eingangswiderstand immer noch um +0.5 verstärkt.
V = +0,5 heißt Spannungsteiler, also 2 gleiche Widerstände, fertig. Sebastian K. schrieb: > Warum ist diese zweistufig? Das geht aus der Aufgabe nicht hervor.
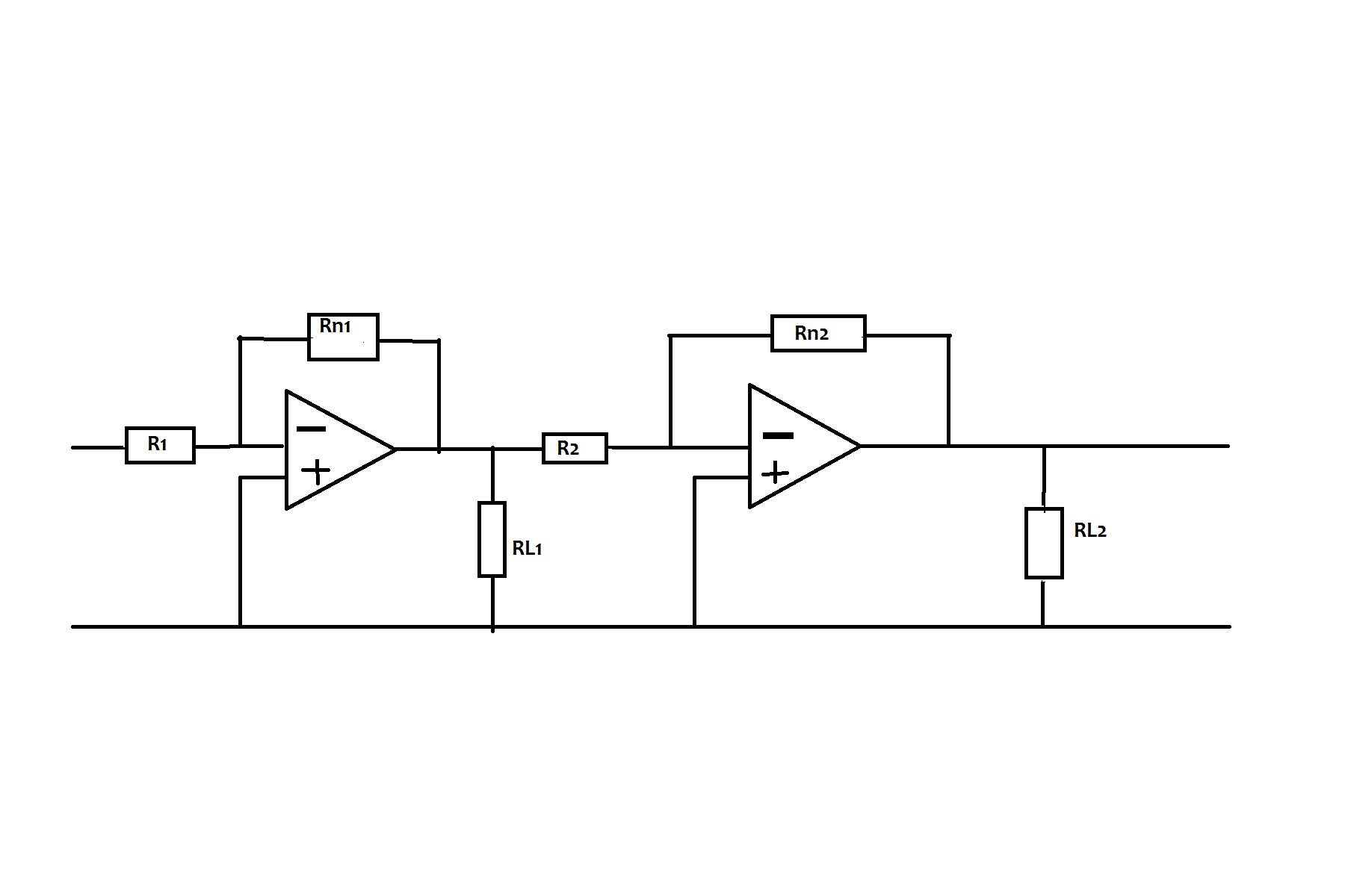
Es handelt sich um OPVs, dass hab ich vergessen zu erwähnen. Bitte um Verzeihung. Also ich habe jetzt mal eine Schaltung mit zwei inv. Verstärkern hintereinander realisiert. Da die Formel Ua = -(Rn/R1)*Ue für eine normale inv. Verstärkerschaltung ist müsste ich hier im vorderen Teil wie oben gesagt eine fünffache Verstärkung bekommen, d.h Rn1=5 Ohm, R1=1 Ohm und im zweiten teil eine 0,1-fache Verstärkung, d.h Rn2=1 Ohm und R2= 10 Ohm. Stimmt das so?
Sebastian K. schrieb: > im zweiten teil eine 0,1-fache Verstärkung, Warum nicht gleich nur eine 0.5 Verstärkung? Was soll das für einen Sinn machen erst zu verstärken und dann wieder zunichte machen (die erste Stufe kann ja 1.0 verstärken)?
Wahrscheinlich sollte unser Bachelor lernen, daß Verstärker um mindestens 1 verstärken und es unter 1 kein Verstärker sein kann. Wenn er dann noch bei Stabilität und Kompensation von Operationsverstärkern in der Vorlesung aufgepasst hätte, könnte er auch diese Klausur in Nullkommanix lösen.
Sebastian K. schrieb: > d.h Rn1=5 Ohm, R1=1 Ohm und im zweiten teil eine > 0,1-fache Verstärkung, d.h Rn2=1 Ohm und R2= 10 Ohm. Dafür würdest Du von mir eine glatte 6 bekommen. Angenommen, die OPVs werden mit +-15V versorgt, würde ich verlangen, daß die Schaltung mindestens bis 10V aussteuerbar ist und dann 5V am Ausgang liefert. Nun werden sich Deine OPVs aber recht schwer tun, bei 10V an 1 Ohm 10A zu liefern. Und für den 100W Widerstand mußt Du nen kräftigen Lüfter installieren. Eine Schaltung darf nicht nur mathematisch stimmen, sondern muß auch praktisch funktionieren. Tipp: OPVs liefern typisch max 10mA. 1mA reichen oft schon völlig aus.
Peter Dannegger schrieb: > Eine Schaltung darf nicht nur mathematisch stimmen, sondern muß auch > praktisch funktionieren. Zu Hause oder auf Arbeit mit Sicherheit richtig. Aber: Wer solche blöden, praxisfernen Aufgaben stellt, darf sich nicht über blöde, praxisferne Lösungen wundern.
Peter Dannegger schrieb: > Eine Schaltung darf nicht nur mathematisch stimmen, sondern muß auch > praktisch funktionieren. Ich hatte mich seinerzeit auch immer wieder über Kommilitonen gewundert, die ganz unbedarft GA und pΩ ausgerechnet und als Lösung präsentiert haben. Aber es ist einfach so: dieses Wissen um die praktische Realisierbarkeit gibt die Schule nicht her. Das muss sich der Schüler selbst beibringen... Sebastian K. schrieb: > Aufgabe: > Dimensionieren Sie einen Schaltplan mit +0,5 Verstärkung. Warum ist > diese zweistufig? Was ist der Zusammenhang dieser Aufgabe? Welche Zusatzinformationen hast du da noch? Ich würde einfach einen Impedanzwandler mit V=1, dahinter einen Spannungsteiler mit Ra=Rb und hinterher nochmal einen Impedanzwandler mit V=1 nehmen:
1 | |\ |\ |
2 | Uin ---|+\ .-----|+\ |
3 | | >-o-10k-o | >-o--- Uout |
4 | .-|-/ | | .-|-/ | |
5 | | |/ | 10k | |/ | |
6 | | | | | | |
7 | '------' | '------' |
8 | --- |
Begründung: hohe Eingangsimpedanz und niedrige Ausgangsimpedanz.
Lothar Miller schrieb: > Ich würde einfach einen Impedanzwandler mit V=1, dahinter einen > Spannungsteiler mit Ra=Rb und hinterher nochmal einen Impedanzwandler > mit V=1 nehmen: So wie MaWin um 13:04 Uhr?
Lothar Miller schrieb: > dahinter einen Spannungsteiler mit Ra=Rb Waaaaaas, so uncool den OpAmp einfach mit 1 laufen lassen? Vieeeel zu einfach. Da muss man ja nicht denken!
Kai Mauer schrieb: > So wie MaWin um 13:04 Uhr? Ähm ja. Allerdings habe ich eine Ausrede: ich habe dort dank des proportionalen Fonts auf dem Tablet nur einen Strichhaufen gesehen. In etwa so wie im Anhang. Mit den passenden Tags wäre das nicht passiert:
1 | [pre] |
2 | ---- ---- ---- |
3 | [/pre] |
Ich habe die Tags in MaWins Beitrag mal nachgerüstet.
Lothar Miller schrieb: > Ähm ja. Allerdings habe ich eine Ausrede: Ich würde nie im Traum daran denken ein Forum über das (wie auch immer geartete Super-Duper-) Handy zu moderieren.
Mitleser schrieb: > Ich würde nie im Traum daran denken ein Forum über das (wie > auch immer geartete Super-Duper-) Handy zu moderieren. ´*Vor* diesem Post hiess das "Tablet" noch "Handy" Lothar Miller schrieb: > auf dem Tablet nur einen Strichhaufen gesehen
ist eine +0,5 Verstärkung eine Verstärkung oder eher eine Dämpfung? was wäre dann eine -0,5 Verstärkung, eine Verstärkung 2.0? Fragen über Fragen.
Joachim B. schrieb: > was wäre dann eine -0,5 Verstärkung Na halber Pegel und invertiert. So wie -1 das Originalsignal mit vertauschtem Vorzeichen wäre.
MaWin schrieb: > Na halber Pegel und invertiert. wenn also -0,5 das wäre dann wäre +0,5 Verstärkung keine Verstärkung sondern nicht invertierter halber Pegel und damit eine Dämpfung statt Verstärkung.
Joachim B. schrieb: > +0,5 Verstärkung keine Verstärkung sondern Doch, eine Verstärkung mit dem Faktor 0,5. Wenn Du im Auto auf die Bremse trittst, ist die Wirkung (hoffentlich) eine Beschleunigung mit negativem Vorzeichen. Der TO ist aber soweit von jeglicher Realität bzw. Eigeninitiative entfernt, daß es völlig belanglos ist, was wir hier schreiben.
Joachim B. schrieb: > +0,5 Verstärkung keine Verstärkung sondern nicht invertierter halber > Pegel und damit eine Dämpfung statt Verstärkung. Wäre eine Dämpfung um 0,5 dann nicht eine Verstärkung um 2?
m.n. schrieb: > Joachim B. schrieb: >> +0,5 Verstärkung keine Verstärkung sondern > > Doch, eine Verstärkung mit dem Faktor 0,5. > Wenn Du im Auto auf die Bremse trittst, ist die Wirkung (hoffentlich) > eine Beschleunigung mit negativem Vorzeichen. Formal ist das zwar korrekt, aber im Sprachgebrauch trotzdem ungebräuchlich bis grob wirklichkeitsverzerrend (z.B. als Negativwachstum in der Ökonomie). Man spricht statt von "negativer Beschleunigung" eher von "Verzögerung" oder "Abbremsen". Und statt von "Verstärkung kleiner 1" eher von "Abschwächung" oder "Dämpfung".
Axel Schwenke schrieb: > Formal ist das zwar korrekt, aber im Sprachgebrauch trotzdem > ungebräuchlich bis grob wirklichkeitsverzerrend (z.B. als > Negativwachstum in der Ökonomie). Wirklichkeitsverzerrend? Eher schönredend! Schlimmer finde ich noch, wenn man die zweite Ableitung heran nimmt, um sich positiv darzustellen: "Das Schuldenwachstum hat sich verringert ..." > Man spricht statt von "negativer Beschleunigung" eher von "Verzögerung" > oder "Abbremsen". Und statt von "Verstärkung kleiner 1" eher von > "Abschwächung" oder "Dämpfung". Im technischen Sprachgebrauch ist beides nicht unüblich. Gerade, wenn du von einem allgemeinen Ansatz aus eine Berechnung machst, dann kommt halt mal eine negative Zahl für die zu bestimmende Beschleunigung heraus - warum denn nicht? In Prosa kann man dann immer noch von einer Verzögerung reden. Und in einem Kassenbuch würden Schulden auch mit einem negativen Vorzeichen geführt.
Axel Schwenke schrieb: > Man spricht statt von "negativer Beschleunigung" eher von "Verzögerung" Nein. Definitiv nicht. Bremsen ist keine Verzögerung. Bremsen ist defintiv Beschleunigung. Gleiche Formel. Ganz sicher.
meinereiner schrieb: > Axel Schwenke schrieb: >> Man spricht statt von "negativer Beschleunigung" eher von "Verzögerung" > > Nein. Definitiv nicht. Bremsen ist keine Verzögerung. Bremsen ist > defintiv Beschleunigung. Gleiche Formel. Ganz sicher. Welchen Teil von "formal ... korrekt, aber im Sprachgebrauch ... ungebräuchlich" hast du nicht verstanden? Selbstverständlich ist Bremsen eine negative Beschleunigung. Aber kein Mensch verwendet das umgangssprachlich. Oder hast du schon mal jemanden sagen hören "... als ich sah daß die Ampel vor mir auf rot schaltete, beschleunigte ich mein Fahrzeug bis zum Stillstand"?
meinereiner schrieb: > Nein. Definitiv nicht. Bremsen ist keine Verzögerung. Bremsen ist > defintiv Beschleunigung. Gleiche Formel. Ganz sicher. Unsinn, du meinst rückwärts fahren und dazu rückwärts beschleunigen
Axel Schwenke schrieb: > Man spricht statt von "negativer Beschleunigung" eher von "Verzögerung" > oder "Abbremsen". Und statt von "Verstärkung kleiner 1" eher von > "Abschwächung" oder "Dämpfung". Deshalb auch das Minuszeichen, wenn man das Verhältnis von Ausgangs- zu Eingangsleistung logarithmisch angibt ;-) Oder gibt es extra eine Einheit für den Logarithmus der Abschwächung?
Wie sieht es aus bei einer Verstärkerschaltung mit +0.75? Kann man hierfür die obrige Schaltung verwenden und da dann nur die zwei Widerstände Ra und Rb im Verhältnis 3:4 dimensionieren?
usbsu schrieb: > Kann man hierfür die obrige Schaltung verwenden und da dann nur die zwei > Widerstände Ra und Rb im Verhältnis 3:4 dimensionieren? Nein, bestimmt nicht, das wäre eine Transferleistung, so etwas lernen wir an der Schule nicht.
Bitte melde dich an um einen Beitrag zu schreiben. Anmeldung ist kostenlos und dauert nur eine Minute.
Bestehender Account
Schon ein Account bei Google/GoogleMail? Keine Anmeldung erforderlich!
Mit Google-Account einloggen
Mit Google-Account einloggen
Noch kein Account? Hier anmelden.

