Hallo zusammen, heute habe ich eine Frage, die ich einfach mal Frage, weil mir das Thema noch nie gelegen ist. Deshalb tappe ich hier etwas rum aber es sind eher klägliche Versuche mit meinem Unwissen. Ausgangsituation: 1) Oszi hab ich leider gerade nicht. 2) Schaltung: mit 56kHz gepulste IR LED, 300mA Die Schaltung funktioniert im Moment tadellos, dicht an der LED ist noch ein 100nF Kondensator geschaltet. FRAGE: Braucht man diesen Kondensator, 100nF erscheinen mir bei 300mA wenig. Oder und das wäre mir lieb, kann man diesen Kondensator weg-razionalisieren? Irgendwie lässt sich das bestimmt über Columb oder so berechnen, aber ich hab das nie richtig verstanden und hab mich bei diesen Aufgaben eher durch die Prüfung schlau-ge-auswendig-lernt. Von echter Transfährleistung weit entfernt. Vielleicht hat jmd schnellen Rat. Vielen Dank!
Sebastian Kreuzer schrieb: > Die Schaltung funktioniert im Moment tadellos, dicht an der LED ist noch > ein 100nF Kondensator geschaltet. Und sonst? Woher kommt die Versorgung? Was ist da sonst noch mit drin?
Kompletter Schaltplan wäre vorteilhaft, so weiss man eigentlich nichts über das drumherum. Hast Du die Schaltung selbst entworfen? Hast Du sie von "irgendwo" aus dem Internet? Ist eine bestehende Platine, die du modifizierst? Für die 300mA bringen die 100nF gar nix. Ob der für andere Zwecke da ist, kann man nur mit einem Schaltplan beurteilen. Üblicherweise verwendet man 100nFs an den Stromversorgungspins von ICs/uCs um ihre Schaltpeaks (wenn sie aufgrund der Taktung immer wieder Strombedarfsspitzen haben) direkt am IC zu puffern.
Sebastian Kreuzer schrieb: > 100nF erscheinen mir bei 300mA wenig Bei einem größeren Kondensator hast Du wahrscheinlich keine Impulse mehr, wenn der Kondensator parallel zur IR LED liegt, was wir ja nicht wissen können.
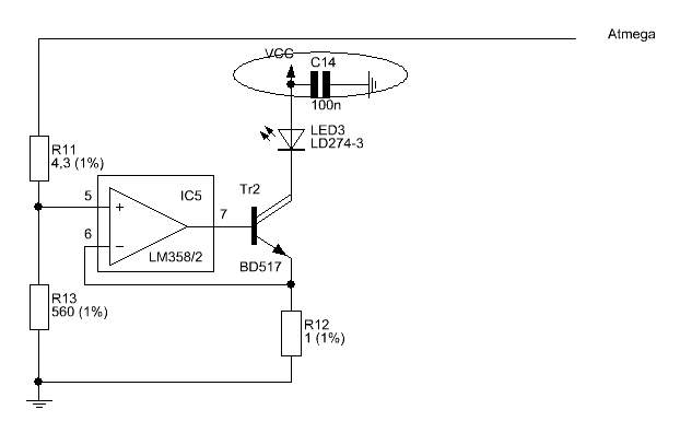
Ja ich habe die Schaltung vor Jahren mal entworfen, Platine erstellt und seitdem funktioniert das auch. Und jetzt lief mir das Projekt wirklich nochmal über den Weg und ich möchte einen Teil der Schaltung wieder verwenden. WARUM... Ich habe damals schon den Kondensator einfach eingebaut, weil, so dachte ich schaden kann es ja nicht und ich hatte Angst, dass der Akku, LiPo vll die nicht schnell genug den Strom liefern könne. Schaltplan habe ich angehängt. Wie gesagt ich würde den jetzt gerne entfernen, da ich mir sowieso nicht sicher war.
Sebastian Kreuzer schrieb: > Wie gesagt ich würde den jetzt gerne entfernen, da ich mir sowieso nicht > sicher war. Warum? Lass ihn doch drin, schaden kann er ja nichts, aber nützen wird er bei 300mA auch nicht viel.
Der Transistor sollte so nah wie möglich an die LED. Parallel zum Transistor-LED Reihengespann der Elko. Wenn der Transistor sperrt lädt sich der Elko auf wenn der Transistor durchschaltet entlädt er sich über die LED. Widerstand aber nicht vergessen.
Sebastian Kreuzer schrieb: > mit 56kHz gepulste IR LED, 300mA Wie ist das Tastverhältnis? Bei sehr schmalen Impulsen bringen die 100 nF schon etwas!
Der 100 nF Kondensator ist wie vermutet eher klein, reicht aber immerhin aus um die hohen Frequenzen aus dem Puls zu puffern. Den Rest muss dann die Spannungsversorgung übernehmen. Den Kondensator sollte man nicht weglassen, sondern eher durch einen größeren (z.B. 1-10 µF) ersetzen, ggf. auch durch einen Kondensator und einen Low ESR Elko parallel. 1-10 µF gibt es schon als kleine Keramische SMD Kondensatoren, dafür sollte immer noch Platz sein. Wenn der Platz knapp ist, könnte man ggf. den OP einsparen und dafür den Teiler anpassen.
Bitte melde dich an um einen Beitrag zu schreiben. Anmeldung ist kostenlos und dauert nur eine Minute.
Bestehender Account
Schon ein Account bei Google/GoogleMail? Keine Anmeldung erforderlich!
Mit Google-Account einloggen
Mit Google-Account einloggen
Noch kein Account? Hier anmelden.
