Hallo Zusammen, ich weiß, wieder so eine Frage zu einem Thema das schon 100 mal bearbeitet wurden ist. Aber ich habe ein Proble mit meiner Lichtorgel. Ich habe obrige Schaltung aufgebaut. Sie ist von folgender Seite nachgebaut: http://www.dieelektronikerseite.de/Circuits/3%20Kanal%20LED-Lichtorgel.htm Ich habe sie ein wenig angepasst wie am Schaltplan oben zu sehen. Sie läuft auch. Mein Problem ist nur das die LEDs nicht annähernd auf ihre eigentliche Helligkeit kommen. Woran liegt es? Liegt es vielleicht daran das T2/T4/T6 durch den geringen Strom nicht ganz durchschalten? Ibmax von T2/T4/T6 sind 1A. Icmax von T1/T3/T5 allerdings nur 100mA. Im Moment fließen durch R2/R4/R6 10mA. Wähle ich noch einen kleineren Widerstand für R2/R4/R6 so leuchten die LEDs dauerhaft. Was ich mir auch noch nicht so ganz erklären kann. Weil eigentlich könnte ich ja bis 150 Ohm runter, dann würden 80mA fließen. Desweiteren ist mein Problem, dass wenn ich die Potis P1-P3 ganz aufdrehe (bei starker Lautstärke) die LEDs so gut wie dauerhaft an sind und nur ganz leicht, kaum sichtbar im Takt blinken. Sind die Transistor vielleicht zu langsam? Bei Zimmerlautstärke ist der Takt gut sichbar, allerdings die Lichtstärke der LEDs besch.... Wie bekomme ich es hin, bzw was muss ich verändern, damit die volle Lichtstärke der LEDs erreicht wird,unabhängig vom NF- Signal? Ein NF- Übertrager wird noch zwischen Steuerung und Anlage gesetzt. Danke schon mal für eure Antworten. Gruß Stefan
Das würde mich auch mal interessieren. Hab das selbe Problem das meine Lichtorgel nur die Hälfte der Lichtstärke bringt. Gruß Lars
Ihr wisst aber schon das die LED's nur während der positiven Halbwelle leuchten?? Also irgendwas ~50% ED.
Hallo, das ist eine sehr einfache Schaltung mit geringer Filterung der Frequenzbereiche, da ist nicht mehr zu erwarten. Wenn Du im Lampenkreis Thyristoren verwendest und die Lampen mit Wechselspannung speist, wird es vielleicht besser. MfG
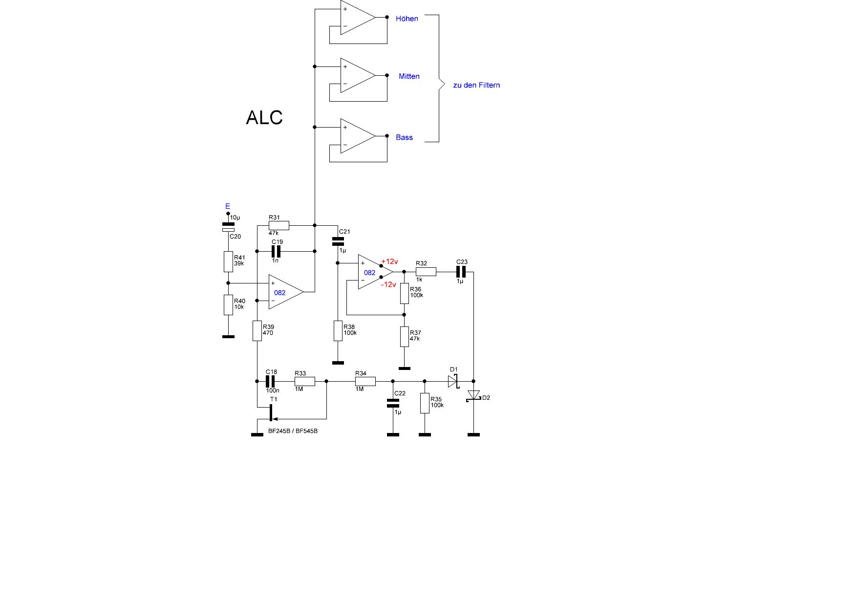
S. Peters schrieb: > Ich habe obrige Schaltung aufgebaut. die schaltung ist halt viel zu primitiv. http://www.urlaub-und-hobby.de/lichtorgel/index.html da wirst du fündig. filter mit mindestens zweiter besser vierter ordnung und opamp bestückung sind da schon notwendig. sonst bekommt man die kanaltrennung nicht hin. ein alc fehlt in deiner schaltung auch noch. kann man diskret mit opamp oder auch mit speziellem ic machen. (SSM2166 und nachfolger, ne570/572) ich hab da ich die speziellen ic´s nicht im regal hatte den alc diskret aufgebaut. mfg
Hmm okay, schade. Ich Schau mir den link da mal an und Schau mal wie ich weiter komme. Wobei sich dann die frage stellt ob's sich überhaupt lohnt das selber zu bauen. Aber danke für die Antworten Gruß stefan
S. Peters schrieb: > Wobei sich dann die frage stellt ob's sich überhaupt lohnt das selber zu > bauen. ja lohnt sich auf jeden fall! denn die käuflichen dinger sind nicht viel besser als dein schaltplan. ist billig gemacht darf ja nix kosten. geiz ist ja soo geil. ich häng mal den schaltplan für n alc an. wie schon gesagt es gibt da für spezielle ic´s. funkamateur.de hat solche ic´s im angebot. mfg
Danke erstmal. Das heißt alles aber auch das eine Lichtorgel mit DC überhaupt nicht geht? Das wäre doof, da ich LED- Strahler noch hatte und gehofft habe keine neuen kaufen zu müssen. Weiß jemand mit wie viel Geld ich rechnen muss wenn ich die Lichtorgel 2010 LC von http://www.urlaub-und-hobby.de/lichtorgel/index.html nachbaue? Gruß
S. Peters schrieb: > Mein Problem ist nur das die LEDs nicht annähernd auf ihre eigentliche > Helligkeit kommen. Woran liegt es? Die Schaltung ist sehr schlecht entworfen weil ihr Verhalten stark von den Bauteilwerten abhängt, hier der Stromverstärkung der Transistoren. Wahrscheinlich haben deine eine höhere. Du musst die Widerstandswerte von R1,R2,R5,R6,R10,R11 anpassen damit due LEDs ohne Signal halbhell leuchen und mit Signal möglichst stark flackern. Vermutlich beide etwas erhöhen, aber sie beeinflussen sich gegenseitig.
S. Peters schrieb: > Das heißt alles aber auch das eine Lichtorgel mit DC überhaupt nicht > geht? das geht schon. an den filter einen schmittrigger hängen und damit den led treiber ein und aus schalten. dann hast n pwm artiges signal an der led. bei meiner lo schaltet der trigger eine led im ssr und das ssr schaltet r80 lampen. die r80 lampen sind recht flink. mfg
Das heißt den schmittrigger "einfach" vor die beiden Transistoren? Noch ne blöde frage was ist ssr?
Jetzt will ich meinen Senf auch mal dazu tun, würde es nicht helfen einen kleineren vorwiderstand der LEDs zu nehmen. Ich denke mal es sind LEDs von max 3,5V und 30mA. Widerstand so wählen das sie die doppelten Werte bekommt. Da sie ja jetzt 50% leuchtet sollte sie doch dann 100% leuchten.
Könnte man mir das mit dem schmitttrigger noch mal genauer erklären? Der gibt ja ein binäres Signal aus, unabhängig von der einfangsstärke oder? Das heißt die LEDs würden im Takt immer gleich hell aufleuchten? Oder wird das an die signalstärke angepasst?
S. Peters schrieb: > Könnte man mir das mit dem schmitttrigger noch mal genauer erklären? Das ist ein Schwellwertschalter mit einer Hysterese (EIN> AUS). Das Eingangssignal kann analog sein, der Ausgang ist digital. MfG
> Das ist ein Schwellwertschalter mit einer Hysterese (EIN> AUS). > > Das Eingangssignal kann analog sein, der Ausgang ist digital. > Ja also ist es so wie ich gesagt habe? die signalstäre ist die selber nur die Länge des vom schmitttrigger ausgegebenen Signals ist unterschiedlich?
Also ich meine die signalstärke die vom schmitttrigger ausgegeben wird ist immer die selbe. Wenn das eingangssignal nach einschalten dauerhaft über der unteren schwelltet Grenze liegt würde der schmitttrigger dauerhaft ein gleichbleibendes Signal herausgeben. Richtig?
S. Peters schrieb: > Wenn das eingangssignal nach einschalten dauerhaft > über der unteren schwelltet Grenze liegt würde der schmitttrigger > dauerhaft ein gleichbleibendes Signal herausgeben. Richtig? Ja
Lars schrieb: > Jetzt will ich meinen Senf auch mal dazu tun, würde es nicht > helfen einen kleineren vorwiderstand der LEDs zu nehmen. Ich denke mal > es sind LEDs von max 3,5V und 30mA. Widerstand so wählen das sie die > doppelten Werte bekommt. Da sie ja jetzt 50% leuchtet sollte sie doch > dann 100% leuchten. Das wäre ja zu einfach oder?
S. Peters schrieb: > Noch ne blöde frage was ist ssr? solid state relais. halbleiter relais. das besteht aus nem optotriac + leistungstriac. kann man als fertiges bauteil kaufen oder auch selber aus den genannten bauteilen zusammen löten. ich hab den typ s202ds2 von sharp im einsatz. gibt natürlich noch andere typen und andere hersteller. das optotriac wird von ner led angeleuchtet-->optokoppler prinzip.
S. Peters schrieb: > Das heißt den schmittrigger "einfach" vor die beiden Transistoren? nein. alc (nennt man auch dynamikkompressor) den meinetwegen abschaltbar dann das steilflankige filter zweiter oder vierter ordnung und dann n passender trigger. kleine frage zum trigger.... ich hab da ausreichend vorhanden den aus ddr produktion (hfo) stammenden trigger ic a902d benutzt. der funzt sehr gut in lo´s! die reserven sind nun mittlerweile leider fast aufgebraucht. jetzt will ich den lm393 einsetzen. hab da zu nen schaltplan erstellt. funzt das so? bitte nicht gleich hauen...;-)
Okay danke erst mal, ich werde das mal ausprobieren und dann berichten.
Bitte melde dich an um einen Beitrag zu schreiben. Anmeldung ist kostenlos und dauert nur eine Minute.
Bestehender Account
Schon ein Account bei Google/GoogleMail? Keine Anmeldung erforderlich!
Mit Google-Account einloggen
Mit Google-Account einloggen
Noch kein Account? Hier anmelden.


