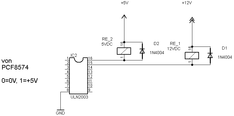
Hallo, anbei Datenblatt und Schaltungsentwurf. http://www.ti.com/lit/ds/symlink/uln2003a.pdf Ausgangslage der ULN 2003 wird von einem PCF8574 angesteuert und hat mehrere Relais anzusteuern mit gleicher Spannung. Die Strom- und Spannungswerte für den ULN 2003 werden eingehalten. Leider habe ich nicht die Relais mit den gleichen Spulenspannungswerten vorrätig, es handelt sich um 80 Stück. Die passenden Relais haben 5V und 12 Volt Spulenspannung und müßen an einen ULN 2003 gemeinsam angeschlossen werden. Anders geht es schaltungstechnisch nicht. Würde mein Schaltungsentwurf funktionieren? Gruß Frank
Ja, das funktioniert so. Hättest Du Relais für nur eine Spannung könntest Du dir die 1N4004 sparen und statt dessen den PIN 9 auf Vcc der Relais legen.
OldMan schrieb: > statt dessen den PIN 9 auf Vcc der Relais legen Danke erst mal. Im Datenblatt wird PIN 9 als Lampenprüfung bezeichnet, deshalb war ich mir nicht sicher. Gruß Frank
@ Frank Wa (frank_w) >Ausgangslage der ULN 2003 wird von einem PCF8574 angesteuert Dann braucht man aber starke Pull-Ups am PCF8574! https://www.mikrocontroller.net/articles/Port-Expander_PCF8574 >Die passenden Relais haben 5V und 12 Volt Spulenspannung und müßen an >einen ULN 2003 gemeinsam angeschlossen werden. Anders geht es >schaltungstechnisch nicht. >Würde mein Schaltungsentwurf funktionieren? Jain. Gerade beim 5V Relais wird es ungünstig, denn der ULN schluckt selber ~1V (Darlington). Lieber die 5V Relais mit passendem Vorwiderstand an +12V hängen. Oder die +5V auf +6V erhöhen.
@ Frank Wa (frank_w)
>Im Datenblatt wird PIN 9 als Lampenprüfung bezeichnet,
Das ist eine Zweckenfremdung. Man kann alle Ausgänge gleichzeitig
aktivieren, wenn man Pin 9 auf GND legt, z.B. mit einem Taster. Im
Normalfall ist das aber der Sammelanschluss der integrierten
Freilaufdioden. Der kommt an VCC. Bei verschiedenen VCCs an die höchste.
MfG
Falk
Ich wuerd den Pin 9 nicht als Freilaufdiode verwenden, denn dann muss der Strom durch eine grosse Schleife, waehrend dei Freilaufdiode neben dem Relais nur eine kleine Schleife ist. Geschaltete Strome, die die umschlossene Flaeche wechseln verursachen Stoerungen. !!!!
@Jetzt Nicht (jetztnicht) >Ich wuerd den Pin 9 nicht als Freilaufdiode verwenden, denn dann muss >der Strom durch eine grosse Schleife, waehrend dei Freilaufdiode neben >dem Relais nur eine kleine Schleife ist. Ja und? >Geschaltete Strome, die die umschlossene Flaeche wechseln verursachen >Stoerungen. !!!! Ach herje. Die Störung ist genauso groß wie die beim Einschalten des Relais, dann da passiert fast das gleiche, nur in anderer Richtung!
>Ach herje. Die Störung ist genauso groß wie die beim Einschalten des
Relais, dann da passiert fast das gleiche, nur in anderer Richtung!
Nein, die Spule laesst den Strom nur langsam ansteigen
@ Jetzt Nicht (jetztnicht) >>Ach herje. Die Störung ist genauso groß wie die beim Einschalten des >>Relais, dann da passiert fast das gleiche, nur in anderer Richtung! >Nein, die Spule laesst den Strom nur langsam ansteigen Genauso wie beim Abfall! Es ist eine RL Schaltung!
Bitte melde dich an um einen Beitrag zu schreiben. Anmeldung ist kostenlos und dauert nur eine Minute.
Bestehender Account
Schon ein Account bei Google/GoogleMail? Keine Anmeldung erforderlich!
Mit Google-Account einloggen
Mit Google-Account einloggen
Noch kein Account? Hier anmelden.
