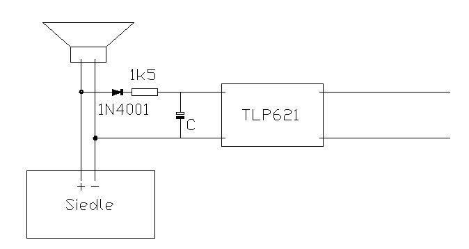
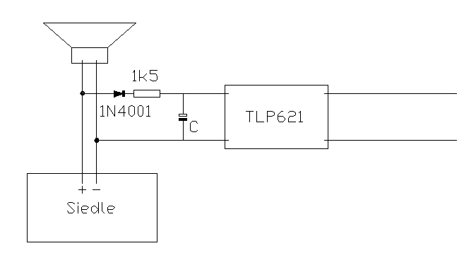
Hallo, beim Klingeln an der Haustüre wird in der Siedle Bus-Sprechanlage ein Signal auf der Platine erzeugt und über Pin1/3 an den Lautsprecher im Hörer übermittelt, der den Klingelton ausgibt. An diese Pins habe ich über Diode N4001 und Widerstand 1,5k einen TLP621 Optokoppler parallel angeschlossen, der an einer nachfolgenden uC Schaltung einen Eingang triggert (Pin Change Interrupt) - also quasi einen Tastendruck simuliert. 1-2x/Tag aktiviert sich jedoch die Schaltung, ohne dass jemand geklingelt hat, d.h. die Siedle Platine sendet ein unhörbares Signal an den Hörerlautsprecher. An den 2 Pins liegen bei Ruhe 0V und beim Klingeln knapp über 4V (gemessen mit Multimeter) an. Was kann ich unternehmen, damit der Optokoppler unsensibler wird - einen grösseren Widerstand, einen Brückengleichrichter, einen anderen Optokoppler? Danke Matthias
Danke für die Antwort. Habe nicht wirklich Ahnung von der Materie und bin Experimenten i.d.R. aufgeschlossen - bei der Siedle bin ich aber lieber vorsichtig. Habe ich das mit dem RC-Glied richtig verstanden (s. Anhang) und falls ja, welche Kapazität wäre für den Kondensator einen Versuch wert? Danke Matthias
Matthias schrieb: > An diese Pins habe ich über Diode N4001 und Widerstand 1,5k einen TLP621 > Optokoppler parallel angeschlossen, der an einer nachfolgenden uC > Schaltung einen Eingang triggert (Pin Change Interrupt) - also quasi > einen Tastendruck simuliert. Und wie hast du deine µC-Eingang sonst so beschaltet. Wieviel Strom muss mindestens durch den OC-Ausgang fließen, damit ein Interrupt ausgelöst wird? Welcher Optokoppler überhaupt? Schaltplan?
Simuliert du ein Klingeln um Mithören zu können? Klingelt es dann auch oder bleibt es still?
Ja richtig ein kurzer Impuls reicht nicht erst wenn das Signal länger anliegt steigt die Spannung am Kondensator das es für den Optokoppler reicht.
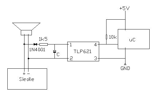
Wolfgang schrieb: > ...Und wie hast du deine µC-Eingang sonst so beschaltet. Wieviel Strom muss > mindestens durch den OC-Ausgang fließen, damit ein Interrupt ausgelöst > Welcher Optokoppler überhaupt?... Habe die Skizze überarbeitet und Optokoppler ist ein TLP621 http://www.reichelt.de/index.html?ACTION=3;ARTICLE=76198;SEARCH=TLP%20621 Thomas O. schrieb: > Simuliert du ein Klingeln um Mithören zu können? Klingelt es dann > auch > oder bleibt es still? Die nachgeschaltete Mikrocontrollerschaltung mit sep. Stromkreis wartet bis über den Optokoppler ein Klingelsignal anliegt und schaltet dann Relais (Kontakte von Folientastatur eines analogen Telefons abgegriffen), die Tastendrücke (Abnehmen und Gruppenruf) auf dem Telefon simulieren und nach ca. 5 sek wieder auflegt. Heisst also, wenn es an der Haus-/Etagentüre klingelt, startet das analoge Telefon einen Gruppenruf und es klingeln die DECT Mobilteile bzw. Smartphone, dass als DECT Mobilteil angemeldet ist. Funktioniert zuverlässig, wenn tatsächlich jemand an der Türe klingelt. 1-2x/Tag klingeln aber die Telefone, ohne dass jemand an der Türe geklingelt hätte. Ich vermute daher, dass die Siedle ein unhörbares / Stör-Signal an den Hörerlautsprecher sendet ohne dass jemand geklingelt hätte und daraufhin der sensible Optokoppler GND durchschaltet. Die "richtige" Klingel über den Siedle Hörerlautsprecher läutet hier natürlich nicht. Mikrocontrollerschaltung läuft seit mehreren Wochen mit Taster anstatt Optokoppler anstandslos, daran liegt es nicht. Auf die Möglichkeit, Pin1 und Pin3 abzugreifen und damit einen Optokoppler anzusteuern, bin ich erst letzte Woche gestossen - ursprünglich war ein Siedle Anschaltrelais zar 850 geplant.
Thomas O. schrieb: > Ja richtig ein kurzer Impuls reicht nicht erst wenn das Signal > länger > anliegt steigt die Spannung am Kondensator das es für den Optokoppler > reicht. Auf was war diese Antwort bezogen?
> Simuliert du ein Klingeln um Mithören zu können? Klingelt es dann auch > oder bleibt es still? Das macht keinen Sinn. Um ein Klingeln zu simulieren, müsste man exakt das passende Impulstelegramm generieren, mit dem die betreffende Türsprechstelle normalerweise gerufen wird, und auf den Bus geben. Zum Belauschen fremder Türgespräche würde ich das Audio (separat von der Sprechstelle) kapazitiv vom Bus abgreifen und auf einen kleinen NF-Verstärker geben.
Heimwerker schrieb: > Das macht keinen Sinn. Um ein Klingeln zu simulieren, ... > Zum Belauschen fremder Türgespräche ... So ein Schmarrn, hast Du überhaupt gelesen um was es geht? Ich will weder ein Klingeln simulieren, noch fremde Gespräche belauschen. Die Bussignale werden von der Platine der Wohnungsstation verarbeitet und die generiert und sendet ein analoges Signal an den Lautsprecher des Hörers. Genau dieses Signal verwende ich über den Optokoppler als Trigger für meine Schaltung und beeinflusse damit den Bus überhaupt nicht, geschweige denn, hätte Zugriff auf fremde Gespräche. Vielleicht sollten nur noch die antworten, die etwas sinnvolles beizutragen haben und nicht solche, die vor lauter Langeweile und Besserwisserei dämliche Unterstellungen in den Raum stellen
Ich habe dazu einen technischen Beitrag im technischen Support dieser Seite gefunden http://www.schick-handel.de/tech-support/ die haben auch Live Support auf deren Seiten, ich glaube man muss nicht unbedingt deren Kunde sein .
Wenn Du an die Siedle rankommst, warum zapfst Du nicht den Klingeltaster an?
Amateur schrieb: > Wenn Du an die Siedle rankommst, warum zapfst Du nicht den Klingeltaster > an? Wahrscheinlich weil der Klingeltaster draußen am Eingang hängt und nicht in der Wohnung. Ich würde nicht nur auf die Flanke reagieren sondern die Dauer des Signales mit überprüfen. Erst wenn das Klingelsignal lange genug ansteht wird der Ausgang deiner Schaltung geschaltet. Eine Störung wird da zu kurz sein. Das ist sowas wie eine Softwarelösung für das RC Glied
>Wahrscheinlich weil der Klingeltaster draußen am Eingang hängt und nicht >in der Wohnung. Sollte der nicht - wie auch immer - an der Siedle ankommen? Natürlich kann man auch den Summton anzapfen. Gleich-riecht-er ein Tiefpass und eventuell eine Pegelanpassung. Nach unten mit einem Spannungsteiler plus Zenerdiode; nach oben mit einem Levelshifter.
Matthias schrieb: > d.h. die Siedle Platine sendet ein unhörbares Signal an > den Hörerlautsprecher. ist das eine Vermutung, oder wurde das gemessen? Genausogut kann der Lautsprecher wenn er ein Ton von der Umgebung empfängt in die Schaltung Spannung induzieren, denn da wirkt er genau so wie ein Mikrofon.
warum nicht einfacher, wenn's nur ums klingeln geht? z. B. an Türklingel direkt, parallel ein Klingeldrahtkabel zum µC-Standort. Brückengleichrichter...passender Widerstand und Optokoppler. Damit hast Du keine Probleme mehr mit Einstreuungen etc. ;-) Funktioniert bei einer selfmade TFE (µC) mit DECT - Gigasetanbindung einwandfrei. Vorher auch manchmal 'Fehlalarm'-klingeln gehabt. Als es anfangs noch ein kleineres Klingelproject (triggern über NE555) war. Leitung ist 10m lang... war ne richtige Antenne. Abgeschirmtes Kabel hin oder her. Wahrscheinlich alles veseucht in der Umgebung :-) Es wurden immer wieder mal 'falsche' Schaltflanken eingekoppelt. Ein Kondensator mit 100 nF (Tiefpass zwischen Eingang und GND) lies die Fehlalarme sehr reduzieren, beseitigte sie jedoch nicht vollständig. ...wie oben beschrieben, funktioniert es nun einwandfrei.
Und wie soll das gehen bei einer Anlage, die gar keine Klingel hat, sondern über den Lautsprecher klingelt?
ok ;-) dann... genau so. Matthias schrieb: > An den 2 Pins liegen bei Ruhe 0V und beim Klingeln knapp über 4V > (gemessen mit Multimeter) an. Lautsprecher anzapfen und am 'Ende der Leitung' (Länge, Querschnitt, Qualität der Leitung weiß man auch nicht...) Spannung beim Klingeln messen. Liegen da angeblich die +/- 4V (Spannungsabfall...) an, dann dürfte das mit einem kleinen Brückengleichrichter (vielleicht DF02), einem geeigneten Widerstand (damit der Optokoppler gerade noch zuverlässig durchschaltet) und Optokoppler kein Problem sein. Brückengleichrichter, R und Opto. kürzester Weg, am besten auf PCB der µC-Schaltung. Wobei mir 4V ziemlich viel erscheinen.
Bitte melde dich an um einen Beitrag zu schreiben. Anmeldung ist kostenlos und dauert nur eine Minute.
  
  Bestehender Account
  
  
  
  Schon ein Account bei Google/GoogleMail? Keine Anmeldung erforderlich!
Mit Google-Account einloggen
Mit Google-Account einloggen
  Noch kein Account? Hier anmelden.


 Thread beobachten
 Thread beobachten Seitenaufteilung abschalten
 Seitenaufteilung abschalten