Hallo Gemeinde, ich bin leider kein gelernter Elektroniker. Habe mir dennoch eine Schaltung mit einem AVR, ein paar Schnittstellen und Leistungstreiber für eine Motorsteuerung zusammen gebaut. Es funktioniert eigentlich auch alles wunderbar. Nur mit der Spannungsregelung habe ich ein Problem. Ich verwende einen Spannungsregler MIC39101 (5V) Der kann laut Datenblatt von max 16V auf 5V bei 1A garantiertem Strom. Ich habe eine Batterie die max 14.7V liefert, meist aber zwischen 13 und 14V liegt. Bis 150 mA Stromverbrauch (AVR + 2 Drehgebern + ein paar kleine Bauteile) läuft alles gut. Wenn ich einen Sensor mehr anschliesse, dann wird der regler heiss und schaltet mit Übertemperatur ab. Dabei ist egal welcher Sensor auf welcher Schnittstelle steckt. Also die Sensoren einzeln und die Schnittstellen einzeln arbeiten alle normal. Hat jemand eine Idee warum der Spannungsregler mit ein paar mehr mA plötzlich heiss wird? Könnte sowas von einer falschen Dimension der Kondensatoren kommen?
Der MIC39101 ist in PowerSOIC und benötigt eine Kupferkühlfläche. Auch damit kann er natürlich nicht aus 16V mal eben 5V mit 1A machen, mehr als 1 Watt wäre schwierig, also eher 100mA. Das steht alles lang und breit im Datenblatt, keine Ahnung, in wie weit du dich daran gehalten hast, du schreibst ja nichts dazu. Nehemn wir an, der Regler mach 150mA mit 50 GradC und 160mA mit 150 GradC, dann liegt es nicht an der Kühlung. Sondern er wird schwingen. das liegt dann an den Kondensatoren und deren ESR und dem Aufbau der zur Schwingneigung führt. Das kann man messen, einfach ein Oszilloskop dran. Bleibt als dritte Möglichkeit, daß er bei 150mA schon 120 GradC heiss wird und bei 160mA den Strom wegen Übertemperatur begrenzt, damit mit der Spannung runter geht obwohl der Strom gleich bleibt, also noch mehr verheizt und noch weiter mit der Spannung runter gehen muss. Er hängt dann sofort an der oberen Maximaltemperatur, ja nach dem so 175 GradC. Aber so heiss soll er ja vorher nicht gewesen sein.
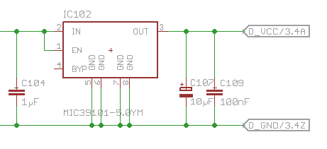
Danke für die Antwort. Ja ich habe das Datenblatt gelesen. Aber vielleicht habe ich irgendwas übersehen. Deshalb frage ich ja hier nach Hilfe. Im Anhang habe ich mal den Schaltplan vom Regler angehängt. Der Kondensator C107 ist ein 10µF Tantal (TCJA106M016R0200) Dieser hat ESR 200 mΩ. Laut Datenblatt braucht der MIC39101 mindestens 10µF mit ESR < 2 Ω. Mit meinem 200 mΩ habe ich also gerade mal 10%. An die Kühlung über die Ground Terminals habe ich auch gedacht. Daran ist ein Kühlblech befestigt mit ca. 80x10 mm Fläche. Das sollte doch langen um die Wärme anzuführen. Ausserdem ist er ja mit nur 2 Sensoren noch nichtmal lauwarm und mit 3 Sensoren wird er schlagartig heiss. Dann schaltet er ab und wieder an im Takt von ca. 0,5 Sekunden. In diesem Moment messe ich komischerweise 1,7A. bei 2 Sensoren sind es nur 150µA.
Gad Zinkler schrieb: > Dieser hat ESR 200 mΩ. > Laut Datenblatt braucht der MIC39101 mindestens 10µF mit ESR < 2 Ω. > Mit meinem 200 mΩ habe ich also gerade mal 10%. Das Datenblatt sagt auch, daß der ESR nicht unter 100mOhm betragen soll, und du schaltest 100nF parallel.
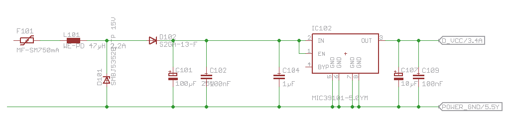
MaWin schrieb: > Das Datenblatt sagt auch, daß der ESR nicht unter 100mOhm betragen soll, Ja das steht da auch, aber ich bin ja nicht drunter. Da steht auch noch: A low-ESR solid tantalum capacitor works extremely well and provides good transient response and stability over temperature. Also habe ich das doch richtig gemacht oder? > und du schaltest 100nF parallel. Ist das ein Fehler? Habe mal der Vollstandigkeit halber die ganze Spannungsregelung angehängt. Da sind ja nich Sicherung, Dioden und ein paar andere Kondensatoren im Spiel. Schlag mich nicht wenn ich da auch noch Fehler drin habe. Bin halt kein Elektroniker :-(
Gad Zinkler schrieb: > Ist das ein Fehler? Na er verringert den ESR. Parallelschaltung von Widerständen solltest du doch gelernt haben.
MaWin schrieb: > Gad Zinkler schrieb: >> Ist das ein Fehler? > > Na er verringert den ESR. > > Parallelschaltung von Widerständen solltest du doch gelernt haben. Ok das leuchtet schon ein. Aber ich habe ja jede Menge Kondensatoren am AVR und den anderen IC's. Die sind ja praktisch auch parallel, nur in einem grösseren Abstand zum Regler. Verringern die dann auch ESR? Wie gesagt, ich bin kein Elektroniker :-(
Bitte melde dich an um einen Beitrag zu schreiben. Anmeldung ist kostenlos und dauert nur eine Minute.
Bestehender Account
Schon ein Account bei Google/GoogleMail? Keine Anmeldung erforderlich!
Mit Google-Account einloggen
Mit Google-Account einloggen
Noch kein Account? Hier anmelden.

