hallo möchte einen +12v Impuls von ~500ms zeitverzögert ebenfalls mit ~500ms durchlassen. Geht das allein mit Kondensator und Widerstand?
detti schrieb: > Geht das allein mit Kondensator und Widerstand? Nein, Kondensator und Widerstand verformen den Impuls.
detti schrieb: > hallo möchte einen +12v Impuls von ~500ms zeitverzögert ebenfalls mit > ~500ms durchlassen. > > Geht das allein mit Kondensator und Widerstand? _delay_ms(500) ; // und fertig :-)
Monoflop, dessen fallende Flanke (nach 500 ms) ein Monoflop triggert, welches einen 500 ms Impuls erzeugt.
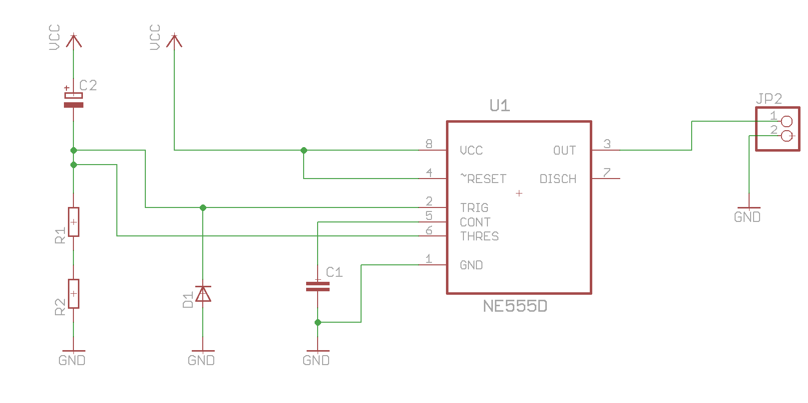
Für sowas nimmt man einen NE555 So, jetzt musst Du nur noch die passenden C's und R's ausrechnen. Am Ende hast Du zwar keine 12V mehr, sondern ein klein wenig unterhalb der 12V. Vorteil ist aber, das Du keine zusätzliche Versorgung benötigst. R1 und R2 kannst Du als ein Widerstand sehen. http://555-timer-circuits.uk/operation/delay-on.html
detti schrieb: > Marian B. schrieb: >> Monoflop > Ist das eine Art von Kondensator? Was sagt Google? Muss dieser Impuls Energie übertragen? Oder andersrum: woher kommt der Impuls und wo geht der hin? Was erzeugt den Impuls und was wird damit angesteuert?
Bitte melde dich an um einen Beitrag zu schreiben. Anmeldung ist kostenlos und dauert nur eine Minute.
Bestehender Account
Schon ein Account bei Google/GoogleMail? Keine Anmeldung erforderlich!
Mit Google-Account einloggen
Mit Google-Account einloggen
Noch kein Account? Hier anmelden.
