Hallo zusammen, das ist mein erster Beitrag. Ich hoffe ich verstoße nicht gleich zu Beginn gegen alle Regeln :-) Ich entwerfe gerade 2 Typen von Platinen um meinen Balkon über WLAN mit 6 RGB Leds zu beleuchten. Die Leds sind jeweils in einem umgebauten Gehäuse (günstig auf Ebay gefunden). Dazu noch eine Steuerplatine. Mir geht es aber um die Leds im Metallgehäuse. Mir ist aufgefallen, das ich die Masse der Platinen in den Lampen durch Schrauben mit dem Gehäuse der Lampen verbunden habe. Ich habe hier einige Beiträge zu ähnlichen Themen gefunden und grübele seid dem über drei Beschaltungsmöglichkeiten und kann mir für jedes Szenario aber einen Fall vorstellen in dem durch einen Fehler ein Mensch zu schaden kommt. Das Netzteil ist IP67. Wie gesagt drei Varianten fallen mir ein: 1) Die RGB KSQ Platine sind isoliert vom Gehäuse. 2) Die Platinen sind über Masse mit dem Gehäuse verbunden (durch die Schrauben) 3) zusätzlich zu 2) ist GND mit dem PE Leiter verbunden Variante 1) ist hoffentlich nicht nötig (ich habe schon 6 Platinen in Konfiguration 2 vorbereitet Zu den anderen beiden weiß ich langsam nicht mehr weiter. Was würdet ihr mir raten? Vielen Dank und viele Grüße
Ein SELV-isoliertes Netzteil wird wie Variante 1 verdrahtet. Möchtest du die Metallgehäuse der Lampen an den Schutzleiter anschliessen, nimm ein drittes Kabel.
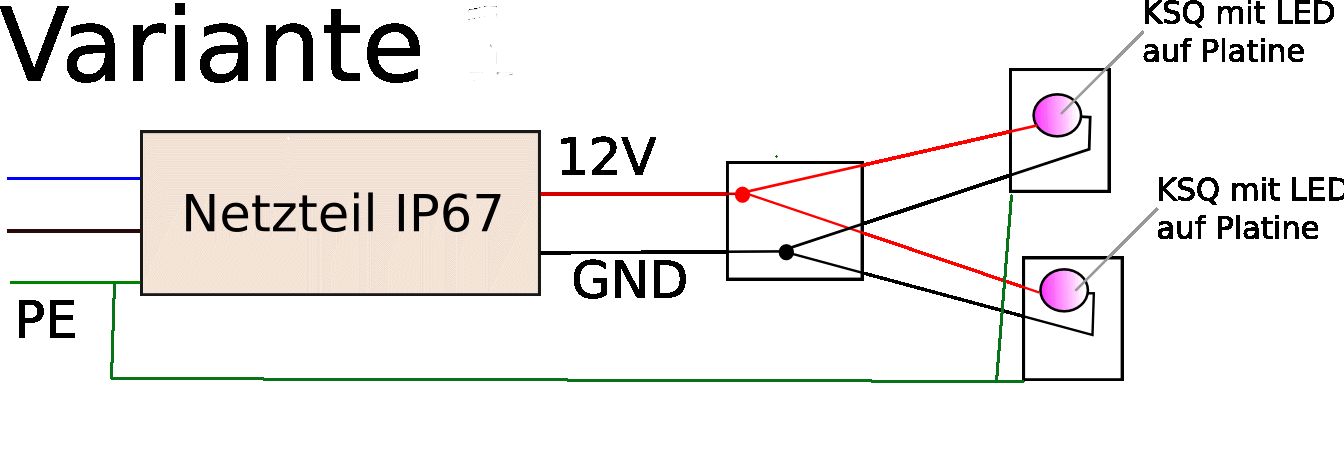
Kann mir mal jemand sagen, warum das hochgeladene plan.png keine grüne Leitung zeigt, obwohl die lokal edierte Version auf meinem Rechner so eine hat wie im oberen GIF ? Diese verdammte Scheiss PNG Format, jeder implementiert es anders und nie funktioniert es.
ursprünglich hatte ich mal dieses Vorgesehen: http://www.netzgeraet.de/schaltnetzteile/schaltnetzteile-12v/22109/12v-netzteil-100-watt-8-3a-ip67-outdoor-indoor.html
hinz schrieb: > Florian Bornkessel schrieb: >> Das Netzteil ist IP67. > > Und wohl Schutzklasse I. SELV oder PELV? Für mich sieht das wie SK I / PELV aus. Liege ich da falsch?
Heinz V. schrieb: > Gucks Du: > > http://de.wikipedia.org/wiki/Kleinspannung Weitgehend nutzlos. Für Normalbürger unverständlich.
Den Text habe ich schon mehrmals gelesen. Dort wird beschrieben ob und wann ein Gehäuse geerdet werden kann. Ok soweit. Wenn die Masse der Platine nicht mit dem Gehäuse verbunden wäre könnte ich das Problem eindeutig zuordnen. Ich frage mich aber ob ich mir durch die Verbindung der Elektronik mit dem Gehäuse ein Ei ins Nest gelegt habe und mich zukünftig darauf verlasse das der Transformator immer galvanisch trennt. Oder ob es dann sinnvoller wäre für diesen Fall das Gehäuse an PE zu legen. Oder vielleicht ist meine Sorge einfach nur hypotethisch... Oder ich habe die Beschreibung doch nicht richtig verstanden :-) Zum Netzteil kann ich kein Datenblatt finden und müsste den Kauf abwarten. Andere Netzteile wären natürlich auch recht sofern sie Outdoor geeignet sind.
Alle Metallgehäuse konsequent erden, und falls Teile der Kleinspannung unmittelbar berührbar sind zusätzlich den Minus erden. Nur so ist gewährleisted das die max. Berührungspannung die zulässigen Werte nie übersteigt.
Flo M. schrieb: > Den Text habe ich schon mehrmals gelesen. Dort wird beschrieben > ob und wann ein Gehäuse geerdet werden kann. Ok soweit. Wenn die > Masse der Platine nicht mit dem Gehäuse verbunden wäre könnte > ich das Problem eindeutig zuordnen. Der Abschnitt PELV (schützende Kleinspannung) sagt klar:" PELV- Stromkreise und/oder Körper der durch die PELV-Stromkreise versorgten Betriebsmittel dürfen geerdet werden." Das ist meiner Meinung nach genau der bei Dir zutreffende Fall. > Ich frage mich aber ob ich mir durch die Verbindung der > Elektronik mit dem Gehäuse ein Ei ins Nest gelegt habe Wüsste nicht, wieso. > und mich zukünftig darauf verlasse das der Transformator > immer galvanisch trennt. Naja, wenn ich ganz sicher gehen wollte, würde ich einen Sicherheitstrafo mit Zwei-Kammer-Wicklung nehmen. Bei dem würde ich mich dann auf die sichere Trennung verlassen, ja. > Oder ob es dann sinnvoller wäre für diesen Fall das > Gehäuse an PE zu legen. Wenn das nicht für die konkrete Anwendung ausdrücklich verboten ist, kannst Du das immer tun. Warum nicht? Oder Du nimmst ein Kunststoffgehäuse, da hast Du das Problem nicht. > Zum Netzteil kann ich kein Datenblatt finden und müsste > den Kauf abwarten. Andere Netzteile wären natürlich auch > recht sofern sie Outdoor geeignet sind. Nach der Abbildung kann das mMn nur Schutzklasse I / PELV sein. Man korrigiere mich bitte, wenn ich falsch liege.
Vielen Dank für die schnellen Antworten, dann kann ich also Variante 3 problemlos verwenden. Ein Kunststoffgehäuse klappt in diesem Falle nicht da die LED 10W verbraucht und entsprechend Wärme abgeben muss. Ausserdem ist das Gehäuse per se wasserdicht. Wenn ich in Zukunft vor dem gleichen Problem stehe. Würde ich vermutlich das Gehäuse wieder mit PE verbinden. Aber würdet ihr die Masse der eingebauten Elektronik mit dem Gehäuse verbinden oder wäre eine Isolation besser gewesen?
Bitte melde dich an um einen Beitrag zu schreiben. Anmeldung ist kostenlos und dauert nur eine Minute.
Bestehender Account
Schon ein Account bei Google/GoogleMail? Keine Anmeldung erforderlich!
Mit Google-Account einloggen
Mit Google-Account einloggen
Noch kein Account? Hier anmelden.


