Hallo an alle Bastelfreunde! Ich weiß, das gabs schon öfter, aber ich habe leider keine Antwort gefunden, die mir weiterhilft. Ich würde gerne einen Wecker verwenden, um einen zweiten Stromkreis zu schließen, solange der Wecker klingelt. Der ursprüngliche Gedanke war das Signal, das an den Piezo Lautsprecher geht so umzuwandeln, das ein Relais schalten kann während der Wecker klingelt. Als vorläufiges Versuchsobjekt habe ich einen alten digitalen Funkwecker, bei dem ich mal ein bisschen gemessen habe: Beim Wecken liegt eine Spannung von ca. 0,3 V an dem Lautsprecher an, die zunächst in relativ großen Intervallen pulsiert, vielleicht mit Pausen von ca. einer halben Sekunde. Schaltet man den Wecker nicht aus, so werden die Zeitabstände kürzer und das Piepen des Weckers dementsprechend schneller. Ich habe auf der Platine auch mal vorangehende Signale gemessen und konnte kein konstantes Signal finden, das für die Steuerung des Wecktons verantwortlich ist. Das Problem ist nun, dass ich mit diesem Signal natürlich nicht direkt ein Relais schalten kann. Der zweite Stromkreis soll kontinuierlich geschlossen bleiben während des Weckvorgangs. Ich habe schon relativ viel recherchiert und überlegt, konnte jedoch keine geeignete / nachvollziehbare Lösung finden. Ich habe unterschiedliche Ansätze und Work-Arounds und hoffe ihr könnt mir hier weiterhelfen. 1.) Analog Wecker: Ich habe überlegt, ob eventuell bei einem analogen Wecker ein mechanischer Vorgang stattfindet, der einen Stromkreis schließt, in dem im Anschluss ein Gleichstromsignal für den Weckton umgewandelt wird. Ich habe leider keinen analogen Wecker zur Hand und kann das daher nicht überprüfen. Falls jemand von euch weiß, wie es in einem analogen Wecker zum Signalton kommt oder falls jemand einen Wecker hat, um das mal nachzumessen wäre mir hier schon sehr geholfen. 2.) Signal umwandeln: Falls der analog Wecker nur identische Signale liefert wie mein digitaler Wecker, so müsste ich wie oben beschrieben, das pulsierende Signal in ein für ein Relais geeignetes Signal umwandeln. Ich habe hier unterschiedliche Ansätze gefunden mit einem Transistor oder einer RC-Schaltung zum Gleichrichten. Ich denke das Hauptproblem bei der Sache ist, dass kein kontinuierlicher Wechselstrom anliegt, sondern eben immer Pausen zwischen den Signalen vorhanden sind. Und diese Pausen bei meinem Testwecker im Speziellen auch noch kürzer werden und damit nicht konstant sind. Ich muss hier auch zugeben, dass mir das notwendige Fachwissen fehlt. Ich bin jedoch durchaus lernfähig und habe auch einige Erfahrungen in der Elektrotechnik, die jedoch weit zurück liegen. 3.) Zweiten Stromkreis durch Impuls dauerhaft schließen: Hier weiß ich nicht ob das überhaupt möglich wäre. Die Überlegung ist, sobald das erste Klingeln des Weckers kommt, mit diesem Impuls den Zweitstromkreis dauerhaft zu schließen. Geöffnet wird der Stromkreis im Anschluss erst wieder durch Druck auf den Snooze- oder Aus-Button. Damit wäre die Schaltung wieder im Ausgangszustand und würde im Snooze Fall durch den nächsten Impuls wieder geschlossen werden.. etc. Wäre eine solche Schaltung möglich? 4.) Radio Wecker: Falls alle Stricke reißen, denke ich ein Radio Wecker wäre die letzte Hoffnung. Irgendwo wird hier sicherlich ein Signal abzugreifen sein, das mir weiterhilft. Das Problem dabei sind Kosten und Bauraum. Der Radiowecker hat viel drin, was ich garnicht brauche. Und die Sache ist immer die, ich kann nicht in die Gerätschaften reinschauen, bevor ich sie kaufe. Also falls hier jemand sagen kann "Im Radiowecker kannst du alles abknipsen und wegschmeißen und direkt von der Platine ein Gleichstromsignal abgreifen" dann wüsste ich zumindest, dass das Geld nicht rausgeschmissen wäre. So, jetzt habe ich viel geschrieben, ich hoffe es konnte sich jemand durch den Text durchquälen :) Ich bin für jede Hilfe unendlich dankbar! Ich freue mich auch über Tipps und Meinungen zu der Umsetzbarkeit der einzelnen Ansätze. Grüße und schönen Feierabend an alle, Phil.
Das Signal hat sicher keine 0.3V sondern mehr, nur dein Messgerät ist zu langsam, nimm ein Oszilloskop. Das Bauteil, was die kurzen Impulse zu einem brauchbaren Signal verlängert heisst retriggerbares MonoFlop. Aufbaubar mit 74HC123 oder CD4538 oder TLC555.
Ja, nimm dazu einen 555 Timer (aufbauen als retriggerbares Monoflop). Diesen versorgst du mit VCC und GND deines Weckers. An den Eingang hängst du dann direkt das Signal des Piezo. Mit einem entsprechenden Kondensator kannst du die Zeitspanne des Einschaltens definieren.
...oder nehme einen "Klatschschalter" = Mikrophon mit Verstärker und Relais- Schaltausgang, gibts als Bausatz, dann brauchst Du in den Wecker gar nicht eingreifen.
Hilli schrieb: > Ich würde gerne einen Wecker verwenden, > um einen zweiten Stromkreis zu schließen, solange der Wecker klingelt. klingt irgendwie wie aus einem James-Bond Film. Was möchtest du denn für eine Bombe bauen ;-) ??
Vielen Dank ersteinmal für die Antworten! @MaWin / Mick: MaWin, du hast natürlich recht, ich habe hier nur ein uraltes Messgerät von meinem Vater :) Ein Oszilloskop habe ich leider nicht zur Verfügung, ist es zwingend notwendig das Ausgangssignal genau zu kennen? Zu dem retriggerbaren Monoflop habe ich mir mal kurz das hier angeschaut: http://www.elektronik-kompendium.de/sites/slt/0310121.htm Das hört sich soweit ganz gut an, bevor ich euch weiter mit dummen Fragen löcher informier ich mich mal selbst ein bisschen, danke für den Tipp ! @Fritz: So wie ich das verstehe, wäre der Lautsprecher hier weiter aktiv richtig? Das wäre in meinem Fall eher unerwünscht. @Wegstaben Verbuchsler: Neee keine Bombe, nur ein Zeitzünder für meine Atomrakete im Garten ;) Nein Gschmarri. Ich will einen individualisierten Wecker für meine Freundin bauen, dazu habe ich einerseits ein Mp3 Modul (http://www.elv.de/mp3-sound-modul-msm-2-komplettbausatz.html) und dazu kommt noch ein Lego Technik Aufbau, für den ein Motor gestartet werden muss :) Und so ganz allgemein nochmal in die Runde: Was haltet ihr von meinen alternativen Ansätzen? Die Lösung mit dem retriggerbaren Monoflop bezieht sich ja ausschließlich auf obigen Vorschlag Nummer 2). Falls mir hier jemand weiterhelfen kann, würde mich noch interessieren wie es mit dem Signal von dem analogen Wecker aussieht und ob eventuell der Ansatz 3) auch umsetzbar wäre. Riesen Dankeschön nochmal an alle! Gruß, Phil.
Hilli schrieb: > MaWin, du hast natürlich recht, ich habe hier nur ein uraltes Messgerät > von meinem Vater :) Es geht hier um das Grundsätzliche: Eine solche Messungist mit einem noermalen Multimeter nicht möglich > ist es zwingend notwendig das Ausgangssignal genau zu kennen? Ja, aber man kann auch gewisse Annahmen treffen. Danach sollte das Signal mindestens 0,7V haben und kann einen normalen Transistor ansteuern. > So wie ich das verstehe, wäre der Lautsprecher hier weiter aktiv > richtig? Das wäre in meinem Fall eher unerwünscht. Dann löte ihn doch aus. > ob eventuell der Ansatz 3) auch umsetzbar wäre. Dafür würdest Du ein RS-Flipflop benötigen.
Hilli schrieb: > Ich will einen individualisierten Wecker für meine > Freundin bauen, dazu habe ich einerseits ein Mp3 Modul > (http://www.elv.de/mp3-sound-modul-msm-2-komplettbausatz.html) und dazu > kommt noch ein Lego Technik Aufbau, für den ein Motor gestartet werden > muss :) Na, wenn sie das nicht aus dem Bett treibt ... ;-)
lächler schrieb: >> Dazu kommt noch ein Lego Technik Aufbau, für den ein Motor gestartet >> werden muss :) > > Na, wenn sie das nicht aus dem Bett treibt ... ;-) Insbesondere, wenn der Motor ihr langsam die Bettdecke wegzieht. :-)
Hilli schrieb: > Ein Oszilloskop habe ich leider nicht zur Verfügung, Die Dinger kosten über eBay inzwischen nur 25 EUR. > ist es zwingend notwendig das Ausgangssignal genau zu kennen? > Zu dem retriggerbaren Monoflop habe ich mir mal kurz das hier > angeschaut: Das MonoFlop wird mit einem Signal das nach Masse schaltet ausgelöst, das dürfte für deine Anwendung falschrum sein. Da man aber das Signal aus der Uhr nicht genau kennt, kann man keine definitive Antwort geben.
Vielen Dank nochmal :) @Harald / MaWin: Also damit ich das richtig verstehe, ich muss prinzipiell das Ausgangssignal des Weckers genau kennen? Heißt also, ich muss mich für einen Wecker entscheiden (der aktuelle ist wie gesagt nur ein Testobjekt) und das Signal mit einem Oszilloskop messen. Im Anschluss kann ich ein retriggerbares Monoflop auslegen, das auf dieses Signal abgestimmt ist. Dieses besteht aus einem 555 Timer und diversen Widerständen / Kondensatoren, die entsprechend dem Ausgangssignal zu dimensionieren sind. Richtig? Sorry für die Begriffsstutzigkeit, die Thematik ist wie gesagt sehr neu für mich. Falls ihr hier Lust / Zeit habt, könntet ihr mir eventuell kurz beschreiben, wie die Auslegung abläuft? Falls nicht, versuche ich mich übers Internet schlau zu machen :) @Harald: Wie ist deine Einschätzung, wäre die Umsetzung mit RS-FlipFlop einfacher oder ist das weitgehend der gleiche Aufwand? Mein erster Gedanke als Laie wäre hier, dass ich weniger Dimensionierungsarbeit hätte, da die Schaltung dann ja scheinbar unabhängig von dem Ausgangsintervall des Weckers wäre oder? @lächler / Harald: Die Idee mit der Bettdecke gefällt mir, allerdings ist der Lego-Motor wohl zu schwach... Da muss ich wohl doch noch einen Außenborder an das Fußende vom Bett montieren :D Und wiedermal so in die Runde: Soll jetzt nicht doof klingen, aber die Überlegung mit dem analog Wecker wurde bisher noch nicht weiter betrachtet. Ich dachte, dass hier eventuell einfach ein Kontakt geschlossen wird, sobald der Alarmzeiger auf der gleichen Position ist wieder Stundenzeiger. Damit wäre dann die gesamte retriggerbares Monoflop / RS-FlipFlop Sache gegessen und ich hätte es viel einfacher. Falls jemand einen analog Wecker hat und vielleicht mal reinschauen kann :) wäre das super! Danke für die Hilfe! Gruß, Phil.
Falls dein Wecker mit bis max. 5V versorgt wird, kannst du das Ganze auch mit einem ATtiny umsetzen. Dieser Microcontroller lässt sich auch einfach mit der Arduino IDE programmieren. Nach deim Einlesen des Piezo Signals kann ein Relaismodul beliebig lange über Software angesteuert werden. Eigentlich benötigst du: - Microcontroller mit einem Blockkondensator - Relaismodul (z.B. http://www.seeedstudio.com/depot/Grove-Relay-p-769.html) - evtl. Schutzschaltung für das Abgreifen des Piezo
Hey Mick, Danke für deine Antwort! Den Gedanken an einen Mikrocontroller hatte ich auch kurzzeitig, aber wenn ich das richtig verstehe brauche ich hier einen Programmer, z.B. im Falle des ATtiny den AT AVR ISP. Das würde dann relativ teuer kommen oder gibt es hier günstigere Varianten? Aktuell habe ich mich etwas auf den RS Flip-Flop konzentriert, das erscheint mir die einfachste Variante. In die Runde nochmal so die Frage, wie bewertet ihr die bisher vorgeschlagenen Ansätze, was denkt ihr hätte einen annehmbaren Preis bei umsetzbarem Aufwand? Vor allem für einen Elektrotechnik Newbie ;) Danke malwieder für die zahlreichen Hilfestellungen! Gruß, Phil.
Hilli schrieb: > Falls jemand einen analog Wecker hat und > vielleicht mal reinschauen kann :) wäre das super! Da wird (zumindest in den Wecker in den ich hier schaue) schlicht ein Kontakt geschlossen.
Hey Andrew, Hammer! Das hat mich echt mal interessiert, riesen Dankeschön! Ez wäre da wiederum die Frage, falls dein Wecker eine Snooze Funktion hat, was da passiert :D ich nehme an, dann sind wir wieder bei dem einfachen Signal an den Piezo, das ich versuche zu umgehen richtig? Problem is, ich glaube meine Lady hat keine Verwendung für nen Wecker ohne Schlummer Funktion, da wird immer nochmal 20 min gedöst, bevor es ausm Bett geht. Wäre super nett, wenn du da nochmal kurz in deinen Wecker schauen könntest Andrew, da wäre ich dir unendlich dankbar! Und nochmal so allgemein, ich glaube ich habe auch ein Problem mit dem RS Flip-Flop. Wenn ich das Piezo Signal beispielsweise auf S lege, dann würde hier ja in periodischen Abständen S geschaltet werden. Wenn nun der Wecker per Knopfdruck deaktiviert wird, dann wird R geschaltet. Fällt der Knopfdruck nun genau auf einen Impuls an S, dann hätte ich ja einen unerlaubten Zustand, habe ich das richtig verstanden? Falls ja, wie löse ich wiederum das Problem? Irgendwie alles 1000 mal mehr Aufwand, als ich es mir vorgestellt hatte... Ich glaub ich kauf nen Platinencomputer :D Wie immer danke für die Hilfe! Gruß, Phil.
> wenn ich das richtig verstehe brauche ich hier einen Programmer, z.B. im > Falle des ATtiny den AT AVR ISP. Das würde dann relativ teuer kommen Falls du schon ein Arduino Board hast, kannst du den ATtiny auch darüber programmieren. Da benötigst du nichts weiteres dazu. ATtinys haben wir hier in der Firma noch rumliegen. Kann dir gerne einen zukommen lassen.
Hallo zurück! Ich war bei meiner Freundin, deswegen war das Projekt stillgelegt :) @Mick: Wow, danke für das Angebot, das ist echt superlieb! Vorerst bin ich jedoch von der Microcontroller Variante abgewichen. Falls ich es doch versuchen will melde ich mich nochmal. Im Übrigen drehe ich mich gerade im Kreis und bin doch wieder an deinem ursprünglichen Vorschlag dran. Das nächste mal gleich auf die Spezialisten hören ;) In die Runde: Ich habe jetzt inzwischen meine Soundkarte als Oszilloskop missbraucht. Es sieht so aus, als wäre die Amplitude des Pizosignals bei ca 0,7V und die Abstände der Signale sind ca. 2s. Ein Bild habe ich in den Anhang gepackt. Wie bereits erwähnt bin ich jetzt wieder an der ursprünglich von Mick vorgeschlagenen Methode mit dem retriggerbaren Monoflop dran. Tut mir leid für das im Kreis drehen und die verschwendete Zeit, ich war zu Beginn nur etwas überfordert mit der Auslegung. Dazu habe ich mir jetzt mal LTspice zur Schaltungssimulation besorgt und eine entsprechende Schaltung ausprobiert (auch im Anhang zu sehen). Vom Prinzip her funktioniert das scheinbar auch soweit. Mein neues Problem ist jetzt nur, dass der Trigger in dieser Schaltung nur auf einen Spannungsabfall unter 0,3*Vcc reagiert. Da ich jedoch das Ausgangssignal des Piezos an den Trigger schließen will, müsste der Monoflop umschalten, sobald die Spannung auf einen Wert oberhalb von 0,3*Vcc ansteigt. Ich konnte hier leider auch im Internet nicht schlauer werden, könnt ihr mir hier weiterhelfen? Riesen Dankeschön wie immer für die Hilfe! Gruß, Phil.
Schonmal nachgesehen wo der Piezo dran hängt ? Direkt an enem IC = µC oder über Transe ? Wenn Dir ca. 10,- für µC samt Programmer bzw. Arduino zuviel sind, was kostet denn Dein Lego & Co. ? Mechanischer Wecker mit den guten alten Glocken obendrauf ist ja trivial, mußt Nur Klöppel und Glocke isolieren und einen einfachen Klemmverschluß für den Klöppel baune, dan hängt der an der Glocke und der Stromkreis ist geschlossen.
Hilli schrieb: > Ich war bei meiner Freundin, deswegen war das Projekt stillgelegt :) Sol das jetzt eine "Auslösung" werden zum B.Basteln?
Hilli schrieb: > Mein neues Problem ist jetzt nur, dass der Trigger in dieser Schaltung > nur auf einen Spannungsabfall unter 0,3*Vcc reagiert. Da ich jedoch das > Ausgangssignal des Piezos an den Trigger schließen will, müsste der > Monoflop umschalten, sobald die Spannung auf einen Wert oberhalb von > 0,3*Vcc ansteigt. Das Piezo Signal schwingt um die Ruhelage (-0.7 - 0 - +0.7V) Du solltest das Level also sowieso vorher anheben (z.B. mit einem OPAMP -> Spannungsfolger). Den OPAMP kannst du zusätzlich invertierend beschalten, damit du das korrekte Steuersignal für den Timer erhältst. Falls die Pegel zum Schalten nicht ausreichen, den OPAMP als Verstärker benutzen.
Hey, Danke erstmal wieder für die fixen Antworten! @roflcopter : Gegen den Mikrocontroller spricht inzwischen weniger das Geld, als die Programmierung an sich. Bin mir nicht sicher, ob ich das hinkriege. Aber wie gesagt, es bleibt als Variante im Hinterkopf. Das Lego is kostenfrei und lag auf dem Dachboden meiner Eltern ;) Die Umsetzung über den Wecker mit Glocken wäre vermutlich möglich, aber ich versuche wie gesagt eine Schlummerfunktion unterzubringen. Das wird dann etwas schwierig. @Mani: Ääh da komm ich ez ned mit, was meinst du? Sorry :) @Mick: OK, danke! Da muss ich mich erstmal wieder einlesen :D ich meld mich zurück. Grüße, Phil.
So, weiter gehts. Praktischerweise ging meine Facharbeit über Hoch- und Tiefpässe und OPV :D da ging das Einlesen fix. Nur geringfügig lange her der Spaß. @Mick: Ich bin mir jetzt nur gerade nicht so sicher ob ich das richtig verstehe. Der Gedanke ist jetzt, die Spannung am Trigger z.B. auf konstante 1,5 V zu setzten und eine Spannung von -1,0 V zu überlagern, um den Trigger auszulösen? So hätte ich mir jetzt zumindest eine mögliche Lösung vorgestellt, stimmt das mit deinem Gedanken überein? Aber wieso der invertierende OPV? Da ein Wechselspannungsimpuls am Piezo ankommt würde eine Invertierung der Spannung doch keinen großen Effekt haben. Oder soll ich das Signal zuerst gleichrichten? Da stellt sich dann die nächste Frage: Ist es problematisch, wenn die Spannung am Trigger die Spannung Vcc überschreitet? Also könnte ich nicht 'einfach' beispielsweise +1,0 V konstant am Trigger anlegen und das Signal mit +-0,7V per Reihenschaltung überlagern, sodass in Summe eine Schwingung von (1,0 +- 0,7)V entsteht, die bei 0,3V anschließend den Trigger auslöst? Riesen Dank wie immer für die super Hilfe! Gruß, Phil.
Hilli schrieb: > Der Gedanke ist jetzt, die Spannung am Trigger z.B. auf konstante 1,5 V > zu setzten und eine Spannung von -1,0 V zu überlagern, um den Trigger > auszulösen? So hätte ich mir jetzt zumindest eine mögliche Lösung > vorgestellt, stimmt das mit deinem Gedanken überein? Ja. Ich kenne dein Vcc nicht, aber 1.5V sind für dcen 555 vermutlich zu wenig. Hilli schrieb: > Aber wieso der invertierende OPV? Da ein Wechselspannungsimpuls am Piezo > ankommt würde eine Invertierung der Spannung doch keinen großen Effekt > haben. Invertieren brauchst du das Signal in deinem Fall nicht. Du musst die Pegelverhältnisse so hinbekommen, dass der Timer auslöst. Hilli schrieb: > Ist es problematisch, wenn die > Spannung am Trigger die Spannung Vcc überschreitet? Ja. Laut Datenblatt darf Vin maximal Vcc betragen.
Hey Mick, danke malwieder! OK, ich denke vom Prinzip her habe ich es verstanden. Ich hab jetzt nur ein Problem, das sich in der Simulation mit LTspice gezeigt hat. Und zwar triggert der NE555 sobald Spannung anliegt und bleibt auch in dem Zustand. Also die Ausgangsspannung ist gleich Vcc. Dieser Zustand scheint sich nur beheben zu lassen, indem die Triggerspannung auf über ca. 2/3 Vcc gehoben wird. Ich habe zwar gelesen, dass der NE555 beim Einschalten den ersten Zyklus startet, aber in meiner Simulation ist das kein Zyklus sondern ein Dauerzustand, das verstehe ich nicht so recht... Grundsätzlich lässt sich das Problem beheben, indem ich am Trigger einfach eine entsprechend große Grundspannung anlege, allerdings überschreitet die Triggerspannung dann fast den Maximalwert Vcc, sobald das Weckersignal hinzukommt. Also beispielsweise: Vcc = 9V Vtrigger = 6V Wecker mit OPV = +-3V So kommt am Trigger bei Klingeln des Weckers 6V+-3V an. In der Simulation reicht das allerdings nicht den Zyklus auszulösen, es müssen unter 3V sein. Sobald ich die Grundspannung von 6V verringere kriege ich den Ausgangszustand nicht weg und sobald ich das Weckersignal weiter anhebe komme ich über Vcc. Ich wollte das Signal jetzt gleichrichten, verstärken, invertieren und anschließend den 6V überlagern. Sodass z.B. 6-5V rauskommen am Ende. Hier komme ich allerdings mit der Schaltung nicht klar. Ich habe mal ein Bild meiner aktuellen Schaltung in den Anhang geladen. Wie kann ich hier das Weckersignal alleine modifizieren (gleichrichten, verstärken und invertieren) und anschließend der 6V Spannung überlagern? Wenn ich die entsprechende Schaltung hinter das Weckersignal schalte, dann wird das bereits überlagerte Signal von 6V+-0,7V modifiziert... Und wenn ich eine abgetrennte Schaltung mache, dann hätte ich auf dem Minuspol die Erde und kann das schlecht in Reihe schalten.. Naja ok, jetzt habe ich alle restlos verwirrt. Weiß trotzdem jemand eine Lösung für das Problem? Riesen Dankeschön! Grüße, Phil.
Hilli schrieb: > Beim Wecken liegt eine Spannung von ca. 0,3 V an dem Lautsprecher an, Vermutlich kann man dieses Signal mit einer Diode und einem Kondensator in ein Signal umwandeln, welches einen normalen Transistor ansteuern kann. Da es aber auch hunderte von anderen Möglichkeiten gibt, können wir Dir keine hundertprozentige Lösung nennen, die bei allen Weckern funktioniert. Als erfahrener Elek- troniker entscheidet man sich durch einige Messungen vor Ort, welche Auswerteschaltung da wohl angebracht wäre. Da Dir aber anscheinend doch entscheidende Grundkenntnisse der Elektronik fehlen, solltest Du Dein Projekt zweckmäßigerweise aufgeben. > Ich habe überlegt, ob eventuell bei einem analogen Wecker ein > mechanischer Vorgang stattfindet, der einen Stromkreis schließt, Bei vielen Weckern wird das wohl so sein, aber ich vermute, das Dir auch da die Grundkenntnisse fehlen, um da an den richtigen Stellen umzubauen. Vielleicht solltest Du Dir einfach eine Steckdosenschaltuhr kaufen. Dort steckst Du ein Steckernetzteil rein und bekommst dann ein brauchbares Kleinspannungssignal, mit dem Du beliebige Vorgänge auslösen kannst. Gruss Harald
@Harald: Ich nehme an das ist ein gut gemeinter Rat. Ich bin jedoch der Meinung, mit genug Zeit und Ehrgeiz ist vieles zu schaffen und ob ich aufgebe oder nicht bleibt mir überlassen. Vorerst habe ich die Motivation noch nicht verloren und freue mich weiterhin über konstruktive Kommentare. Gruß, Phil.
OK, jetzt hab ich malwieder ne ganz dumme Frage: Kann ich den NE555 überhaupt mit einer Batterie betreiben? Mir fehlt ja irgendwie dann der GND Anschluss. Prinzipiell hatte ich nicht vor den Wecker über Steckdose laufen zu lassen. Danke wie immer für die Hilfe! Gruß, Phil.
Hilli schrieb: > @Harald: > Ich nehme an das ist ein gut gemeinter Rat. Ich bin jedoch der Meinung, > mit genug Zeit und Ehrgeiz ist vieles zu schaffen Genau, am besten schafft man das mit einer dreijährigen Lehre. :-)
Danke für den Hinweis Harald, ich werde es beherzigen. Back 2 Topic: Hilli schrieb: > OK, jetzt hab ich malwieder ne ganz dumme Frage: > Kann ich den NE555 überhaupt mit einer Batterie betreiben? Mir fehlt ja > irgendwie dann der GND Anschluss. Prinzipiell hatte ich nicht vor den > Wecker über Steckdose laufen zu lassen. > > Danke wie immer für die Hilfe! > Gruß, > Phil. Danke!
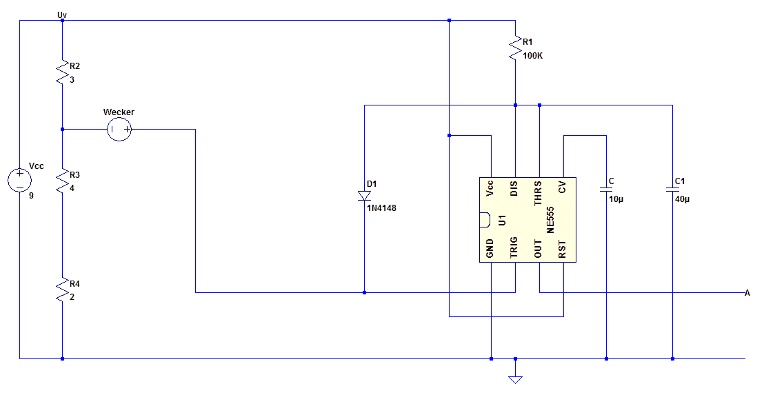
Hilli schrieb: > Kann ich den NE555 überhaupt mit einer Batterie betreiben? Mir fehlt ja > irgendwie dann der GND Anschluss. Das kannst du schon machen, aber ein gemeinsamer GND ist Voraussetzung damit die Schaltung richtig funktioniert. Einfach Batterie- mit Masse des Weckers verbinden. Hilli schrieb: > Ich wollte das Signal jetzt gleichrichten, verstärken, invertieren und > anschließend den 6V überlagern. Das meinte ich bereits bei meinen vorhergehenden Antworten. Du musst das Signal so aufbereiten, dass der 555 korrekt arbeiten kann. Deine Schaltung funktioniert so nicht, wenn ich deine Logik richtig verstanden habe. Im Anhang findest du in etwa, was du zur Aufbereitung des Signals benötigst. Bei Fragen gerne wieder :-)
Hey Mick. Riesen Dankeschön für deine Mühen wie immer!! Ich wollte gerade mal kurz nur eine Verschnaufpause machen und meine bisherigen Stand posten, deswegen probiere ich deine Schaltung später erst aus. Ich habe jedoch so das Gefühl, ich bin durch wirres rumprobieren auf etwas ähnliches gekommen, ich habe die Schaltung mal in den Anhang geladen. Prinzipiell kommt so zumindest das raus, was ich will. Ob das jetzt eine allzutolle Schaltung ist weiß ich natürlich nicht. Ich vergleiche dann später mal mit deiner Lösung. @alle: Ich habe die Schaltung jetzt auch mal um weitere Elemente ergänzt. Der Plan ist, alles über eine 9V Blockbatterie zu betreiben. Entsprechend habe ich Spannungsteiler für den Wecker (3V) das MP3 Modul (5V) und den LEGO Motor (9V) eingebaut. Die Dimensionierung von den Widerständen ist teils durch Rechnen und teils durch Probieren entstanden, kA ob das so angemessen ist. Weiterhin habe ich an den Ausgang des NE555 ein Relais geschaltet. Zuerst wollte ich die 9V für Motor und MP3 Modul direkt an den Ausgang schließen, allerdings hat mir die Simulation mit LTSpice ein recht eigenartiges Verhalten der Spannung gezeigt, also habe ich es jetzt so gemacht. Falls jemand Lust und Laune hat würde ich mich sehr freuen, wenn er/sie mal die Schaltung betrachten könnte, ob das überhaupt brauchbar ist oder eher für die Mülltonne geeignet ;) Sofern das soweit machbar ist fehlt eigentlich nurnoch eins. Und zwar benötigt das MP3 Modul einen kurzen Tasterdruck zum Starten. Ich würde also etwas ähnliches wie ein Relais benötigen, dass jedoch nur kurz schließt. Für Hintergrundinformationen gibt es hier die Anleitung zum MP3 Modul: http://files.elv.de/Assets/Produkte/9/928/92853/Downloads/92853_msm2_bda.pdf Hier wird weiterhin eine Ansteuerung über Schmitt-Trigger, Monoflop oder Optokoppler vorgeschlagen, um ein Prellen zu verhindern. Es scheitert bei mir jedoch bereits daran, wie ich aus einem konstanten Gleichstrom einen kurzen Impuls machen kann. Weiß hier malwieder jemand Abhilfe? Danke für jede Hilfe! Gruß, Phil.
Zusatz: V(e) ist das Signal direkt hinter dem Wecker, eine etwas abstrahierte Form von dem zuvor gemessenen Signal. V(a) liegt am Ausgang des NE555 an.
Also wenn dass wirklich mit einem 9V Block (500mAh) betrieben werden soll ist der nach 5 Tagen leer wegen der Ruhestromaufnahme des NE555 von etwa 4mA! Es sollte also wenn überhaupt dann die CMOS Variante (LMC555) verwendet werden! Und das mit den 0,7V am Piezoausgang ist warscheinlich nicht korrekt. Ich gehe da mal von mehr aus. Die meisten Uhren haben ja schon 2x1,5V Batterien also 3V Betriebsspannung. Ich habe von Elektronik jetzt auch nicht so gute Ahnung aber ich würde erstmal die Schaltung wie am Anhang auf dem Steckbrett aufbauen und dann losexperimentieren was die Werte betrifft.
Hey svep, danke für deine Antwort! OK, die Sorge mit der Laufzeit hatte ich auch schon, war mir jedoch nicht sicher.. Das heisst der NE555 saugt wirklich dauerhaft Strom. Saublöd.. So ganz spontan hätte ich jetzt mal das hier gefunden: http://www.atx-netzteil.de/zeitschalter_ohne_ruhestrom.htm Weiß nicht ob das sinvoll ist. Ein retriggerbares Monoflop mit dem LMC555 Timer sieht auf den ersten Blick wiederum um einiges komplizierter aus.. Zu den 0,7V: Der Wecker, den ich jetzt hier habe läuft mit einer 1,5V Batterie, von daher könnte es schon sein denke ich. Und die Schaltung, die ich bisher hatte, funktioniert auch wenn die Spannung vom Weckersignal höher ist. Ich denke ich könnte auch bei höherer Amplitude bei der aktuellen Schaltung bleiben, müsste dann halt doch einen Stromanschluss über USB oÄ verbauen.. Naja gut, aber dann evtl. doch nochmal umdenken. Zum Verständnis für den Laien, in dem Schaltbild hast du zwei Eingänge am IC und einen Ausgang, der CD4093 hat aber ja nen ganzen Haufen an Kontakten. Ich gehe also mal davon aus, du verwendest hier nur die Eingänge an den Pins 1 und 2 und den Ausgang an Pin 3 richtig? Und noch die Pins 7 und 14 für die Versorgungsspannung.? Ich probiere mal ein bisschen in die Richtung rum, vielen vielen Dank auf jedenfall für den Hinweis und den Lösungsansatz! Grüße, Phil.
Also so ganz auf die Schnelle hat die Schaltung in LTspice jetzt nicht das gewünschte Ergebnis. Da kommt nur ein minimaler Peak im femto Volt Bereich raus :) Falls jemandem dazu noch was einfällt.. Ansonsten probiere ich morgen weiter.
Hallo zurück! Ich habe jetzt etwas über ICs recherchiert. Mit dem 4093 konnte ich leider keinen retriggerbaren Monoflop finden, nur einen normalen Monoflop, mit recht kurzer Schaltdauer: http://www.mikrocontroller.net/attachment/186123/MONOFLOP.GIF Lässt sich diese Schaltung irgendwie für meine Anforderungen erweitern? Ich bin weiterhin auf die ICs 4098 und 4538 gestoßen, die von Haus aus retriggerbare Monoflops zu sein scheinen. Allerdings werde ich aus den Datenblättern nicht wirklich schlau, kennt sich hier jemand damit aus und hätte eine Idee ob und wie ich die Teile für meine Anwendung gebrauchen könnte? Sorry übrigens nochmal im Nachhinein, dass ich vergessen hatte, den gewünschten Batteriebetrieb zu erwähnen. Das hätte uns allen möglicherweise viel Zeit erspart :/ Danke wie immer für jede Hilfe! Gruß, Phil.
Hilli schrieb: > Ich bin weiterhin auf die ICs 4098 und 4538 gestoßen, die von Haus aus > retriggerbare Monoflops zu sein scheinen. Wenn man ein retriggerbares Monoflop braucht, sollte man am besten ein IC nehmen, das das von sich aus kann, und nicht eine andere Schaltung irgendwie hinbiegen. Das allzeit beliebte 555-IC ist übrigens nicht retriggerbar. > Allerdings werde ich aus den Datenblättern nicht wirklich schlau, Eigentlich steht da alles drin was man braucht, was genau verstehst Du denn da nicht?
Hallo Harald, danke für deine Antwort. OK du hast natürlich recht, das Datenblatt ist auf den zweiten Blick um einiges verständlicher als gedacht. Was ich jetzt jedoch nicht rauslesen konnte, ist die für den Trigger notwendige Spannung. Aus den Tabellen werde ich in der Tat nicht allzu schlau. Kannst du mir hier weiterhelfen? Versorgungsspannung würde ich vermutlich 9V anlegen, falls das relevant ist. Und ganz allgemein, ist die Verwendung eines ICs hier sinvoll oder eher nicht? Danke! Gruß, Phil.
Hilli schrieb: > Sorry übrigens nochmal im Nachhinein, dass ich vergessen hatte, den > gewünschten Batteriebetrieb zu erwähnen. Dein ganzes Setup mit Batterie zu betreiben, wird dich nicht glücklich machen. Mit einem 9V Block stehen dir max. 200 - 600 mAh zur Verfügung. Damit soll der Wecker (vernachlässigbar), die Piezo Überwachung, das MP3 Modul, ein Relais und ein LEGO Motor mit Strom versorgt werden. Nach max. ein paar Tagen müsste dann die Batterie ausgetauscht werden, auch wenn die Peripherie jeweils nur kurz läuft.
Hey Mick! Danke für deine Antwort. Hm OK, das sollte man evtl wirklich im Vorfeld überlegen :) Ich hatte angenommen die Schaltung hinter dem Wecker würde keinen oder nur sehr wenig Ruhestrom ziehen. Von daher wäre in meinem Gedankengang nur mehr Strom weggegangen solange der Wecker klingelt und das ist ja nicht allzu oft. Aber du hast natürlich auch recht, das ist trotzdem nicht vernachlässigbar.. Nach kurzem nachschlagen: MP3 Modul: 50-500mA (abhängig von Lautstärke) LEGO Motor: 3-350mA (abhängig von Last, 3: Leerlauf; 350: blockiert) Also maximal ca. 850mA Wenn ich jetzt mal annehme, der Wecker wäre jeden Tag 1 Minute aktiv hätte ich ca. 14mAh pro Tag. Bei Vernachlässigung von allem anderen würde der Wecker dann ca. 40 Tage laufen... Hm.. OK, fürn Wecker etwas nervig, wenn man einmal im Monat Batterie wechseln muss.. Aaaalles klar, dann wohl doch Steckdosen Betrieb. Oder eine Powerbank integrieren xD Naja gut, jetzt überlege ich nochmal, ob ich bei der NE555 Schaltung bleibe oder mich am IC versuche. Zu der NE555 Schaltung noch kurz die Frage an dich Mick: Welchen Zweck haben bei deiner Schaltung R1, R2 und C1 ? Das ist ja der Hauptunterschied zu meiner Try-and-Error-Lösung. Danke! Gruß, Phil.
Hilli schrieb: > Welchen Zweck haben bei deiner Schaltung R1, R2 und C1 ? Das ist ja der > Hauptunterschied zu meiner Try-and-Error-Lösung. C1 ist der Entkoppelkondensator. Spannung geht erst durch, wenn der Piezo aktiviert wird. R1 und R2 bilden den Spannungsteiler und liefern Vcc/2. Bei aktivem Piezo schwingt dann die Spannung durch Vcc/2.
Hilli schrieb: > Was ich jetzt jedoch nicht rauslesen > konnte, ist die für den Trigger notwendige Spannung. Bei den Logikfamilien gibt es meist ein "Familiendatenblatt", wo solche Sachen drinstehen. Bei CMOS-Logik ist typisch alles unter 1/3 Ub Low und alles über 2/3 Ub High. Den Zwischenbereich sollte man besser vermeiden.
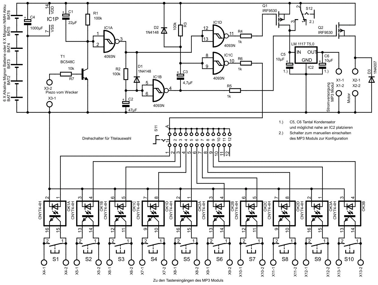
Ich habe meine Schaltung mal live ausprobiert. Mit Erfolg: https://www.youtube.com/watch?v=GKabQ0PQfJY gelbe LED: zeigt Piepen der Uhr an grüne LED: zeigt den Motorsteuerausgang rote LED: demonstriert den Impuls für den (nicht vorhandenen) MP3 Player Anbei habe ich die Schaltung etwas erweitert um eine Treiberstufe für den Motor. Außerdem die Eingänge des vierten nicht benutzten NAND-Gatters auf Masse gelegt (damit der nicht schwingt und Störungen verursacht). Betriebsspannung und die PIN-Nummern des CD4093 sind nun auch eingezeichnet. Den Ruhestrom habe ich auch gemessen und der beträgt 0,1µA !! Das mit dem Stromverbrauch ist natürlich heftig für einen 9V Block. Probleme könnte auch der höhere Innenwiderstand des 9V Blocks machen. Besser wäre ein Batteriehalter mit 6 Mignons die deutlich kleinere Innenwiderstände haben (wenn man die richtigen kauft) Eine Nuß wäre da aber noch zu knacken. Und zwar daß der MP3 Player ja 5V braucht. Da braucht es ja erstmal einen Spannungsregler der ja leider auch wieder Ruhestrom verballert...
Hey svep! Haha absoluter Wahnsinn! :DD Da zerbrösel ich mir 2 Wochen den Kopf und du zauberst das mal so mit links hin. Naja wie Harald schon angemerkt hat, so 3 Jahre Lehre (oder Ähnliches) sind halt ned verkehrt :) Ich habs mal im LTspice probiert, da passt wohl was mit der Simulation nicht. Die IC4000 Serie musste ich extra importieren, evtl macht da was Probleme. Aber ist ja egal. So mal ganz blöd, zwecks des Problems mit dem Spannungsteiler. Wenn ich 6x1,5 Volt Batterien verwende, könnte ich da direkt auch einfach 3x1,5 abgreifen oder? Das MP3 Modul läuft mit 4,5 bis 5,5 Volt... Neben der Spannung für den MP3 Player fehlt dann ja prinzipiell auch noch die Versorgung vom Wecker, mit 1,5 oder 3V, je nachdem, was für einen Wecker ich dann letztendlich habe. Wegen der Laufzeit, die Überschlagsrechnung war auch etwas hoch dimensioniert, das MP3 Modul wird vermutlich nicht auf voller Lautstärke laufen und der Motor blockiert ja nicht vollständig. Und 1min pro Tag ist evtl auch etwas viel gerechnet. Sofern das Spannungsteiler Problem irgendwie lösbar wäre, wie ist denn deine Einschätzung, wäre ein Batteriebetrieb sinvoll oder eher nicht? Gruß und riesen mega Dankeschön für deine Mühen! Phil.
Also die Uhr würde ich weiter mit den Batterien im Batteriefach der Uhr betreiben und nur die beiden Leitungen des Piezos herausführen. Also mit Mignon Batterien macht der Batteriebetrieb der Schaltung schon sinn. Ja, rein rechnerisch wären 3 Mignon (4,5V) zur Versorgung des MP3 Moduls ideal. Aber wenn du dir die Entladekurve einer Mignon mal anschaust erkennst du dass die Spannung der Batterie über ihre Lebensdauer kontinuierlich abfällt. Schon nach kürzester Zeit fällt die Spannung einer Zelle unter die 1,5V und der MP3-Player würde nicht mehr funktionieren obwohl die Batterien noch "randvoll" sind. Richtig gut designte batteriebetriebene Geräte saugen die Batterien bis auf 0,9V leer. http://batterietest-online.com/bilder/test-201001/gesamtkurve.jpg Ich habe mir die Anleitung von dem MP3-Player Modul mal angeschaut und folgenden Absatz als interessant für dein Problem gefunden: Autoplay (Firmware 1.1) mit der „Autoplay“-Funktion lässt sich beim Einschalten des mSm2 automatisch eine Play-Liste wiedergeben. Dabei handelt es sich um die „AUTOPLAY.TXT“, welche wie eine normale Play-Liste aufgebaut ist und ebenso die Sonderfunktionen unterstützt. Im Download-Beispielpaket ist eine Autoplay-Liste als Beispiel enthalten. Aufruf der Autoplay-Funktion: · Taste 1 und 4 gleichzeitig lange (>10 Sekunden) betätigen „Autoplay“ aktivieren/deaktivieren · Bei aktiviertem „Autoplay“ wird nach Spannungszufuhr automatisch die „AUTOPLAY.TXT“ abgespielt. Es sieht so aus als könnte man sich den Teil meiner Schaltung die den kurzen Impuls erzeugt sparen und einfach das MP3 Modul mit dem Motor zusammen einschalten. Deshalb würde ich einen Spannungsregler vorschlagen der vor das MP3 Modul geschaltet wird und diese Einheit dann einfach zusammen mit dem 9V Motor Ein- und Ausschalten. Warscheinlich wird das MP3-Modul dann aber später loslaufen als der Motor da sich das Modul bestimmt erst initialisieren muss nach dem es eingeschaltet wurde. Darüber habe leider keine Angabe gefunden. Als Spannungsregler würde ich den LM 1117 T5,0 probieren. Man könnte aber auch den Motor durch kleine Veränderung der Schaltung verzögert einschalten, dann würden beide Geräte etwa zur gleichen Zeit loslaufen.
Hilli schrieb: > Wenn ich > 6x1,5 Volt Batterien verwende, könnte ich da direkt auch einfach 3x1,5 > abgreifen oder? Warum nicht gleich 4 x Mignonakku für 4,8V? Wozu brauchst Du denn unbedingt 9V? > noch die Versorgung vom Wecker, mit 1,5 oder 3V, je nachdem, was für > einen Wecker ich dann letztendlich habe. Der braucht ja nicht viel Strom. Das kannst Du mit einem Parallel- Regler mit einer roten oder blauen LED als "Referenzelement" machen. Gruss Harald
Hallo zurück, Wiedereinmal danke für die Antworten! @svep: Ein extra Batteriefach für den Wecker wäre sicherlich am einfachsten. Ungünstig ist dann nur der Fall, wenn die Stromversorgung der Weckfunktion aufgebraucht ist.. Dann läuft die Uhr weiter, der Wecker weckt aber nicht. Das würde dann heißen, immer einmal verschlafen, bevor man merkt, dass man die Batterie wechseln muss. Deswegen dachte ich, eine einzige Stromversorgung wäre am besten. Sodass ein notwendiger Batteriewechsel gleich ersichtlich wird, wenn die Uhr aus geht. Hm OK, dann wird das mit den 3x1,5V echt nicht allzulange halten.. schade. Zu der Autoplay Funktion: Ne Kleinigkeit, die ich noch nicht erwähnt hatte, weil ich mich aufs wesentliche beschränken wollte. Ich würde noch gerne einen Drehschalter anbringen, mit dem man zwischen unterschiedlichen Wecktönen wählen kann ;) Daher der kurze Impuls, sodass abhängig von der Stellung des Drehschalters unterschiedliche Pins kurzgeschlossen werden können. So ganz komme ich dann nicht mehr mit. Hängt das Weglassen des Impulses und direkte Ansteuern des MP3 Moduls über Autoplay mit der Verwendung des Spannungsreglers zusammen? Könnte man den Spannungsregler für das MP3 Modul nicht auch einfach in deine bestehende Schaltung integrieren? Ein Verzögertes Einschalten von Motor und MP3 Modul fände ich persönlich jetzt nicht extrem schlimm. Falls es sich einfach umgehen ließe wäre das schön, müsste aber nicht sein. Sorry für die blöden Fragen, aber das übersteigt jetzt alles endgültig meine kaum vorhandenen Kenntnisse... ;) @Harald: Die 9V sind leider für den LEGO Motor nötig. Mit weniger Spannung läuft er nicht stark genug, um meine Konstruktion anzutreiben ;) weisst schon, Bettdecke wegziehen und so. Parallelregler OK, aber bei dem Referenzelement komme ich nicht mehr mit?.. Riesen Dankeschön wieder an alle! Gruß, Phil.
Hilli schrieb: > Die 9V sind leider für den LEGO Motor nötig. Mit weniger Spannung läuft > er nicht stark genug, um meine Konstruktion anzutreiben Da wäre möglicherweise ein Step up sinnvoll. Oder der Wechsel des Motors gegen einen 6V-Typ.
Normalerweise werden hier Anleitungen für Bombenzünder gelöscht, wie so vieles.
Hey Harald, danke für deine schnelle Antwort! Im Internet habe ich mal kurz nach dem Ruhestrom von einem solchen Step Up geschaut und einen Wert von 10mA gefunden. Das wäre dann wiederum für den Batteriebetrieb suboptimal. Im Prinzip ist das ja jetzt das letzte Problem.. Also einerseits ein möglichst geringer Verbrauch der Schaltung und andererseits auch die Möglichkeit einen notwendigen Batteriewechsel rechtzeitig zu erkennen. Falls das alles nicht möglich ist, würde ich evtl nur den Wecker mit einer Batterie betreiben und den Rest über die Steckdose und einen USB Adapter. Der würde mir ja 5V liefern. Dazu dann einen Spannungswandler, der mir 9V für den Motor ausgibt. Damit wäre man dann auf der sicheren Seite.. Cooler wäre es natürlich ohne Steckdose, aber man kann nicht alles haben ;) Wie ist eure Einschätzung? Danke malwieder! Grüße, Phil.
Hilli schrieb: > Im Internet habe ich mal kurz nach dem Ruhestrom von einem solchen Step > Up geschaut und einen Wert von 10mA gefunden. Das wäre dann wiederum für > den Batteriebetrieb suboptimal. Den Step up schaltet man natürlich nur ein, solange der Motor läuft. Andererseits ist in Deinem Legokastenmotor vermutlich ein Motor in Standardgrösse drin, den man dann auch gegen einen anderen Motor austauschen kann. Für Hochstromanwendungen ist jedenfalls ein 9V-Block denkbar ungeeignet.
Hey Harald, stimmt natürlich, Denkfehler meinerseits. Hm. Also falls ich den Motor austauschen wollen würde, müsste ich da mit ziemlicher Gewalt vorgehen, um das Gehäuse zu öffnen. Weiß nicht ob ich das will. Hab nur einen Motor :D Ich hab mir das jetzt nochmal bissl durchn Kopf gehen lassen, ich denke ich werde es so machen, dass der Wecker über Batterie läuft. Sodass die Uhrzeit immer ablesbar ist. Und den Strom für die restlichen Bauteile würde ich dann wie gesagt über einen USB Adapter ziehen. Das erscheint mir gerade als sinvollste Lösung. Ich bin erstmal bis Sonntag weg, freue mich aber natürlich über weitere Ideen, Hilfestellungen und Alternativvorschläge bis dahin. Ansonsten schaue ich dann, dass ich mit meinem rudimentären Wissen die Schaltung von svep soweit durchschaue, dass ich sie für meine Zwecke vervollständigen kann. Dann mit Spannungswandler, etc. Wenn ihr mir das dann nochmal absegnet, dann würde ich die Teile bestellen und mich ans basteln machen :) Also zum 1000sten mal riesen Dankeschön für die tolle Hilfe und dann bis Sonntag oder auch Montag. Schönen Vatertag und schönes Wochenende an alle! Gruß, Phil.
ich habe mir soetwas mal vor langer Zeit als Junge aus einem analogen, rein mechanischen Wecker gebaut, damit mich mein Röhrenradio weckt: 1) den Hammer für die Glocke abgeschnitten. 2) seitlich der Aufzugsfeder für das Klingeln eine vom Gehäuse isolierte Schraube ins Blechgehäuse gedreht (zB. mit Isoscheibe vom Transistor). Hier kommt die geschaltete Leitung dran, ans Gehäuse minus. Dehnt sich die vorher aufgezogene Feder zur Weckzeit dann aus, wird die Feder grösser, berührt die Schraube und schliesst so den Kontakt zum Gehäuse (Masse). An den Draht mit der Schraube kommen nun zB. 12V über eine passende Relaisspule. => Relais zieht an und schließt den Arbeitskreis. Nehmts bitte humorvoll, es hat jahrelang funktioniert, ist aber heute wohl nicht mehr ganz zeitgemäss. Vieleicht hat ja Oma noch so einen Wecker zum Aufziehen? Gruß, Uli
So die Sache wollte mir nicht aus den Kopf. ;-) Habe die Schaltung noch einmal umgestrickt so das auch ein Lied mit einem Drehschalter am MSM 2 Modul ausgewählt werden kann. Der Ablauf ist nun folgender: Wenn der Wecker losklingelt wird erstmal nur die Betriebspannung des MSM 2 eingeschaltet und das Ding hat Zeit sich zu initialisieren. Anschließend wird der Motor eingeschaltet und zeitgleich ein kurzer Tastenimpuls für das MSM 2 erzeugt. Hier ein neues Video: https://www.youtube.com/watch?v=oFpwGN8D5ik gelbe LED: Piepen der Uhr grüne LED: symbolisiert Stromversorgung MSM 2 blaue LED: Tastenimpuls für MSM 2 weiße LED: Motoransteuerung Der Ruhestrom liegt weiterhin bei 0,1µA. Batteriebetrieb also kein Problem. Kann natürlich sein dass man den einen oder anderen Wert der Bauteile noch anpassen muss.
Hallo zurück, vom Handy und Hotel aus ;) @Uli: Ja das is natürlich die old-school Variante, leider nicht so ganz passend für meine Anwendung ;) @svep: Oh mann du bist ja der absolute Hammer ! !! Kann ich dir irgendwie nen Kasten besten fränkischen Bieres zukommen lassen oder ähnliches? :) Ich hab ez mal versucht das ganze soweit wie für mich möglich nachzuvollziehen. Zumindest in Bezug auf Ein- und Ausgang. Funktioniert der Schalter S12 so, dass ich im Anschluss über den Drehschalter eine Liedwahl treffen kann? Also wird jedesmal beim Drehen des Schalters ein erneuter Impuls an das Modul gesendet, sodass eine andere Mp3 Datei abgespielt wird? Ich wollte nämlich noch einen extra 'demonstrations-Schalter' anbringen, bei dem einerseits die unterschiedlichen Weck-Songs angehört werden können und andererseits der Mechanismus startet. Und einen weiteren Schalter, mit dem der Lego Motor komplett abgeschaltet werden kann, falls er nervt. Naja, wie gesagt, ich bin Sonntag wieder daheim, dann versuche ich nochmal das ganze n bissl zu durchschauen. Also nochmal svep, vielen vielen vielen dank!! Das mitm Bier war kein Witz ;) Gruß, Phil.
Achso, das hatte ich noch vergessen, ist die Amplitude des Weckersignals hier ausschlaggebend? Und reicht es für die feinjustierung Potis für die Widerstände einzusetzen oder müssen evtl auch die Kapazitäten angepasst werden?
Uli schrieb: > Nehmts bitte humorvoll, es hat jahrelang funktioniert, ist aber heute > wohl nicht mehr ganz zeitgemäss. Vermutlich auch schon damals nicht. Wesentlich eleganter geht (ging) das mit einem Mikroschalter. Wenn man den richtig isoliert, kann man sogar 230V schalten.
Hallo zurück, also um es kurz zu machen, ich brauch natürlich wieder Hilfe, möchte aber hier nicht alles mit dummen Fragen zumüllen. Svep, falls du das hier die Tage liest und Zeit Lust Muse hast mir bei der Umsetzung noch weiterzuhelfen, dann wäre es saucool wenndu dich einfach mal bei mir meldest. Ich wäre erreichbar unter der Email chefk0ch@web.de Wir können das dann auch auf Skype oder ähnliches verlegen, mag jetzt hier nur nicht meine kompletten Kontaktdaten öffentlich reinschreiben ;) Ich werd auch versuchen, die Fragen auf ein Minimum zu beschränken, um dir nicht noch mehr Zeit zu rauben, hast ja eh schon mehr als genug investiert! Falls dir das gerade eher nicht passt, dann wäre es cool, wenn du mir das auch einfach kurz mitteilen könntest. Nur damit ich bescheid weiß, dann bestelle ich wild Bauteile und gehe per Try and Error vor :D Vielen Dank wie immer! Grüße, Phil.
Ich würde es mal mit einem passiven Glasbruchmelder versuchen, der nahe zum Summer bzw. auf die Schellen geklebt ist. http://www.reichelt.de/Alarmsensoren/FU-7301W/3/index.html?ACTION=3&GROUPID=3482&ARTICLE=142392&OFFSET=30&WKID=0& Diese Teile reagieren nämlich auch auf viele andere Schwingungen. Man kann sie sogar durch anschreien auslösen :-)
So Leute, ich möchte mich nochmal herzlich für die tolle Mithilfe bedanken, ganz besonderen Dank schulde ich svep, der mich bei der Umsetzung noch fließig unterstützt hat :) Für die, die es interessiert, hier eine kleine Übersicht von dem Gesamtprojekt, inklusive Ergebnis samt Videos am Ende: https://www.dropbox.com/sc/eyiw9nd1o9m4jii/AACC0RlEpJwP23pY5j8dBo6Fa#/ Grüße und alle gute, Phil.
Hilli schrieb: > roflcopter : > Gegen den Mikrocontroller spricht inzwischen weniger das Geld, als die > Programmierung an sich. Bin mir nicht sicher, ob ich das hinkriege. Aber > wie gesagt, es bleibt als Variante im Hinterkopf. tu das billigster Arduino nano aus China For Arduino EUR 2,31 Sofort-Kaufen + EUR 0,14 Versand http://www.ebay.de/itm/New-USB-Nano-V3-0-ATmega328-16M-5V-Micro-controller-CH340G-board-For-Arduino-/351399687619?pt=LH_DefaultDomain_15&hash=item51d10db5c3 dazu ein usb mini kabel http://www.ebay.de/itm/USB2-0-Kabel-USB-Mini-B-Stecker-USB-A-Stecker-schwarz-/131539536864?pt=LH_DefaultDomain_77&hash=item1ea05e0be0 kostenlose Arduino IDE https://www.arduino.cc/en/pmwiki.php?n=Main/Software Ein RTC Uhrmodul mit Akku oder Batterie http://www.ebay.de/itm/DS1307-I2C-Real-Time-Clock-AT24C32-I2C-EEPROM-Board-Batterie-CR2032-/201278006037?pt=LH_DefaultDomain_77&hash=item2edd1aa315 oder Achtung genau lesen ob mit LIR2032 (Akku) oder nicht, die LIR sind hier verdammt teuer mit Versand. http://www.ebay.de/itm/2pcs-DS3231-AT24C32-IIC-Module-Precision-RTC-Module-Memory-Module-/201212456456?pt=LH_DefaultDomain_0&hash=item2ed9326e08 bin grad bei 5,50 € ach ja die LIB für das Uhrenmodul https://code.google.com/p/ds1307new/ https://code.google.com/p/ds1307new/wiki/Reference
Stefan U. schrieb: > Sieht echt super aus stimmt war ich wohl spät, aber die Anregung nehme ich gerne mit für die Binninger Uhr https://de.wikipedia.org/wiki/Berlin-Uhr da das Gehäuse eh aus Lego wird.
Bitte melde dich an um einen Beitrag zu schreiben. Anmeldung ist kostenlos und dauert nur eine Minute.
Bestehender Account
Schon ein Account bei Google/GoogleMail? Keine Anmeldung erforderlich!
Mit Google-Account einloggen
Mit Google-Account einloggen
Noch kein Account? Hier anmelden.









