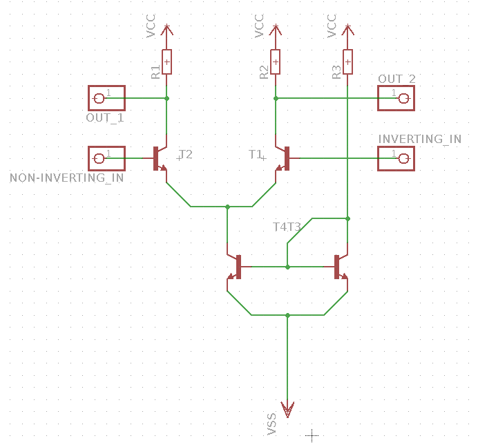
hallo, habe mich gerade mit dem Differenzverstärker beschäftigt und eine Sache verstehe ich nicht: Wenn beide Stränge des Verstärkers symmetrisch sind, wie kommt es dann, dass der eine Eingang invertierend ist und der andere nicht? Anbei eine Schaltung eines Differenzverstärkers mit Stromspiegel, damit klar ist, worauf sich meine Frage bezieht. Also ich denke mir: in dieser Schaltung werden T1 und T2 genau gleich beschaltet, also müssten sie doch auch das gleiche Verhalten haben?! \*verwirrung*
Jürgen Pr schrieb: > Wenn beide Stränge des Verstärkers symmetrisch sind, > wie kommt es dann, dass der eine Eingang invertierend ist und der andere > nicht? Weil sie nicht symmetrisch sind, deine Zeichnung ist Quatsch. Es gibt beim Differenzverstärker kein OUT_2 (oder OUT_1) sondern nur 1 OUT, und da wirkt halt der eine Eingang bei steigender Spannung anhebend und der andere bei steigender Spannung absenkend drauf.
MaWin schrieb: > Es gibt beim Differenzverstärker kein OUT_2 (oder OUT_1) sondern nur 1 > OUT, und da wirkt halt der eine Eingang bei steigender Spannung anhebend > und der andere bei steigender Spannung absenkend drauf. Ich habe aber schon öfter Differenzverstärker mit 2 ausgängen gesehen,zum Beispeil im "Tietze und Schenk", der "Bibel" der Elektrotechnik ;-)(oder kannst ja mal differenzverstärker bei google bilder googlen)
Jürgen Pr schrieb: > Also ich denke mir: in dieser Schaltung werden T1 und T2 > genau gleich beschaltet, also müssten sie doch auch das > gleiche Verhalten haben?! Sicher. Soweit richtig. Jetzt möchte ich das Signal aus Deinem Differenzverstärker aber unsymmetrisch weiterverarbeiten. Das bedeutet: Meine Schaltung hat nur einen Eingang und erwartet das Signal als Spannung gegen Masse. Was machst Du nun?
Die meisten OPV haben nur einen Ausgang nach ausen geführt, und auf diesen wirkt sich ein Eingang invertieren, der andere nichtinvertierend aus. Hat ein OPV einen symmetrischen Ausgang (also zwei gegenphasige Ausgänge), dann ist das Auslegungssache, was man als invertierenden/nichtinvertierend Ein/Ausgang betrachtet. So eigentlich auch bei Deiner Basisbeschaltung.
Hallo du hast eine symmetrische Differenzstufe gezeichnet. Beide Seiten sind gleich, aber wenn du nur einen (!) Ausgang verwendest hast du einen invertierenden und einen nicht invertierenden Eingang.
auch bei voll symmetrischen Aufbauten kennzeichnet man oft die beiden Teile eines Differenzsignals mit + und -, damit man Leitungen einen eindeutigen Namen haben. Die Zuordnung ist zunächst mal willkürlich, aber hat man sich an einer Stelle mal festgelegt, dann muss man es konsequent weiterziehen. Also: wenn an T2 der ninv Eingang ist, dann ist Out 1 der inv Ausgang. Hätte man beide genau umgekehrt definiert, dann wäre es ebensogut gewesen.
Jürgen Pr schrieb: > hallo, > > habe mich gerade mit dem Differenzverstärker beschäftigt und eine Sache > verstehe ich nicht: Wenn beide Stränge des Verstärkers symmetrisch sind, > wie kommt es dann, dass der eine Eingang invertierend ist und der andere > nicht? > > Anbei eine Schaltung eines Differenzverstärkers mit Stromspiegel, damit > klar ist, worauf sich meine Frage bezieht. Bist du blind? Inwiefern ist diese Schaltung denn symmetrisch? Aber natürlich gibt es auch wirklich symmetrische Schaltungen. Da kommt die Asymmetrie dann daher, daß man (willkürlich) einen der Ausgänge als positiv und den anderen als negativ festlegt. Die Symmetrie besteht dann darin, daß man die Eingänge vertauschen kann, wenn man auch die Ausgänge vertauscht. Anonsten mag es helfen, wenn man die Eingänge nicht invertierend und nichtinvertierend nennt, sondern den einen als Bezugspunkt für den anderen ansieht. Und bei den Ausgängen genauso. Denn daß macht ja gerade den Differenzverstärker aus: daß seine Eingangs- und Ausgangsspannung sich nicht auf ein GND-Potential bezieht, sondern als Differenz zwischen den Eingängen bzw. den Ausgängen auftritt.
Axel Schwenke schrieb: > Bist du blind? Inwiefern ist diese Schaltung denn symmetrisch? Na dann fürchte ich, ich bin tatsächlich blind. Für mich ist die Schaltung aus dem ersten Beitrag auch beim dritten Nachschauen zu 100% symmetrisch. Der Stromspiegel zur Einstellung des Ruhestroms bringt zwar eine optische Assymetrie, weil er zufällig nach rechts gezeichnet ist. Aber er prägt ja lediglich den Strom in den gemeinsamten Knoten von T1 und T2 ein (also "in die Mitte beider Verstärkerzweige") und bricht damit die Symmetrie des Aufbaus nicht.
Jürgen Pr schrieb: > Ich habe aber schon öfter Differenzverstärker mit 2 ausgängen > gesehen,zum Beispeil im "Tietze und Schenk", Also in der Theorie... (Instrumentenverstärker haben einen Ausgang und einen Bezugsanschluss der normalerweise an Masse kommt, also an die Spannung, die rauskommen soll, wenn die Eingänge gleich sind. Die sind symmetrisch und es können OUT und REF vertauscht werden, aber dann muss man auch die Eingangsbezeichnungen vertauschen, d.h. die Eingänge sind so beschriftet, weil nur ein Ausgang als OUT bezeichnet wird).
bei Instrumentenverstärkern hat man schon eine deutliche Asymmetrie, weil Out ein niederohmiger Ausgang und Ref ein "mittelohmiger" Eingang ist ;-) Aber klar gibt es auch jenseits der Theorie voll symmetrische Verstärker wenn es darauf ankommt, Störungen klein zu halten (fully differentially OpAmp, z.B. THS452x, AD8132, .....)
Richtig. Bei volldifferenziellen Verstärkern ist ja eine Größe unbestimmt: Die Common-Mode-Ausgangsspannung. Die kann bspw. mit einem REF-Eingang festgelegt werden. Volldiff. Verstärker sind als diskrete Bauteile rar - innerhalb von ICs kommen sie aber öfter vor.
hmm ok, das nehme ich mit: Bei einem Differenzverstärker wird i.d.R nur ein Ausgang benutzt und auf diesen Ausgang wirkt dann der eine Eingang ivertierend und der andere nicht-invertierend. Wenn ich die Spannung am nicht-invertierenden Eingang erhöhe, dann erhöht sich die Eingangsdifferenz und somit auch der Ausgang. Umgekehrt: Wenn ich die Spannung am invertierenden Eingang erhöhe, verringert sich die Differenz und somit auch der Ausgang. Ist das so korrekt? (Bei Gelegenheit kann ich das ja mal diskret auf einem Steckbrett aufbauen und ausmessen.)
Bitte melde dich an um einen Beitrag zu schreiben. Anmeldung ist kostenlos und dauert nur eine Minute.
Bestehender Account
Schon ein Account bei Google/GoogleMail? Keine Anmeldung erforderlich!
Mit Google-Account einloggen
Mit Google-Account einloggen
Noch kein Account? Hier anmelden.
