Hallo welche Möglichkeiten Ideen gibt es einen Spg. Versorgung Eingang gegen das anlegen falscher Spg. zu schützen? Also wenn jemand 230V statt 24V anlegt. Varistoren Suppressordiode etc. helfen da leider auch nicht mehr.. Gruss Patrick
Patrick schrieb: > welche Möglichkeiten Ideen gibt es einen Spg. Versorgung Eingang gegen > das anlegen falscher Spg. zu schützen? Also wenn jemand 230V statt 24V > anlegt. Nun, zuerst mal würde man den Anschluß so gestalten, daß er nicht mit einem für 230V verwechselt werden kann. Und man würde ein Schild anbringen, auf dem die korrekte Spannung steht. Und ich persönlich würde noch überlegen, eine Sprengladung anzubringen, die denjenigen der das arme Gerät dann trotzdem noch mit 230V traktiert, in die ewigen Jagdgründe schickt ;) > Varistoren Suppressordiode etc. helfen da leider auch nicht mehr.. Wie kommst du darauf? Genau so wird das gemacht. In Reihe zum Eingang eine (Fein)sicherung. Und dahinter etwas, das bei Überspannung ordentlich Strom zieht und so die Sicherung auslöst. Ob da eine Supressordiode oder eine Thyristor-Crowbar angemessener ist, hängt davon ab wieviel Strom man im regulären Fall braucht (wie fett also die Sicherung ausgelegt sein muß). Denn im Normalfall will man ja, daß die Sicherungsschaltung überlebt.
Hei, bei SMI http://standard-motor-interface.com/ kann man die Datenleitungen mit 230V zum manuellen Verfahren der Jalousien benutzen. Wüsste gerne, wie die das machen. Damit ist der Eingang ja 230V tolerant und kann trotzdem die niedrigen Signalpegel der Datenkommunikation verarbeiten. Grüße, Tom
Hallo, der Eingang soll halt je nach Verwendung mal mit mal ohne Trafo ausgelegt werden. D.h die Klemme ist immer gleich. Ein Schild hilft leider nicht immer wenn einer nicht lesen will.. Meine Erfahrung hat gezeigt dass es einfach zu lange dauert bis eine Schmelzsicherung auslöst. Bei hoher Spg. sind meist die Suppressordiode durchgebrannt oder die dahinter liegenden Schaltregler bereits kaputt. Man bräuchte eine Schaltung die erstmal die Spg. misst und erst wenn alles passt durchschaltet. Patrick
Tom P. schrieb: > Hei, > > bei SMI http://standard-motor-interface.com/ > kann man die Datenleitungen mit 230V zum manuellen Verfahren der > Jalousien benutzen. Wüsste gerne, wie die das machen. > Damit ist der Eingang ja 230V tolerant und kann trotzdem die niedrigen > Signalpegel der Datenkommunikation verarbeiten. > > Grüße, > > Tom eine Datenleitung zu schützen ist einfach da man alles hochohmig auslegen kann, bei einer Versorgung die 24V @5A benötigt ist das nicht mehr so leicht möglich.... Patrick
Wenns ohne eine Sicherung gehen soll und Verpolungsschutz gewollt ist, gibts mindestens von Linear Tech. ICs dafür - Stichwort "surge stopper" Hier der Artikel, weiter unten ist eine Schaltung mit Verpolungsschutz für AC: http://cds.linear.com/docs/en/article/203PETSD_LT.pdf
Patrick schrieb: > Varistoren Suppressordiode etc. helfen da leider auch nicht mehr.. Es wäre sehr dumm, an einen 24V-Eingang einen Schukostecker zu verwenden. Zeig mal etwas konkreter Deine Schaltung und deren AUFBAU als Foto.
keinen Schukostecker sondern eine Leiterplattenklemme von Phoenix..
Patrick schrieb: > keinen Schukostecker sondern eine Leiterplattenklemme von Phoenix.. Dann ist die entweder nicht exotisch genug wenn ein Dau 230V anschließt oder die Spannung kommt von woanders, was Du noch nicht erkannt hast?
Patrick schrieb: > keinen Schukostecker sondern eine Leiterplattenklemme von Phoenix.. Trenne sie räumlich von der 24V-Klemme. Mach eine deutlich erkennbare Beschrifung an die Klemmen. Nimm eine andere Bauform. Nimm andersfarbige Klemmen (http://www.pressebox.de/pressemitteilung/weidmueller/Weidmueller-Interface-GmbH-co-KG-Halle-B3-Stand-406/boxid/75660) Nimm eine andere Klemmentechnik (Federzug- vs. Srchraubklemmen). Patrick schrieb: > welche Möglichkeiten Ideen gibt es einen Spg. Versorgung Eingang gegen > das anlegen falscher Spg. zu schützen? Es gibt keine Möglichkeit, die einfach und 100% ist. Es ist besser, denjenigen, der das falsch anschließt mit dem Defekt seines Gerätes zu bestrafen, als alle anderen, die das nicht und nie tun mit einem "sicheren", aber teuren Gerät...
Patrick schrieb: > Meine Erfahrung hat gezeigt dass es einfach zu lange dauert bis eine > Schmelzsicherung auslöst. Bei hoher Spg. sind meist die Suppressordiode > durchgebrannt Dann war die Suppressordiode zu klein. Warum wohl gibts die mit verschiedenen Leistungsklassen? Abgesehen davon ist "Durchbrennen" (bzw. zu einem Kurzschluß mutieren) ein durchaus vorgeseher Fall bei Suppressordioden. > Man bräuchte eine Schaltung die erstmal die Spg. misst und erst wenn > alles passt durchschaltet. Wird bei 230V Wechselspannung statt 24V Gleichspannung(?) auch eher unlustig. Bzw. Aufwendig. Patrick schrieb: > bei einer Versorgung die 24V @5A benötigt Schön daß du das schon im dritten Post erwähnst. Wenn da regulär 5A fließen sollen, muß die Crowbar gut und gerne 100A ableiten können. Nicht lustig. Womit ich bei meinem ersten Vorschlag bin - mit dem ich ja nicht alleine stehe. Mach es so daß man es nicht aus Versehen verwechseln kann. Wer es dann trotzdem falsch anschließt, hat selber Schuld.
Lothar M. schrieb: > Nimm andersfarbige Klemmen Wenn man eine rote und eine blaue Klemme nimmt, werden auch die meisten Laien dort keine 230V~ anschliessen. Zusätzlichen Schutz kann man natürlich trotzdem vorsehen.
Schau dir mal die VIPer Reihe von ST an. Die 06 haben ne sehr niedrige Start-up Spannung. Hans
Der Wunsch, einen Spg. Versorgung Eingang gegen das anlegen falscher Spg. zu schützen(230V statt 24V) ist nachvollziehbar. Sinn und Unsinn dieses Ansinnens war nicht Frage von Peter F. (pfuhsy). Mein Rasierapparat verträgt 12V= bis 240V~ und das ist sehr nützlich. Es zeigt auch, dass es Schaltungen gibt, die das können..... Der Stecker sollte natürlich für die/den höchste(n) vorkommende(n) Spannung und Strom ausgelegt sein.
Leider kann man nicht jedem DAU erklären warum er so blöd war.. es ist auch nicht der DAU der dann kommt und meckert das sein Gerät kaputt ist.. der DAU behauptet er hat alles richtig gemacht.. Das beste ist das Gerät soweit zu schützen damit der DAU nix falsch machen kann. Ich hab in die Klemmen auch schon Kennzeichnungen mit 24V aus Karton festgeklemmt, irgendeiner klemmt zum Prüfen an, vergisst die Kennzeichnung und der nächste legt 230V an und erzählt seinem Chef er hat nur 24V angeschlossen.. ist leider die Realität. Hat jemand eine Idee oder einen Hinweis auf eine Schaltung die vorher prüft? ich könnte mir das mit einem Relais vorstellen, welches verzögert einschaltet.. ist halt wirklich sehr aufwendig.. Zum Schutz mit Suppressordiode kann ich sagen das es ja schön wäre wenn dann nur die Sicherung fliegt, aber bei fast 90% aller Fälle ist diese hochohmig und die Sicherung heil... dafür ist der Rest der Schaltung hin.. Patrick
>> Hat jemand eine Idee oder einen Hinweis auf eine Schaltung die vorher
prüft?
Ja, die von mir entdeckte Schaltung!
Die braucht halt etliche Bauteile - weniger geht halt nicht.
Ansonsten bräuchtest du eine Schaltung die hellsehen kann, dann auch mit
ultra langsamem Relais.
Na ja, man könnte doch mit einer Verzögerung zb. 555 ein Relais einschalten. Vor dem Relais ist eine Schutzschaltung die bei zu hoher Spg. auslöst und eine Sicherung zerstört, so bekommt die Elektronik nix mit. Patrick
Patrick schrieb: > Na ja, man könnte doch mit einer Verzögerung zb. 555 ein Relais > einschalten. Das sieht mir sehr nach einem "Henne-Ei-Problem" aus... Wie versorgst du den 555er und die "Schutzschaltung"?
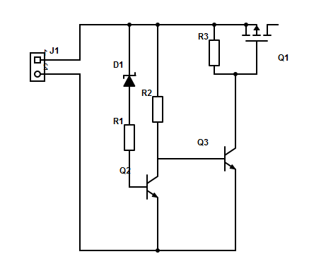
mir würde sowas in auf die schnelle in den Sinn kommen. Ich weiss aber nicht ob das wirklich funktioniert und wie schnell die Schaltung reagiert. schön ist es auch nicht.
den 555 könnte man mit Vorwiderstand und Kondensator speisen quasi ein mini Netzteil.. @ Michael, die Schaltung funktioniert nicht bei Wechselspannung Patrick
Michael .. schrieb: > mir würde sowas in auf die schnelle in den Sinn kommen. Und wo genau darf man da 230V Wechselspannung einspeisen?
Lothar M. schrieb: > Und wo genau darf man da 230V Wechselspannung einspeisen? Ich war wegen den "24V" in Gedanken irgendwie bei DC. Sind den die 24V DC oder AC gemeint? Falls DC, muss man ja sowiese einen Verpolungsschutz einbauen, da sogar 24V und 230V verwechselt wird.
oszi40 schrieb: > Patrick schrieb: >> keinen Schukostecker sondern eine Leiterplattenklemme von Phoenix.. > > Dann ist die entweder nicht exotisch genug wenn ein Dau 230V anschließt > oder die Spannung kommt von woanders, was Du noch nicht erkannt hast? Es muss sich nicht einmal um einen DAU handeln. Bei Geschäftspartnern von mir werden im größeren Maßstab Industrie-Panel-PCs mit internem 230V-Netzteil verarbeitet. Irgendwann gab es aber eine Fehllieferung des Herstellers mit PCs für 24V Eingangsspannung, was dann zu einer interessanten Überraschung führte. Alle Beteiligten waren sehr erstaunt darüber, dass der Hersteller denselben Steckertyp für beide Spannungsversorgungen verwendete...
Das erste was man braucht ist ein kleines Weitbereichsnetzteil, daß mit 24..230V läuft und mindestens den Teil für die Eingangs-Sensorik versorgen kann. Damit prüft man dann, ob am Eingang 24V oder mehr anliegen und schaltet demensprechend ein Relais durch oder zeigt mit einer Leuchtdiode an, daß man der 24V-Schaltung soeben das Leben gerettet hat. Ist aber unnötig hoher Aufwand - bei Klemmen gehört das einfach einmal richtig angeschlossen und dann funktioniert das oder eben nicht.
magic s. schrieb: > daß mit 24..230V läuft und mindestens den Teil > für die Eingangs-Sensorik versorgen kann. Das Weitbereichsnetzteil für die Prüfschaltung wäre VORERST eine Lösung. Das Schlimme ist aber, wenn ein Depp 230V~ anschließt:Dann könnten die 230V~ auch an andere Schaltungsteile oder über einen LAN-Kabel-Mantel sogar in andere Räume gelangen!!!
Michael .. schrieb: > Sind den die 24V DC oder AC gemeint? Nachdem es darum geht, ob da ein Trafo oder nicht eingebaut sein kann, könnte man sogar vermuten, das es 24V AC sein könnten... Und das Problem "mit oder ohne Trafo" ist dann auch gleich dad Problem "mit oder ohne Potentialtrennung". Wenn wie angesprochen irgendwer die fälschlich die Netz-Phase auf eine der Klemmen legt, dann sollte das Gerät tunlichst schutzisoliert sein...
Bitte melde dich an um einen Beitrag zu schreiben. Anmeldung ist kostenlos und dauert nur eine Minute.
Bestehender Account
Schon ein Account bei Google/GoogleMail? Keine Anmeldung erforderlich!
Mit Google-Account einloggen
Mit Google-Account einloggen
Noch kein Account? Hier anmelden.

