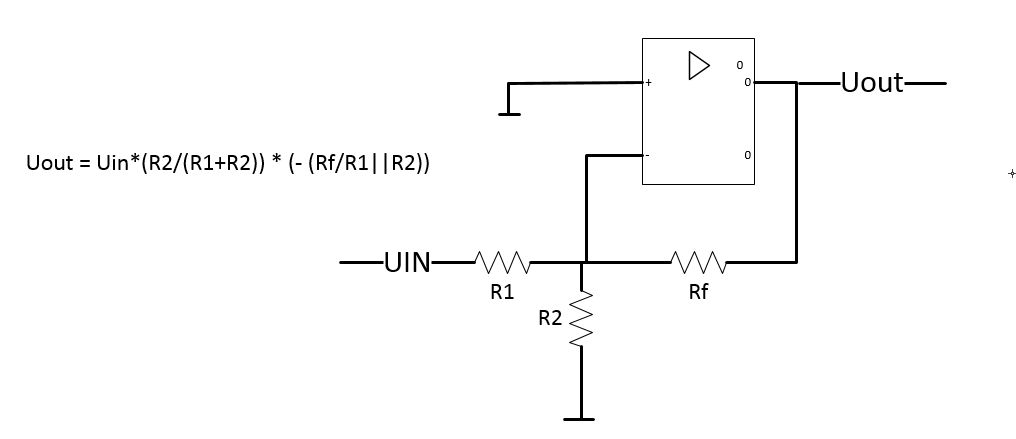
Hallo Zusammen, ein Freund und ich sitzen gerade zusammen und streiten über angehangene Ü-Fkt der Schaltung. Ich habe die gezeigte Funktion aufgestellt. Er ist der Meinung, dass R2 gar nicht mehr im Faktor mitbetrachtet werden muss... Ich glaube eher, dass Rf noch irgendwie in den ersten Therm muss. Kann mir jemand auf die Sprünge helfen? Danke euch!
Aus dem Spannungsteiler UIN,R1,R2 eine Ersatzspannugsquelle machen.
Hi Tom, das hatten wir noch nicht (eigentlich noch nicht mal OPVs). Wir sind im ersten Semester. Kannst du das kurz erklären? Gruß
Auf den ersten Blick würde ich sagen, dass man R2 weg lassen kann, da durch ihn kein Strom fliesst.
Art E. schrieb: > Auf den ersten Blick würde ich sagen, dass man R2 weg lassen kann, > da > durch ihn kein Strom fliesst. Dem schließe ich mich an. Der ideale Opamp regelt seine Eingänge auf Ud~OV wodurch der (-)Eingang virtuell auf Masse liegt und somit über R2 keine Spannung abfällt.
Ich hab's nachgerechnet, die Verstärkung ist
Edit: Wenn man in die Formel in "Zwischenablage-1.jpg
einsetzt, sollte das auch rauskommen.
R2 ist nicht nur Überflüssig sondern sogar kontraproduktiv da er die Rauschverstärkung erhöht wenn mich nicht alles täuscht.
Hallo Zusammen, Ich habs auch mal durchgerechnet. Passt so. Meine Formel ist ja eigentlich richtig. Wenn man ausmultipliziert und kürzt, dann hat man nur noch Uout =? Uin * (Rf/R1) Danke euch!
Bitte melde dich an um einen Beitrag zu schreiben. Anmeldung ist kostenlos und dauert nur eine Minute.
Bestehender Account
Schon ein Account bei Google/GoogleMail? Keine Anmeldung erforderlich!
Mit Google-Account einloggen
Mit Google-Account einloggen
Noch kein Account? Hier anmelden.
