Hallo zusammen, Umgebung: - Zwei PCs ( PC1 und PC2) - USB-Switch mit externem Schalter zum wechseln der Geräte - USB-to-RS232 Adapter + NPN + Relais Anforderung: - Betätigen des Schalters vom USB-Switch mittels Software über USB. - Die jeweilige USB-Steuerung wird mit am USB-Switch umgeschalten. Status: Die derzeit verwendete Schaltung besteht aus einem USB-to-RS232 Adapters der über die DTR Leitung einen NPN-Transistor ansteuert welcher dann das Relais schaltet und dieses Betätigt dann den externen Schalter des USB-Switches. Problem: Diese Lösung funktioniert im Grunde auch gut, unter Linux. Unter Windows 7 x64 wird beim Zuschalten des Adapters während der Erkennung des Gerätes die DTR-Leitung getriggert wodurch das Relais erstmals schaltet und alles wieder zum ersten System zurückschaltet. Unter Linux passiert das wie gesagt nicht. Nun die Frage lässt sich dieses Verhalten im Windows erklären / abstellen? ----- Plan B: Zwei Adapter die beide das gleiche Relais schalten um die initiale Ansteuerung beim Erkennen zu unterbinden. => nicht bevorzugt. Evtl. hat ja aber jemand eine Idee wie ich einen einfachen Adapter bauen kann der lediglich diese Funktion erfüllen muss. Da 15€+ für einen USB-to-RS232 einfach zu teuer sind um ein Relais zu schalten, zumal ich zwei davon bräuchte (siehe Problem). Plan C: Jemand hat eine einfachere Idee wie man diese Anforderung lösen könnte. Vielen Dank, John.
John N. schrieb: > Nun die Frage lässt sich dieses Verhalten im Windows erklären Anderer Treiber, anderer Programmierer... > abstellen? Mehr Intelligenz: der PC sendet ein RS232-Kommando, ein uC wertet es aus und schaltet das Relais. > Unter Windows 7 x64 wird beim Zuschalten des Adapters während der > Erkennung des Gerätes die DTR-Leitung getriggert Wann ist das genau? Beim Systemstart? Noch beim Booten oder später, wenn Windows an den Treibern herumwerkelt? > besteht aus einem USB-to-RS232 Adapters Dem "einen"? Oder anders: welcher Hersteller (FTDI, Prolific...)?
Hallo Lothar, >> Unter Windows 7 x64 wird beim Zuschalten des Adapters während der >> Erkennung des Gerätes die DTR-Leitung getriggert > Wann ist das genau? Beim Systemstart? > Noch beim Booten oder später, wenn Windows an den Treibern herumwerkelt? Das System läuft bereits und das Phänomen tritt beim Erkennen des Gerätes auf. Sowie ich den Adapter anstecke, wird die DTR kurz geschalten und es fliesen 6,xx Volt. >> besteht aus einem USB-to-RS232 Adapters > Dem "einen"? > Oder anders: welcher Hersteller (FTDI, Prolific...)? Habe es mit einem PL2303 sowie mit einem FT232 versucht. Beide zeigen das selbe Verhalten.
John N. schrieb: > Das System läuft bereits und das Phänomen tritt beim Erkennen des > Gerätes auf. Sowie ich den Adapter anstecke, wird die DTR kurz > geschalten und es fliesen 6,xx Volt. kann man nicht auf RTS ausweichen?
Joachim B. schrieb: > John N. schrieb: >> Das System läuft bereits und das Phänomen tritt beim Erkennen des >> Gerätes auf. Sowie ich den Adapter anstecke, wird die DTR kurz >> geschalten und es fliesen 6,xx Volt. > > kann man nicht auf RTS ausweichen? Habe es eben auf RTS versucht, mit dem selben Ergebnis. Nachvollziehbar ist dies einfach, indem man folgendes tut: - Messleitung an GND und RTS(9-pol SUB-D Pin7) od. DTR(9-pol SUB-D Pin4) - USB-to-RS232 Adapter im Device-Manager deaktivieren -> Beim erneuten Aktivieren des Adapters im Device-Manager (was einem erstmaligem Einstecken entspricht) sieht man die Spannung am jeweilig gewähltem Pin von -6Volt auf +6Volt und zurück springen
John N. schrieb: > Habe es eben auf RTS versucht, mit dem selben Ergebnis. > Nachvollziehbar ist dies einfach, indem man folgendes tut: > > - Messleitung an GND und RTS(9-pol SUB-D Pin7) od. DTR(9-pol SUB-D Pin4) > - USB-to-RS232 Adapter im Device-Manager deaktivieren > > -> Beim erneuten Aktivieren des Adapters im Device-Manager (was einem > erstmaligem Einstecken entspricht) sieht man die Spannung am jeweilig > gewähltem Pin von -6Volt auf +6Volt und zurück springen ja OK ABER Das kurze Toggeln kann ich ja austricksen mit einem Resetcontroller oder retrigerbaren Monoflop, erst wenn der Zustand statisch wird und bleibt wird umgeschaltet. Ich hoffe das geht so, es ist zu warm hier, Gehirn schmilzt schon. Mal überlegen, nix dran, ein PC soll an sein? Es wird umgeschaltet der andere soll angehen, aber da beim Stecken oder hochfahren getoggelt wird muss das ignoriert werden, d.h. erst wenn sich der Zustand dauerhaft über 1s möglicherweise ändert kann umgeschaltet werden. Oder wie hier schon gesagt wurde, kleiner Tiny der auf serielles Kommando umschaltet. Der braucht u.U. so wenig Saft das er aus der RS232 gespeist werden kann, kleine Diodenmatrix an alle Leitungen diese nach + und - aufteilen und einen kleinen 7805 TO92 zur Versorgung des Tinys
Joachim B. schrieb: > Oder wie hier schon gesagt wurde, kleiner Tiny der auf serielles > Kommando umschaltet. > > Der braucht u.U. so wenig Saft das er aus der RS232 gespeist werden > kann, kleine Diodenmatrix an alle Leitungen diese nach + und - aufteilen > und einen kleinen 7805 TO92 zur Versorgung des Tinys Tiny? hier bereits erwähnt? Ich bin wie gesagt für alle Vorschläge offen. Das Ziel ist hier der Fokus - Schalten via USB und das so einfach wie möglich.
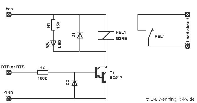
Probier mal einen Kondensator (z.B. 10µF) parallel zu D2.
Falls das mit dem Kondensator nicht klappt: Kauf Dir irgendein Mikrocontroller Modul mit USB-UART Chip (zum Beispiel ein Arduino Nano) und lade da die serielle Version meiner I/O Firmware drauf (http://stefanfrings.de/avr_io/index.html). Zum Schalten des Relais musst du dann Befehle an den virtuellen seriellen port senden.
John N. schrieb: > Sowie ich den Adapter anstecke, wird die DTR kurz geschalten und es > fliesen 6,xx Volt. Na gut, die Volt fließen nicht, sie liegen an. Aber halb so schlimm: nimm ein RC-Glied, dann machen kurze Impulse nichts aus... John N. schrieb: > sieht man die Spannung am jeweilig gewähltem Pin von -6Volt auf +6Volt > und zurück springen Wie lange wird der "falsche" Zustand eingenommen? Stefan U. schrieb: > Probier mal einen Kondensator (z.B. 10µF) parallel zu D2. Ich würde aber auch noch einen 100kOhm Widerstand von B nach E schalten. Zudem scheinen mir die 100k Basiswiderstand recht hochohmig. Ich hätte da bestenfalls 10k angesetzt.
Stefan U. schrieb: > Probier mal einen Kondensator (z.B. 10µF) parallel zu D2. DAS hat mein Problem gelöst! DANKE! Danke auch an alle Anderen für deren Vorschläge, es wird sicher nicht die letzte Version sein und ich werde weitere bauen ;) @Lothar Miller - richtig anliegen nicht fliessen! (zu warm, zu wenig Schlaf)
John N. schrieb: > Tiny? hier bereits erwähnt? > > Ich bin wie gesagt für alle Vorschläge offen. Das Ziel ist hier der > Fokus - Schalten via USB und das so einfach wie möglich. ja vom Mod: Beitrag "Re: [Help] externe Schaltung via USB steuern" Lothar M. schrieb: > Mehr Intelligenz: der PC sendet ein RS232-Kommando, ein uC wertet es aus > und schaltet das Relais.
Bitte melde dich an um einen Beitrag zu schreiben. Anmeldung ist kostenlos und dauert nur eine Minute.
Bestehender Account
Schon ein Account bei Google/GoogleMail? Keine Anmeldung erforderlich!
Mit Google-Account einloggen
Mit Google-Account einloggen
Noch kein Account? Hier anmelden.
