Hallo. Ich bin dabei mir ein Musik-LED-Band zu bauen. Dieses soll im takt zu Musik blinken. Also hoher Pegel -> helles Licht. Dafür habe ich mir einen Transistor TIP120 besorgt. Angeklemmt habe ich ihn erstmal wie hier: http://www.kondensatorschaden.de/how2-musik-led-selbst-gebaut/. Den TIP120 habe ich jedoch gewählt, weil er dauerhaft 5A raushauen kann. Dummerweise scheint der aber auch etwas träger zu sein, als der TIP31 (der im How2 oben empfohlen wird). Problem ist jetzt folgendes: Über mein Handy bekomme ich den Transistor garnicht geschaltet. Dort liegt die Spannung bei ca 20mV peak. Am PC sind es ca 0,5A peak. Damit bekomme ich den Transistor auch nicht ganz geschaltet. Also das LED-Band geht immernoch nicht ganz an. Testweise habe ich den Transistor auch mal hinter meine Endstufe gehangen. Da fliegt mir dann aber bei aufgedrehter Endstufe der Kurzschlussschutz vom Netzteil raus. Ok, macht Sinn. Will aber den Verstärker aufdrehen können. Jetzt meinte mein Elektrotechnik Lehrer, ich sollte es mal versuchen 2 invertierende Verstärker vorzuschalten. Dazu hat er mir einen TL081CP und einen TL082CP gegeben. Einer sollte dann laut ihm verstärken, und der andere das Signal wieder um 180° drehen. Klar, sonst geht das LED Band ja genau dann aus, wenn es eigentlich an gehen soll. Diese Lösung habe ich auch schon mehrmals aufm Breadboard aufgebaut und überprüft. Jedes mal bleibt das Signal 180° gedreht. Den ersten OpAmp habe ich als Verstärker eingesetzt, den zweiten mit V=1. Also ohne Verstärkungsfaktor. Trotzdem: Egal wie oft ich die Schaltung neu aufbaue und welche Widerstände ich verwende: hinten kommt das Signal 180° gedreht raus. Alternative: Man müsste doch auch aus dem TL081 einen nichtinvertierenden Verstärker bauen können oder? Habe ich ebenfalls versucht nach dem Plan, wie er im Datenblatt (http://www.ti.com/lit/ds/symlink/tl084.pdf), hier (http://www.frustfrei-lernen.de/elektrotechnik/invertierender-verstaerker-operationsverstaerker.html) udn auch beim Elektronik-Kompendium angegeben ist. Immernoch das Signal 180° gedreht. Ansonsten reagiert der OpAmp schon auf das Signal. Leider nur auf das vom PC. Das vom Handy scheint zu schwach. Schaltplan kann ich echt keinen angeben. Ich glaube ich habe zu viele kombinationsmöglichkeiten versucht, um von jeder einen Schaltplan zu erstellen. Hat irgendjemand eine Idee, wie ich das am besten gelöst bekomme? Vielleicht auch ohne die OpAmps? Am besten ohne außergewöhnliche, neue Bauteile zu Bestellen. Vielen Dank im Vorraus. Bin echt am Verzweifeln :/ Gruß, Martin.
Hallo Martin, wie ich lese, bist du blutiger Anfänger. Das ist nicht schlimm, das war ich auch mal. Allerdings haben wir jetzt etwas das Problem, dass dir sehr viel Grundlagenwissen fehlt. Das nachzuholen wäre als "Grundkurs Elektronik" in schriftlicher Form für einen einzelnen Schüler - sagen wir mal - heftig. Dir eine Schaltung aufzumalen "und nun bastele mal schön" fände ich auch nicht befriedigend. Deswegen ist vielleicht kaum mit einer Antwort hier zu rechnen. Ich versuch's trotzdem: Martin schrieb: > Den TIP120 habe ich jedoch gewählt, weil er dauerhaft 5A raushauen kann. Aua, klingt cool für Anfänger, kindisch für mich. Egal. > Dummerweise scheint der aber auch etwas träger zu sein, als der TIP31 "Träger" - du weißt selber nicht, was damit gemeint ist. Der TIP120 ist ein Darlington-Transistor. Der hat eine sehr viel höhere Stromverstärkung als ein normaler Transistor, dafür aber auch eine ca. doppelt so hohe BE-Schwellenspannung. Was Stromverstärkung und Schwellenspannung sind, musst du selber herausfinden. Wenn du das weist, kannst du dir die Schaltung schon selber ausdenken. > Handy: Dort liegt die Spannung bei ca 20mV peak. Wie misst du das? Hast du einen Oszi? Das wäre gut. >Am PC sind es ca 0,5A peak. 0,5V? Ich nehme es mal an. Peak oder Peak-to-Peak? > Testweise habe ich den Transistor auch mal hinter meine Endstufe > gehangen. Da fliegt mir dann aber bei aufgedrehter Endstufe der > Kurzschlussschutz vom Netzteil raus. Ok, macht Sinn. Will aber den > Verstärker aufdrehen können. Ach, diese Ausdrucksweise... Womit willst du denn deine LEDs betreiben? Smartphone, PC oder Verstärker? Die Schaltung, die du verwendest, ist so primitiv, dass sie nur eher zufällig funktioniert. Wenn die Ausgangsspannung nicht zu hoch und nicht zu niedrig ist und wenn der Ausgang einen ausreichenden Ausgangswiderstand hat. An einem richtigen Verstärker sollte eigentlich innerhalb von Bruchteilen einer Sekunde der Transistor gehimmelt sein (ach, diese Ausdrucksweise), denn der Basisstrom wird enorm hoch. Das mit den TL081 hast du oder sogar dein Lehrer falsch verstanden. Es ist egal, ob sie invertieren, das Audiosignal ist sowieso Wechselspannung. Erst der Transistor macht die Gleichrichtung. Ohne eine negative Betriebsspannung für den TL081 wird der in deiner Schaltung sowieso nicht funktionieren. Das sollte dein Lehrer wissen. Es würde höchstwahrscheinlich auch ohne Operationsverstärker gehen, auch mit TIP120 am Smartphone. Ob gut genug, sei dahin gestellt. Aber jetzt bist du erst mal dran: Zeichne eine komplette Schaltung mit allen Bauteilwerten, Spannungsversorgung etc. (und halbwegs sauber, ich gebe mir hier auch Mühe) und beantworte meine Fragen, dann können wir weiter diskutieren. Grüße, Uwe
Martin schrieb: > Hat irgendjemand eine Idee, wie ich das am besten gelöst bekomme? Der TIP120 ist kein normaler Transistor, sondern ein Darlington der doppelt so viel Spannung am Eingang benötigt, um durchzuschalten, nämlich 1.4V statt 0.7V. Martin schrieb: > Über mein Handy bekomme ich den Transistor > garnicht geschaltet. Dort liegt die Spannung bei ca 20mV peak. Am PC > sind es ca 0,5A peak. Wie kommst du darauf ? Das Handy sollte mehr als 1V liefern, zumindest wenn es nicht leise gestellt ist mit Gehörsschutz. Der PC lieferst sicher nicht 0.5 Ampere, eher 0.5V, das wäre ein normales Line Out Signal und reicht für den TIP31. Martin schrieb: > Bin echt am Verzweifeln :/ Na das geht ja schnell. Du weisst doch, wo der Fehler liegt. Du hast einfach in Gier geglaubt, mehr bringt mehr und einen unpassenden Transistor eingebaut. Dieselbe Gier wie die Gier der Bankster die ganze Länder in den Bankritt reissen. Es ist eben nicht immer sinnvoll, mit dem Glauiben an viel bringt viel ohne Sachverstand an eine Sache zu gehen. Leg den TIP120 in eine Kiste und besorge dir einen passenden Transistor Martin schrieb: > weil er dauerhaft 5A raushauen kann Das werden deine LEDs kaum brauchen. Wahrscheinlich brauchen deine LEDs nur 20mA. Am Transistor entstehen nur ((12V - 3*3.2V = 2.4V ) / 68 Ohm = 35mA ) maximal 0.21 Watt (real deutlich weniger). Es tut ein BC547, ein BD135, ein 2N3055, was man halt da hat. Und ja, auch 3 blaue LEDs an 12V mit 68 Ohm, bei roten LEDs oder 24V müsstest du Bauteilwerte ändern. Martin schrieb: > hinten kommt das Signal 180° gedreht raus. Macht nix. Musik ist symmetrisch. Die Schaltung ist grober Unsinn, lediglich brauchbar für Leute die keine 3 Bauteile erfolgreich zusammenlöten können. Der Transistor zur Ansteuerung der LED ist weder linear, noch verstärkt er sinnvoll. Da du den TL082 schon da hast, und vermutlich 3 blaue LEDs a 20mA, wäre es sinnvoller:
1 | +---100nF---+ |
2 | | | |
3 | +-(-)12V(+)-+ |
4 | | | +--|<|--|<|--|<|--+ |
5 | Musik ---(----------|+\ | 6 LEDs | |
6 | | | >--+--|>|--|>|--|>|--+ |
7 | Masse ---+ +--|-/ | |
8 | | | | | |
9 | +--68R--+---(----------------------+ |
10 | | | |
11 | +-(+)12V(-)-+ |
12 | | | |
13 | +---100nF---+ |
Und ja, es werden wirklich ZWEI 12V Spannungsquellen verwendet. Und die beiden 100nF Kondensatoren sind sinnvoll. Ist das Licht bei der Lautstärke zu dunkel, verringere den 68 Ohm Widerstand, ist es zu hell, erhöhe den Widerstandswert. Die LEDs gegeneinander gepolt wirken als Gleichrichter, man sieht also beide Seiten der Musik.
Diese Schaltung auf Kondensatorschaden.de wurde schon von vielen Anfängern nachgebaut und dann fingen die Probleme an. Diese Schaltung ist für den nachbau untauglich. Nicht nur, dass sie nur mit Glück funktioniert, du riskioerst damit auch, deine angeschlossenen Geräte zu zerstören - hast du ja schon selbst bemerkt. Ich finde es echt unverantwortlich, dasss diese Webseite immer noch nicht entfernt wurde. Du bist nicht der Erste, der sich hier genau wegen dieser Schaltung ausheult. Und in anderen Foren ist sie ebenso bekannt. Der mensch, der diese Webseite betreibt, will offensichtlich nur möglichst viele gutgläubige Anfänger auf seine Seite locken (oder auf Youtube), um mit Werbung Geld zu verdienen. Sämtlich Bastelvorschläge von ihm sind fragwürdig, teilweise sogar gefährlich. Streich diese Seite mal besser aus deiner Favoriten-Liste.
Hallo. Erstmal danke für diese wirklich ausführlichen Antworten. Ich gehe mal chronologisch vor bei den Antworten: Ja, ich bin wirklich blutiger Anfänger. Allerdings interessiere ich mich aber auch wahnsinnig für Elektrotechnik (daher ab nächstem Schuljahr Elektrotechnik Leistungskurs). Jetzt aber zurück zum Thema: Das der Transistor ein Darlington ist, ist mir leider erst später aufgefallen. War echt sehr unklug, das ich vorher mich nicht genauer über den Transistor informiert habe. Alle Spannungen habe ich mit einem in die Jahre gekommen Multimeter von Voltcraft gemessen. Denke das gibt mir die Peak-Spannung. Dummerweise habe ich aber auch die Anleitung davon nichtmehr, wo ich das nachschauen könnte. Ich würde am liebsten das Projekt über PC und Handy betreiben können. Verstärker war mehr ein Test, ob meine Schaltung so in Ordnung ist. War eine äußerst dumme Idee, da dann doch einer der Transistoren kaputt gegangen ist. Gut, das ich mir sicherheitshalber drei bestellt habe. Nun zu MaWin: Am PC sind laut Multimeter 0,5V Peak. Das "A" war ein Tippfehler. Das sind aber auch sehr gewagte Zahle, ich weiß. Daher wird auch kommenden Monat endlich das Oszilloskop angeschafft. Das der Transistor falsch gewählt war, habe ich ja schon geschrieben. War deutlich zu euphorisch in dem Moment. Die Zeit hätte ich mir noch nehmen müssen. Du hast aber auch etwas falsch verstanden. Ich will damit ein LED-Band mit Strom versorgen. Das sind dann etwas weniger als 600 LEDs. Habe ca. einen von 5m bereits gekürzt und woanders verbaut. Also 4A sind schon korrekt. Sonst wäre ich auch defintiv beim TIP31 geblieben. Zu kondensatorschaden.de: Da bin ich überrascht. Bis jetzt hat der Kerl für mich ganz seriös gewirkt, gerade weil ich halt ein Anfänger bin. Werde seinen nächsten Videos etwas skeptischer gegenüberstehen. Aber eins muss man ihm lassen: Die CNC-Fräse hat er schön gemacht. Bevor ich aber jetzt eine neue Schaltung mir ausdenke, hätte ich noch Fragen: 1. Wieviele LEDs bekäme ich denn mit dem TL082 angesteuert? Kann man damit dann schon einigermaßen beleuchten, oder macht der sowas garnicht mit? Ist halt als kleine Partybeleuchtung gedacht. Habe leider keine Angabe für maximale dauer Ausgangsstromstärke gefunden. Nur die max. Angabe für Spannung und die liegt wohl zwischen 12V und 13.5V. 2. Ist es nun möglich mit dem TL082 (oder TL081) mein Signal etwas vorzuverstärken für meinen Transistor? Nur für den Fall, dass ich mit dem TL082 nicht genug geschaltet bekomme. Schließlich soll das auch etwas auffallen. Nochmal danke für die ausführlichen Antworten. Hier bekommt man ja gut geholfen, auch wenn man sich echt blöd anstellt :) Gruß, Martin
Martin schrieb: > 1. Wieviele LEDs bekäme ich denn mit dem TL082 angesteuert? an +/-12V: 6, wie gezeichnet. Mit einem Darlington-Transistor wie deinem TIP120 auch 4A wenn man einen 12V Lichtschlauch anschliesst und die Betriebsspannung auf 18V erhöht (dafür darf die negative Versorgung auf 5V abgesenkt werden). Der TIP120 sollte auch auf ein Kühlblech von 10 x 10cm. Für 4A sollte R33 0.33 Ohm/5W haben, dann hat der Lichtschlauch ca. 600 LEDs in 200 3er Reihen mit je einem 120 Ohm Vorwiderstand.
1 | +---100nF---+ |
2 | | | |
3 | +-(-)18V(+)-+-----+ |
4 | | | | |
5 | Musik ---(----------|+\ | |
6 | | TL081 | >--|< TIP120 |
7 | Masse ---+ +--|-/ |E |
8 | | | | +--|>|--|>|--|>|--120R--+ |
9 | +--R33--+---(--+ : : |
10 | | | | +--|>|--|>|--|>|--120R--+ |
11 | +-(+) 5V(-)-+ | | |
12 | | | +--------------------------+ |
13 | +---100nF---+ |
Wofür muss den jetzt die negative Spannung auf 5V erhöht werden und die positive auf 18V? Reine Verständnisfrage. Eiegentlich ist das Potential ja nach wie vor 12V. Hat vermutlich was mit dem Verhalten vom TL081 oder dem Transistor zutun. Aber warum? Wahrscheinlich wieder eine blöde frage, aber ich habe echt kein Plan und will nicht unwissend drauf los basteln. Schätze die 100nF Widerstände sollten Keramik sein. Tut es da auch ein kleiner Elko? In Keramikausführung habe ich die nicht. Zur Wahl des Widerstands: Der befindet sich ja an der Stelle R1 (vgl. http://www.elektronik-kompendium.de/sites/slt/0210151.htm). R2 ist dann der Transistor mit den LEDs. Die LEDs haben einen Gesamtwiderstand von ca. 0,6 Ohm, richtig? Der Transistor hat aber auch einen gewissen Widerstand. Wie bekommt man den denn raus? Jedenfalls würde ich den Widerstand so dimensionieren, das ich mir nicht grad den nächsten Transistor verbrate. Also muss ich R1 sicherheitshalber etwas größer wählen (auch wenn ich dann vllt erstmal nichts sehe), richtig? Ist mir jetzt heute Abend auch zu spät noch anzufangen und komme wahrscheinlich auch erst Morgen wieder dazu. Daher noch die Fragen. Danke für die Hilfe MaWin. Bis Morgen oder Übermorgen.
Martin schrieb: > Wofür muss den jetzt die negative Spannung auf 5V erhöht werden und die > positive auf 18V? Reine Verständnisfrage. Eiegentlich ist das Potential > ja nach wie vor 12V. Weil der TL081 und der Darlington etwas Spannung für sich brauchen, dafür die 6V mehr die aus 12V nun 18V machen, und weil der TL081 mindestens 3V negativer versorgt werden will, als das Musiksignal ist (das ich auf maximal +2..-2V erlaube). Ausserdem darf das negative Signal nicht über -6V gehen, weil sonst der Transistor beschädigt wird, daher -5V.
> Das sind dann etwas weniger als 600 LEDs > Betriebsspannung auf 18V > Also 4A sind schon korrekt 18V * 4A = 48W Leistung. Die muss dein Netzteil bringen. Der Transistor wird ungefähr bis zu 24W (die Hälfte davon) Verlustleistugn haben, also Abwärme. > Der TIP120 sollte auch auf ein Kühlblech von 10 x 10cm. Na, ob das reicht? Da bin ich unsicher. Kommt natürlich auch sehr darauf an, wo der Kühlkörper montiert wird und wie viel Luft er bekommt. Und schau mal ins Datenblatt von dem Transistor, ob der überhaupt so viel Verlustleistung verträgt.
Ach nee, vergiss das mit der Verliustleistung. Meine Überschlagsrechnung wäre bei Glüchlampen richtig gewesen. Bei LED's wird die Verlustleistung viel geringer sein. Vermutlich ungefähr die Hälfte von 6V * 4A, also 12 Watt. Das schafft der Transistor ganz sicher.
Kühlkörper habe ich. Da würde ich einen alten CPU Kühler zweckentfremden. Das Problem wird nur sein, eine 18V Spannungsquelle irgendwoher zu bekommen. 19,5V bekäme ich von einem Laptop Netzteil. Mit einem Leistungswiderstand könnte ich das ja noch die 1,5V abfallen lassen. Wie aber berechne ich dafür den Widerstand, wenn ich den Widerstand vom Rest der Schaltung nicht weiß? Der dürfte sich durch den OpAmp bzw Transistor je nach Last verändern. Da ich aber keine Spannung drauf geben kann, weil ich erstmal meine Quelle berechnen muss, funktioniert das ja so nicht. Oder übersehe ich hier was? Oder kann ich auch das Netzteil öffnen und den Trafo um ein paar Wicklungen kürzen? Ich weiß, ist Murks.
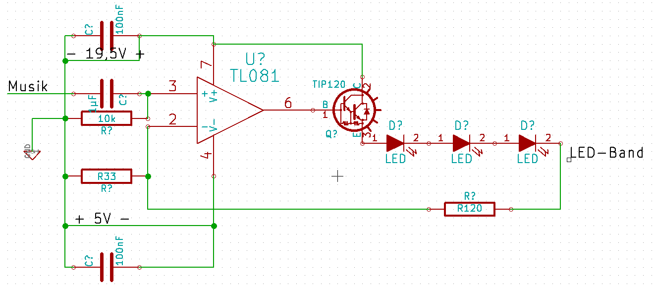
Martin schrieb: > 19,5V bekäme ich von einem Laptop Netzteil Kannst du auch verwenden, dein Kühlkörper schafft das schon und der TL081 hält 36V aus. Martin schrieb: > Wie aber berechne ich dafür den Widerstand, wenn ich den > Widerstand vom Rest der Schaltung nicht weiß Gar nicht. Die Schaltung entspricht nicht der http://www.elektronik-kompendium.de/sites/slt/0210151.htm. Sie ist eine musikgesteuerte Stromquelle, weil die Helligkeit von LEDs durch den Strom bestimmt wird. Nur R33 ist relevant für die Helligkeit bei maximaler Lautstärke. Zur Verbesserung des Verhaltens bei unbekannten Musikquellen sollte man noch 2 Bauteile hinzufügen:
1 | +----100nF----+ |
2 | | | |
3 | +-(-)19.2V(+)-+-----+ |
4 | | | | |
5 | Musik ---(--1uF--+----|+\ | |
6 | | | | >--|< TIP120 |
7 | Masse ---+--10k--+ +--|-/ |E |
8 | | | | +--|>|--|>|--|>|--120R--+ |
9 | +---R33---+---(--+ : : |
10 | | | | +--|>|--|>|--|>|--120R--+ |
11 | +--(+)5V(-)---+ | | |
12 | | | +--------------------------+ |
13 | +----100nF----+ |
Ok gut, danke. Dann werde ich wohl das Laptopnetzteil verwenden. Das liefert mir 4,1A. Denke das sollte reichen oder? Mein PC Netzteil für die Endstufe erlaubt mir 21A, was ja auch genug ist. Sollte der 10k Widerstand regelbar sein, oder muss der garnicht angepasst werden? Bzw. wofür ist der überhaupt gut? Die Kondensatoren sollten Kerko oder Elko sein?
Habe den Schaltplan jetzt mal selber nachgebaut. Wofür sind die beiden roten eingekringelten Verbindungen auf meinem Screenshot gut? Müsste doch einen kurzen geben oder nicht? Oder interpretiere ich den ASCII circuit falsch?
Hast du falsch umgesetzt. Auch an anderen Stellen sind noch fehler. ( bedeutet eine vertikale "Brücke". Die horizontale Leitung darunter ist nicht mit der vertikalen verbunden. + + Dies beiden Kreuzchen sind NICHT miteinander verbunden.
Ok das erklärt einiges. Gibt es irgendwo eine Legende zu den versch. Symbolen? Habe trotzdem schonmal den Schaltplan aktualisiert. Macht so auch gleich viel mehr Sinn :)
Martin schrieb: > Ok das erklärt einiges. Gibt es irgendwo eine Legende zu den versch. > Symbolen? Ich nehme mal an (weiß es aber natürlich nicht), dass MaWin das Programm AACircuit [1] für das Erstellen der Schematics nutzt. Das kannst du dir ja mal ansehen. Gruß Dennis [1] http://www.tech-chat.de/aacircuit.html
Martin schrieb: > Habe trotzdem schonmal den Schaltplan aktualisiert. Wenn du nur 1 LED-Reiher mit 20mA anschliesst, sollte R33 natürlich auf 68 Ohm angepasst werden, sonst jagst du 4A durch die armen LEDs.
Martin schrieb: > Du hast aber auch etwas falsch verstanden. Ich will damit ein LED-Band > mit Strom versorgen. Das sind dann etwas weniger als 600 LEDs. Habe ca. > einen von 5m bereits gekürzt und woanders verbaut. Also 4A sind schon > korrekt. Sonst wäre ich auch defintiv beim TIP31 geblieben. Was für ein LED Band? Ist da schon ein Netzteil dabei? Soll es mit Konstant Spannung oder mit Konstant Strom betrieben werden? Es gibt doch bestimmt einen "Beipackzettel" zum LED Streifen.. Und ich frage mich, ob in der Bauanleitung der TIP31 mit einem BUZ31 verwechselt wurde???
BirgerT schrieb: > Und ich frage mich, ob in der Bauanleitung der TIP31 mit einem BUZ31 > verwechselt wurde??? Damit unter 6V Musiksignal garantiert nichts leuchtet ? Sicherlich nicht.
Entschuldige, das hätte ich dabei schreiben müssen. Die drei LEDs mit Widerstand gibt es knappe 200mal parallel geschaltet. Habe mir die Arbeit gespart in meinem Schaltplan tatsächlich 200 dieser Band-Stückchen rein zu kopieren. Es handelt sich um genau zu sein um folgendes LED-Band: http://www.amazon.de/DREAMY-LIGHTING-STRIP-WASSERDICHT-3528SMD/dp/B00MXW6NKY/ref=sr_1_2?ie=UTF8&qid=1438199087&sr=8-2&keywords=dreamy+lighting+led+strip Das ist wirklich nur das Band, wo auf beiden enden zwei halb angekohlte Leiterstückchen raushängen (+ und -). Ohne Controller oder sowas. BirgerT schrieb: > Und ich frage mich, ob in der Bauanleitung der TIP31 mit einem BUZ31 > verwechselt wurde??? Meinst du die Anleitung von Kendensatorschaden.de?
Wann soll denn die Party steigen.. Was hälst Du denn von dem Vorschlag: Bestell Dir ein fertiges Verstärkermodul (z.Bsp. KEMO M031) und ein Poti dazu. http://www.conrad.de/ce/de/product/130056/Kemo-Verstaerker-Modul-M031N-Baustein-4-12-VDC-Ausgangsleistung-35-W/?ref=detview1&rt=detview1&rb=1 Der Ausgang des Moduls sollte genug "Power" haben, um auch den Darlington-Transistor durchzuschalten. Und mit dem Poti kannst Du die Empfindlichkeit zwischen Flackern und Dauerlicht einstellen. Zwischen dem Verstärkerausgang und der Transistor Basis solltest Du auch einen Schutzwiderstand 2,2kOhm vorsehen. Aber der Transistor braucht Kühlung, weil er als "Vorwiderstand" ein Haufen Leistung verbraten muss. Den Prozessorkühler wohl besser mit Ventilator verwenden. Zweiter optionaler Vorschlag: http://www.elv.de/kemo-pwm-leistungsregler-9-28-v-dc-max-10-a.html?refid=SEM_30003&gclid=CJC03eSlgccCFUPLtAod9B8JIA anstelle des Transistors. An den 0..5 Volt Eingang eine Zenerdiode 5,1 Volt und ebenfalls den Schutzwiderstand zwischen Verstärkerausgang und dem Eingang vom Leistungssteller.
Am 8.8. wäre das, kurz nach meinem Geburtstag. Ich bin auch jetzt zu geizig, um mir noch großartig Zeug zu bestellen. Vor allem wegen der Versandkosten. Bei mir auf Land gibts an Elektronik höchstens PC, Spiele und ein bisschen Haushaltsgeräte und so Kram zu kaufen. Was spezielleres ist schon verdammt weit weg (>50km). Muss ja auch so gehen. Ich werde morgen den Plan von MaWin aufm Steckbrett nachbauen und schauen, ob es brauchbar ist (gerade was Störanfälligkeit betrifft)
Man kanns auch einfach mal mitm Poti am transistor versuchen und die Basis vorspannen, bis die LEDs gerade so glimmen und dann ein stück zurück drehen. Dann reicht die Musik LOCKER aus, um den Darlington zu steuern.
Ich würde die LED Stränge mit Schmelzsicherungen vor zu hohem Strom schützen. Stell Dir mal vor, aufgrund eines Verkabelungsfehlers ist nur noch ein Stran angeschlossen. Der wird dann schön gegrillt.
> Dann reicht die Musik LOCKER aus, um den Darlington zu steuern.
Ja, und dan fehlendem Basis-Vorwiderstand haben wir wieder einen
Kurzschluss, wie zuvor.
Der Kondensator ist falsch herum gepolt.
Stefan U. schrieb: > Der Kondensator ist falsch herum gepolt. Ist das bei einem Wechselsignal wirklich relevant?
Dennis S. schrieb: > Ist das bei einem Wechselsignal wirklich relevant? Ist es mit einer Wechselspannung überhaupt möglich, sie durch eine Gleichspannung zu verstärken? Glaube nicht, das das so funktioniert. Und selbst wenn, wird man im am Emitter kaum etwas zu spüren bekommen glaube ich.
Martin W. schrieb: > Ist es mit einer Wechselspannung überhaupt möglich, sie durch eine > Gleichspannung zu verstärken? Glaube nicht, das das so funktioniert. Und > selbst wenn, wird man im am Emitter kaum etwas zu spüren bekommen glaube > ich. ? Klar geht das... so funktioniert doch jeder Verstärker. Meine Frage bezog sich auf das Schaltbild Autor: Axel R. (axelr) Datum: 30.07.2015 00:23 Der C ist in Reihe mit der Musikquelle, da solle die Polung doch egal sein. Gruß Dennis
Dennis S. schrieb: > Klar geht das... so funktioniert doch jeder Verstärker Ok mag sein. Aber dann bleibt die peak-to-peak spannung trotzdem die gleiche oder nicht?
Martin W. schrieb: > Ist es mit einer Wechselspannung überhaupt möglich, sie durch eine > Gleichspannung zu verstärken? Tja, interessante Frage. Normalerweise würde die Originalschaltung nur die positiven Spannungsspitzen (Volt Peak Vp) über 0.6V in LED-Strom verstärken. Ist die Musik unter 0.6V, bleiben die LEDs aus. Wird die Musik lauter, so 1Vpp, liegt der Pegel länger über 0.6V und die LEDs werden heller. Sie werden auch heller, weil bei 1V natürlich mehr Strom in die Basis des robusten Transistors fliesst und der den Strom der LEDs besser verstärken kann. Die negativen Anteile werden gar nicht verstärkt, also ist immer mindestens 50% Pause beim Licht. Nun zieht Axel R mit der Vorspannung den Transistor immer auf 0.6V so daß die LEDs schon mal ein wenig leuchten. Sagen wir halbhell. Wenn nun Musik kommt mit vorher zu geringem Pegel, sagen wir 0.1Vp oder 0.3Vp, dann werden die LEDs bei jeder positiven Halbwelle heller, und bei jeder negativen dunkler. Im Schnitt bleiben sie gleich hell, egal ob 0.1Vp oder 0.3Vp ankommen. Im Gegenteil 0.6V-0.3V=0.3V macht die LEDs richtig aus, sie werden dunkler. Es sei denn, die Helligkeitszunahme bei 0.6+0.3V=0.9V ist grösser. Das ist wegen der unlinearen Kennlinie des Transistors unklar, allerdings ist sie exponentiell, wird also doch heller. Insgesamt ist die Schaltung also zweifelhaft, obwohl der Trick, die Basis vorzuspannen damit kleinere Signale erkannt werden können, natürlich gut ist. Bloss der Rest der 'einfachen' Schaltung ist so grausam, daß das Ergebnis dann wohl eher von Nebenwerten abhängt, z.B. der genauen Höhes der Vorspannung.
Aber da die Schaltung ja doch noch recht simpel ist, hat man es ja schnell ausprobiert. Werde ich auch mal versuchen. Ist der Elko denn jetzt richtig gepolt oder nicht?
Martin W. schrieb: > Aber da die Schaltung ja doch noch recht simpel ist, hat man es ja > schnell ausprobiert. Werde ich auch mal versuchen. Ist der Elko denn > jetzt richtig gepolt oder nicht? Ja isser.. Das Minus Bein ist an der Anode der Basis-Emitter-Diode mit Masse verbunden. Der Strom kann also nur in eine Richtung fliessen.
BirgerT schrieb: > Ja isser.. Unsinn. Stefan Us hatte schon recht. Im Plan ist der positive Pol Richtung Musikquelle. Dort liegen aber im Schnitt 0V an. Der negative Pol ist am Basisanschluss des Transistors. Dort liegen durch die Vorspannung 0.6V an. Er ist also falsch gepolt, minus müsste in Richtung Musikquelle. Allerdings geht er bei durchschnittlich -0.6V auch nicht gleich kaputt. Martin W. schrieb: > Aber da die Schaltung ja doch noch recht simpel ist Sie ist halt auch recht schlecht. Irgendwas wird blinken auch bei deiner leisen Musik, aber die Umsetzung Musik zu Helligkeit ist alles andere als linear. Die Schaltung mit OpAmp ist da deutlich besser. Ob der optische Effekt so unterschiedlich sein wird, ist allerdings unklar.
Nun gut, dann werde ich es mit dem OpAmp machen. Wenn, dann schon richtig. Habe mir daher auch gestern noch ein Set Keramikkondensatoren besorgt (den ich ohnehin mal bräuchte).
Dann Dreh den Kondensator eben um und bau noch nen 1K vorwiderstand rein. Meine Güte ....
MaWin schrieb: > BirgerT schrieb: >> Ja isser.. > > Unsinn. Stefan Us hatte schon recht. Im Plan ist der positive Pol > Richtung Musikquelle. Dort liegen aber im Schnitt 0V an. Der negative > Pol ist am Basisanschluss des Transistors. Dort liegen durch die > Vorspannung 0.6V an. Er ist also falsch gepolt, minus müsste in Richtung > Musikquelle. Allerdings geht er bei durchschnittlich -0.6V auch nicht > gleich kaputt. Na und.. in der Ausgangsstufe des Verstärkers wird auch ein Kondensator sitzen. Und wenn an der Musikquelle "0V anliegen" fliesst kein Strom, weil die Ausgangsstufe dann hochohmig ist. Damit der Transitor aber tut, muss jedoch ein Strom über die Basis zum Emitter fliessen, das heisst Musikquelle positiv gegenüber der Masse/dem Emitter. @Martin: Was hast Du eigentlich noch für Material zur Verfügung? - Widerstandssortiment - Potis - Elkos und Folienkondensatoren - Transistoren, Dioden, Zenerdioden Und noch eine Frage.. Für LED-Band und Musikquelle verwendest Du getrennte/verschiedene Netzteile? Also Masse LED Band und Masse Audio können verschiedenes Potential haben? Ich habe zwar keinen TIP120, aber ich könnte etwas mit TIP142 ausprobieren..
Ich habe -Widerstandsortiment -Elkosortiment -TL082 -TL081 - 2x TDA2003 (müsste ich auslöten) - PC Netzteil -19,5v Netzteil mit 4,1A Und noch bestellt: - Kerkosortiment - Trimmwiderstandsortiment An zeug, das für das Projekt hier nützlich wäre. Bis jetzt war Masse LED Band und Masse Audio verbunden (zumindest nach der Kondensatorschaden Schaltung). Mein PC Netzteil hat 2 12v Schienen. Eine mit 20A, eine mit 16A. Gelten die auch als verschiedene Stromquellen?
Martin Weber schrieb: > Mein PC Netzteil hat 2 12v Schienen. Eine mit 20A, eine mit 16A. Gelten > die auch als verschiedene Stromquellen? Nein. Masse ist gemeinsam. (Die 12V reichen aber für die 12V LED-Stränge in der Analogschaltung nicht. Klar, mit einer anderen Schaltung könnte man per PWM die Helligkeit trotzdem regeln, aber du bist ja schon bei 3 Bauteilen überfordert, also lassen wir einen selbstschwingenden PWM Wandler erst mal aussen vor.) Aber es hat auch -5V. Es geht aber nicht, zwischen +12V und -5V so 17V zu holen und dann an -12V noch -7V zu bekommen , weil die -5V nicht mit mehreren Ampere belastbar sind.
1 | +------+ |
2 | | +12V|---+ |
3 | | | | |
4 | | +5V| (+) |
5 | | | 17V |
6 | | GND| (-) |
7 | | | | |
8 | | -5V|---+ geht nicht weil -5V nicht belastbar genug sind |
9 | | | | |
10 | | | (+) |
11 | | | 7V |
12 | | | (-) |
13 | | | | |
14 | | -12V|---+ |
15 | +------+ |
Ich würde trotzdem für -5V noch ein Steckernetzteil oder zum Basteln eine 9V Blockbatterie (denn so genau kommt es auf die -5V nicht an, es dürfen nur zusammen 19V+9V nicht mehr als 36V sein) oder 3 x 1.5V Mignon nehmen.
Also ich wollt's auch mal wissen..anbei meine Steckbrettschaltung. Mit dem Trimmer kann die Basis etwas vorgespannt werden, Glimmen des LED Bands als Grundhelligkeit einstellbar, so dass man noch etwas sehen kann, wenn keine Musik spielt. Der Trimmer war auch dafür gedacht, das "Massepotential" des Audiosignals schon mal auf die minimale BasisEmitter Spannung "vorzuspannen", so das nur minimale Audiosignale erforderlich sind, um der Basis "den Rest" zu geben. ABER ACHTUNG: Masse des Netzteils für die LEDs und Masse der Audioquelle dürfen nicht zusammengeschaltet werden!! Es ist erschreckend, was aus den Kopfhörerbuchsen von Notebook oder MP3-Player (nicht) rauskommt - es reicht nicht mal aus, um einen alten PC-Lautsprecher 8Ohm 0,5W anzutreiben. Soviel Leistung scheint minimal erforderlich zu sein, um auch den Transistor für das LED-Band durchzusteuern. Und wie gesagt, der Transistor wird mit Strom gesteuert.. Also ist ein Verstärker erforderlich, der einen 8Ohm Kleinlautsprecher antreiben kann. Ich hatte da noch so ein Modul von KEMO in der Kiste rumliegen - funzt. Video ist zwar auch gemacht - ist aber bei YouTube noch in der Pipeline/Warteschlange.
MaWin: betrifft die gemeinsame Masse nur die 12v oder auch alles andere? Wie gut hat es denn jetzt mit deiner gesteckten Schaltung geklappt? Gut, schlecht, brauchbar? Wäre nett, wenn du einen link zum Video reinschicken könntest :)
https://www.youtube.com/watch?v=VMpuqMVUQ00&feature=em-upload_owner Also wie bereits erwähnt, ohne zusätzlichen Verstärker ging's nicht. Der Kleinlautsprecher ist als Monitor an den Ausgang vom Vertärker geschaltet. Und dann geht's auch bei "Zimmerlautstärke". Ich habe einen TIP142 genommen, weil ich keinen TIP120 habe. Und noch etwas, bei Benutzung der Dimmfunktion, wird er warm. Wenn er warm wird, leitet er mehr (Kollektorstrom steigt), steigender Kollektorstrom mehr Erwärmung..usw. Also Kühlung nicht vergessen. Noch ein Tipp für Steckbrettler - Bauteile (TIP142, Trimmer) auf Pfostenstecker für Jumper gelötet, und dann ins Steckbrett.
> Na und.. in der Ausgangsstufe des Verstärkers wird auch ein > Kondensator sitzen Das ist oft so, aber nicht immer. Kondensatorlose Ausgangsstufen sind inzwischen nicht selten. Wie dem auch sei, kann man jedoch davon ausgehen, dass das Signal der Quelle eine Wechselspannung ohne DC-Offset ist. Also mit 0V Gleichspannungspegel. Während an der Basis des Transistors eine Gleichspannung angelegt wird, zwischen 0 und 0,7 Volt. Also ist klar, dass der Plus-Pol rechts (beim Transistor) liegt.
Stefan U. schrieb: > Wie dem auch sei, kann man jedoch davon ausgehen, dass das Signal der > Quelle eine Wechselspannung ohne DC-Offset ist. Also mit 0V > Gleichspannungspegel. d'accord - Der 0Volt Pegel kommt aber nicht aus dem Ausgang, sondern steht deshalb an, weil der Ausgang über den Lautsprecher mit Masse verbunden ist.. > Während an der Basis des Transistors eine > Gleichspannung angelegt wird, zwischen 0 und 0,7 Volt. Und welche Spannung liegt am Audioausgang an, wenn der Transistor mit Basisstrom versorgt wird? Wo ist dann der Pluspol?
BirgerT: "Dieses Video ist privat"? Kann es mir nicht ansehen. Habe ich die Schaltung deines Trimmpotis richtig verstanden: sollen da wirklich die beiden Enden der Widerstandsbahn an GND und +? Gibt das nicht einen kurzen? Dass der Schleifer an die Basis geht, macht ja Sinn.
Wenn man ein Transistor mit Gleichstrom ansteuern möchte, würde ich die NF erst einmal gleichrichten. NF-Quellen haben meistens einen Koppelkondensator, und da kann nun mal kein Gleichstrom fließen. Meine Beispiel Variante 1 wird niemals funktionieren. Die Schaltung von BirgerT würde ich nicht benutzen, keine NF-Gleichrichtung und die LED haben keinen Vorwiderstand.
Martin W. schrieb: > BirgerT: "Dieses Video ist privat"? Kann es mir nicht ansehen. Bitte nochmal versuchen.. > Habe ich die Schaltung deines Trimmpotis richtig verstanden: sollen da > wirklich die beiden Enden der Widerstandsbahn an GND und +? Gibt das > nicht einen kurzen? Die Widerstandsbahn ist wie ein Widerstand 4K7 zwischen Plus und Minus, hatte auch schon überlegt, ob da ein zusätzlicher Widerstand 10k zwischen Plus und Trimmer rein sollte, war dann aber doch zu faul, nochmal extra aufzustehen ;-) Dass der Schleifer an die Basis geht, macht ja Sinn. Aber über den 2k2 Widerstand!! Wenn der Trimmer versehentlich ganz auf plus gedreht ist, wären der TIP und der Trimmer hinüber. Mit dem Schleifer wird eine virtuelle Masse für das Audiosignal eingestellt, der Emitter liegt gewissermaßen auf einem gegenüber dem Audiosignal negativen Potential, bzw. die Audiomasse ist schonmal auf den Level Basis-Emitterspannung angehoben. Jetzt braucht' dann nur noch wenig mehr Audio Spannung, um den Transistor voll aufzusteuern. Jedenfalls war das der Plan.. Aber leider ist trotzdem ein Verstärker erforderlich. Früher (70er/80er) war das mal Cool (den Begriff gab's da noch nicht bzw. es hieß "Oberaffengurkengail") mit 3- oder 4-Kanallichtorgeln. Anstelle der Strahler würde man dann jetzt rote, grüne, gelbe und blaue LED-Stripes flackern lassen.. In welcher Stadt wäre für Dich denn der nächste Elektronik-Laden?
Günter Lenz schrieb: > Die Schaltung von BirgerT würde ich nicht benutzen, > keine NF-Gleichrichtung und die LED haben keinen > Vorwiderstand. Was währe der Nachteile, wenn nicht gleichgerichtet wird? Widerstände sind bereits im LED-Band verbaut BirgerT schrieb: > Aber leider ist trotzdem ein Verstärker erforderlich.Soweit klappt das dann auch über den Audioausgang meines PCs. Auch da schaltet der Transistor, nur leider nicht ganz durch. Also fällt das wohl weg. BirgerT schrieb: > In welcher Stadt wäre für Dich denn der nächste Elektronik-Laden? Mainz oder Saarbrücken hätte den nächsten Conrad Laden. Und beides 100km weg. Gibt auch kleinere Händler mit magerer Auswahl, aber auch die sind mindestens 50km weit weg. Rheinland-Pfalz ist da etwas dünn besiedelt :/
Günter Lenz schrieb: > Wenn man ein Transistor mit Gleichstrom ansteuern > möchte, würde ich die NF erst einmal gleichrichten. macht in diesem Fall die Basis-Emitter-Diode > NF-Quellen haben meistens einen Koppelkondensator, > und da kann nun mal kein Gleichstrom fließen. Deshalb muss die Schaltung auch parallel zum Lautsprecher gehängt werden, der LS sorgt dann für den Stromfluss über den Kondensator > Meine Beispiel Variante 1 wird niemals funktionieren. ausprobiert? Womit gezeichnet? > Die Schaltung von BirgerT würde ich nicht benutzen, ..ich wollt's halt mal wissen, und hab's ausprobiert. > keine NF-Gleichrichtung und die LED haben keinen > Vorwiderstand. LED Band ist angesagt für 12Volt und mit integrierten Vorwiderständen.
BirgerT schrieb: >> Meine Beispiel Variante 1 wird niemals funktionieren. >ausprobiert? >Womit gezeichnet? Wie ich schon schrieb, über einen Kondensator kann kein Gleichstrom fließen, ist doch logisch, daß braucht man nicht ausprobieren. Aber wer es nicht glaubt kann es natürlich ausprobieren. Wenn ein Lautsprecher mit drann ist, geht es, er bildet ja dann einen Gleichstrompfad. Gezeichnet habe ich es mit sPlan 4.0 von abacom.
Günter Lenz schrieb: > BirgerT schrieb: >>> Meine Beispiel Variante 1 wird niemals funktionieren. >>ausprobiert? >>Womit gezeichnet? > > Wie ich schon schrieb, über einen Kondensator kann kein > Gleichstrom fließen, ist doch logisch, daß braucht man > nicht ausprobieren. Aber wer es nicht glaubt kann es > natürlich ausprobieren. Wenn ein Lautsprecher mit drann > ist, geht es, er bildet ja dann einen Gleichstrompfad. Gleichstrom soll hier ja auch nicht fliessen, es sollen nur die positiven Wechselstromimpulse des Audiosignals verstärkt werden. Gut und der Kondensator muss natürlich auch die Möglichkeit haben, sich zu "entleeren" > Gezeichnet habe ich es mit sPlan 4.0 von abacom. Jepp - Herzlichen Dank für die Info. Und einen habe ich noch.. http://youtu.be/7jAm5vaVmoE Das mit LED Stripes in groß unter die Decke genagelt..
Schick gemacht BirgerT! Bin jetzt gerade MaWins Schaltung am nachstecken, hänge aber an den Kondensatoren. Da ich nur Elektrolytkondensatoren habe: in welche Richtung muss ich den 1µF Elko polen? Ich meine den, der direkt an der Musikquelle liegt.
Martin W. schrieb: > Bin jetzt gerade MaWins Schaltung am nachstecken, hänge aber an den > Kondensatoren. Da ich nur Elektrolytkondensatoren habe: in welche > Richtung muss ich den 1µF Elko polen? Ich meine den, der direkt an der > Musikquelle liegt. Die ganz oben mit +19 und -5 Volt? Da eigentlich Minus zur Musikquelle, aber im Grunde genommen wurscht, weil sowieso Wechselspannungsbetrieb ohne Leistung. 470n Folie täten's aber auch..
MaWin schrieb: > +----100nF----+ > | | > +-(-)19.2V(+)-+-----+ > | | | > Musik ---(--!1uF!--+----|+\ | > | | | >--|< TIP120 > Masse ---+--10k--+ +--|-/ |E > | | | +--|>|--|>|--|>|--120R--+ > +---R33---+---(--+ : : > | | | +--|>|--|>|--|>|--120R--+ > +--(+)5V(-)---+ | | > | | +--------------------------+ > +----100nF----+ Der in der Mitte links. Hab ihn mal Links und rechts mit "!" markiert.
> Bin jetzt gerade MaWins Schaltung am nachstecken,
Der Eingang des OP-Amps liegt auf GND. Du hast keinen Plus-Pol, deswegen
brauchst du einen bipolaren Kondensator. Elko ist an dieser Stelle
ungeeignet.
Falls du die Transistorschaltung meinst: Habe ich schon dreimal
geschrieben. Der Plus-Pol ist an der Basis des Transistors. Du kannst
das mit einem Multimeter überprüfen.
MaWin schrieb: > +----100nF----+ > | | > +-(-)19.2V(+)-+-----+ > | | | > Musik ---(--(-)1uF(+)--+----|+\ | > | | | >--|< TIP120 > Masse ---+--10k--+ +--|-/ |E > | | | +--|>|--|>|--|>|--120R--+ > +---R33---+---(--+ : : > | | | +--|>|--|>|--|>|--120R--+ > +--(+)5V(-)---+ | | > | | +--------------------------+ > +----100nF----+ Also so rum? Will nicht durch zu geringen Widerstand meine Bauteile himmeln, also lieber zweimal fragen.
Mann ist das so schwer? Was habe ich geschrieben? > Der Eingang des OP-Amps liegt auf GND. > Du hast keinen Plus-Pol, > deswegen brauchst du einen bipolaren Kondensator. > Elko ist an dieser Stelle ungeeignet. Dein Schaltplan ist unleserlich!
Hi Martin, um ganz ganz sicher zu gehen, nimmt man bipolare Kondensatoren. Um einen Bipolaren Elko (1uF) zu basteln, werden zwei Stück mit doppelter Kapazität (2,2uF) so in Reihe geschaltet, dass die beiden + oder die beiden - Pole miteinander verbunden sind. oder nimm 2x 470n Folie parallel
Oh sorry, habe den Beitrag wohl voll überlesen. Dann muss ich warten, bis das Kerkosortiment da ist. Der Schaltplan ist unleserlich, weil ich das (+) und (-) dazwischen gequetscht hab. BirgerT schrieb: > Um einen Bipolaren Elko (1uF) zu basteln, werden zwei Stück mit > doppelter Kapazität (2,2uF) so in Reihe geschaltet, dass die beiden + > oder die beiden - Pole miteinander verbunden sind. So viele habe ich leider nicht mit den niedrigen Werten. BirgerT schrieb: > oder nimm 2x 470n Folie parallel Folie habe ich leider garnicht :/ Werde also wohl oder übel hoffen müssen, dass dieser Amazon Marketplace Händler sich an die Lieferzeit hält :/
Martin W. schrieb: > Also so rum? Will nicht durch zu geringen Widerstand meine Bauteile > himmeln, also lieber zweimal fragen. Finger weg von den 19,2 Volt! Günstiger und schneller Onlineshop ist auch Pollin.de.. und wenn der Bauteileaufwand jetzt eh egal ist, wie wär's damit http://www.dieelektronikerseite.de/Circuits/3%20Kanal%20LED-Lichtorgel.htm der jeweils ganz rechte Transistor ist dann ein TIPxxx, der das LED Band schaltet.
"12V Lichtorgel" in die Suchmaschine eingeben.. http://www.moddingtech.de/tutorials/44-lichteffekte/172-sound-to-light-modul.html den werde ich später mal versuchen.. kein Elko, kein Audiosignal anschliessen, minimaler Bauteilaufwand.
Martin W. schrieb: > Oh sorry, habe den Beitrag wohl voll überlesen. Dann muss ich warten, > bis das Kerkosortiment da ist. Nimm halt, was du da hast, ob 100nF Kerko oder 2u2 gepolter Elko in beliebiger Richtung, das geht schon, der Elko wird mit 0V beaufschlagt, also egal wie rum, BirgerT würde ihn auch mit -0.6V beaufschlagen.
Hatte MaWins Schaltung nachgesteckt. Hatte aber irgendwie überhaupt nicht das getan, was es sollte. Also garnicht auf Musiksignale reagiert. Bin jetzt daher wieder auf die stümperhafte Schaltung von Kondensatorschaden ausgewichen. Mit dem Unterschied, dass ich jetzt das 19,5V Netzteil als Spannungsversorgung habe. Dadurch wird es heller, kommt aber trotzdem selbst mit meinem PC als Eingang nicht an die 12V. Wenn es doch zu viel wird, kann ich es noch mit einem Poti runterregeln. Nicht schön, aber selten. Ich lass das jetzt einfach so, da ich damit vorerst zufrieden bin. Danke dennoch für die vielen hilfreichen Antworten!
BirgerT schrieb: > "12V Lichtorgel" in die Suchmaschine eingeben.. > > http://www.moddingtech.de/tutorials/44-lichteffekt... > > den werde ich später mal versuchen.. kein Elko, kein Audiosignal > anschliessen, minimaler Bauteilaufwand. Hatte am WE diese Schaltung probiert mit folgenden Änderungen: - BD137 war der TIP142 - 390 Ohm Widrstand -> 2,2kOhm (TIP hat Verstärkung ca 1000fach. 4A soll er schalten, also braucht er ca 4mA Basisstrom - Anstelle des Potis R2 einen Trimmer 2,2 MOhm zwischen Plus und Minus, den Schleifer an die Basis des linken Transistors (und an den Kondensator), damit kann eine Grundhelligkeit eingestellt werden. - 150nF anstatt 330nF; das ging dann auch mit dem MP3-Player Kopfhörerausgang - Mikro von einem Headset, Anstelle Poti R1 10kOhm Festwiderstand, flackert nur, wenn man direkt in Mikro pustet. - den Eingangstransistor durch einen BC517 (Darlington mit 30000facher Verstärkung) ersetzt, aber dann ging das LEDband nur noch im Takt der Musik an und aus, sah Sch.. aus. Wenn Du noch Transistoren (und Zeit) hast, vielleicht kannst Du dir diesen hier nachstecken (unter Downloads findest Du die Anleitung)http://www.conrad.de/ce/de/product/195359/Conrad-Universal-Vorverstaerker-195359-Bausatz-9-27-VDC-Ausgangsleistung-500-mV?ref=list Du musst nur den C3 weg lassen, also die Basis vom TIP direkt am Knoten R6,T2,C2 anschalten. Und ein Verstärkermodul http://www.conrad.de/ce/de/product/130056/Kemo-Verstaerker-Modul-M031N-Baustein-4-12-VDC-Ausgangsleistung-35-W?ref=list kam heute auch an, aber beim Ausprobieren ist mir irgendwie der Plus auf den LS Anschluß gekommen - das war's, liegt in der Tonne bevor's bezahlt ist.
Werde das evtl später mal nachbauen. Vorerst bin ich, wie schon erwähnt, relativ zufrieden mit meiner Schaltung. Hab es eben auch schon auf die Platine gelötet :)
Bitte melde dich an um einen Beitrag zu schreiben. Anmeldung ist kostenlos und dauert nur eine Minute.
Bestehender Account
Schon ein Account bei Google/GoogleMail? Keine Anmeldung erforderlich!
Mit Google-Account einloggen
Mit Google-Account einloggen
Noch kein Account? Hier anmelden.




