Moin, ich brauche eine kleine Impulsverlängerung, die sehr schnell schaltet - daher fällt ein einfaches Multifunktion-Zeitrelais raus. Ich kriege einen Impuls (Handtaster) und dieser soll also einen Transistor, der die Last schaltet, für einstellbare 100-1000ms schalten. Ich dachte auf die schnelle an ein RS-Flipflop, welches am S-Eingang noch einen UND davor hat. Auf den UND geht der Eingang sowie negiert der Q des RS (um den Eingang bei gesetzten RS zu verriegeln um den unbestimmten Zustand, das R & S auf 1 sind, zu vermeiden falls der Eingangstaster sehr lang gedrückt wird). Mit dem Ausgang Q lade ich ein R-C-Glied auf, welches am R des RS anliegt und somit nach bestimmter Zeit das Flipflop wieder zurück setzt. Wenn man für R ein Poti nimmt, wäre das einstellbar. Ist das so klug oder zu umständlich/dumm? Gibt es ne Faustformel wie ich das RC-Glied auslegen müsste um in etwa an die Zeiten zu kommen? Nebenfrage: Die Last ist ein Gleichstrommotor 12VDC, der im Normalfall für ca. 500ms laufen soll und kurzzeitig bis zu 6A aufnimmt - welcher Transistor (bis ca. 8A/10A) wäre da zu empfehlen?
Qnkel . schrieb: > die sehr schnell schaltet - > daher fällt ein einfaches Multifunktion-Zeitrelais raus. Qnkel . schrieb: > Ich kriege einen Impuls (Handtaster) Handbetätigung ist schnarchlangsam, das schafft jedes Relais spielend. Ansonsten Monoflop (CD4538, 74HC123). Die Formeln für die Zeit stehen im Datenblatt.
Ab Auslösung des Handtasters muss es so schnell wie möglich gehen - jeglicher Zeitfaktor dahinter durch Relais etc. soll eliminiert werden. Werde mir die Monoflops ansehen - vielen Dank.
Peter D. schrieb: > Ansonsten Monoflop (CD4538, 74HC123). Die Formeln für die Zeit stehen im > Datenblatt. 74xx123 ist retriggerable, 74xx121 ist für diesen Zweck wohl eher geeignet.
Der CD4538 passt - er kann bis 18V betrieben werden. Jetzt fehlt mir nur ein passender Transistor dahinter um die Last von ca. 6A (Gleichstrommotor) zu schalten. Dachte an ein MOSFET oder IGBT? Ein MOSFET müsste ich doch direkt ansteuern können - also Gate an den CD4538 und fertig, oder?
Qnkel . schrieb: > Ein MOSFET müsste ich doch direkt ansteuern können - also Gate an den > CD4538 und fertig, oder? Aber nur wenn die Schaltung auch ne µs oder zwei verzögern darf. Wenn du Qnkel . schrieb: > jeglicher Zeitfaktor dahinter durch Relais etc. soll eliminiert werden. dann solltest du noch einen Treiber vorsehen. inwiefern sich das mit einer Reaktionszeit des Menschen von mehreren 100ms bis über 1s verträgt liegt an dir :-)
Qnkel . schrieb: > Ein MOSFET müsste ich doch direkt ansteuern können - also Gate an den > CD4538 und fertig, oder? Bei 6A Last würde ich lieber einen Gate-Treiber dazwischenlegen. Der CD4538 treibt nur wenige mA. Die Umladezeit des Gates wird dadurch relativ lang -> MosFET kann heiss werden. Qnkel . schrieb: > welcher > Transistor (bis ca. 8A/10A) wäre da zu empfehlen? So einige. Kommt auch darauf an, welches Package du bevorzugst. Die üblichen Verdächtigen sind bei Vishay Siliconix, Fairchild, IRF usw. in der parametrischen Suche zu finden.
Joe F. schrieb: > Die Umladezeit des Gates wird dadurch > relativ lang -> MosFET kann heiss werden. Aber nur, wenn Du mit 100kHz auf der Taste rumhämmerst. Das hier ist statischer Betrieb, da wirken nur die ohmschen Verluste.
Okay, vielen Dank schonmal für die Infos. Da mein Lieferant sich auf Conrad beschränkt, habe ich dort gesucht. Ich nehm ein IGBT IRG4BC30U, der schaltet bis zu 12A. Laut Datenblatt macht der wohl spätestens bei 8V weit genug auf. Ich habe ca. 12-14V. Und um sicher zu gehen packe ich davor ein BC547(B/C) um ihn anzusteuern. Bei 12-15V sollte ein Basis-Widerstand im Bereich von 4,7k ja völlig reichen, oder?
Qnkel . schrieb: > Ich nehm ein IGBT IRG4BC30U Aber Du weißt ja, dass ein IGBT eine hohe Sättigungsspannung hat (ca. 2V)? Diese Spannung fehlt Dir am Motor und produziert Verlustleistung. Für niedrige Spannungen nimmt man daher eher MOSFETs. Gruß Dietrich
Peter D. schrieb: > BUZ11: > 0.04R * 6A² = 1.5W > Ein kleiner KK sollte reichen. Da er treuer Conrad-Kunde ist, kann er zu ähnlichen Kosten auch einen IRF3205 mit 8 mOhm nehmen. Dann spart er sich die Kühlung. Qnkel . schrieb: > Und um sicher zu gehen packe ich davor ein BC547(B/C) um ihn > anzusteuern. > > Bei 12-15V sollte ein Basis-Widerstand im Bereich von 4,7k ja völlig > reichen, oder? Entweder steuerst Du ohne zusätzlichen Treiber an, was bei wenigen Schaltvorgängen pro Minute ausreichen würde, oder Du nimmst einen PNP und einen NPN Transistor als Gegentakt-Emitterfolger.
So hab die Schaltung mal aufgebaut. Den FET direkt an den CD4538. Einmal hat es funktioniert - das wars. Der 4538 wird ziemlich heiß und jetzt passiert nichts mehr :( :(
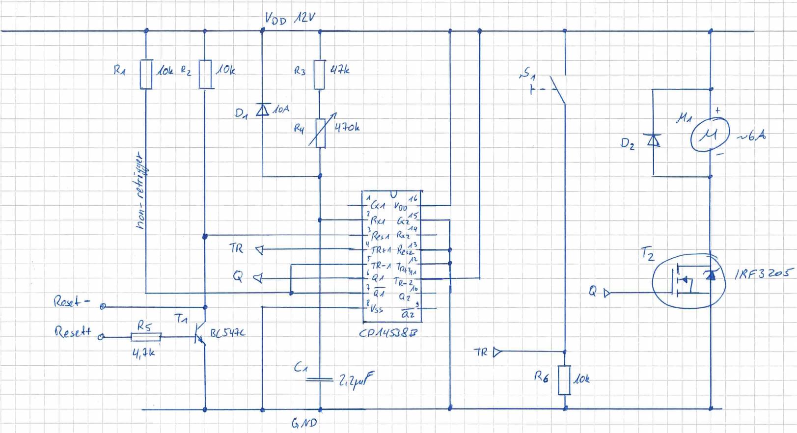
Fotos gehen leider nicht. Die Schaltung ist etwas quick&dirty aufgebaut. Folgendes hatte ich bis jetzt: Die Schaltung funktioniert, wenn ich sie mit nem PC-Lüfter kühle. Die Schaltung nimmt bereits im Leerlauf 140mA auf, was mir deutlich zuviel erscheint. Der CD14538B wird heiß, der Rest nicht. Am TR+ ist das Gate sowie ein 10k Pull-Down-Widerstand. Am Reset habe ich ein 10k Pull-Up-Widerstand (der Reset soll später mit einem Transistor auf Masse gezogen werden können) Der Rx-Widerstand (CxRx-Glied) hat die nach Datenblatt (Power-Down-Mode) empfohlene Diode zu Vdd hin. Der Kondensator ist direkt an die Masse und nicht an Pin1 des IC angeschlossen. Cx sind 2,2µF. Rx sind 47k Vorwiderstand und 470k Poti. Vdd sind 12V. TR- hat ein 10k Pull-Down und ist mit Q1_ (der negierte) verbunden damit es nicht retriggerbar ist. Der Motor hat ne Freilauf-Diode auf der Platine (10A). Die nicht genutzten Anschlüsse des 2. Monoflop hab ich nach dem Datenblatt des CD4538B beschaltet (Reset auf Vdd, TR+ auf Vss, TR- auf Vdd, Cx auf Vss). Das macht die Schaltung: Mal schaltet sie den Motor in der etwa eingestellten Zeit - so wie es sein soll. Manchmal wird der Motor nur kurzzeitig geschaltet. Aktuell halte ich zum schalten ein Draht von TR+ auf Vdd. Das prellt natürlich ziemlich. Manchmal wird der Motor beim lösen des Drahtes nochmal durchgeschaltet. Teilweise wird der Motor dauerhaft durchgeschaltet, es wird also nicht mehr abgeschaltet, bis ich die ganze Schaltung spannungslos mache. Beim normalen durchschalten liegen 11,5V am Gate an (Vdd=12V). Wenn der Motor dauerhaft angesteuert wird liegen nur 7,7V am Gate an. Habe die Vermutung mein Cx mit 2,2µF ist zu groß. Das erklärt aber noch nicht den hohen Standby-Strom von 140mA.
Qnkel . schrieb: > Fotos gehen leider nicht. "geht nicht", oder "ich traue mich nicht" ;-) > Die Schaltung ist etwas quick&dirty aufgebaut. ja, und genau daran wird es liegen. Hat denn der CD4538B wenigstens eine saubere Versorgungsspannung + Abblockkondensator(!!!)? > Folgendes hatte ich bis jetzt: > Die Schaltung funktioniert, wenn ich sie mit nem PC-Lüfter kühle. Die > Schaltung nimmt bereits im Leerlauf 140mA auf, was mir deutlich zuviel > erscheint. Der CD14538B wird heiß, der Rest nicht. Bei 140mA kannst du die Schaltung sofort wieder ausschalten, anstatt mit einem Lüfter zu kühlen. Da ist der Wurm drin, und je länger man sie laufen lässt, desto mehr Schaden nimmt der CD4538B. Ein Schaltplan wäre schön, es wird mühsam sein, die Schaltung nach der obigen Beschreibung nachzuvollziehen.
Qnkel . schrieb: > Fotos gehen leider nicht. > > Die Schaltung ist etwas quick&dirty aufgebaut. Genau das ist aber der Zweck des Fotos. Keine Angst, q&d machen wir alle und sind uns schlimmes gewohnt. Den Rest hättest du dir in Prosa sparen können und stattdessen ein Schema zeichnen.
Wo ist denn der angedachte BC547 geblieben? Als Emitterfolger hinter dem 4538 und vor dem IRF(B)3205 mit einem 470 Ohm Arbeitswiderstand im Emitter sollte das problemlos klappen und keinerlei Rückwirkungen auf den 4538 haben.
1 | +12 O-------+ |
2 | | |
3 | | |
4 | 100 |/ C |
5 | o-|==|----| |
6 | Sig B |\ E |
7 | | |
8 | +--|==|--> Gate |
9 | | 22-47R |
10 | - |
11 | | | |
12 | 330-560R | | |
13 | - |
14 | | |
15 | GND o-------+--------> Source |
Fotos gehen leider nicht, da das auf Arbeit streng verboten ist. Anbei der schnell gezeichnete Schaltplan. @Matthias Den hatte ich weg gelassen, da es ja auch so gehen sollte - das wäre auch meine erste Idee, die Schaltung nochmal neu mit dem BC547 aufzubauen. Aber das kann doch den hohen Standby-Strom nicht auslösen...
Ich denke die Verbindung von pin 15 zu GND ist nicht gut. Baue mal das Monoflop auf, ohne den FET anzuschließen, und gucke ob das ordentlich funktioniert. Dann schließt du erst den FET an. Zur Sicherheit würde ich einen Serienwiderstand von 100 Ohm vor das Gate schalten. Wenn du den Transistortreiber benutzt, muss der natürlich an den invertierten Ausgang.
Qnkel . schrieb: > Fotos gehen leider nicht, da das auf Arbeit streng verboten ist. ??? Es ist also nicht für Dein Hobby, sondern die Leute hier machen unbezahlt Deinen Job? Schäme Dich!
da fehlt der pulldown vom mosfet gate <> gnd (ca 100k)
TestX schrieb: > da fehlt der pulldown vom mosfet gate <> gnd (ca 100k) Nicht nötig, da kein tristate-Ausgang.
Sorry, der Emitterfolger invertiert nicht, du benutzt natürlich den gleichen Ausgang.
Peter D. schrieb: > TestX schrieb: >> da fehlt der pulldown vom mosfet gate <> gnd (ca 100k) > > Nicht nötig, da kein tristate-Ausgang. im stationären betrieb geht es natürlich ohne, aber in dem moment in dem die spannungsversorgung eingeschaltet wird ist der mosfet sonst in einem undefinierten zustand ..
Hab die Schaltung nochmal neu aufgebaut - jetzt funzt sie schonmal ohne Wärme. Aber oft wird der Motor nur kurzzeitig angesteuert, nicht über die eingestellte Zeit. Manchmal funzt es ein paar mal hintereinander - dann wieder nicht. Und nach ein dutzend Mal probieren wird er dauerhaft angesteuert und der CD14538 wird heiß - lasse ich alles abkühlen funzt es wieder "normal" (also so unnormal wie vorher). Hab jetzt vor dem FET den BC547 als Treiber. Ich vermute ein Problem ist, dass der Mikroschalter, der triggert, etwas prellt. Hab in einem anderen Schaltungsbeispiel gesehen, dass am Reset nochmal ein 10nF gegen GND lag und am Trigger-Eingang ein 47nF parallel zum Widerstand. Ob das Besserung bringt? Irgendwo läuft in der Schaltung was verkehrt bzw. im 4538...
Mach mal in Reihe zum Digitalgedöns nen 100R und nen 100nF || 12V Z-Diode gegen GND. Vermutlich bringt der Motor Deine 12V durcheinander und es enstehen hohe Pulse, die den 4538 durchzünden lassen. Im Normalfall sollte an dem 100R kaum was abfallen, CMOS braucht ja nix.
Qnkel . schrieb: > Und nach ein dutzend Mal probieren wird er dauerhaft angesteuert und der > CD14538 wird heiß Der CD14538 darf nicht die Spur von warm werden. Irgendwas ist da falsch. Was ist denn mit den Abblockkondensatoren? Hast du welche verbaut? Was ist mit dem Serienwiderstand zum FET Gate? Hat das Gate vom FET einen pulldown (100K)? Wie sieht die Versorgungsspannung am Oszilloskop aus? Wie sieht das Ausgangssignal am Oszilloskop aus? (FET nicht angeschlossen, FET mit 100R Serienwiderstand angeschlossen...)
Qnkel . schrieb: > Am TR+ ist das Gate sowie ein 10k Pull-Down-Widerstand. Das war hoffentlich ein Schreibfehler, und du meintest statt "das Gate" "der Taster". Das Gate gehört natürlich an Ausgang Q (so wie in deiner Zeichnung).
Ah, und jetzt sehe ich es erst. Lege mal Cx1 (Pin 1) auf GND. Evtl. hast du einen MC14538B erwischt, und da steht im Datenblatt: "NOTE: Pins 1, 8 and 15 must be externally grounded"
@Onkel: Der Ausgang Q1 an Pin15 darf nicht auf GND, das ist ein Kurzschluss. Please acknowledge!
Bernd K. schrieb: > @Onkel: Der Ausgang Q1 an Pin15 darf nicht auf GND, das ist ein > Kurzschluss. Pin 15 ist nicht Ausgang Q1, sondern Cx2, und muss auf GND (s.o.).
Joe F. schrieb: > Qnkel . schrieb: >> Am TR+ ist das Gate sowie ein 10k Pull-Down-Widerstand. > > Das war hoffentlich ein Schreibfehler, und du meintest statt "das Gate" > "der Taster". > Das Gate gehört natürlich an Ausgang Q (so wie in deiner Zeichnung). Ja, sorry. War natürlich ein Schreibfehler. Joe F. schrieb: > Ah, und jetzt sehe ich es erst. > Lege mal Cx1 (Pin 1) auf GND. > > Evtl. hast du einen MC14538B erwischt, und da steht im Datenblatt: > > "NOTE: Pins 1, 8 and 15 must be externally grounded" Ich habe ein CD14538BE, dort steht, das 1, 8 & 15 intern verbunden sind. Außerdem steht dort unter "Power Down-Mode", das man ab 0,5µF den Kondensator direkt an Masse und nicht an Pin 1 anschließen soll. Daher diese Schaltung und Pin 1 bleibt frei. Habe nochmal Kondensatoren geordert und werde entsprechend einen Abblockkondensator und die anderen Widerstände einsetzen. Werde gleich mal die Spannungen oszilloskopieren.
Da du zwei Monoflops in dem Kerlchen hast, benutze doch das eine noch, um den Taster zu entprellen. Wie immer bei CMOS vergiss den Abblockkondensator zwischen Vcc und Gnd nicht. Dem BC547 macht es übrigens so gut wie nichts aus, wenn er ein komplett entladenens Gate mal volladen soll, bau ihn ruhig ein. Beachte, das ich in der o.a. Stufe trotzdem einen kleinen Gatevorwiderstand benutze, schaden tut das sicher nicht. Noch ein Tipp: Zu grosse Kondensatoren mögen die Monos meistens nicht so gerne, vor allem, wenn sie dann anfangen, Leckströme zu haben, wie Niedervolt Elkos. Also besser den R um Faktor 10 grösser wählen und dafür C um den Faktor 10 kleiner.
Serienwiderstand zum Gate habe ich 47Ohm drin. Abblockkondensator kommt noch rein, sobald alles da ist. BC547 als Treiber ist bereits drin. Der 2,2µF ist ein 63V-Folienkondensator von WIMA. Hab schon gerechnet um in Bereich von 220nF zu kommen, allerdings werden dann die Widerstände riesig (4,7MOhm).
Bitte melde dich an um einen Beitrag zu schreiben. Anmeldung ist kostenlos und dauert nur eine Minute.
Bestehender Account
Schon ein Account bei Google/GoogleMail? Keine Anmeldung erforderlich!
Mit Google-Account einloggen
Mit Google-Account einloggen
Noch kein Account? Hier anmelden.
