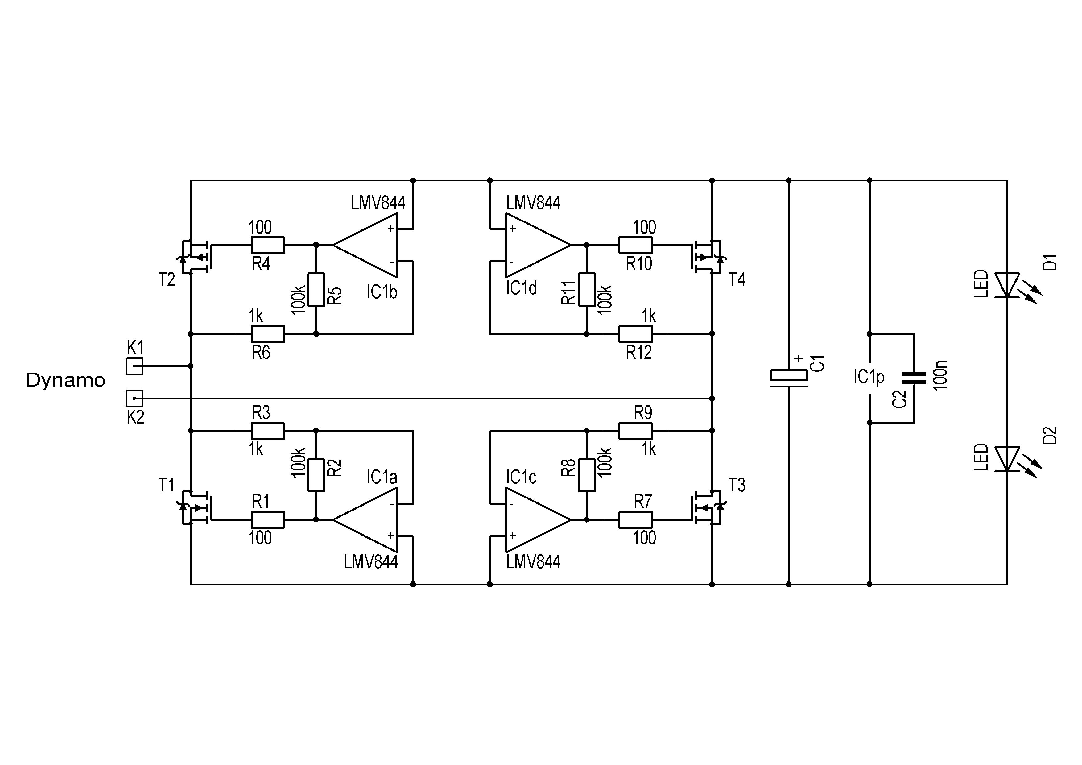
Hallo, ich möchte die Spannung eines Nabendynamo effizient gleich richten. Dazu hat sich im Netz die Schaltung von Jürgen Heidbreder "durchgesetzt". Siehe Bild 1. Diese habe ich erfolgreich nachgebaut und betreibe sie an mehreren Rädern erfolgreich. Nun möchte ich aber den großen Nachteil dieser Schaltung beheben. Die MOSFETs lassen den Strom im durchgeschalteten Zustand in beide Richtungen fließen, so dass sich ein Kondensator oder Akku hinter dem Gleichrichter verbietet. Ich möchte nun einen Gleichrichter mit OPVs bauen. Dazu möchte ich die Schaltung aus Bild 2 verwenden. Umgesetzt werden soll das Ganze möglichst mit Standard Bauelementen. Ich habe die Schaltung mit dem Programm "NI MultiSim 11.0" simuliert. Siehe Bild 3. Das aufgenommene Oszillogramm ist auf Bild 4 zu sehen. Leider schaffe ich es nicht, beide Halbwellen mit den gewünschten Verlusten von ca. 100mV gleichzurichten und ich schaffe es nicht, die OPVs ohne externe Spannungsversorgung zu betreiben. Eigentlich sollte ein ElKo die Spannungsversorgung der OPVs nach einigen Halbwellen übernehmen. So wie in Bild 2 angedacht. Ich freue mich auf alle Lösungen, Hinweise oder Kritik.
Die beiden unteren Opamps brauchen eine negative Versorgungsspannung, die ungefähr dem negativen Scheitelwert der Dynamospannung entspricht. Evtl. kannst du die Opamps direkt mit der geglätteten Ausgangsspannung des Gleichrichters versorgen. Allerdings könnten dabei in der Zeit, während der die Ausgangsspannung noch unterhalb der minimalen Versorgungsspannung der Opamps liegt, unschöne Dinge passieren.
Gerade für einen Dynamo ist dieses Thema schon, bis zum geht nicht mehr, durchgekaut worden. Auch hier Mikrokontrollers. Des Weiteren hat sich, schon vor längerem, eine passende Schaltung, von der Elektor, ins Netz geschlichen. Also: "Suchet, so werdet Ihr finden".
Egal wie man es dreht und wendet, sobald ich Gegenspannung habe (Akku, Elko), kann ich nicht mehr die MOSFETs über Spannungsmessungen schalten, sondern ich muss den Stromfluss messen und die MOSFETs zum geeigneten Zeitpunkt abschalten, so wie eine normale Diode das auch tun würde. Also ein echter gesteuerter Gleichrichter.
Paul schrieb: > Hallo, ich möchte die Spannung eines Nabendynamo effizient gleich > richten. Da Fahrraddynamos mehr Stromquellen als Spannungsquellen sind, wirkt sich die Diodenverlustspannung praktisch überhauptnicht aus. Also kann man sich den Aufwand mit den FETs sparen. Erheblich sinnvoller könnte da der Einbau eines MPP-Reglers sein, um bei unterschiedlichen Geschwindigkeiten die jeweils maximal mögliche Leistung aus dem Akku zu holen.
Harald W. schrieb: > Da Fahrraddynamos mehr Stromquellen als Spannungsquellen sind, > wirkt sich die Diodenverlustspannung praktisch überhauptnicht > aus. Also kann man sich den Aufwand mit den FETs sparen. > Erheblich sinnvoller könnte da der Einbau eines MPP-Reglers > sein, um bei unterschiedlichen Geschwindigkeiten die jeweils > maximal mögliche Leistung aus dem Akku zu holen. Das ist die Theorie. Ich hatte folgendes vor: Drehzahl aus der Eingangswechselspannung ermitten und mit einen uC drehzahlabhängig das PWM-Verhältnis eines StepDown-Wandlers steuern, um einen max. Strom in einen Akku zu kriegen. Hier würde Steuern reichen, da die Drehzahl das einzige Merkmal ist was den MPP bestimmt. Dazu hatte ich mir extra einen Prüfstand gebaut. Mich interessieren vor allem Geschwindigkeiten zwischen 15 und 25kM/h. Leider musste ich feststellen, dass sich auf diese Art und Weise zwar ein paar Prozent Verbesserung ergeben würden, am Ende aber zu wenig um den Aufwand zu Rechtfertigen. Deswegen habe ich das dann ganz schnell beerdigt. Hier bringen die einfachen Serienkondensatoren wie sie in der Fahrrad- Beleuchtungs-Gebetsmühle beschrieben sind mehr und wesentlich einfacher. Einen aktiven Gleichrichter halte ich auch für überflüssig am Fahrrad. Leider sind die Nabendynamos, bedingt durch die Gesetzgebung, das Hauptproblem was eine effektive Akkuladung am Fahrrad verhindert.
Suche bei digikey Schottky-Dioden mit geringer Durchlasspannung, genügend Spannungsfestigkeit für Leerlaufspannung und überdimensioniertem Maximalstrom. Daraus Brückengleichrichter bauen und fertig. Keine Hokuspokus-Schaltung liefert mehr Ausgangsleistung wie der Dynamo hergibt!
Nimm die erste Schaltung Bild 1 und häng von Plus zum Kondensator eine Schottky Diode, wie Jürgen Heidbreder es angedeutet hat. Du verlierst nur 0,3V gegenüber 0,6V an einem Brückengleichrichter. Alles sndere ist wie mit Kanonen nach Spatzen geschossen.
Hallo, danke für alle Antworten. Mit so vielen habe ich nicht gerechnet! @Bernd (Gast): Wie ist das gemeint? Die MOSFETs sind doch so geschaltet, oder? Die parasitären Dioden müssen ja auch so genutzt werden wie bei einem normalen Brückengleichrichter. @ Yalu X. (yalu) (Moderator): Prinzipiell ist es das Ziel die OPVs mit der geglätteten Ausgangsspannung des Gleichrichters zu versorgen. Müsste das Problem nicht dadurch behoben sein, dass die unteren beiden MOSFETs N-Kanal Typen sind? @Amateur (Gast): Wenn du den Artikel "Aktiver Gleichrichter" aus der elektor 7-8/2008 von Dr. Thomas Scherer meinst, den habe ich. Er ist u.a. hier zu finden: http://www.mikrocontroller.net/attachment/43223/DE2008071001.pdf Ich habe mich auch an der Simulation dieser Schaltung versucht, bin allerdings mit ähnlichen Problemen gescheitert. Wenn du mir Tipps geben kannst, wie ich aus der vorgestellten Schaltung einen Gleichrichter baue, welcher nicht auf einen Trafo mit Mittelanzapfung angewiesen ist, würde ich mich darüber sehr freuen. Gerne würde ich auch noch den BUZ11 gegen einen moderneren MOSFET tauschen. @Tcf Kao (tcfkao): Das verstehe ich nicht ganz. Wo ist da genau der Unterschied? Es werden doch immer nur Spannungspotentiale verglichen. Dies sollte auch kein Problem darstellen, weil Strom nur vom höheren zum niedrigeren Potential fließt. Wie müsste man denn eine "Stromflussmessung" realisieren? @Harald Wilhelms (wilhelms): Die Verlustspannung der Dioden stört mich dahin gehend, dass die höhere Spannung erst bei höheren Geschwindigkeiten erreicht wird und ich mit dem Wirkungsgrad gerne an die 99%-Marke möchte. @temp (Gast): Das Serienkondensatoren "mehr" bringen habe ich bereits experimentell auch festgestellt. Die Gebetsmühle ist mir ein Begriff. Ein aufwendiger Gleichrichter ist in der Tat nicht für jede Lampe sinnvoll. Ich möchte mich aber gerne daran versuchen und suche hier nach Unterstützung. @Alexxx (Gast): Die Variante mit guten Schottky-Dioden hat sicherlich das beste Aufwand-Nutzen-Verhältnis. Dieses Verhältnis spielt hier und für mich aber keine Rolle. @Bernd K. (bmk): Das wäre wieder die einfach und auch sinnvolle Lösung. Ich möchte aber von der Diode weg. Ich hoffe mit meinen Antworten niemanden verärgert zu haben. Wahrscheinlich habe ich nicht deutlich geschrieben, dass ich weniger nach einer praktisch-sinnvollen Lösung suche, sondern die Variante mit MOSFETs und OPVs simulieren und nur evtl. nachbauen möchte. Es geht mir auch um die neuen Kenntnisse im Umgang mit OPVs dabei. Mein bisheriger Kenntnisstand reicht nicht viel weiter als bis zum ohmschen Gesetz. Wenn man sich jeweils einen MOSFET und OPV als Ersatz für eine Diode vorstellt könnte man auch versuchen erst mal eine Diode nachzubilden. Quasi eine ideale Diode. Dazu findet man zwar einige Beiträge im Forum, jedoch nur schematische Schaltungen und keine konkrete Schaltung mit genauen Bauteilenamen. Ich freue mich wieder über eure zahlreichen Antworten!
@Paul: Wenn ich Gegenspannung habe und ein Schaltelement (MOSFET, whatever) eingeschaltet ist, ist eben die Spannung der Quelle (Generator) und der Senke (Akku, Glättungselko) identisch. Welche Spannung soll ich da noch messen um das Schaltelement abzuschalten? Das geht nur indem ich den Strom*fluss* messe (was deutlich mehr Aufwand ist), und das Schaltelement abschalte wenn der Stromfluss Null ist -- eben wie das auch eine Diode tut. Wie gesagt, habe ich eine einfache Last wie einen Widerstand, LED, etc. geht der Spannungsvergleich. Bei Gegenspannung nicht mehr.
Cooles Teil! Die verwenden Rds(on) als Messshunt, so etwas diskret aufzubauen dürfte umfangreich sein...
Paul schrieb: > @ Yalu X. (yalu) (Moderator): Prinzipiell ist es das Ziel die OPVs mit > der geglätteten Ausgangsspannung des Gleichrichters zu versorgen. Müsste > das Problem nicht dadurch behoben sein, dass die unteren beiden MOSFETs > N-Kanal Typen sind? Die N-Kanal-Typen sind schon richtig. Die können aber nur dann richtig sperren, wenn ihre Gate-Source-Spannung 0 wird oder zumindest unter der Threshold-Spannung zu liegen kommt. Das kann aber nur dann geschehen, wenn die Ausgangsspannung des jeweiligen Opamp nahe genug an das Source-Potential des Mosfets herankommt. Und dazu muss die negative Versorgungsspannung der Opamps negativ genug sein, also bei etwa -17V liegen. Füge doch einfach auf der linken Seite des Schaltplans zu V2 noch eine zweite Quelle hinzu, so dass der mit "-" markierte Punkt nicht auf GND, sondern auf -15V liegt, und lass die Simulation dann noch einmal laufen.
Paul schrieb: > Mein bisheriger > Kenntnisstand reicht nicht viel weiter als bis zum ohmschen Gesetz. Aber der Unterschied zwischen Spannungs- und Stromquellen ist Dir bekannt?
Der LT 4320 funktioniert fantastisch. Ich sitze zZ auch am Lampenproblem mit Mosfetgleichrichter und Akku und möchte auch die Verluste minimieren. Als Schalter dazu habe ich den IRF 3205 mit 7mOhm, einfach Spitze. ABER: Probleme lassen mich für den konkreten Fall Abstand nehmen, das Teil arbeitet erst ab ca. 8V DC entspricht ca 5,8V ~ (fast) verlustfrei, vorher hat man die Brücke mit den Bodydioden der Mosfet und 1,7V Flußspannung! Man könnte etwas nachbessern mit externen Schottkydioden parallel zu jedem Fet. Also will ich den GL auch mit R2R OPV aufbauen, um mit der Spannung weiter herunter zu kommen. Unter 3V gibt dann keinen Sinn, die Leistungen sind einfach zu klein, aber ab 3V lohnt sich die Spannung über einen Step up Wandler auf 12,6V (für 3 LiIon Batterien 18650 mit 4200mAh)hochzusetzen und zum Laden zu nutzen. Der Step up (XL 6009) arbeitet auch einwandfrei. Man hat also ein 12V Bordnetz und kann entsprechende LED anschließen. Ich habe 2 XM-L von Cree bei 1A in Reihe und eine bei 0,2A als Positions- bzw. Tagfahrlicht. Die Stromquellen arbeiten mit den ZXLD 1360 von zetex. Ein LT2596S stellt noch 5V für einen USB Ladeanschluß bereit. Fertig. Jetzt will ich auch den GL aufbauen und mit dem 4320 vergleichen....
@Tcf Kao (tcfkao): Danke für die einfach formulierte Erklärung. Ich glaube jetzt erst habe ich das Grundproblem verstanden. @Yalu X. (yalu) (Moderator): Wie empfohlen habe ich eine zweite Spannungsversorgung eingebaut. Jetzt funktioniert die Schaltung auch. Siehe Anhang: "Funktioniert.png" Danke! @Harald Wilhelms (wilhelms): Ja, der Unterschied zwischen einer Strom- und einer Spannungsquelle ist mir bekannt. Unabhängig davon verliere ich aber selbst an einer Schottky-Diode 0,5W/A. Macht schon ca. 0,8W Verlust an der Gleichrichtung bei einem Strom von 800mA. @Distel Beisser (Gast): So weit war ich noch gar nicht. Mein Ziel ist es zunächst einen Verlustarmen Gleichrichter aufzubauen, welche möglichst universal einsetzbar ist. Um einen Gleichrichter zu bauen, der sekundär mit einem Akku klar kommt, muss ich also zwingend der Stromfluss messen. Z.B. so wie im Anhang "Current Monitor.png" gezeigt ist. (Quelle: Datenblatt LM158/LM258/LM358/LM2904 - Low Power Dual Operational Amplifiers) Wie könnte so etwas realisiert werden?
Bernd K. schrieb: > Nimm die erste Schaltung Bild 1 und häng von Plus zum Kondensator > eine Schottky Diode, wie Jürgen Heidbreder es angedeutet hat. > > Du verlierst nur 0,3V gegenüber 0,6V an einem Brückengleichrichter. > Alles sndere ist wie mit Kanonen nach Spatzen geschossen. Oder die oberen Mosfets der Brücke durch Dioden ersetzen.
Distel Beisser schrieb: > Der LT 4320 funktioniert fantastisch Ganz bestimmt, so wie eigentlich alles von LT. Aber der IC ist locker so teuer wie Feingold. Mit nur etwas Grips kann man sowas selbst bauen, und muss keine Wucherpreise unterstützen.
@Michael X. (Firma: vyuxc) (der-michl): Das ist die praktisch sinnvolle Lösung, also die, die es wahrscheinlich auch werden wird. Der Vorschlag wurde auch hier schon mal gemacht: http://www.ledstyles.de/index.php/Thread/10179-Mosfet-Gleichrichter-und-Betriebsspannung-Mikrocontroller-am-ND/?postID=173146#post173146 Siehe Anhang "semiMOS-GR.gif" @Agathe Bauer!!! (Gast): Im Grunde ist das die aktuelle Fragestellung. Also wie kann man einen IC wie den "LT4320/LT4320-1 - Ideal Diode Bridge Controller" mehr oder weniger diskret nachbauen? Wobei ich mich im Grunde schon damit abgefunden habe, dass das Projekt zu aufwendig ist, wenn es mit einer Lösung wie der in Bild 3 aus meinem Startpost nicht möglich ist. Eine extra Messung des Stromflusses mit weiteren OPVs scheint auch mir zu aufwendig. Wenn du aber fähig bist, so etwas (auch nur schematisch) zu entwickeln bin ich an Ansätzen oder Lösungen sehr interessiert.
Ok, teuer war er, aber das schlimmste war die LP. die kleinen Strukturen des MSOP8 haben mich 2 Versuche gekostet, weil der Edding auch nicht das Wahre zum leiterzüge malen ist! Was letztendlich von Bedeutung ist, unter 8V geht nix, oder besser nur die Substratdioden, also gecancelt. Umsonst gekauft aber tolles Teil und alles mit n-Mos, womit man hohe Ströme bei gutem Wirkungsgrad verarbeiten kann! Den anderen GL mit LMV 844 und dem IRF 7319 habe ich auch ausprobiert, nur daß ich statt des LMV den LT 1491 genommen habe. Ist auch ein 4-fach R2R OPV, aber mit erweitertem Spannungsbereich gegen den 44. Läuft auch absolut rund, arbeitet ab 2,76V, bei 2,97 am Eingang(DC, Polarität egal)kommt am Ausgang bei 90mA Last 2,92V heraus. bei 6,05V und 0,6A Last 5,94V. Kein Glück hingegen hatte ich mit einem Step-up Wandler, der die kleine Leistung des Nabendynamos bei niedrigen Geschwindigkeiten auf verwertbare 12V heben sollte. Sobald man Last anschließt, bricht die EINGANGSspannung des Wandlers auf 2,7V zusammen und springt erst aus diesem Zustand, wenn man die last am Ausgang unter die reale Eingangsleistung absenkt. Dann verläßt er die 2,7V und läßt auch höhere Spannungen am Eingang zu. Liegt wohl am Wandlerschaltkreis/Prinzip XL 6009, da grübele ich jetzt heftig!
>Sobald man Last anschließt, bricht die EINGANGSspannung des Wandlers auf >2,7V
zusammen
Ich würde das eher so interpretieren, das die EIngangsspannung den Strom
des Schaltreglers bei der Last nicht bringen kann.
Was passiert mit einer kleineren Last?
Wolfgang M. schrieb: > Was letztendlich von Bedeutung ist, > unter 8V geht nix, oder besser nur die Substratdioden, also gecancelt. > Umsonst gekauft aber tolles Teil und alles mit n-Mos, womit man hohe > Ströme bei gutem Wirkungsgrad verarbeiten kann! Gut, das steht ja auch so im Datenblatt. Ich habe mir eben auch einen LT4320 gekauft. Hat mich etwas über 11€ inkl. Versand gekostet. Wenn der da ist werde ich weiter davon berichten. > Den anderen GL mit LMV 844 und dem IRF 7319 habe ich auch ausprobiert, > nur daß ich statt des LMV den LT 1491 genommen habe. Ist auch ein 4-fach > R2R OPV, aber mit erweitertem Spannungsbereich gegen den 44. Läuft auch > absolut rund, arbeitet ab 2,76V, bei 2,97 am Eingang(DC, Polarität > egal)kommt am Ausgang bei 90mA Last 2,92V heraus. bei 6,05V und 0,6A > Last 5,94V. Wenn ich dich richtig versteh hast du also die Schaltung in Bild 3 aus meinem Startpost real aufgebaut und sie funktioniert? > Kein Glück hingegen hatte ich mit einem Step-up Wandler Dazu wurde in der Szene rund um den Forumslader schon viel experimentiert. Schon die "Weiterentwickelte 12V-Version (ohne USB)" nutzt zwei Arten der Gleichrichtung in Abhängigkeit der Geschwindigkeit. Die niedrige Geschwindigkeitsstufe arbeitet mit einer Gleichrichterschaltung nach Delon und die hohe Stufe mit einer Graetz-Brücke. Die letzte Entwicklung mit professionellem PCB, MC, Bluetooth, ... schaltet zusätzlich noch den passenden Serienkondensator. Der Versuch mit Schaltwandlern zu arbeiten scheint aussichtslos zu sein. Zumindest wenn man "die beste Lösung" sucht. :)
Wolfgang M. schrieb: > Kein Glück hingegen hatte ich mit einem Step-up Wandler, der die kleine > Leistung des Nabendynamos bei niedrigen Geschwindigkeiten auf > verwertbare 12V heben sollte. Sobald man Last anschließt, bricht die > EINGANGSspannung des Wandlers auf 2,7V zusammen und springt erst aus > diesem Zustand, wenn man die last am Ausgang unter die reale > Eingangsleistung absenkt. Dann verläßt er die 2,7V und läßt auch höhere > Spannungen am Eingang zu. > Liegt wohl am Wandlerschaltkreis/Prinzip XL 6009, da grübele ich jetzt > heftig! Da brauchst du nicht weiter grübeln. Fahrrad-Dynamos haben durchweg eine Stromquellen-Charakteristik, indem (möglichst) durchweg 0,5A geliefert werden, um die Standard-Beleuchtung vorne 2,4W hinten 0,6W zu bedienen. Bei 6V x 0,5A sind das die bekannten 3W. Genau das mögen Schaltwander nicht; die hätten gerne eine konstante Spannung, aus der sie temporär einen erhöhten Strom zum Aufladen der Induktivität beziehen möchten. Und da geht eine Stromquelle in die Knie und die Spannung bricht zusammen. Ich habe hier mal die vorhandenen Schaltungen nach meinen Vorstellungen kombiniert (Bild). Erstmal oben die bewährte Schaltung (grün) mit der MOSFET-Gleichrichtung. Die Schottky Diode SB540 ist speziell ausgesucht, dass bei 1A nur 0,3V Spannung abfällt. Der Reversstrom ist hier immer Thema, liegt allerdings bei max. 16V unter 1mA und damit vertretbar. Zur Erzeugung einer 5V Ausgangsspannung kommt natürlich nur ein Low Drop Spannungsregler (L4940L5) infrage. Der benötigt bei 1A nur 5,4V am Eingang. Bei 0,5A werden nur 5,25V am Eingang benötigt. Passt gut zu den LEDs, an denen ca. 6V abfällt. Die genannten Bauteile kann man z.B. bei Conrad beziehen.
Nochwas: Im Bild mit dem Mosfetgleichrichter sind 4 N-Kanal-Mosfets drin. Das funktioniert so nicht. Die Schaltung geht mit 2 N-Kanal und 2 P-Kanal.
Sebastian Metheld schrieb: > @Harald Wilhelms (wilhelms): Ja, der Unterschied zwischen einer Strom- > und einer Spannungsquelle ist mir bekannt. Unabhängig davon verliere ich > aber selbst an einer Schottky-Diode 0,5W/A. Macht schon ca. 0,8W Verlust > an der Gleichrichtung bei einem Strom von 800mA. Erstens liefert der Dynamo nur 0,5A oder nur wenig mehr bei sehr hohen Geschwindigkeiten und zweitens hat er überhaupt keine Probleme, eine Spannung von 0,5 V mehr zu liefern. Die Spannung hinter dem Gleichrichter ist sowieso so gut wie nur von Deiner Beschaltung abhängig. Und ich glaube auch nicht, das Du 0,5W mehr Kraftaufwand an den Pedalen wirklich merken wirst. Selbst messtechnisch wird es schwierig sein, das zu erfassen
Paul schrieb: > @Harald Wilhelms (wilhelms): Die Verlustspannung der Dioden stört mich > dahin gehend, dass die höhere Spannung erst bei höheren > Geschwindigkeiten erreicht wird und ich mit dem Wirkungsgrad gerne an > die 99%-Marke möchte. Wenn es nur darum geht den Rückstrom zu verhindern, könnte doch ein P-Mosfet als ideale Dioide beschaltet brauchbar sein.
@Bernd K. (bmk): Das ist die Variante, welche ich auch schon praktisch an einem Fahrrad nutze. Bis auf die gute Auswahl der Bauteile und den Low Drop Spannungsregler (L4940L5). Wobei ein IRF7319 durch zwei SB540 Dioden getauscht werden können, so wie in Anhang "semiMOS-GR.gif" 7 Beiträge weiter oben. Michael X. schrieb: > Nochwas: Im Bild mit dem Mosfetgleichrichter sind 4 N-Kanal-Mosfets > drin. Das funktioniert so nicht. Die Schaltung geht mit 2 N-Kanal und 2 > P-Kanal. Welches Bild meinst du genau? Ich jedem bisher angehängten Schaltbild sind immer zwei P- und zwei N-Kanal MOSFETs. Harald W. schrieb: > liefert der Dynamo nur 0,5A Mit einfachen Mitteln lässt sich deutlich mehr raus holen. Ich habe mit genau meinem Nabendynamo (Shimano DH3N30) 800mA bei 30km/h erzielt. (11,2W an R=27Ohm) Harald W. schrieb: > mehr Kraftaufwand > an den Pedalen wirklich merken wirst. Das ist richtig. Aber in jedem Fall steht bei niedrigeren Geschwindigkeiten mehr Leistung zur Verfügung. Mir geht es auch mehr darum erst mal theoretisch jedes Element (wobei die Gleichrichtung das erste Element ist) zu betrachten und möglichst Verlustarm zu gestalten. AufArbeit schrieb: > P-Mosfet als ideale Dioide beschaltet Das werde ich gleich mal real testen. Wie immer - Vielen Dank für eure Beiträge!
Sebastian Metheld schrieb: >> liefert der Dynamo nur 0,5A > Mit einfachen Mitteln Resonanzüberhöhung? > lässt sich deutlich mehr raus holen. Ich habe mit > genau meinem Nabendynamo (Shimano DH3N30) 800mA bei 30km/h erzielt. > (11,2W an R=27Ohm) Hmm, ich rechne da nur gut 0,6A aus. Wenn Du einen grösseren Belastungswiderstand nimmst, wirst Du auch noch mehr Spannung rausholen können.
Sebastian Metheld schrieb: > Welches Bild meinst du genau? Ich jedem bisher angehängten Schaltbild > sind immer zwei P- und zwei N-Kanal MOSFETs. stimmt. Mein Fehler, sorry.
Harald W. schrieb: > Resonanzüberhöhung? Ja, im konkreten Fall mit 2 ElKos 470µF Anti-seriell. Harald W. schrieb: > nur gut 0,6A Da hast du natürlich Recht! Mein Fehler. Richtig wäre, dass ich maximal 670mA bei 30km/h und einem Lastwiderstand von 27Ohm und zwei ElKos mit jeweils 220µF, gemessen habe. Hat zwar nur noch wenig mit der eigentlichen Fragestellung zu tun, dennoch habe ich meine Messwerte als Anhang "Messprotokoll Nabendynamo.PNG" beigefügt.
Hallo idealer-Gleichrichter-Interessenten, Weil die einfache Standard-Schaltung von mir stammt, und ich mit Paul in regem email-Austausch stehe, möchte ich hier meine Kommentare abgeben: - ohne die Notwendigkeit einer weiteren Pufferung durch Elko oder Akku ist die einfache Standard-Schaltung mit Sicherheit die beste Wahl. Man darf auch nicht vergessen, dass der Nabendynamo im Leerlauf keinen Sinus hervorbringt, sondern: siehe Bild im Anhang. Schließt man zwei LEDs am Ausgang des Gleichrichters an, misst man fast eine Recheckspannung, siehe angehängtes zweites Bild. Man sieht ein sehr schnelles Umschlagen zwischen Plus und Minus, wahrscheinlich durch das schlagartige Stoppen des Stromflusses, der durch die magnetische Gegeninduktion die Spannung schnell umschlagen lässt. Gerade weil die Zeitspanne zwischen den zwei Halbwellen fast null ist, sehe ich wenig Notwendigkeit, über einen zusätzlichen Elko nachzudenken. - wenn man trotzdem Elko oder Akku nutzen möchte, ist erst einmal die nächst beste Lösung, die zwei P-Kanal-Mosfets durch Schottkys zu ersetzen. ABER: ich hatte so ein Experiment vor Ewigkeiten gemacht: Nabendynamo, Gleichrichter, Elko, Digitalscope: mit Elko ging der mittlere (RMS) - Strom sogar leicht zurück. Meine Erklärung: die niedrige Impedanz des Elkos treibt den Nabendynamo in die Sättigung. - Ich habe keine Ahnung, was LT dazu bewogen hat, für diesen Zweck ein spezielles IC heraus zu bringen. Eine Anmerkung der oben gezeigten gesteuerten Versionen: es ist sehr mutig, den OP-Eingängen zuzumuten, die direkten Spannungen zu messen. Auch rail-to-rail-OPs können das nicht immer. Braucht man aber auch nicht: es reicht, alle Spannungen, die man messen und vergleichen will, zu halbieren. Damit ist man immer auf der sicherern Seite. So weit meine 50ct. Jürgen
Nachtrag: Das Schalten der Mosfets sollte mit einer gewissen Hysterese geschehen. Ich erinnere mich dunkel an einen Enthusiasten, der die Schaltung nachgebaut hatte und über Oszillationen an Ein- und Ausschaltpunkt berichtete. Eventuell hilft auch ein entsprechendes Dimensionieren der Spannungsteiler: Einschalten erst dann, wenn U (ein) > U (aus) + delta U, Ausschalten spätestens, wenn U (ein) = U (aus) geworden ist. Dazwischen ist die beschriebene Hysterese. Also einen passend dimesionierten Widerstand vom Ausgang zum Plus-Eingang der OPs vorsehen. Jürgen
Ich habe die Schaltung mit dem LT4320 aufgebaut und getestet. Abkürzungen der Pins siehe Bild 5 "LT4320". -Spannungsquelle ist einen Nabendynamo Shimano DH3N30 -Schaltelemente sind N-Kanal MOSFETs IRF7413 -C-LOAD ist ein KerKo mit 1µF, ein ElKo mit 10µF und eine ElKo mit 470µF -R-Last ist 27Ohm Das erste Bild zeigt die Ausgangsspannung (OUTP - OUTN). Das zweite Bild zeigt die Eingangsspannung (IN1 - IN2). Leider konnte ich die beiden Spannungen nicht gemeinsam aufnehmen, weil die Ausgangsspannung dann nicht über 2,2V gestiegen ist? Weiß jemand woran das liegen könnte? Oszilloskop ist ein DSO-220USB. Das dritte Bild zeigt die Spannung am Gate von TG1 und TG2. Gut zu sehen ist die angesprochene Hysterese. Im Datenblatt ist der typische Spannungsverlauf an 24V Wechselspannung auch gezeigt. Siehe Bild 4 "Hysterese aus Datenblatt LT4320". Der Spannungsabfall über einem Transistor beträgt 10,2mV bei einem Strom von 500mA. Gemessen mit einem einfachen DMM. Passt also ca. zu den im Datenblatt angegebenen R-DS(on) von 11-18mOhm.
> Weiß jemand >woran das liegen könnte? Oszilloskop ist ein DSO-220USB. Ich würde sagen, die Massen beider Kanäle im Oszi sind verbunden. Das ist leider bei den meisten der Fall.
Jürgen schrieb: > - Ich habe keine Ahnung, was LT dazu bewogen hat, für diesen Zweck ein > spezielles IC heraus zu bringen. Ein guter(!)* aktiver Gleichrichter ist gar nicht so einfach und sehr bauteilintensiv. Zum Preis von deren IC dürfte man ungefähr die eingesparte Boardfläche und Bauteile wiederbekommen (- Engineering-Kosten nicht eingerechnet). * Stromsteuerung um Rückströme zu verhindern, nicht zu schnelles Einschalten um zu große und schnelle Stromspitzen zu vermeiden, ... ein Brückengleichrichter ist überraschend komplex!
Bitte melde dich an um einen Beitrag zu schreiben. Anmeldung ist kostenlos und dauert nur eine Minute.
Bestehender Account
Schon ein Account bei Google/GoogleMail? Keine Anmeldung erforderlich!
Mit Google-Account einloggen
Mit Google-Account einloggen
Noch kein Account? Hier anmelden.















