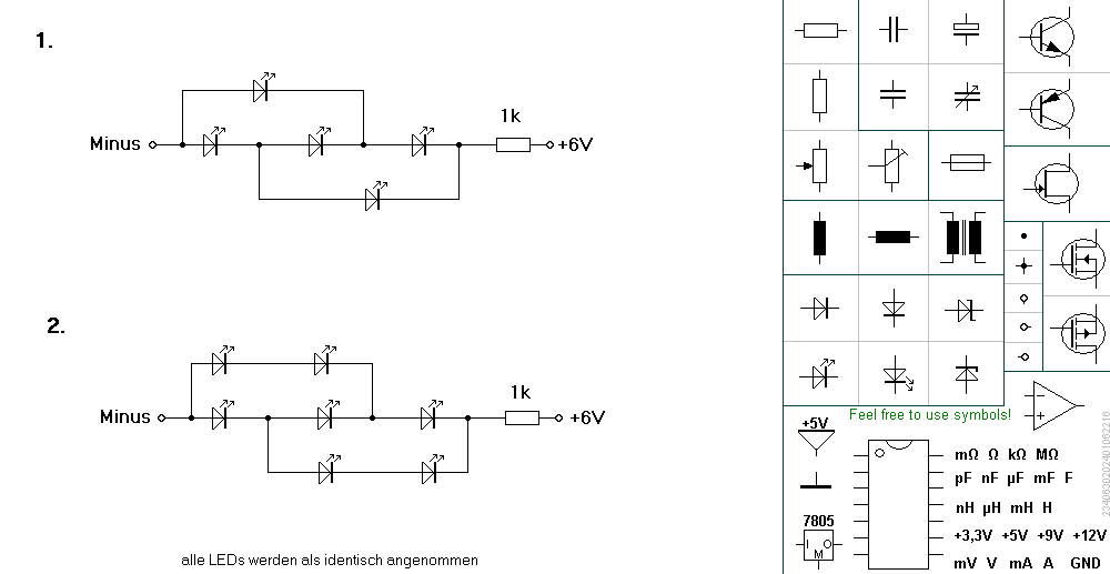
Zwei kleine Rätsel am Sonntag: Welche LEDs leuchten in 1 und welche in 2 (s. Anhang)? Die elektrischen Parameter aller LEDs werden als identisch angenommen.
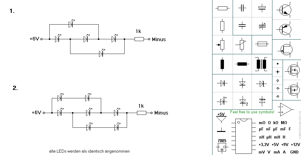
Korrekt! Und jetzt der Vollständigkeit halber das ganze noch mit in Flussrichtung angeschlossener Spannung. Wer kennt hier die korrekten Lösungen?
@ Daniel C. (dan1el) > LED_Raetsel.PNG >Wer kennt hier die korrekten Lösungen? Bei der oberen Schaltung leuchten alle LEDs ausser der mittleren im Mittelzweig. Man kann das einfach umzeichnen als eine Brückenschaltung, wobei die mittlere Diode im Querzweig liegt und dabei 0V Spannung "sieht". Bei der 2. Schaltung leuchten alle LEDs, denn es ligen bei allen Pfaden von + nach - immer drei LEDs in Reihe.
Herzlichen Glückwunsch, korrekte Antwort! Meine Kumpels sind nicht so schnell drauf gekommen. Einer hat es sogar auf dem Steckbrett aufgebaut.
Ich hätte gesagt (bei Schaltung 2) grün und gelb leuchtet nicht, bei rot (und low-current Typ) sieht man vielleicht was im dunklen Zimmer. 6V sind für 3 LEDs ganz schön wenig und 1kOhm ganz schön viel.
@ Dumdi Dum (dumdidum) >Ich hätte gesagt (bei Schaltung 2) grün und gelb leuchtet nicht, bei rot >(und low-current Typ) sieht man vielleicht was im dunklen Zimmer. 6V >sind für 3 LEDs ganz schön wenig und 1kOhm ganz schön viel. Darum geht es bei der Aufgabe nicht. Du kannst das auch mit 12V betrachten oder noch besser mit einer Stromquelle.
Falk B. schrieb: > Darum geht es bei der Aufgabe nicht. Du kannst das auch mit 12V > betrachten oder noch besser mit einer Stromquelle. Naja, eine korrekte Aufgabenstellung wäre schon wünschenswert. Das ist wie mit den Lehrern: Das hab ich aber anders gemeint mimimi. Dann hätten sie die Aufgabe so stellen sollen. Mit 6V ist bei 3 grünen oder gelben LED nicht viel zu holen, mit blauen oder weißen schon gar nicht.
magic s. schrieb: > noch besser mit einer Stromquelle. > Genau. 500A. krawumm bei kleinen LEDs machts auch bloss "klein" ...puff... Gruss Asko.
Falk B. schrieb: >> Bei der 2. Schaltung leuchten alle LEDs, denn es ligen bei allen Pfaden >> von + nach - immer drei LEDs in Reihe. > Herzlichen Glückwunsch, korrekte Antwort! Vorsicht! Im Fall 1 ist der Strom über die vier LEDs D1, D3, D4 und D5 gleich, da die Spannungen am Knoten A und B gleich sind (jeweils eine LED zwischen Vcc und A/B und zwischen A/B und GND). Deshalb fließt auch über D5 kein Strom, damit kann Sie nicht leuchten. Im Fall 2 liegt A jedoch auf niedrigerem Potential (Spannungsteiler 2/3 über die LEDs D4, D6 und D3) als Knoten B (Spannungsteiler 1/3 über ide LEDs D1, D5 und D7). Durch die LED D2 werden diese Potentiale zwar noch etwas weggezogen, aber das ändert nicht viel. Deshalb fließt durch D1 und D3 der größte Strom, durch D4,D5,D6 und D7 fleißt ein entsprechend niedrigerer Strom und D2 wird vom geringsten Strom durchflossen. Abhängig von den LEDs (bzw. deren Schwellstrom) können im Fall 2 also - nur D1 und D3 - alle außer D2 - alle leuchten (bzw. als leuchtend wahrgenommen werden).
@ Michael K. (aemkai) >Vorsicht! jaja >Durch die LED D2 werden diese Potentiale zwar noch etwas weggezogen, >aber das ändert nicht viel. Da wird gar nichts weggezogen, denn alle LEDs werden als identisch betrachtet. >Deshalb fließt durch D1 und D3 der größte Strom, durch D4,D5,D6 und D7 >fleißt ein entsprechend niedrigerer Strom und D2 wird vom geringsten >Strom durchflossen. Stimmt. >- nur D1 und D3 >- alle außer D2 >- alle >leuchten (bzw. als leuchtend wahrgenommen werden). Tja, willkommen in der wunderbaren Welt der interpretierbaren Ergebnisse. In der Praxis wird der Strom durch die LEDs ungleich sein und sie somit ungleich hell leuchten. Ob man das stark wahrnimmt oder nicht ist eine andere Frage. Allerdings ist der vereinfachte Ansatz hinter der Aufgabe einfach der, dass eine Diode eine Flußspannung hat, die vom Durchlaßstrom in erster Näherung unabhängig ist. Und darum geht es. Wie hoch ist die Flußspannung einer 08/15 LED bei 5 und 10mA? Was sagt PSpice?
Falk B. schrieb: > @ Michael K. (aemkai) >>Durch die LED D2 werden diese Potentiale zwar noch etwas weggezogen, >>aber das ändert nicht viel. > > Da wird gar nichts weggezogen, denn alle LEDs werden als identisch > betrachtet. Du meinst, ob man Schaltung 2 ohne D2 oder mit D2 aufbaut macht keinen Unterschied bezüglich der Potentiale in A und B? Halte ich für eine gewagte Theorie. > Allerdings ist der vereinfachte Ansatz hinter der Aufgabe Wo steht etwas von vereinfachtem Ansatz? Gefragt waren korrekte Lösungen :-) Mein Hinweis war auch eher als Vorsicht vor solchen Vereinfachungen gedacht, denn die theoretische Lösung ist das eine ... > Und darum geht es. Bitte intepretier nicht meine Antwort nach deiner Auffassung der Aufgabenstellung um, denn dann ist ja klar, dass es nicht passt :-) > dass eine Diode eine Flußspannung hat, die vom Durchlaßstrom in erster > Näherung unabhängig ist. Und darum geht es. Wie hoch ist die > Flußspannung einer 08/15 LED bei 5 und 10mA? Falsdches Problemfeld. Gefragt waren keine Spannungen, sondern Helligkeiten. Und wie ist die Helligkkeit einer 08/15-LED bei 5 und 10 mA? Skalier das ganze jetzt noch runter auf meinetwegen 0,5 und 1 mA oder 0,5 und 2 mA und schon hast du - je nach LED-Typ - eine "Leuchtende" und eine "nicht Leuchtende", aber da hast du mich ja schon bestätigt: > In der Praxis wird der Strom durch die LEDs ungleich sein > und sie somit ungleich hell leuchten. > Was sagt PSpice? Keine Ahnung, probier es aus :-)
@ Michael K. (aemkai) >> Da wird gar nichts weggezogen, denn alle LEDs werden als identisch >> betrachtet. >Du meinst, ob man Schaltung 2 ohne D2 oder mit D2 aufbaut macht keinen >Unterschied bezüglich der Potentiale in A und B? >Halte ich für eine gewagte Theorie. Der Unterschied ist gering. >> Allerdings ist der vereinfachte Ansatz hinter der Aufgabe >Wo steht etwas von vereinfachtem Ansatz? >Gefragt waren korrekte Lösungen :-) >Mein Hinweis war auch eher als Vorsicht vor solchen Vereinfachungen >gedacht, denn die theoretische Lösung ist das eine ... Aber nicht auf quantenphysikalischer Ebene! >Falsdches Problemfeld. Gefragt waren keine Spannungen, sondern >Helligkeiten. Falch! Gefragt war, welcher leuchtet und welche nicht! "Welche LEDs leuchten in 1 und welche in 2 (s. Anhang)?" >Und wie ist die Helligkkeit einer 08/15-LED bei 5 und 10 mA? >Skalier das ganze jetzt noch runter auf meinetwegen 0,5 und 1 mA oder >0,5 und 2 mA und schon hast du - je nach LED-Typ - eine "Leuchtende" und >eine "nicht Leuchtende", aber da hast du mich ja schon bestätigt: Nö, auch das ist gar nicht das Thema, auch wenn die Spannung und der VOrwiderstand etwas praxisfern gewählt war. Das kommt davon, wenn man sowas zu schnell in die Runde wirft.
>Gefragt war,
etwas, dass nur durch hinzufügen einiger "Rahmenbedingungen" eindeutig
beantwortbar ist..
du musst also nicht auf jedem i-tüpferl 1 Stunde herumreiten, nur damit
"Deine" Lösung richtig, und alle anders falsch sind..
Nur so am Rande, auch wenn es mit der eigentlichen Aufgabenstellung nur indirekt etwas zu tun hat: Interessanterweise lassen sich die Ströme durch die einzelnen LEDs aus der Shockley-Gleichung als geschlossene Formeln berechnen, wenn man den Bahnwiderstand außer Acht lässt:
I₀ ist dabei der Gesamtstrom durch die Schaltung, Is der Sättigungs- sperrstrom der LEDs und I₁ bis I₇ die Ströme durch die LEDs D₁ bis D₇ gemäß dieser Skizze: Michael K. schrieb: > (Bild) Im normalen Betrieb der LEDs ist Is sehr viel kleiner als I₀, womit sich die Formeln weiter vereinfachen:
Damit teilt sich der Strom an den Knoten in der Schaltung – unabhängig vom Typ der LEDs – jeweils im Verhältnis des goldenen Schnitts auf, was ich irgendwie schön finde :) Falk B. schrieb: > In der Praxis wird der Strom durch die LEDs ungleich sein > und sie somit ungleich hell leuchten. Der Strom durch D₁ und D₃ ist also um den Faktor 2,6 größer als der Strom durch D₂, was zu einem erkennbaren Helligkeitsunterschied der LEDs führen dürfte. Falk B. schrieb: > Was sagt PSpice? LTspice bestätigt die obige Berechnung. Mit der AOT-2015 aus der LTspice-Bibliothek und 10 mA Gesamtstrom ermittelt die Simulation die folgenden LED-Ströme:
1 | I₁₃ = 6,17651 mA |
2 | I₂ = 2,35303 mA |
3 | I₄₅₆₇ = 3,82349 mA |
Mit anderen (Leucht-)Dioden sehen die Ergebnisse ganz ähnlich aus. Erst bei größeren Strömen (wenn sich der Bahnwiderstand stärker bemerkbar macht), werden auch die Abweichungen deutlicher.
Yalu X. schrieb: > Damit teilt sich der Strom an den Knoten in der Schaltung – unabhängig > vom Typ der LEDs – jeweils im Verhältnis des goldenen Schnitts auf, was > ich irgendwie schön finde :) Cool, Danke für's durchrechnen. Und echt interessant. Wäre mal interessant ob sich der goldene Schnitt (auf den ersten Blick) nur aus den Anzahlen der LEDs in den einzelnen Strompfaden ergibt (1-2-3) oder bei z.B. 1-3-4 LEDs genauso ist?
Bitte melde dich an um einen Beitrag zu schreiben. Anmeldung ist kostenlos und dauert nur eine Minute.
Bestehender Account
Schon ein Account bei Google/GoogleMail? Keine Anmeldung erforderlich!
Mit Google-Account einloggen
Mit Google-Account einloggen
Noch kein Account? Hier anmelden.


